Скачать Типовой проект 181-115-99/1.2 Альбом II. Деревянные изделия заводского изготовленияДата актуализации: 01.01.2021
|
| Обозначение: | Типовой проект 181-115-99/1.2 |
| Обозначение англ: | 181-115-99/1.2 |
| Статус: | не определен законодательством |
| Название рус.: | Альбом II. Деревянные изделия заводского изготовления |
| Дата добавления в базу: | 01.09.2013 |
| Дата актуализации: | 01.01.2021 |
| Дата введения: | 07.07.1981 |
| Дата окончания срока действия: | 30.06.2003 |
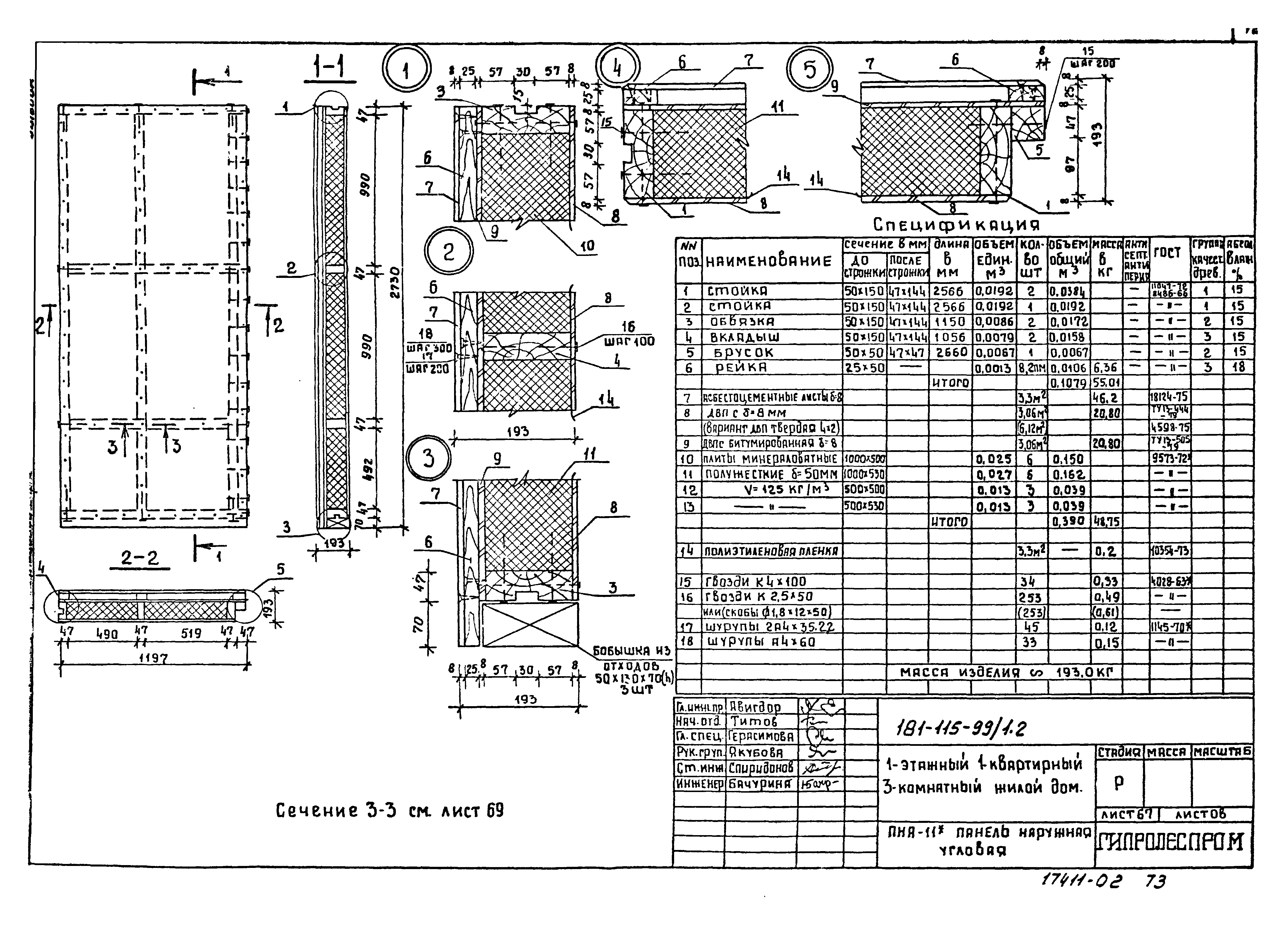
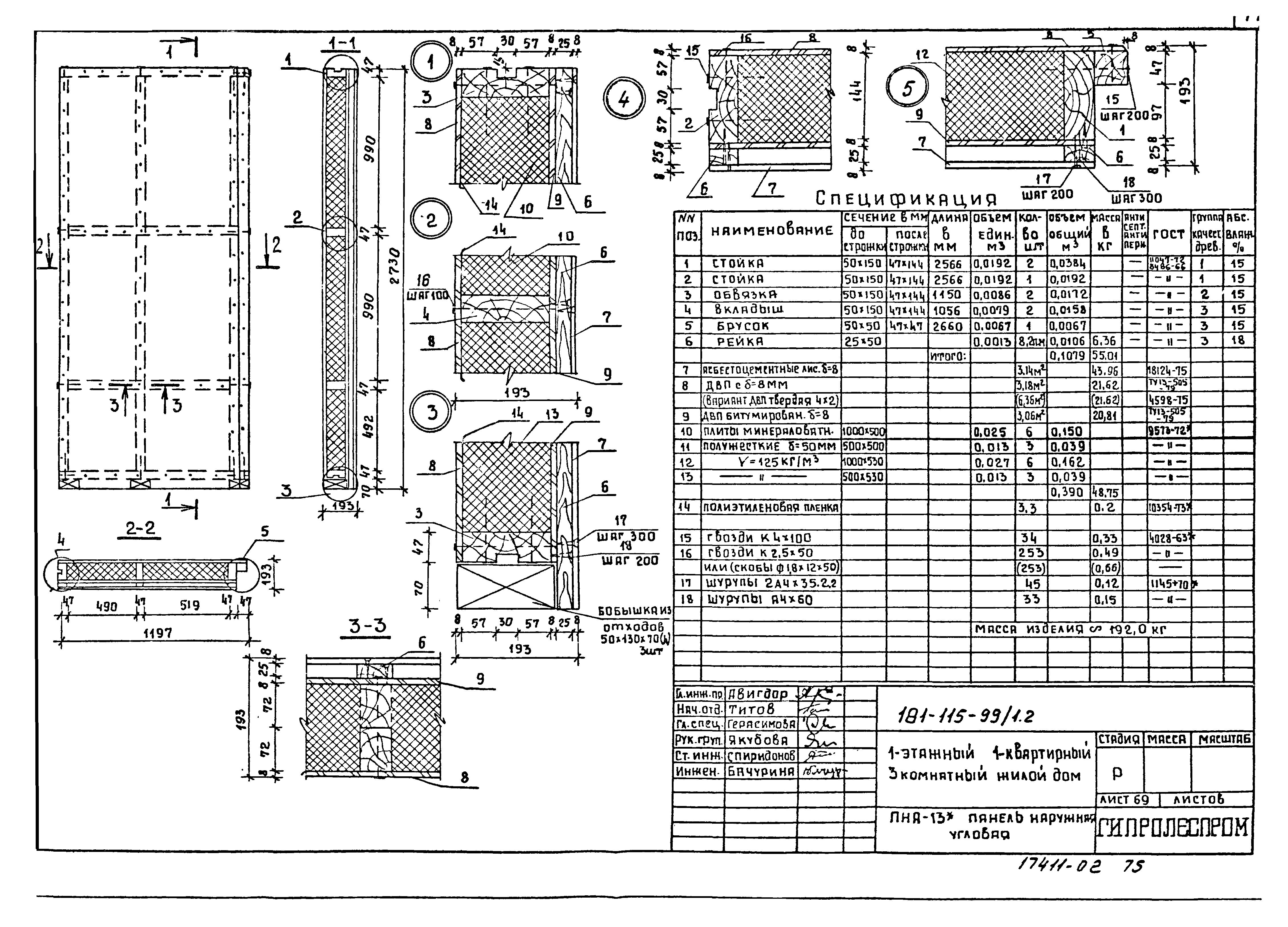
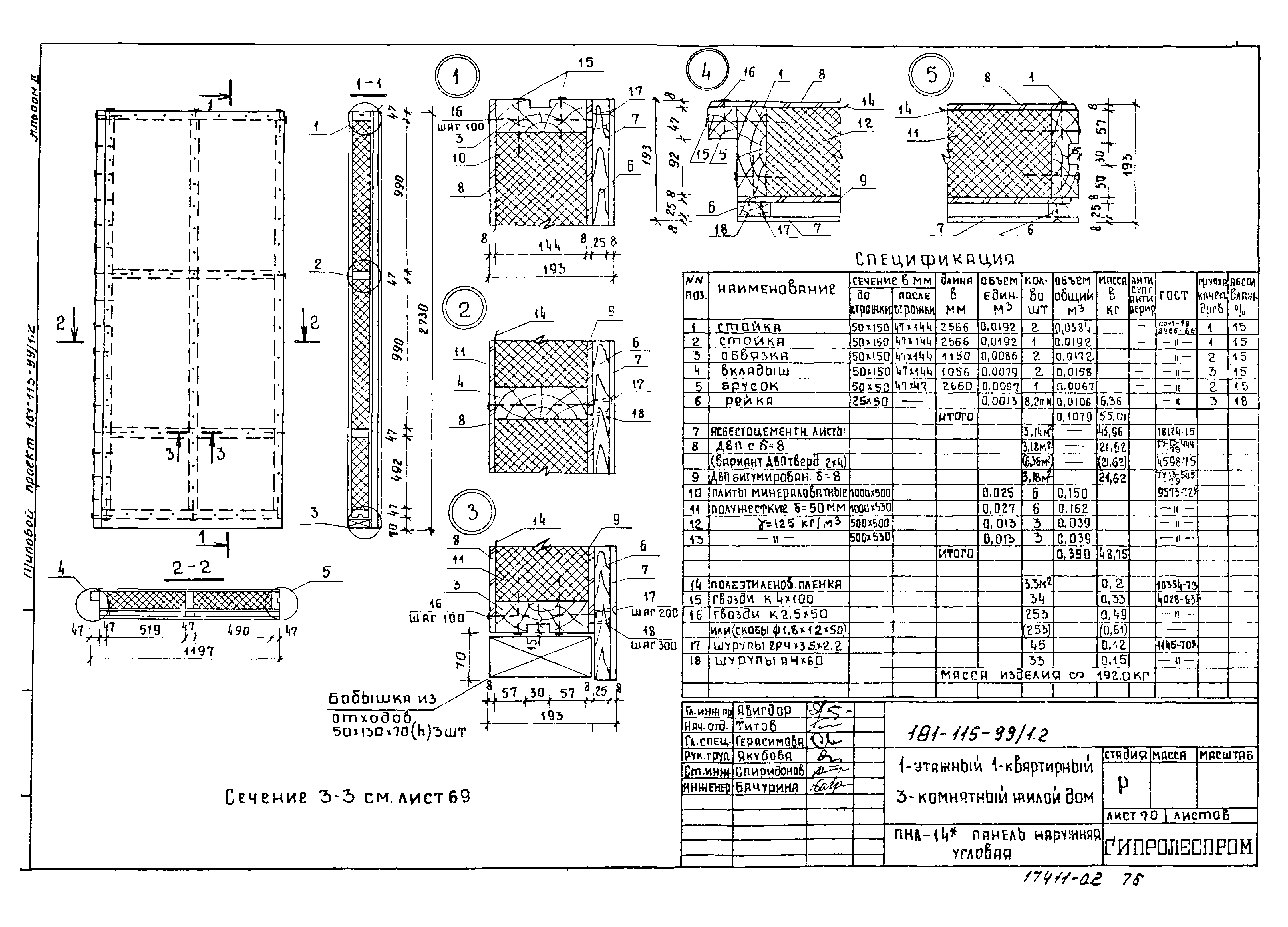
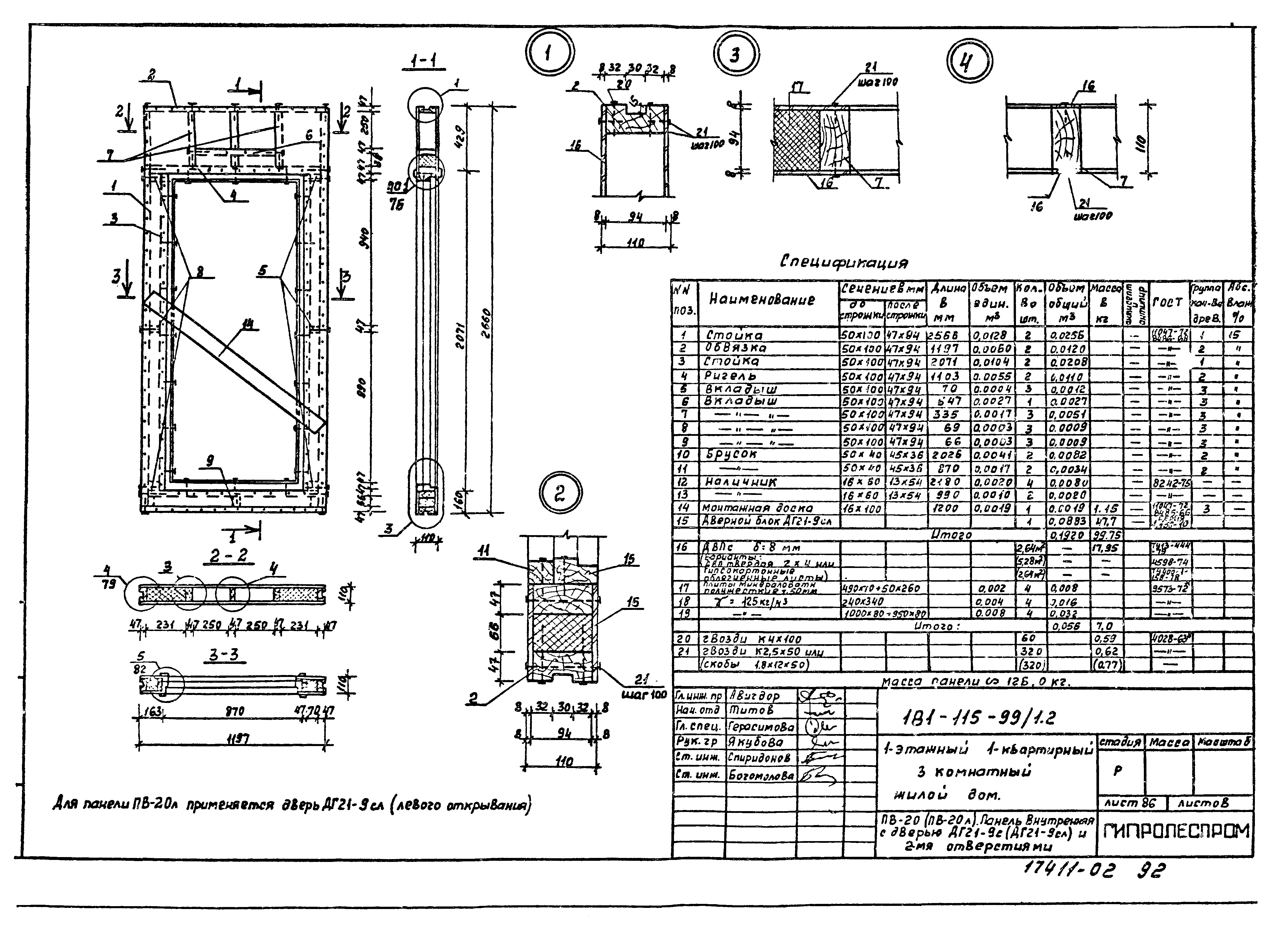
| Оглавление: | Содержание Пояснительная записка Панели наружных стен при t=-30ºС с наружной облицовкой досками по слою ДВП ПНД-1 Панель наружная глухая ПНД-2(ПНД-2Л) Панель наружная с дверью ДН20-8-1А(ДН20-8-1АЛ) ПНД-3 Панель наружная с окном ОР15-12 в 1 степени ПНД-4 Панель наружная с окном ОР6-9 ПНД-5(ПНД-5Л) Панель наружная с балконной дверью БР22-9(БР-22-9Н) ПНД-6(ПНД-6*) Панели наружных стен глухие ПНД-7;ПНД-7* Панели наружных стен глухие ВСД-1,ВСД-1л Угловой вкладыш. ВСД-4 Рядовой вкладыш дома ВСД-2;ВСД-3;ВСД-5 Вкладыши веранды ПТД-2 Панель веранды с окном ОВ-2В в 1 степени с наружной облицовкой фанерной ФСФ (вариант) ПНФ-1 Панель наружная глухая ПНФ-2(ПНФ-2л) Панель наружная с дверью ДН20-8-1А(ДН20-8-1АЛ) ПНФ-3 Панель наружная с окном ОР15-12 в 1 степени ПНФ-4 Панель наружная с окном ОР6-9 ПНФ-5;ПНФ-5л Панель наружная с балконной дверью БР22-9(БР22-9л) ПНФ-6;ПНФ-6* Панели наружная глухие ПНФ-7;ПНФ-7* Панели наружная глухие ВСФ-1;ВСФ-1л Угловой вкладыш. ВСФ-4 Рядовой вкладыш дома ВСФ-2;ВСФ-3;ВСФ-5;ВСФ-5л Вкладыши веранды ПТФ-2 Панель веранды с окном ОВ-2в в 1 степени с наружной асбестоцементными листами по рейкам (на относе) вариант ПНА-1 Панель наружная глухая ПНА-2 (ПНА-2Л) Панель наружная с дверью ДН20-8-1А(ДН20-8-1АЛ) ПНА-3 Панель наружная с окном ОР15-12 в 1 степени ПНА-4 Панель наружная с окном ОР6-9 ПНА-5(ПНА-5Л) Панель наружная с балконной дверью БР22-9(БР22-9н) ПНА-6;ПНА-6* Панели наружные глухие ПНА-7;ПНА-7* Панели наружные глухие ВСА-1;ВСА-1л Угловой вкладыш. ВСА-4 Рядовой вкладыш дома ВСА-2;ВСА-3;ВСА-5;ВСА-5Л Вкладыши веранды ПТА-2 Панель веранды с окном ОВ-2В в 1 степени Панели наружных стен при tнв=-40ºС с наружной облицовкой досками по слою ДВП (вариант) ПНД-1* Панель наружная глухая ПНД-2*;ПНД-2*л Панель наружная с дверью ДН20-8-1л(ДН20-1АЛ) ПНД-3* Панель наружная с окном ОРС15-12 в 1 степени ПНД-4* Панель наружная с окном ОРС6-9 ПНД-5*;ПНД-5Л Панель наружная с балконной дверью БРС22-9(БР22-9н) ПНД-8* Панель наружная с отверстием ПНД-9* Панель наружная с окном ОРС15-12 в 1 степени ПНД-10*л Панель наружная с дверью ДН20-9-4АЛ ПНД-11* Панель наружная угловая ПНД-12* Панель наружная угловая ПНД-13* Панель наружная угловая ПНД-14* Панель наружная угловая ВСД-1*;ВСД-1*л Угловой вкладыш. ВСД-4* Рядовой вкладыш дома ВСД-2*;ВСД-3*;ВСД-5*;ВСД-5л* Вкладыши веранды с наружной облицовкой фанерной ФСФ (вариант) ПНФ-1* Панель наружная глухая ПНФ-2;ПНФ-2л* Панель наружная с дверью ДН20-8-1А(ДН20-8-1АЛ) ПНФ-3* Панель наружная с окном ОРС15-12 в 1 степени ПНФ-4* Панель наружная с окном ОРС6-9 ПНФ-5*(ПНФ-5л*) Панель наружная с балконной дверью БРС22-9(БРС-22-9Н) ПНФ-8* Панель наружная с отверстием ПНФ-9* Панель наружная с окном ОРС15-12 в 1 степени ПНФ-10л* Панель наружная с дверью ДН20-9-4АЛ ПНФ-11* Панель наружная угловая ПНФ-12* Панель наружная угловая ПНФ-13* Панель наружная угловая ПНФ-14* Панель наружная угловая ВСФ-1*;ВСФ-1л Угловой вкладыш. ВСФ-4* Рядовой вкладыш дома ВСФ-2*;ВСФ-3*;ВСФ-5*;ВСФ-5л* Вкладыши веранды С наружной облицовкой асбестоцементными листами по рейкам (на относе) (Вариант) ПНА-1* Панель наружная глухая ПНА-2*;ПНА-2л* Панель наружная с дверью ДН20-8-1я(ДН20-8-1АЛ) ПНА-3* Панель наружная с окном ОРС15-12 в 1 степени ПНА-4* Панель наружная с окном ОРС6-9 ПНА-5*;ПНА-5л* Панель наружная с балконной дверью БРС22-9(БРС22-9н) ПНА-8* Панель наружная с отверстием ПНА-9* Панель наружная с окном ОРС15-12 в степени 1 ПНА-10* Панель наружная с дверью ДН20-9-4АЛ ПНА-11* Панель наружная угловая ПНА-12* Панель наружная угловая ПНА-13* Панель наружная угловая ПНА-14* Панель наружная угловая ВСА-1*(ВСА-1л*) Угловой вкладыш. ВСА-4* Рядовой вкладыш дома ВСА-2*;ВСА-3*;ВСА-5*;ВСА-5л* Вкладыши веранды Панели внутренних стен (Вариант) ПВ-3 Панель внутренняя глухая ПВ-4(ПВ-4л) Панель внутренняя с дверью ДН20-8-1А(ДН20-8-1АЛ) ПВ-5;ОП-1 Панель внутренняя глухая, оконный переплет веранды ПВ-6(ПВ-6л) Панель внутренняя с дверью ДГ-21-9С (ДГ21-9СЛ). ПВ-7(ПВ-7л) Панель внутренняя с дверью ДО-21-9С (ДО21-9СЛ) ПВ-8 Панель внутренняя глухая ПВ-10;ПВ-11 Панели внутренние глухие ПВ-12 Панель внутренняя глухая ПВ-13 Панель внутренняя глухая ПВ-15(ПВ-15л) Панель внутренняя с дверью ДН20-9-4А(ДН20-9-4АП) ПВ-16 Панель внутренняя с дверью ДО21-13С ПВ-17 Панель внутренняя с проемом 1.5 м ПВ-18 Панель внутренняя с оконным переплетом ОП-1 ПВ-19 Панель внутренняя с 2мя отверстиями ПВ-20(ПВ-20л) Панель внутренняя с дверью ДГ21-9С(ДГ21-9СЛ) и 2мя отверстиями ПВ-21 Панель внутренняя с отверстием ПВ-22 Панель внутренняя с дверкой Панели чердачного перекрытия БЧ-1;БЧ-10 Панели чердачные глухие БЧ-2 Панель чердачная глухая БЧ-3 Панель чердачная с отверстием 800х1055 БЧ-4 Панель чердачная с люком Л-10 БЧ-5 Панель чердачная с отверстием 250х350 БЧ-6;БЧ-6а Панель чердачная с отверстием 250х250 БЧ-7 Панель чердачная с отверстием 250х450 БЧ-8 Панель чердачная с отверстием 250х250 БЧ-9;БЧ-9а Панель чердачная с отверстием 1055х1440 БЧ-11;БЧ-1 Панель чердачная тамбура. Вкладыш чердачный Балки с черепными брусками БДЦ-2.34.1;БДЦ-2.21.1;БДЦ-2.21.2;БДЦ-2.12.2 Балки перекрытий БДЦ-2.34.2;БДЦ-2.37.2;БДЦ-2.37.1 Балки перекрытий БДЦ-2.36.2;БДЦ-2.36.1 Балки перекрытий БДЦ-2.35.2;БДЦ-2.30.2;БДЦ-2.35.1;БДЦ-2.30.1 Балки перекрытий Щ-17;Щ-18 Щиты перекрытия Щ-17а;Щ-17а*;Щ-17* Щиты чердачного перекрытия ФДП-1 Ферма пролетом 7.2 м. Детали ФВП-1 Ферма веранды ФДП-2 Полуферма в комплекте с нижней и верхней накладками СТ-18 Стропила пролетом 8.4 м СТ-19а Стропила пролетом 12.6 м. Детали БР-1 Подстропильная рама. Детали БР-2 Подстропильная рама. Детали РП-7;РП-8 Подстропильные рамы. Детали ЩФ-1;ЩФ-1л;ЩФ-2;ЩФ-2л Щиты фронтона ЩФ-3 Щит фронтона с окном БФ-1 Щит фронтона БФ-2;БФ-5 Щиты фронтона БФ-4;БФ-3 Щиты фронтона ОБ-100 Оконный блок фронтона. Л4-1 Люк на чердак ОВ-28 Окно веранды. ЩП-1;ЩП-2;ЩП-3 Щиты потолка ПП-1;ПП-2;ПП-3;ПП-7;ПП-8 Панели перегородок глухие Щ-1;Щ-2;Щ-3 Щиты перегородок БП-1;БП-1а Панели сушильного шкафа БП-2;БП-3а Панели сушильного шкафа БП-4;БП-6 Решетки. БШ-5 Шкафное полотно. ПП-9 Панель перегородки глухая Л-10 Блок люка ПТД-3;ПТФ-3 Панели веранды с окном ОВ-2Г в 1 степени ПТА-3 Панель веранды с окном ОВ-2Г в степени 1;ОВ-2Г в 1 степени Окно веранды Профили Строгальных деталей ПМ3-1;ПМ3-2 Пластины металлические зубчатые |
| Разработан: | Гипролеспром Минлеспрома СССР |
| Утверждён: | 07.07.1981 Гипролеспром (133) |
| Издан: | ЦИТП Госстроя СССР (CITP, Gosstroy (USSR) 1988 г. ) |









































































































































