Скачать Типовой проект 902-2-380.84 Альбом III. Строительные изделияДата актуализации: 01.01.2021
|
| Обозначение: | Типовой проект 902-2-380.84 |
| Обозначение англ: | 902-2-380.84 |
| Статус: | не действует |
| Название рус.: | Альбом III. Строительные изделия |
| Дата добавления в базу: | 01.09.2013 |
| Дата актуализации: | 01.01.2021 |
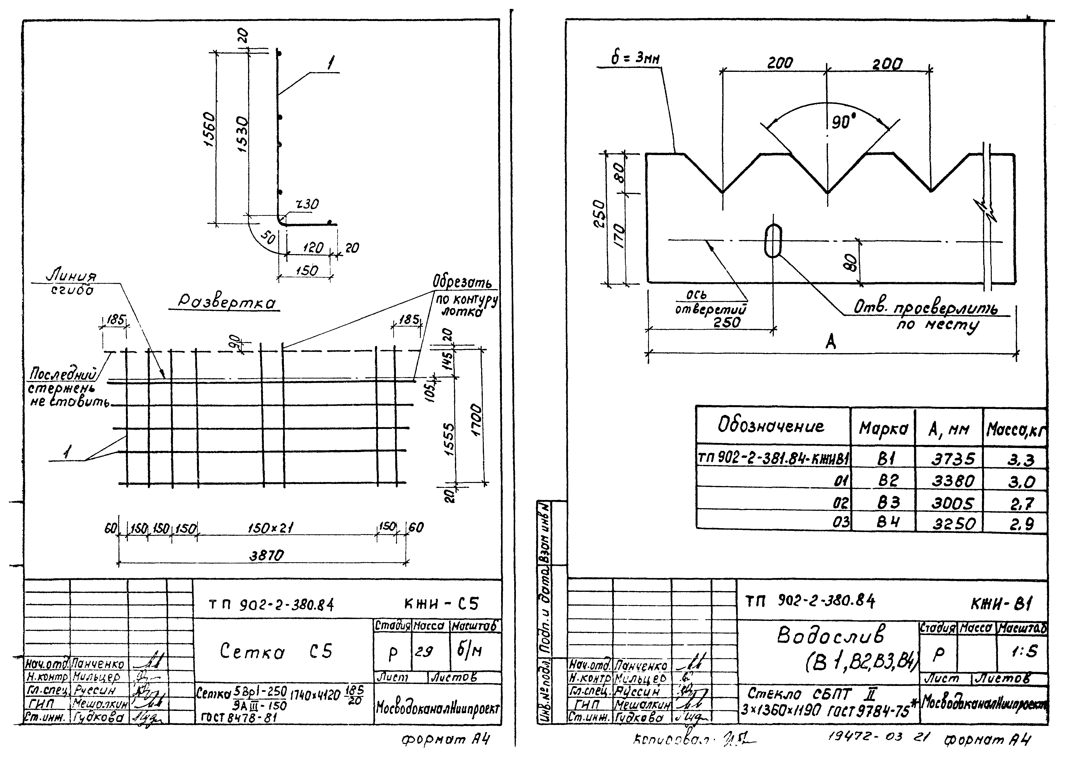
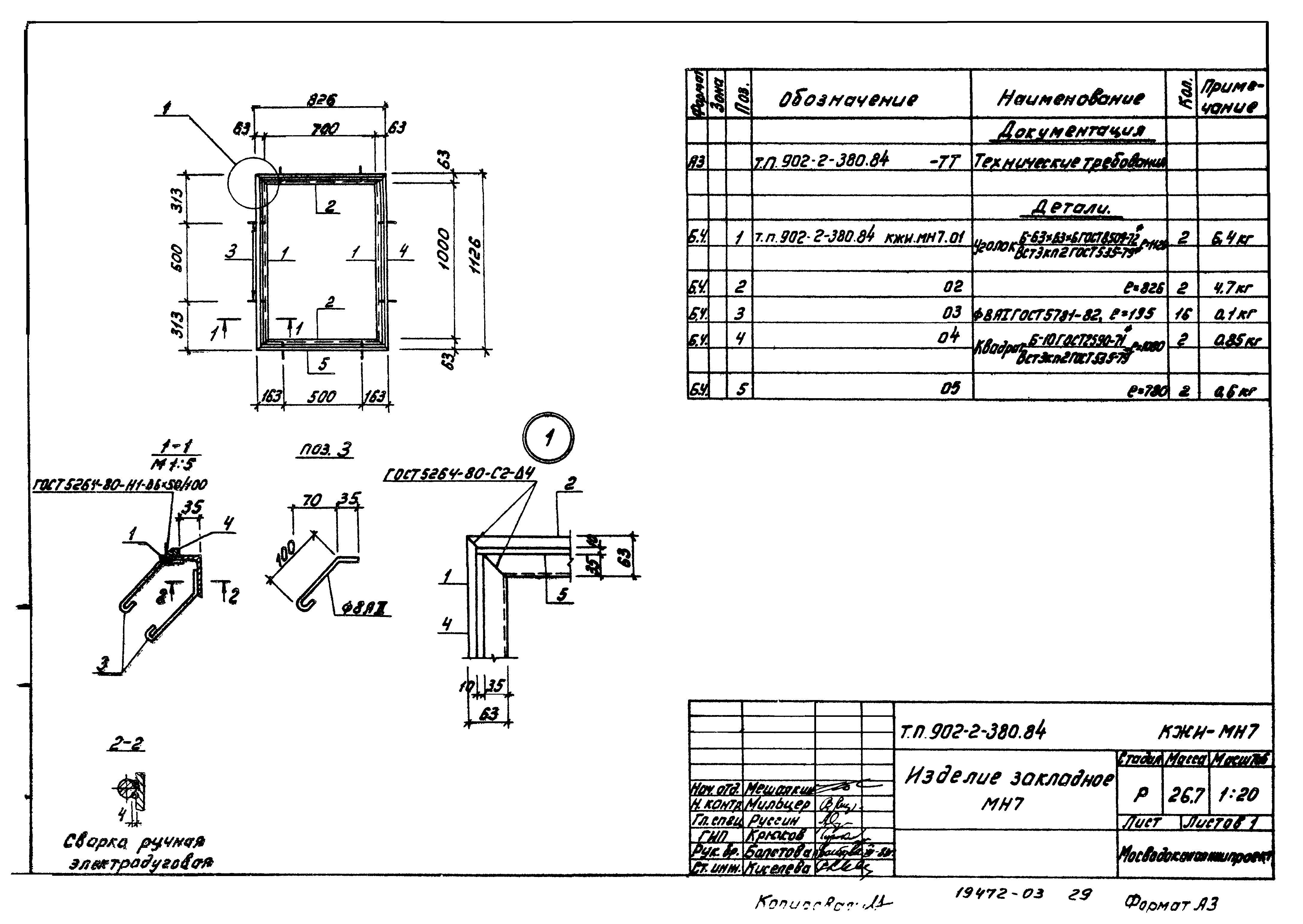
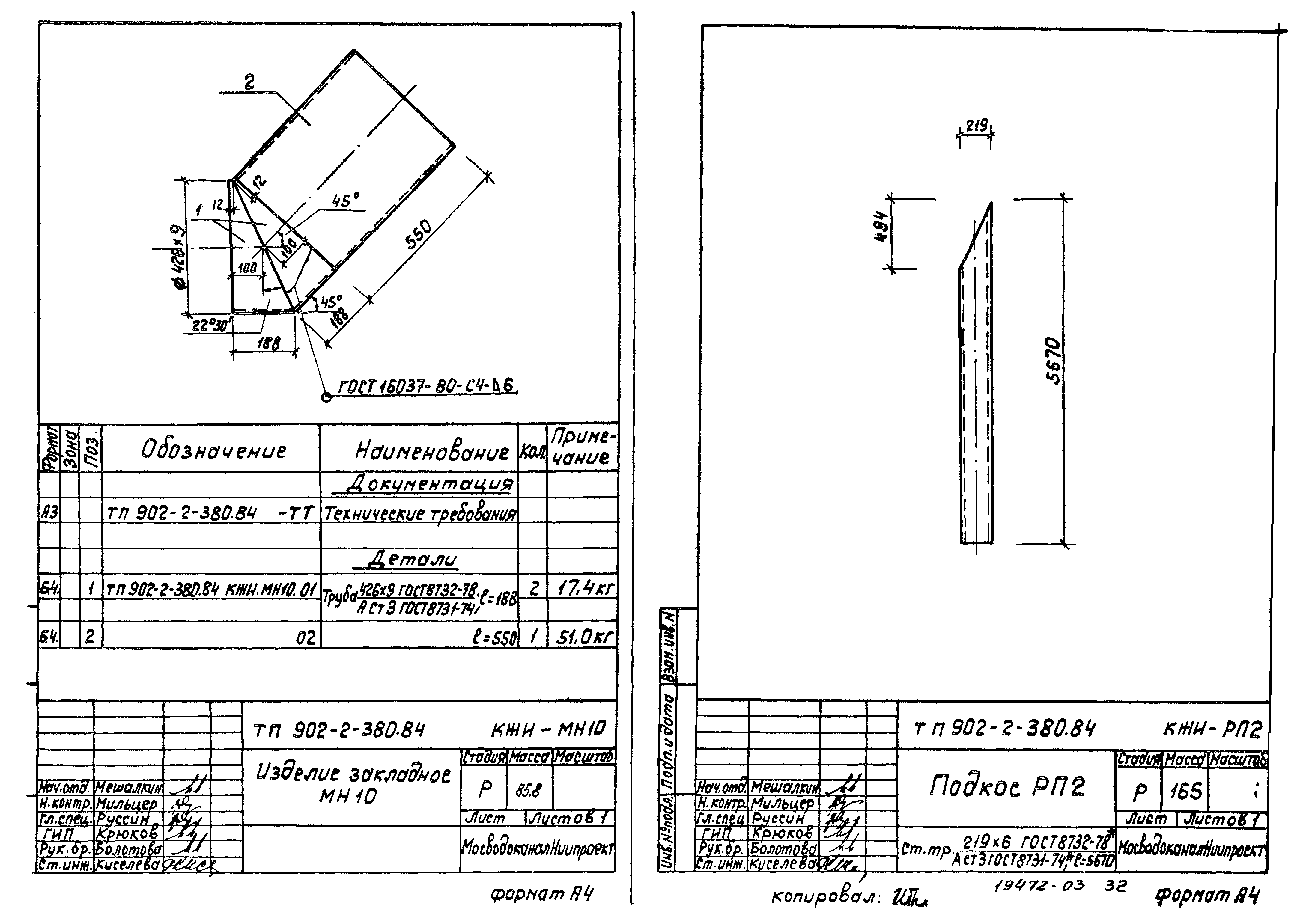
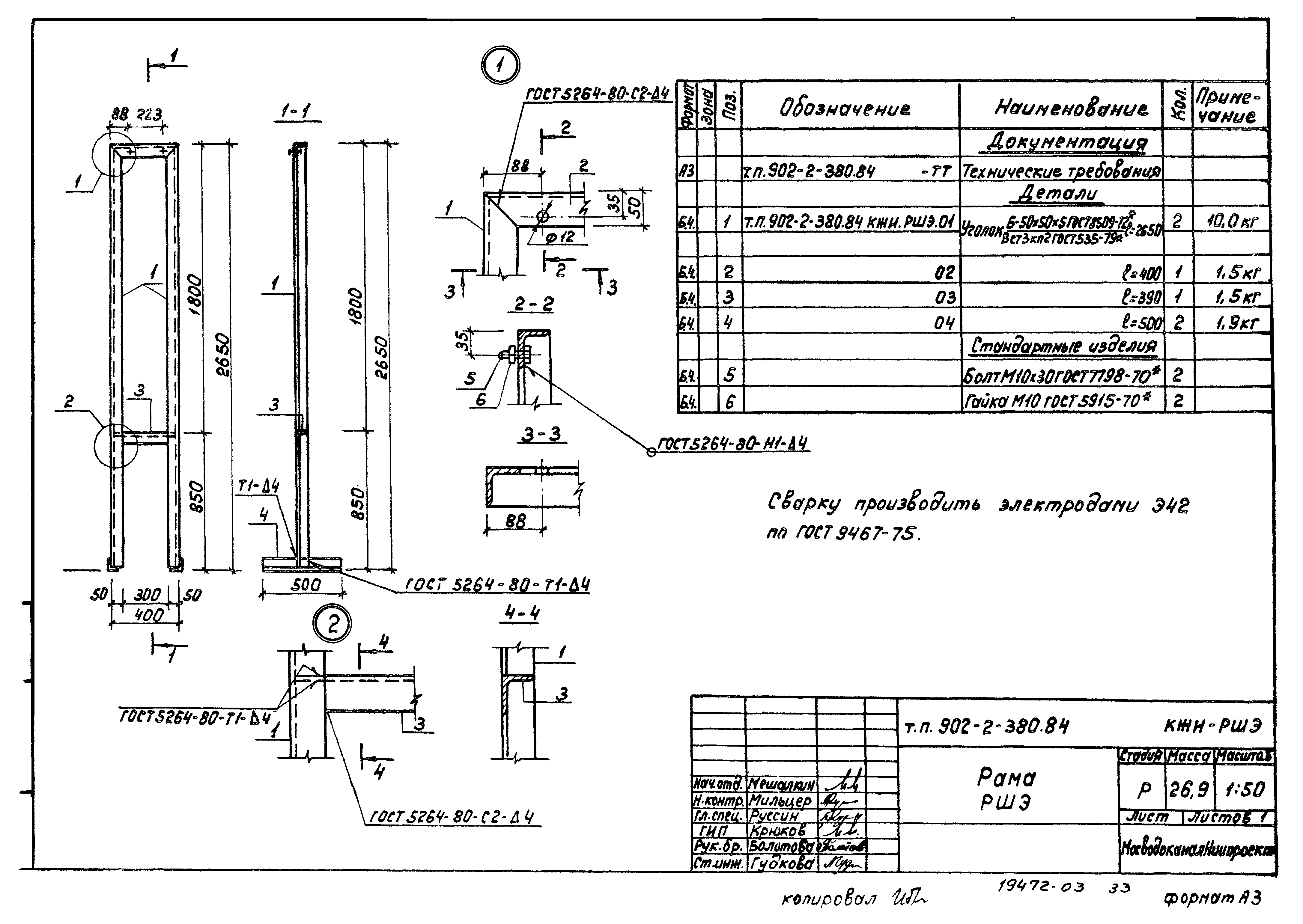
| Оглавление: | ТП 902-2-380.84-ТТ Технические требования ТП 902-2-380.84-ПСЦ3-54-1а Панель стеновая ПСЦ3-54-1а ТП 902-2-380.84-ПСЦ3-54-1а/1 Панель стеновая ПСЦ3-54-1а/1 ТП 902-2-380.84-Л2-8а Лоток Л2-8а ТП 902-2-380.84-Л2-8б Лоток Л2-8б ТП 902-2-380.84-Л18-8а Лоток Л18-8а ТП 902-2-380.84-РС1 Стойка РС1 ТП 902-2-380.84-РП1 Ригель РП1 ТП 902-2-380.84-КР1 Каркас плоский КР1 ТП 902-2-380.84-КР2 Каркас плоский КР2 ТП 902-2-380.84-КР3 Каркас плоский КР3 ТП 902-2-380.84-КР4 Каркас плоский КР4 ТП 902-2-380.84-КР5 Каркас плоский КР5 ТП 902-2-380.84-С1 Сетка С1 ТП 902-2-380.84-С2 Сетка С2 ТП 902-2-380.84-С3 Сетка С3 ТП 902-2-380.84-С4 Сетка С4 ТП 902-2-380.84-С5 Сетка С5 ТП 902-2-380.84-В1 Водослив В1 ТП 902-2-380.84-М1-1 Изделие закладное М1-1 ТП 902-2-380.84-М1-2 Изделие закладное М1-2 ТП 902-2-380.84-М2-1 Изделие закладное М2-1 ТП 902-2-380.84-М2-2 Изделие закладное М2-2 ТП 902-2-380.84-М2-3 Изделие закладное М2-3 ТП 902-2-380.84-М2-4 Изделие закладное М2-4 ТП 902-2-380.84-М2-5 Изделие закладное М2-5 ТП 902-2-380.84-М3-1 Изделие закладное М3-1 ТП 902-2-380.84-М4-1 Изделие закладное М4-1 ТП 902-2-380.84-МН1 Изделие закладное МН1 ТП 902-2-380.84-МН2 Изделие закладное МН2 ТП 902-2-380.84-МН3 Изделие закладное МН3 ТП 902-2-380.84-МН4 Изделие закладное МН4 ТП 902-2-380.84-МН5 Изделие закладное МН5 ТП 902-2-380.84-МН7 Изделие закладное МН7 ТП 902-2-380.84-МН8 Изделие закладное МН8 ТП 902-2-380.84-МН6 Изделие закладное МН6 ТП 902-2-380.84-МН9 Изделие закладное МН9 ТП 902-2-380.84-МН10 Изделие закладное МН10 ТП 902-2-380.84-РП2 Подкос РП2 ТП 902-2-380.84-РШЭ Рама РШЭ ТП 902-2-380.84-К1 Крышка К1 ТП 902-2-380.84-К2 Крышка К2 |
| Разработан: | МосводоканалНИИпроект |
| Утверждён: | 20.12.1983 МосводоканалНИИпроект (312) |


































