Скачать Типовой проект 902-2-380.84 Альбом VI. Часть 1. Нестандартизированное оборудование. ИлососДата актуализации: 01.01.2021
|
| Обозначение: | Типовой проект 902-2-380.84 |
| Обозначение англ: | 902-2-380.84 |
| Статус: | не действует |
| Название рус.: | Альбом VI. Часть 1. Нестандартизированное оборудование. Илосос |
| Дата добавления в базу: | 01.09.2013 |
| Дата актуализации: | 01.01.2021 |
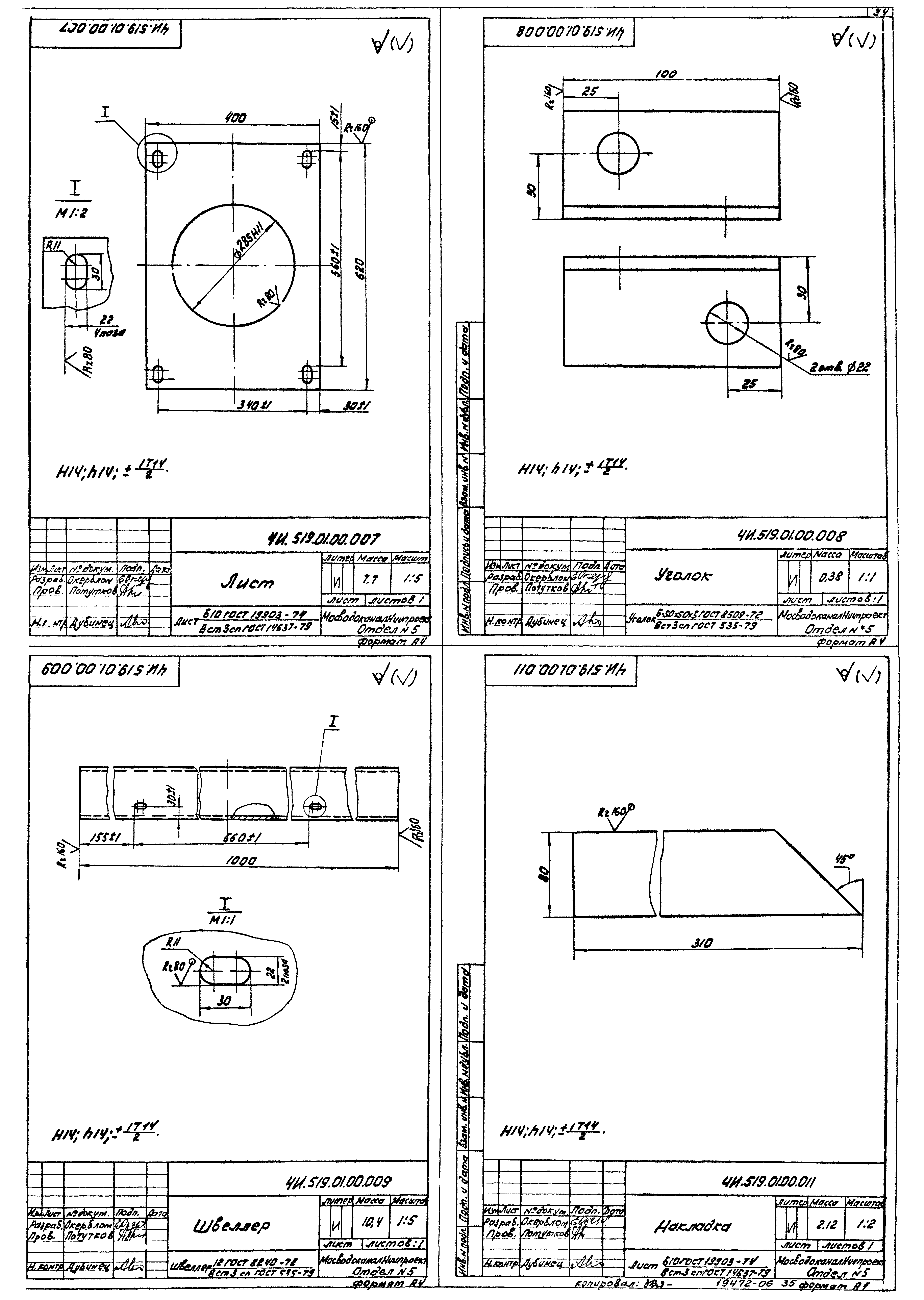
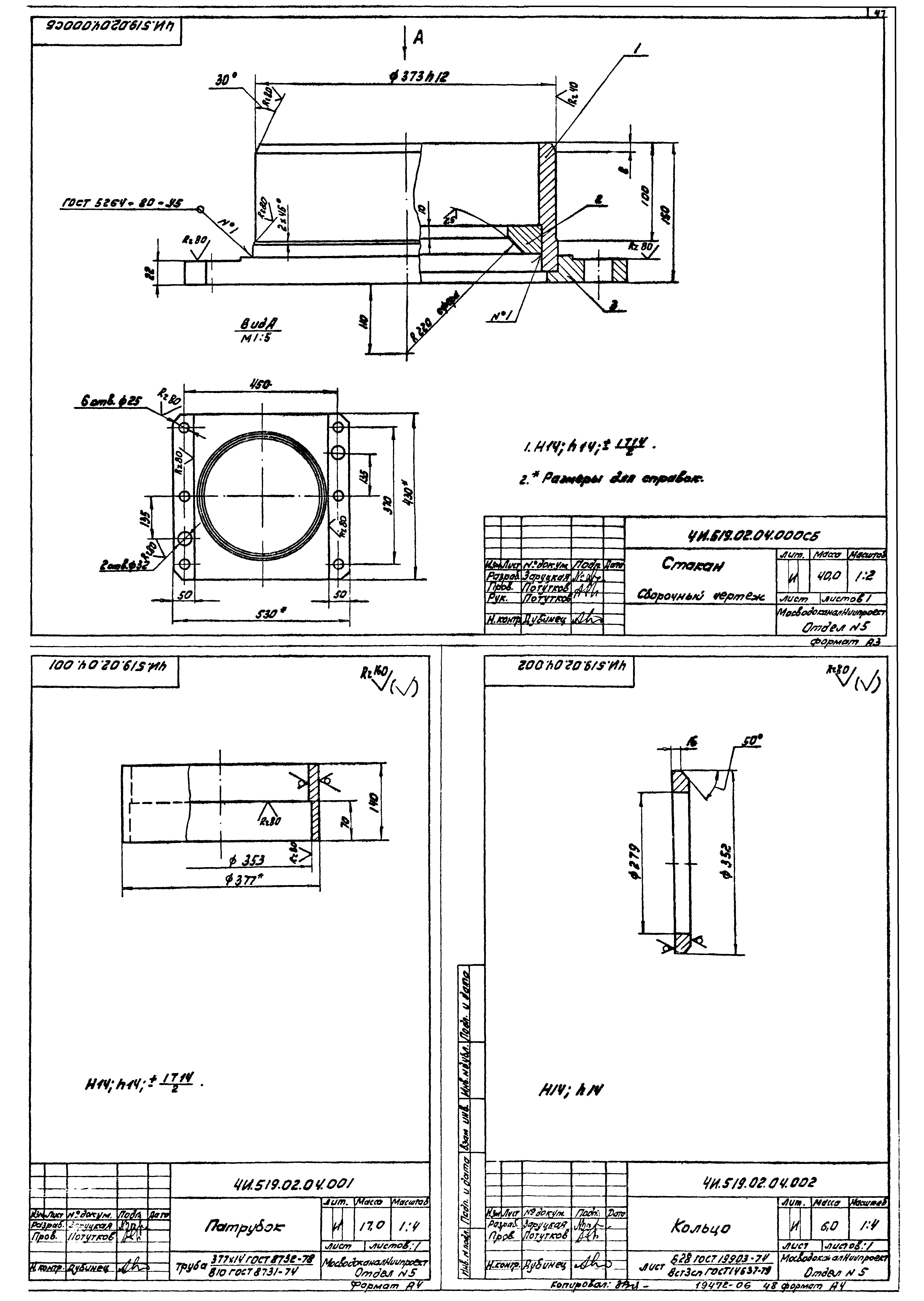
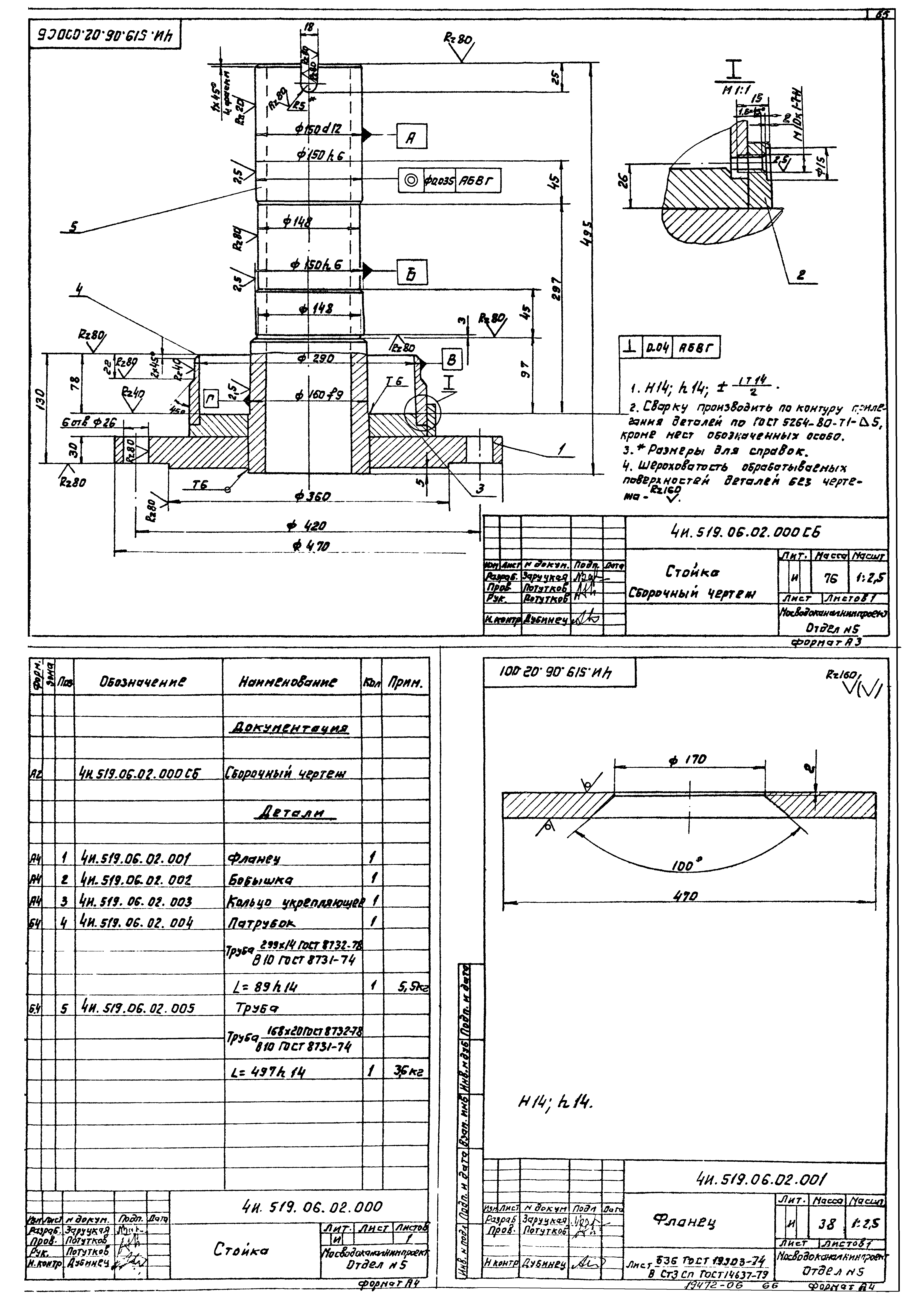
| Оглавление: | Часть 1 Титульный лист Содержание альбома 4И.519.00.00.000 СБ Илосос ИВР-50. Лист 1 4И.519.00.00.000 СБ Илосос ИВР-50. Лист 2 4И.519.00.00.000 СБ Илосос ИВР-50. Лист 3 4И.519.00.00.000 СБ Илосос ИВР-50. Лист 4 4И.519.00.00.000 СБ Илосос ИВР-50. Лист 5 4И.519.00.00.000 СБ Илосос ИВР-50. Лист 6 4И.519.00.00.000 СБ Илосос ИВР-50. Лист 7 4И.519.00.00.000 СБ Илосос ИВР-50. Лист 8 4И.519.00.00.000 СБ Илосос ИВР-50. Лист 9 4И.519.00.00.000 СБ Илосос ИВР-50. Лист 10 4И.519.00.00.000 СБ Илосос ИВР-50. Лист 11 4И.519.00.00.000 Илосос ИВР-50. Спецификация. Лист 1-4 4И.519.00.00.000 Илосос ИВР-50. Спецификация. Лист 5-7 4И.519.00.00.000 ТУ Илосос ИВР-50. Технические условия 4И.519.00.00.000 ВП Илосос ИВР-50. Ведомость покупных изделий 4И.519.01.00.000 СБ Мост. Лист 1 4И.519.01.00.000 СБ Мост. Лист 2 4И.519.01.00.000 СБ Мост. Лист 3 4И.519.01.00.000 СБ Мост. Лист 4 4И.519.01.00.000 Мост. Спецификация. Лист 1-4 4И.519.01.00.000 Мост. Спецификация. Лист 5-6 4И.519.01.00.001 Угольник 4И.519.01.00.001-01 Угольник 4И.519.01.00.002 Швеллер 4И.519.01.00.003 Уголок опорный 4И.519.01.00.004 Ребро 4И.519.01.00.005 Втулка 4И.519.01.00.006 Пятка 4И.519.01.00.007 Лист 4И.519.01.00.008 Уголок 4И.519.01.00.009 Швеллер 4И.519.01.00.011 Накладка 4И.519.01.00.012 Стойка 4И.519.01.00.013 Лист 4И.519.02.00.000 Звезда. Спецификация 4И.519.02.00.000 СБ Звезда. Лист 1 4И.519.02.00.000 СБ Звезда. Лист 2 4И.519.02.01.000 СБ Основание звезды. Лист 1 4И.519.02.01.000 СБ Основание звезды. Лист 2 4И.519.02.01.000 Основание звезды. Спецификация 4И.519.02.01.100 СБ Накладка 4И.519.02.01.100 Накладка. Спецификация 4И.519.02.01.101 Косынка 4И.519.02.01.200 СБ Накладка 4И.519.02.01.200 Накладка. Спецификация 4И.519.02.01.001 Косынка 4И.519.02.01.002 Косынка 4И.519.02.01.003 Поперечина 4И.519.02.01.004 Балка 4И.519.02.01.005 Поперечина 4И.519.02.01.006 Тяга 4И.519.02.01.007 Поперечина 4И.519.02.01.008 Швеллер 4И.519.02.01.009 Лист 4И.519.02.01.011 Лист 4И.519.02.01.012 Планка 4И.519.02.01.013 Бобышка 4И.519.02.02.000 СБ Луч звезды 4И.519.02.02.000 Луч звезды. Спецификация 4И.519.02.02.000 СБ Накладка 4И.519.02.02.100 Накладка. Спецификация 4И.519.02.02.001 Балка 4И.519.02.03.000 СБ Луч звезды 4И.519.02.03.000 Луч звезды. Спецификация 4И.519.02.04.000 Стакан. Спецификация 4И.519.02.04.000 СБ Стакан 4И.519.02.04.001 Патрубок 4И.519.02.04.002 Кольцо 4И.519.02.04.003 Фланец 4И.519.02.00.001 Домкрат 4И.519.03.00.000 Камера вращающаяся. Спецификация 4И.519.03.00.000 СБ Камера вращающаяся 4И.519.03.01.000 СБ Корпус 4И.519.03.01.000 Корпус. Спецификация 4И.519.03.01.100 Обойма. Спецификация 4И.519.03.01.101 Воротник 4И.519.03.01.102 Полукольцо 4И.519.03.01.100 СБ Обойма 4И.519.03.01.103 Ребро 4И.519.03.01.104 Ребро 4И.519.03.01.105 Фланец 4И.519.03.01.106 Кольцо 4И.519.03.01.107 Патрубок 4И.519.03.01.108 Планка 4И.519.03.00.001 Прокладка 4И.519.03.00.002 Сектор вкладыша 4И.519.03.00.003 Сектор вкладыша 4И.519.04.00.000 Труба сосуна. Спецификация 4И.519.04.00.000 СБ Труба сосуна 4И.519.04.00.000-01 Труба сосуна 4И.519.04.00.000-02 Труба сосуна 4И.519.04.00.000-03 Труба сосуна 4И.519.04.00.001 Отросток 4И.519.04.00.002 Переход 4И.519.04.00.003 Лапа 4И.519.04.00.004 Ребро 4И.519.04.00.005 Ушко 4И.519.04.00.006 Ушко 4И.519.04.00.007 Полоса 4И.519.04.00.008 Полоса 4И.519.04.00.009 Цапфа 4И.519.04.00.011 Кольцо 4И.519.04.00.012 Ушко 4И.519.04.00.016 Труба 4И.519.04.00.016-01 Труба 4И.519.04.00.016-02 Труба 4И.519.04.00.016-03 Труба 4И.519.04.00.017 Опора 4И.519.05.00.000 Хомут. Спецификация 4И.519.05.00.000 СБ Хомут 4И.519.05.00.000 СБ Полухомут 4И.519.05.01.000 Полухомут. Спецификация 4И.519.05.01.001 Полукольцо 4И.519.05.01.001-01 Полукольцо 4И.519.05.01.001-02 Полукольцо 4И.519.05.01.002 Ушко 4И.519.05.00.001 Прокладка 4И.519.06.00.000 СБ Шпиль 4И.519.06.00.000 Шпиль. Спецификация 4И.519.06.01.000 СБ Крышка 4И.519.06.01.000 Крышка. Спецификация 4И.519.06.01.001 Крышка 4И.519.06.01.002 Труба 4И.519.06.02.000 СБ Стойка 4И.519.06.02.000 Стойка. Спецификация 4И.519.06.02.001 Фланец 4И.519.06.02.002 Бобышка 4И.519.06.02.003 Кольцо укрепляющее 4И.519.06.00.001 Корпус 4И.519.06.00.002 Кольцо сферическое верхнее 4И.519.06.00.003 Кольцо сферическое нижнее 4И.519.06.00.004 Кольцо укрепляющее 4И.519.06.00.005 Пробка 4И.519.07.00.000 Кожух. Спецификация 4И.519.07.00.000 СБ Кожух 4И.519.07.01.000 СБ Секция 4И.519.07.01.000 Секция. Спецификация 4И.519.07.01.001 Угольник 4И.519.07.01.002 Угольник 4И.519.07.01.003 Обечайка 4И.519.07.01.004 Винт 4И.519.07.01.005 Уголок 4И.519.07.02.000 СБ Секция 4И.519.07.02.000 Секция. Спецификация 4И.519.07.02.001 Уголок 4И.519.07.02.002 Обечайка 4И.519.08.00.000 Лестница. Спецификация 4И.519.08.00.000 СБ Лестница 4И.519.08.00.001 Уголок 4И.519.08.00.002 Уголок 4И.519.09.00.000 Скребок. Спецификация 4И.519.09.00.000 СБ Скребок 4И.519.09.00.000-01 Скребок 4И.519.09.01.000 СБ Корпус 4И.519.09.01.000-01 Корпус 4И.519.09.01.000 Корпус. Спецификация 4И.519.09.01.002 Полоса 4И.519.09.01.002-01 Полоса 4И.519.09.01.003 Ребро 4И.519.09.01.003-01 Ребро 4И.519.09.00.001 Полоса 4И.519.09.00.001-01 Полоса 4И.519.09.00.002 Фартук 4И.519.09.00.002-01 Фартук |
| Разработан: | МосводоканалНИИпроект |
| Утверждён: | 20.12.1983 МосводоканалНИИпроект (312) |











































































