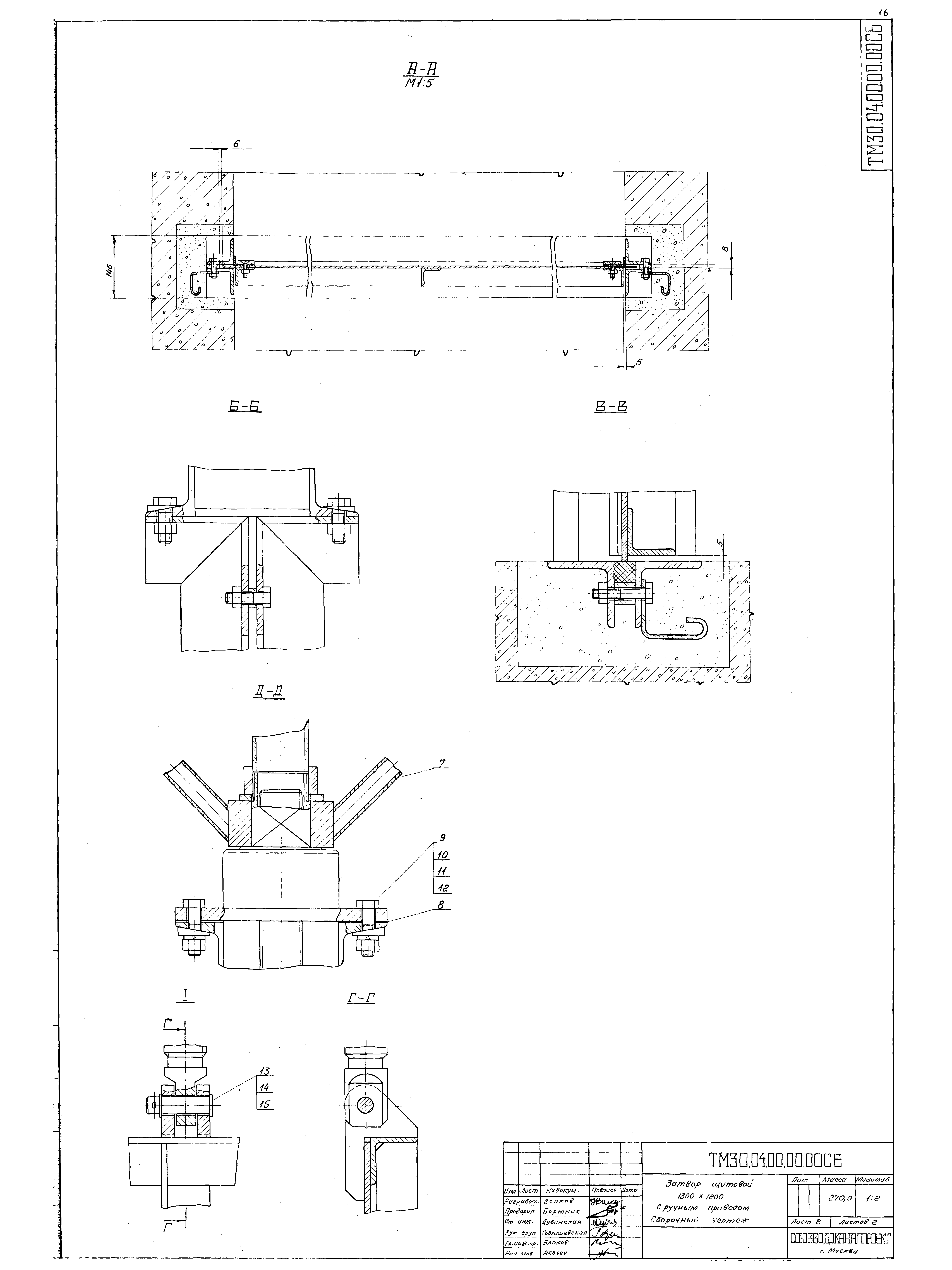
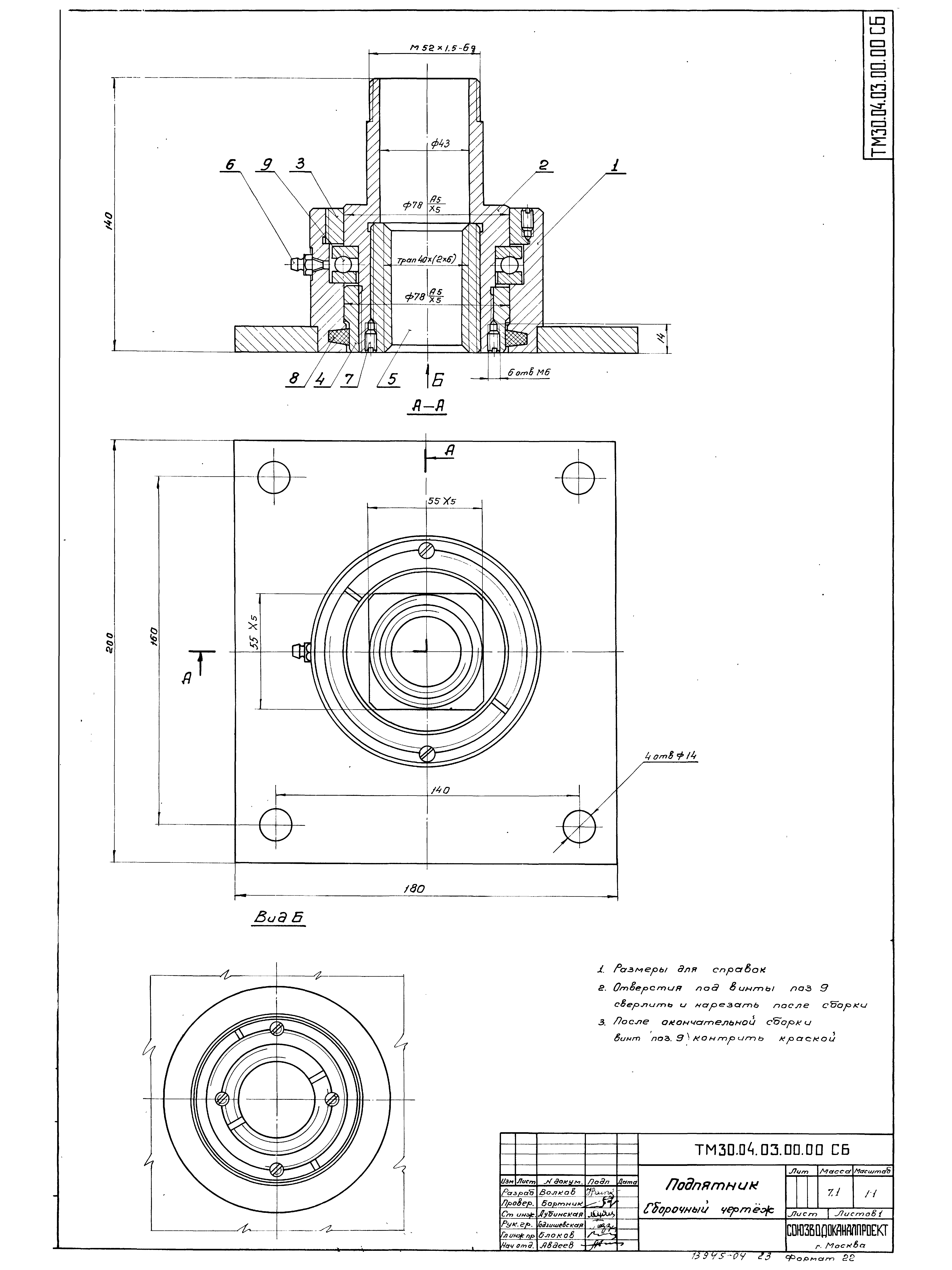
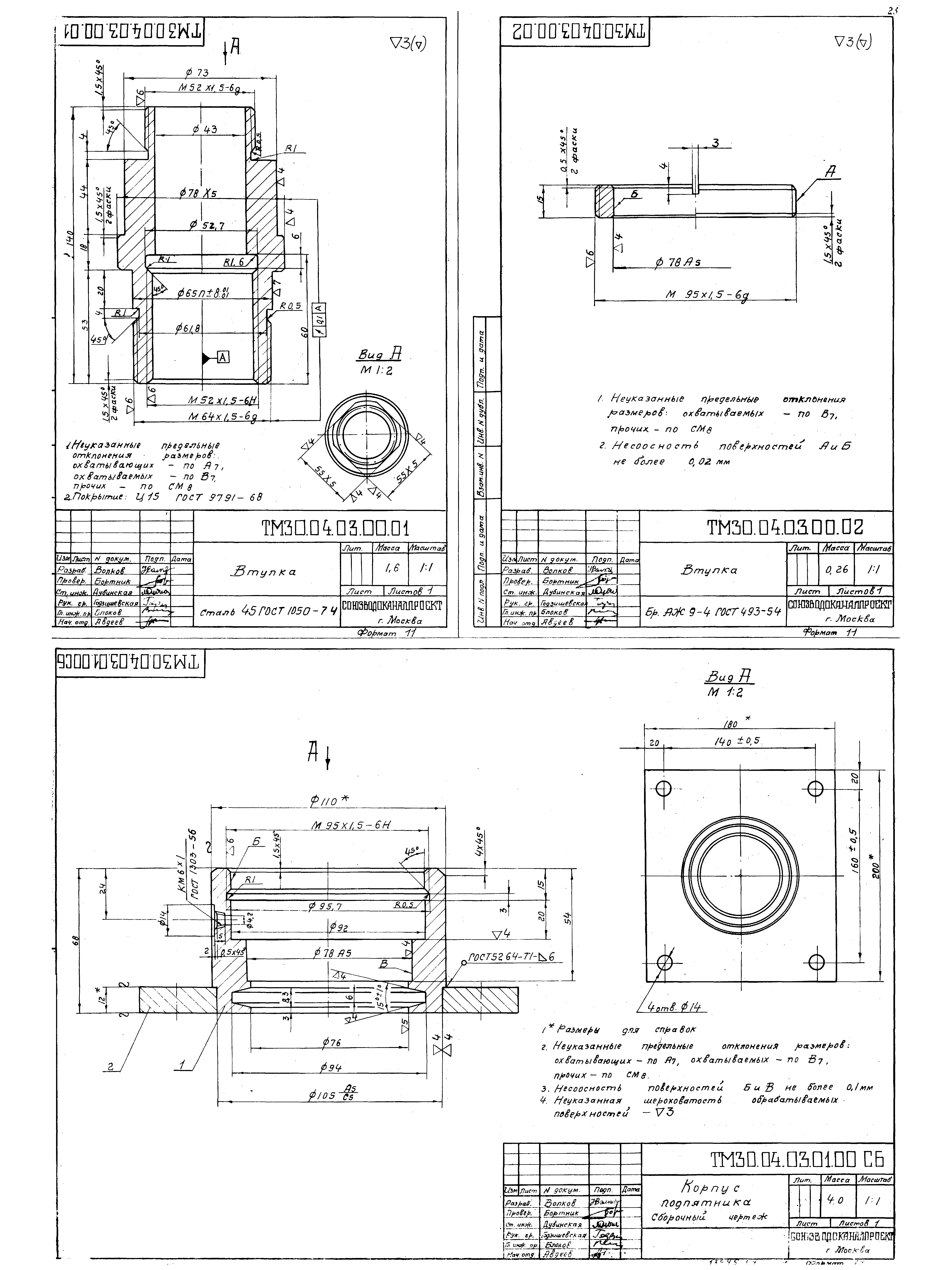
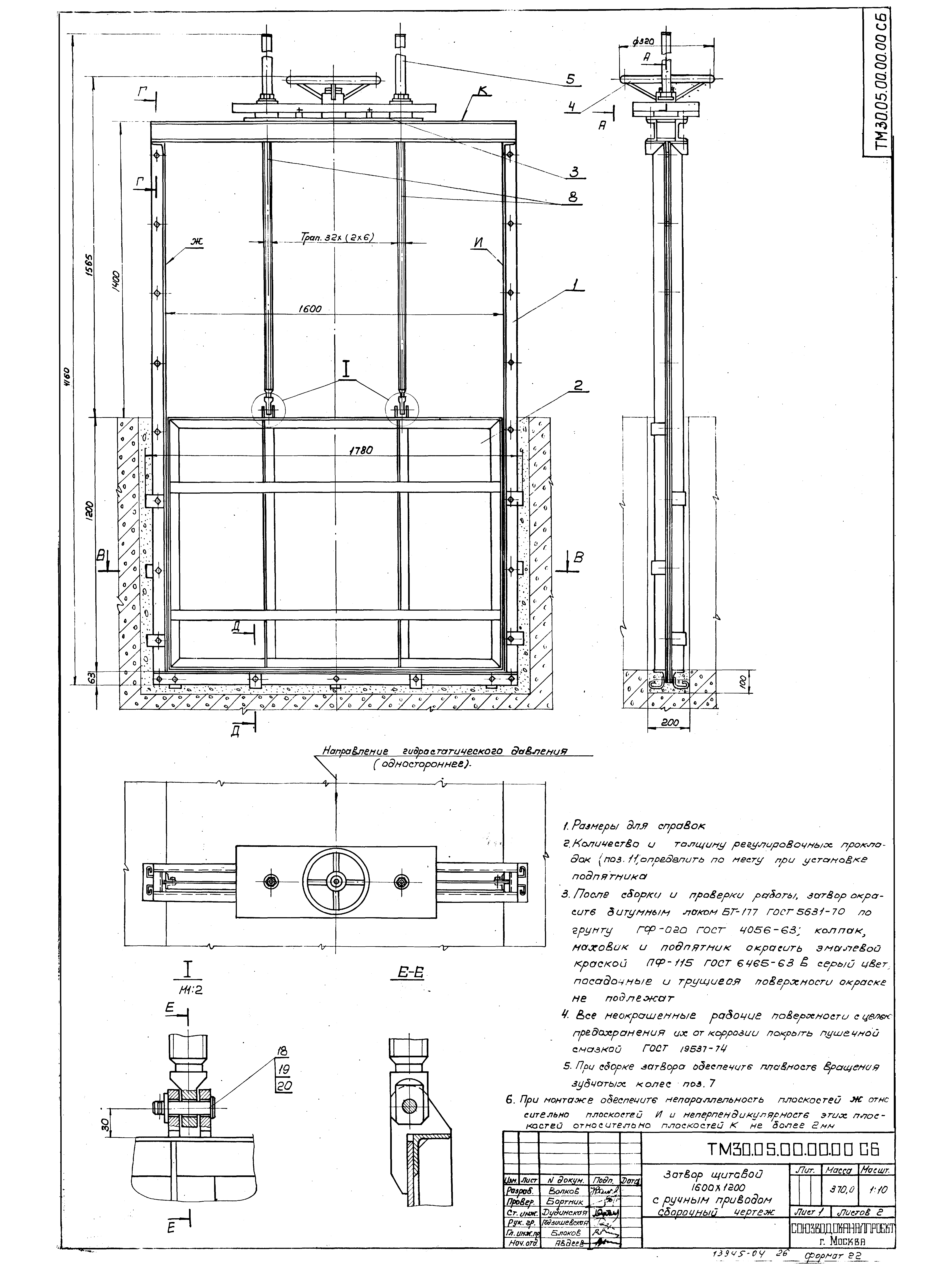
Скачать Типовой проект 902-2-264 Альбом IV. Нестандартизированное оборудованиеДата актуализации: 01.01.2021
|
| Обозначение: | Типовой проект 902-2-264 |
| Обозначение англ: | 902-2-264 |
| Статус: | действует |
| Название рус.: | Альбом IV. Нестандартизированное оборудование |
| Дата добавления в базу: | 01.09.2013 |
| Дата актуализации: | 01.01.2021 |
| Дата введения: | 19.01.1976 |
| Разработан: | Союзводоканалниипроект |
| Утверждён: | 09.12.1975 Главпромстройпроект Госстроя СССР |




































