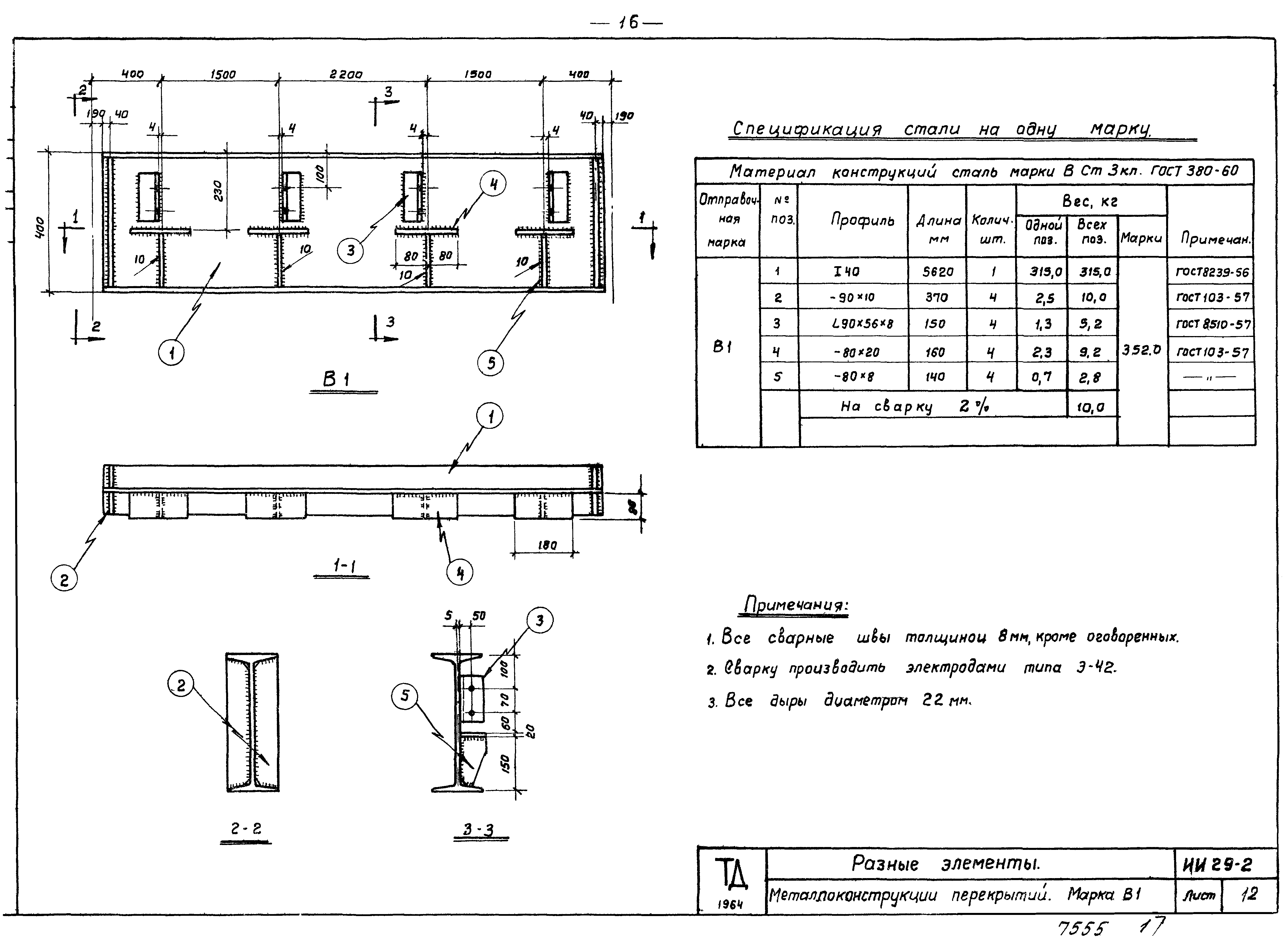
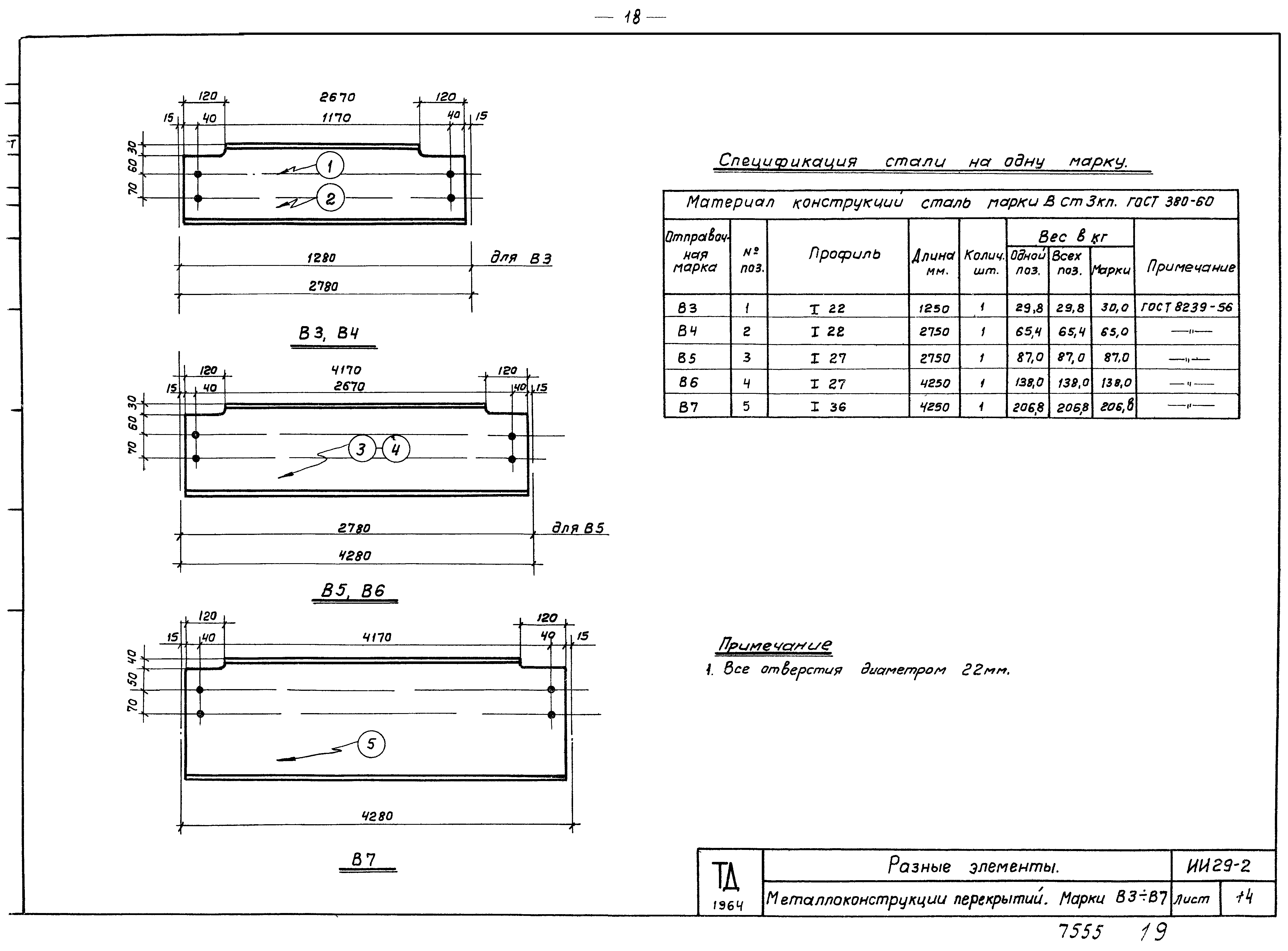
Скачать Серия ИИ29-2 Разные стальные конструктивные элементы для зданий с перекрытиями типа 1 из плит, опирающихся на полки ригелейДата актуализации: 01.01.2021
|
| Обозначение: | Серия ИИ29-2 |
| Обозначение англ: | Series ИИ29-2 |
| Статус: | действует |
| Название рус.: | Разные стальные конструктивные элементы для зданий с перекрытиями типа 1 из плит, опирающихся на полки ригелей |
| Дата добавления в базу: | 01.09.2013 |
| Дата актуализации: | 01.01.2021 |
| Дата введения: | 01.10.1964 |
| Оглавление: | I Пояснительная записка II Рабочие чертежи 1. Вертикальные связи СП1-СП7 2. Спецификация марок соединительных элементов на монтажную деталь по альбому ТДМ22-1 3. Спецификация марок соединительных элементов на монтажную деталь по альбому ТДМ24-1 4. Стальные соединительные элементы 5. Металлоконструкции перекрытий |
| Разработан: | ЦНИИпромзданий НИИЖБ ГСПИ-10 |
| Утверждён: | 29.08.1964 Госстрой СССР (Государственный комитет Совета Министров СССР по делам строительства) (USSR Gosstroy 151) |


















