Скачать Серия ИИ-04-5 Выпуск 2. Керамзитобетонные панели стен толщиной 40 см. Дополнительные элементы каркаса. Монтажные узлы. Рабочие чертежиДата актуализации: 01.01.2021
|
| Обозначение: | Серия ИИ-04-5 |
| Обозначение англ: | Series ИИ-04-5 |
| Статус: | не действует |
| Название рус.: | Выпуск 2. Керамзитобетонные панели стен толщиной 40 см. Дополнительные элементы каркаса. Монтажные узлы. Рабочие чертежи |
| Дата добавления в базу: | 01.09.2013 |
| Дата актуализации: | 01.01.2021 |
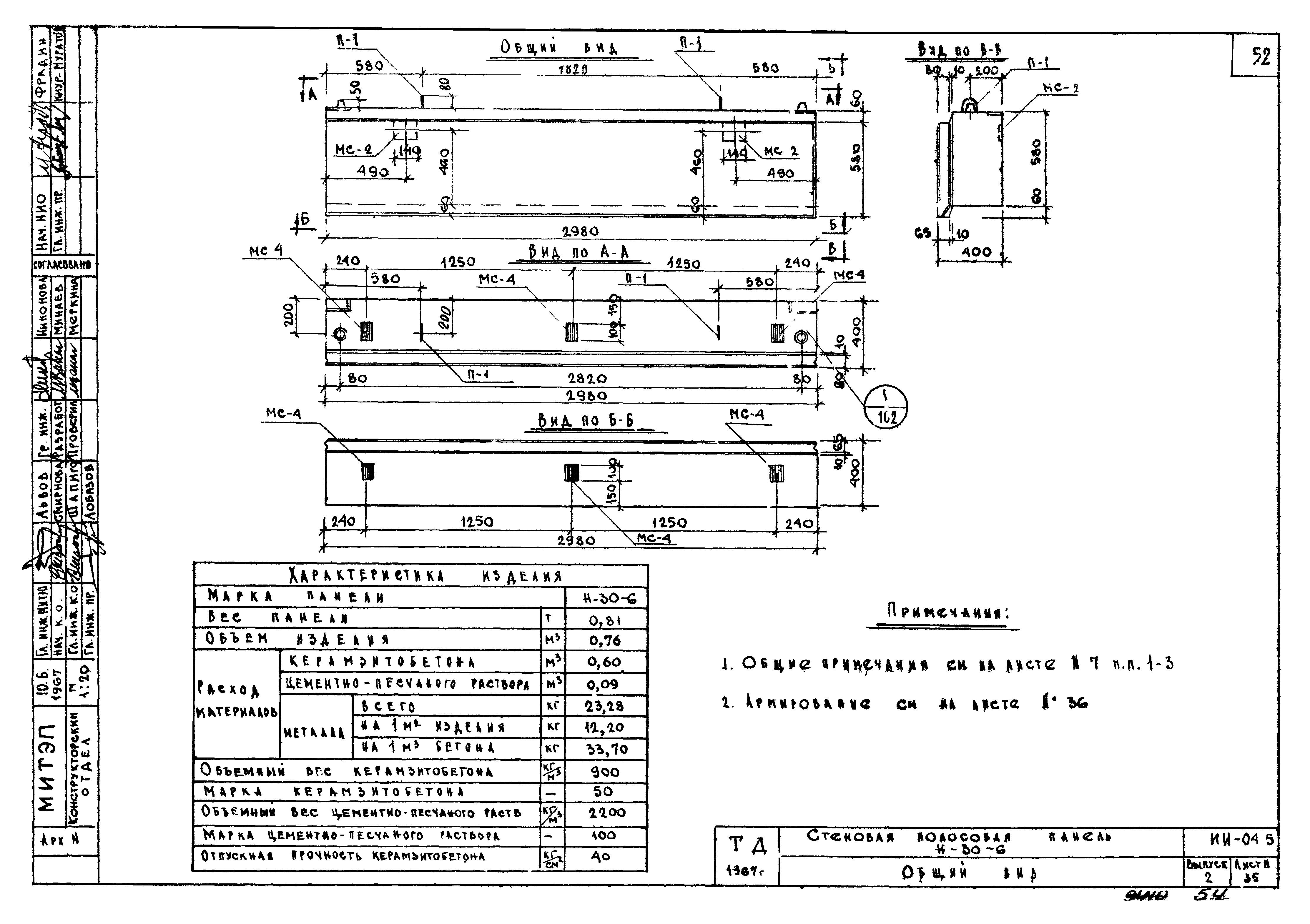
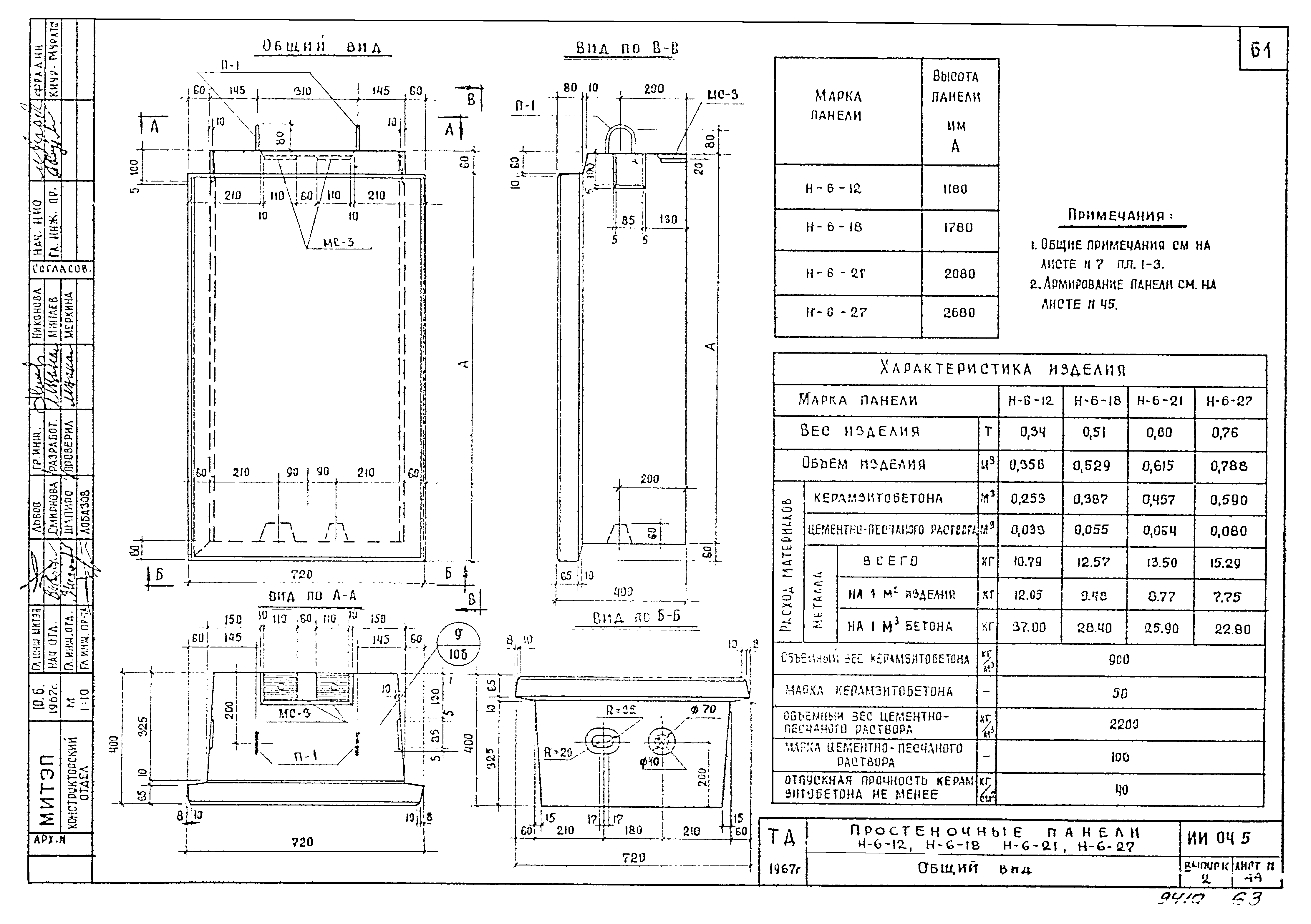
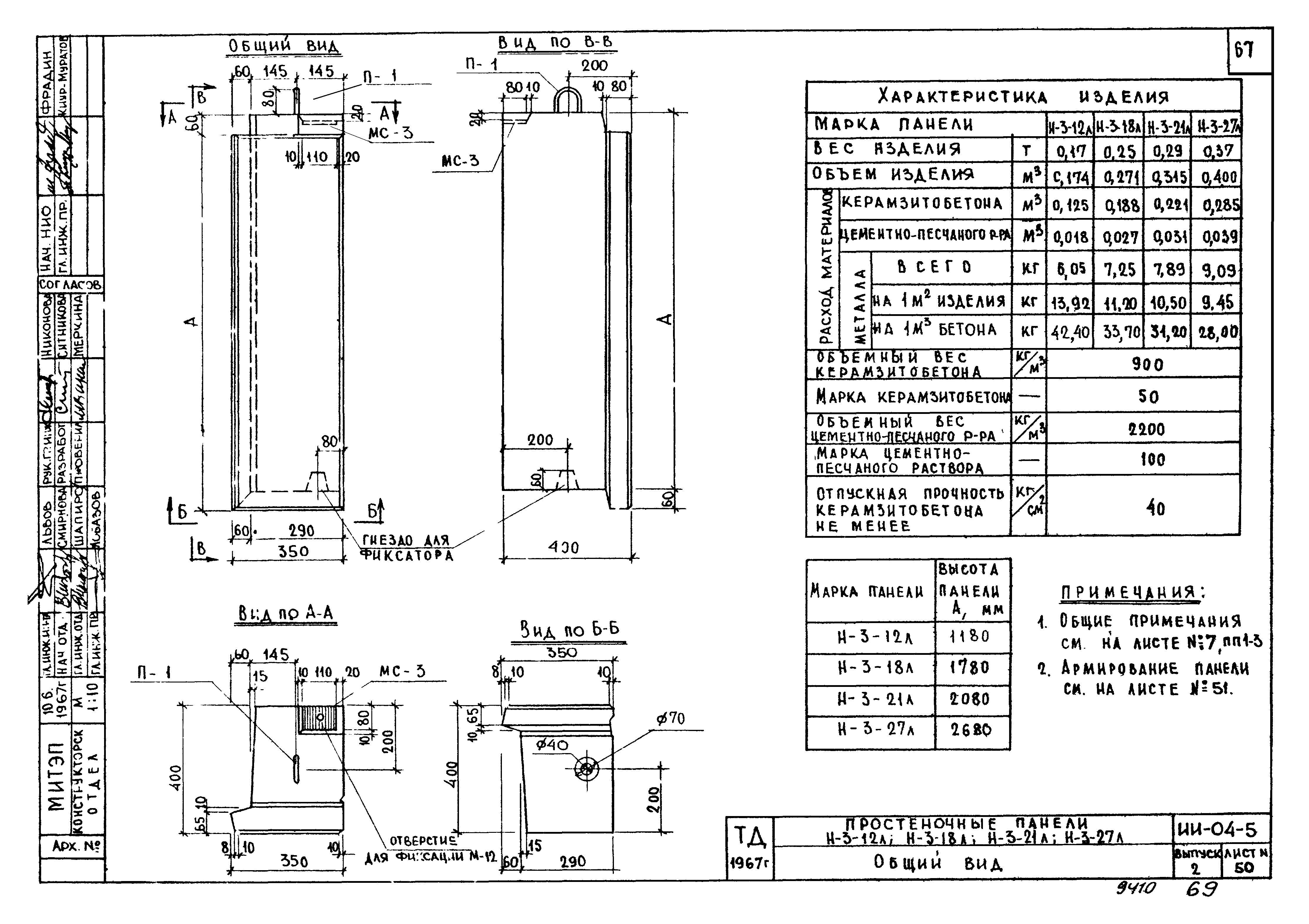
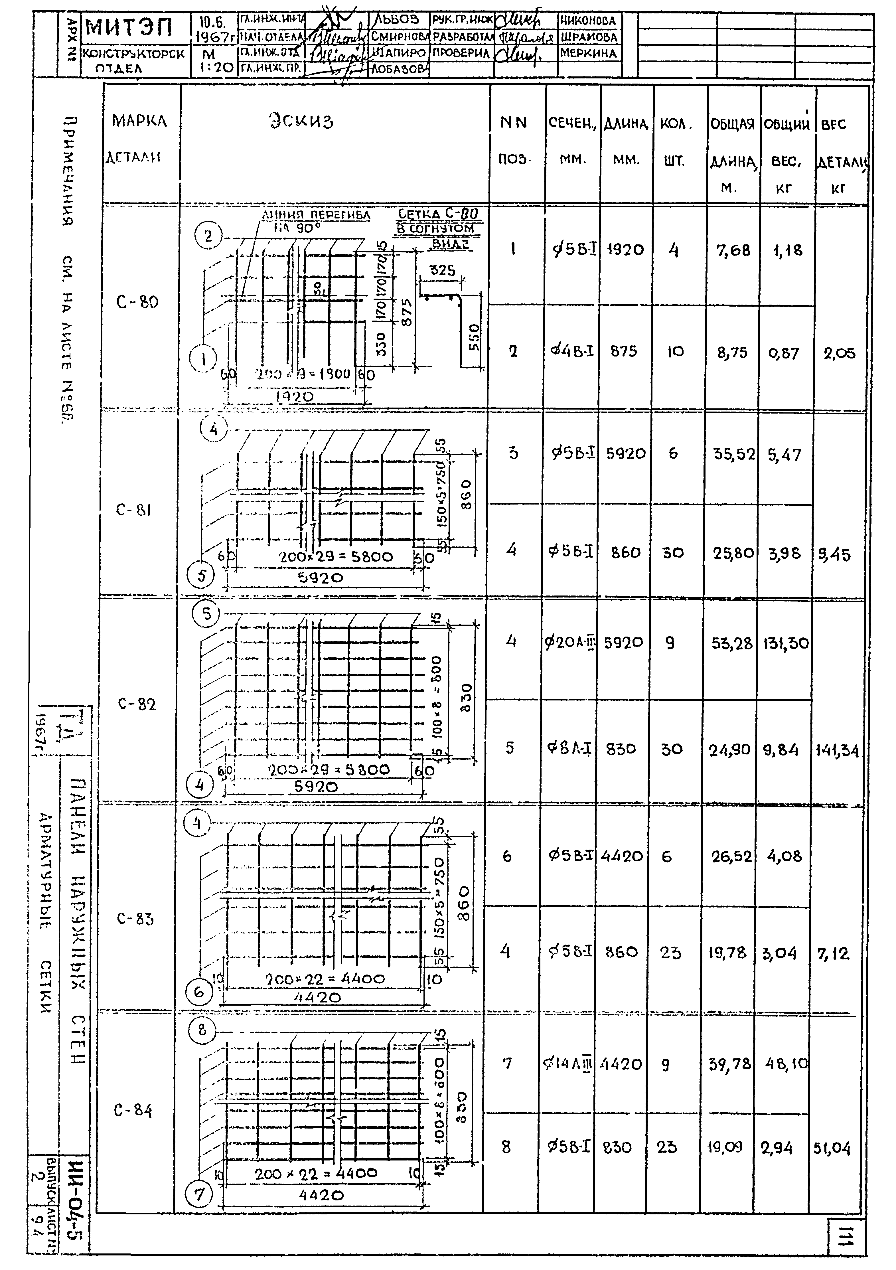
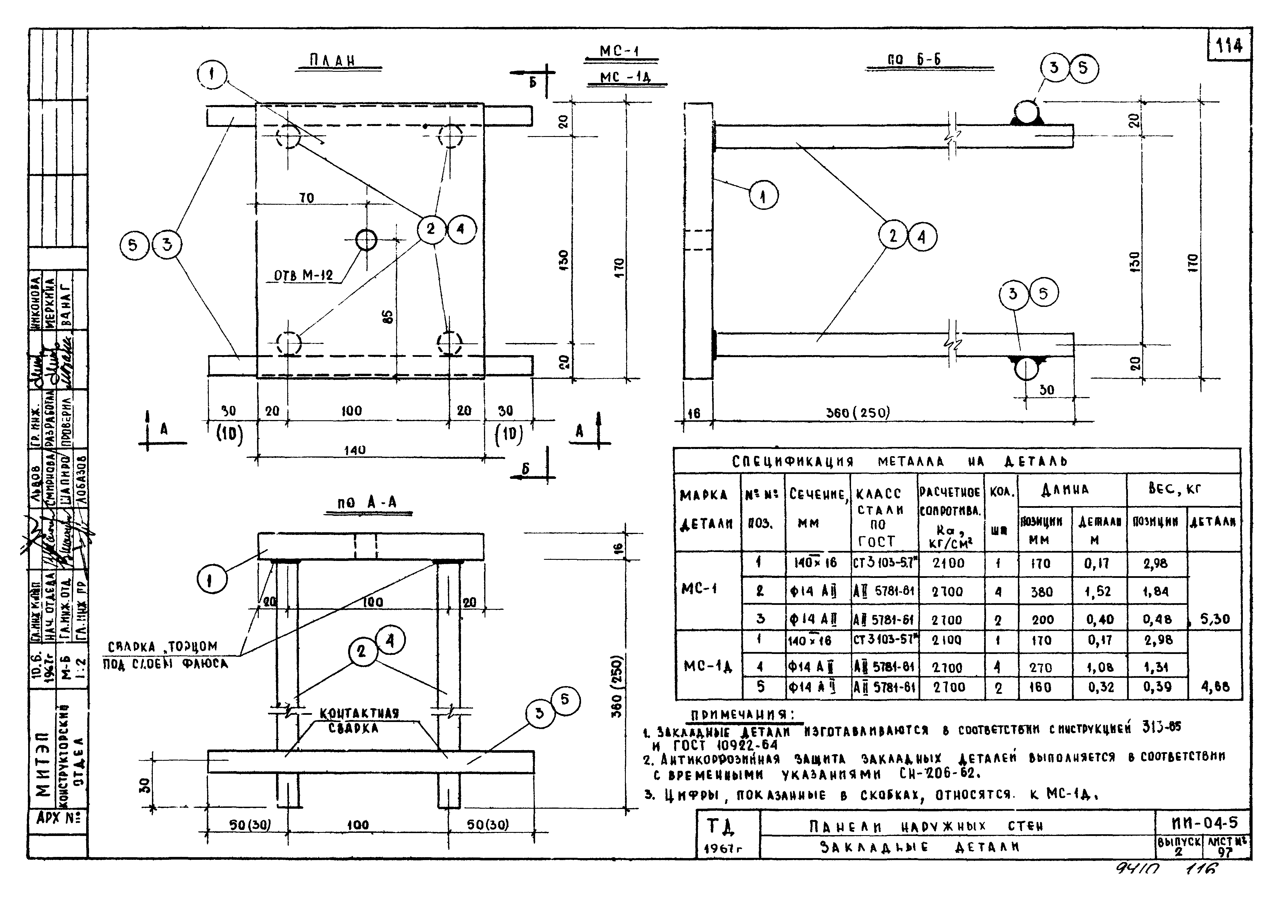
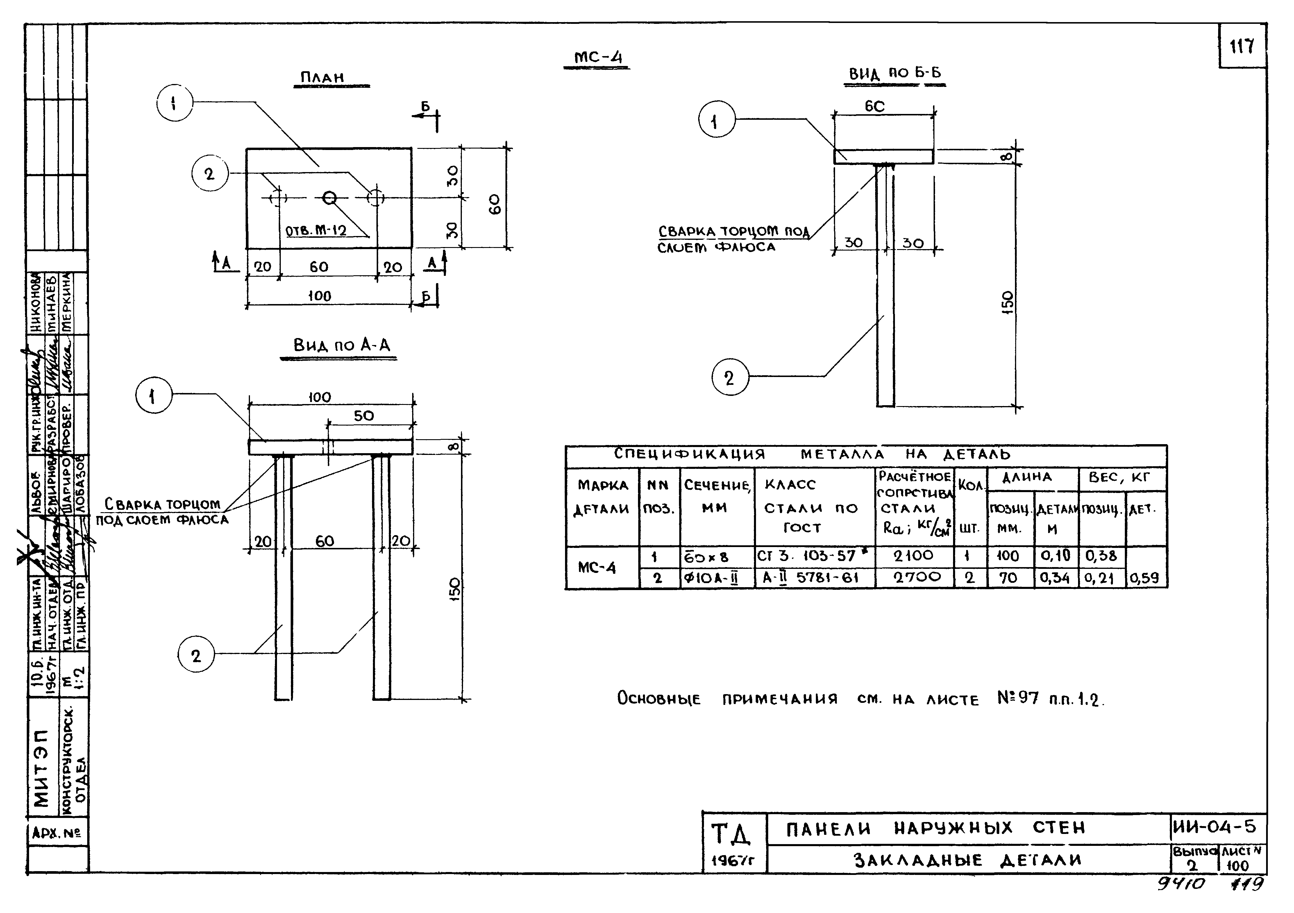
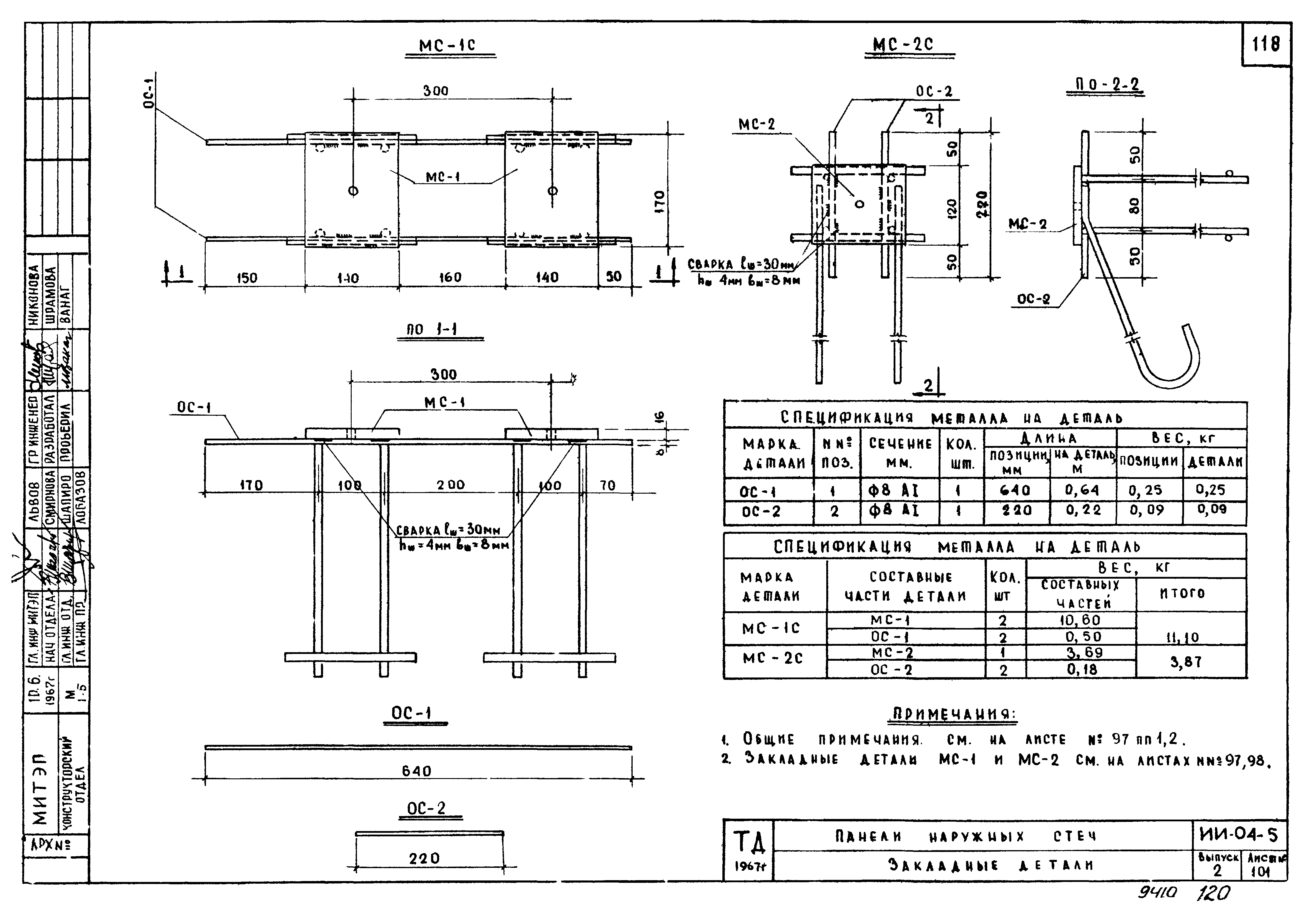
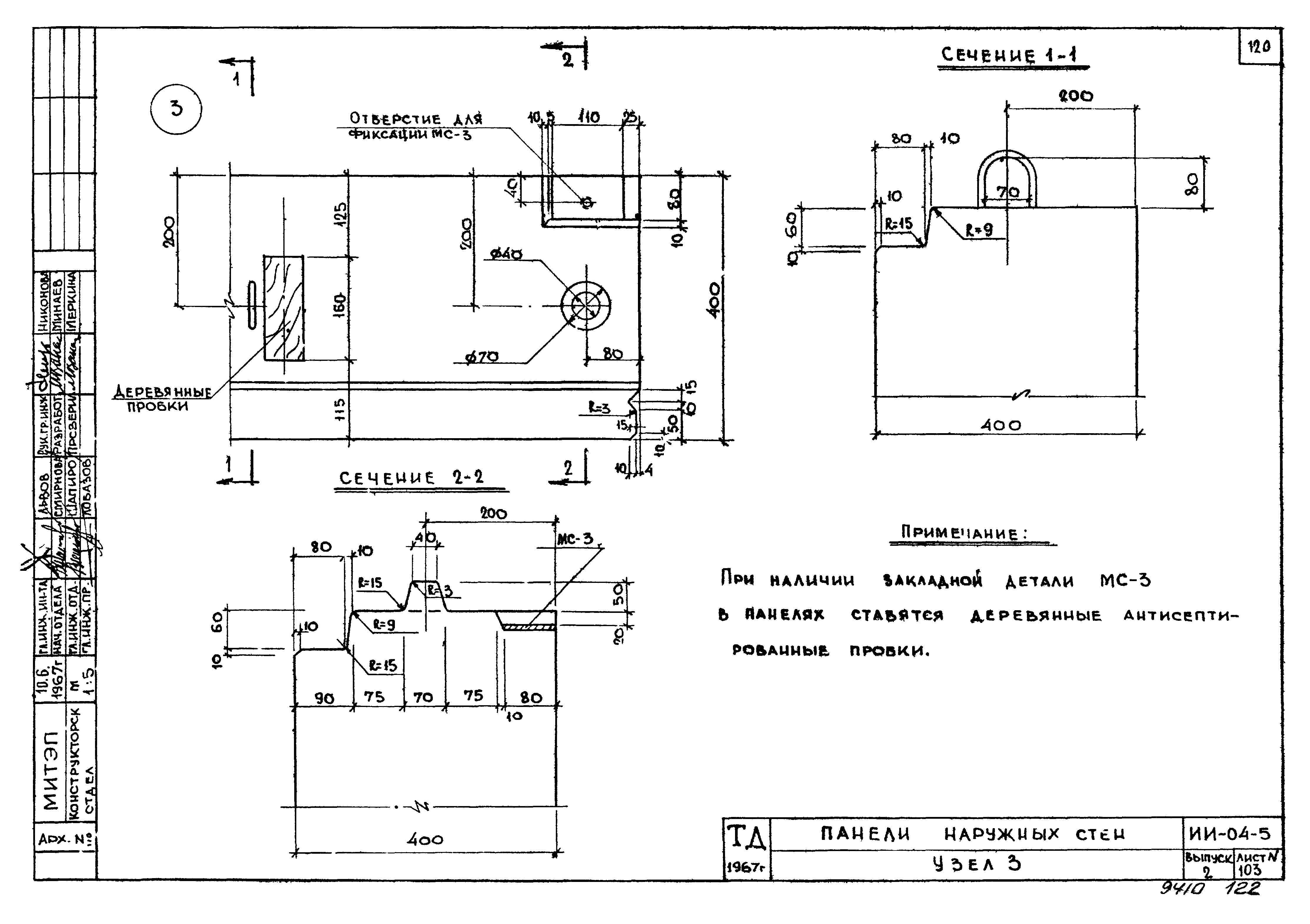
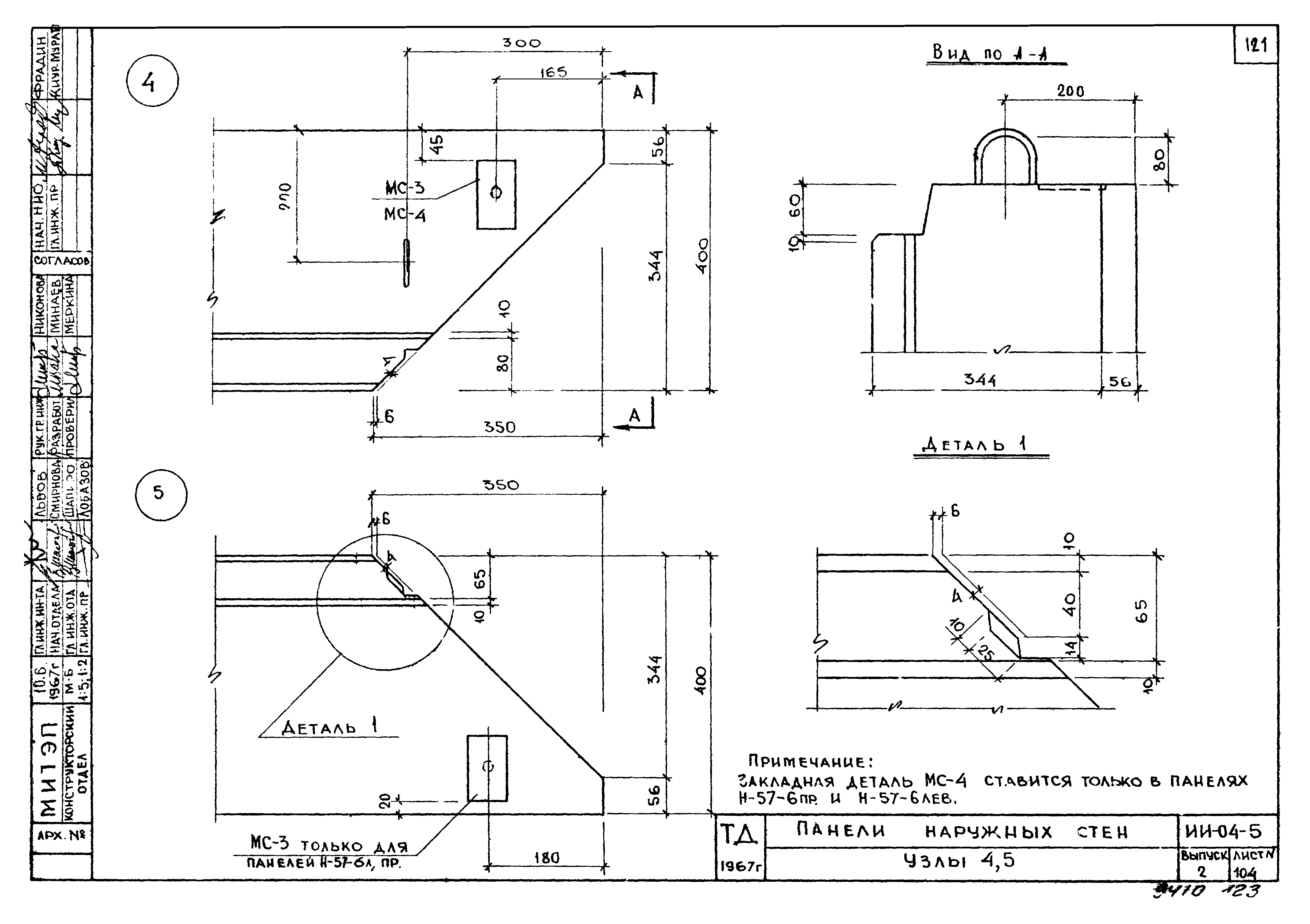
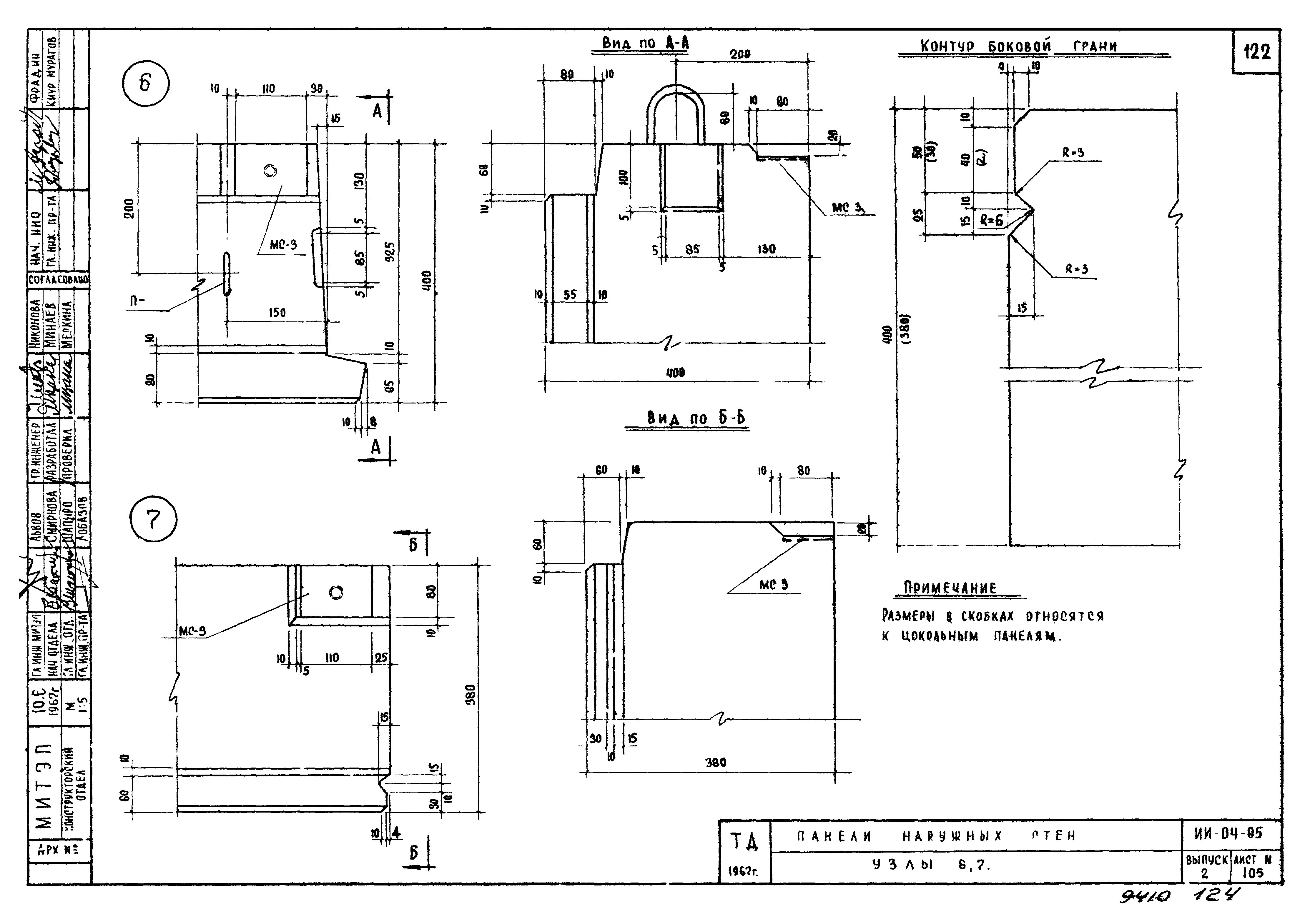
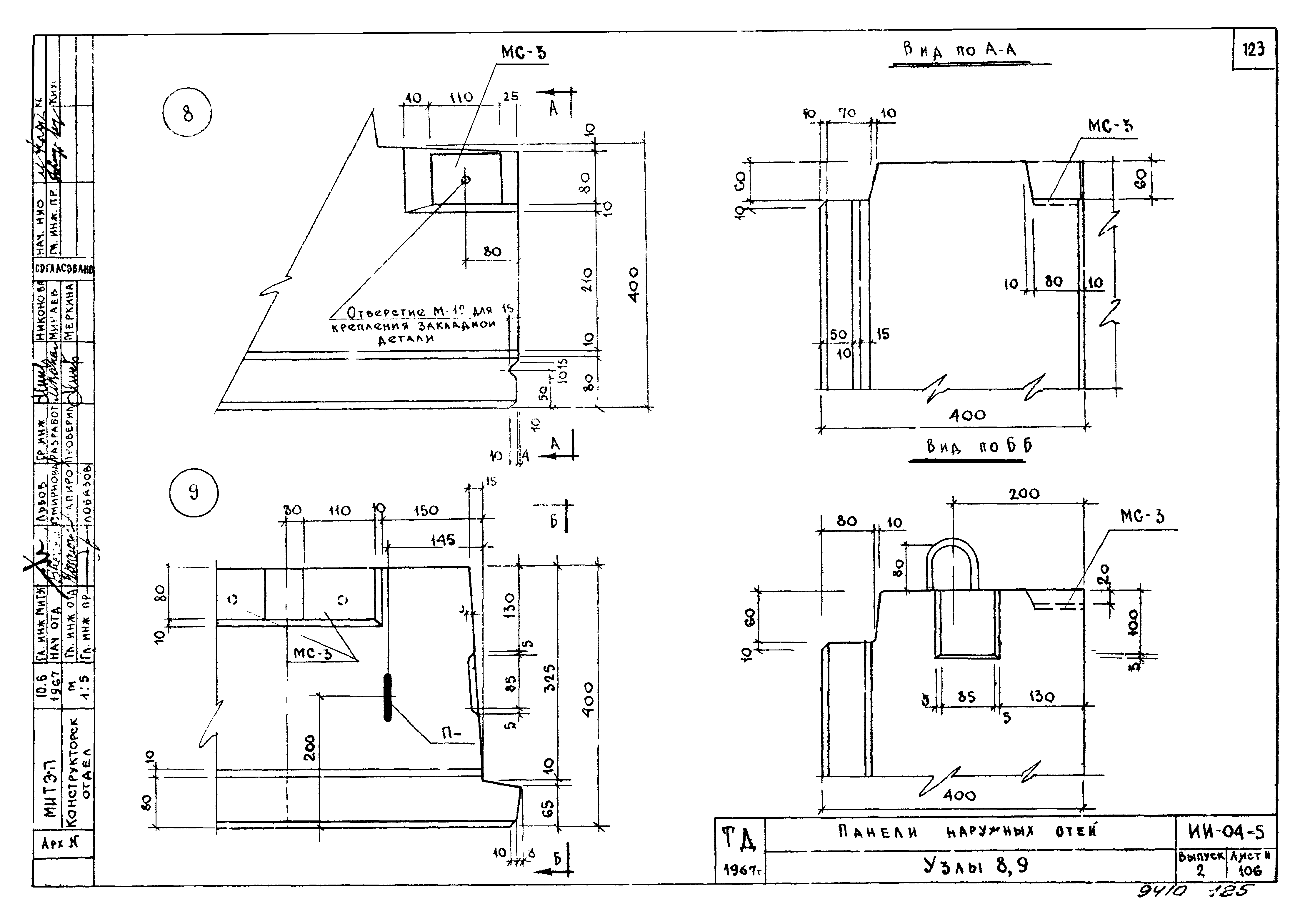
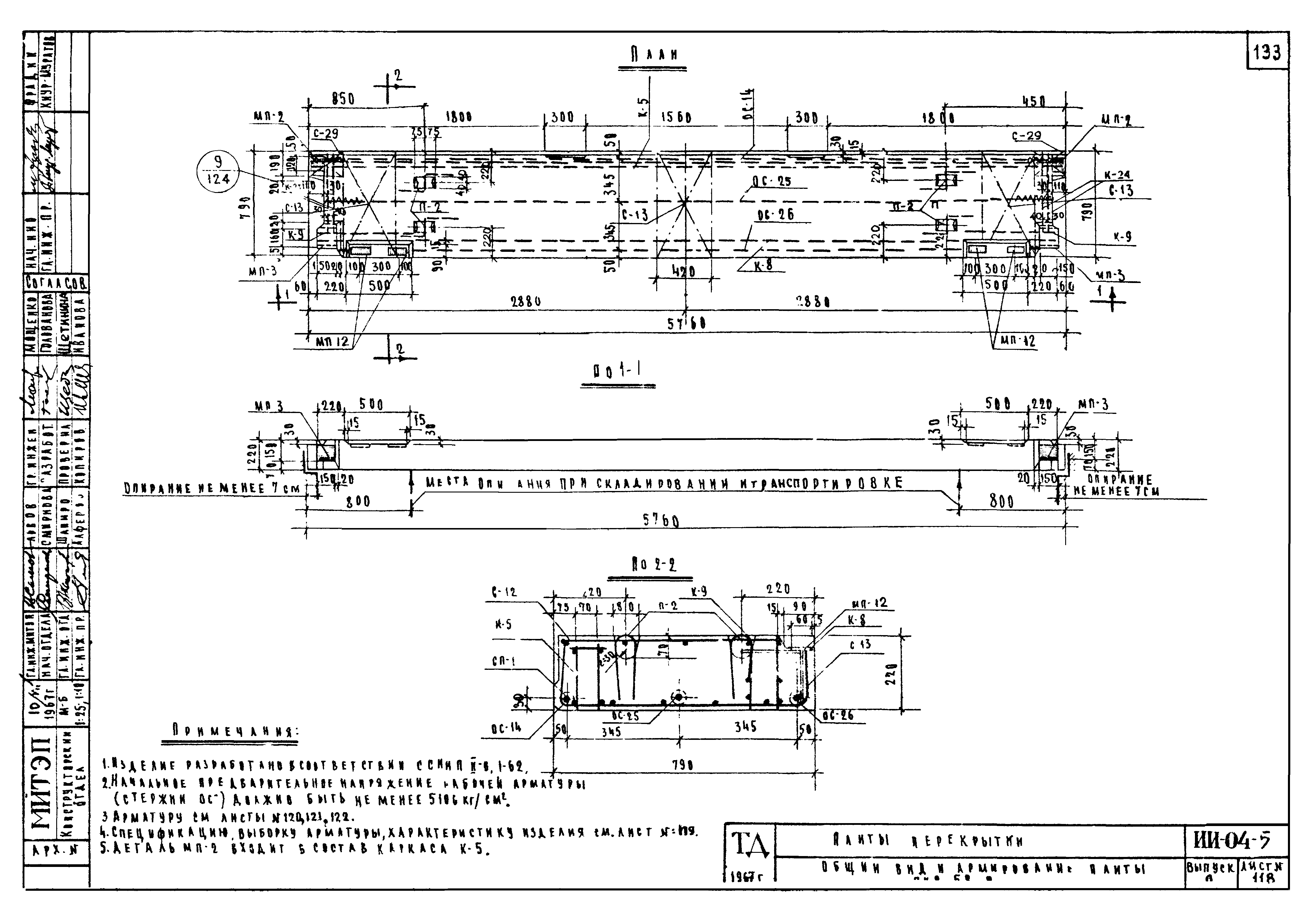
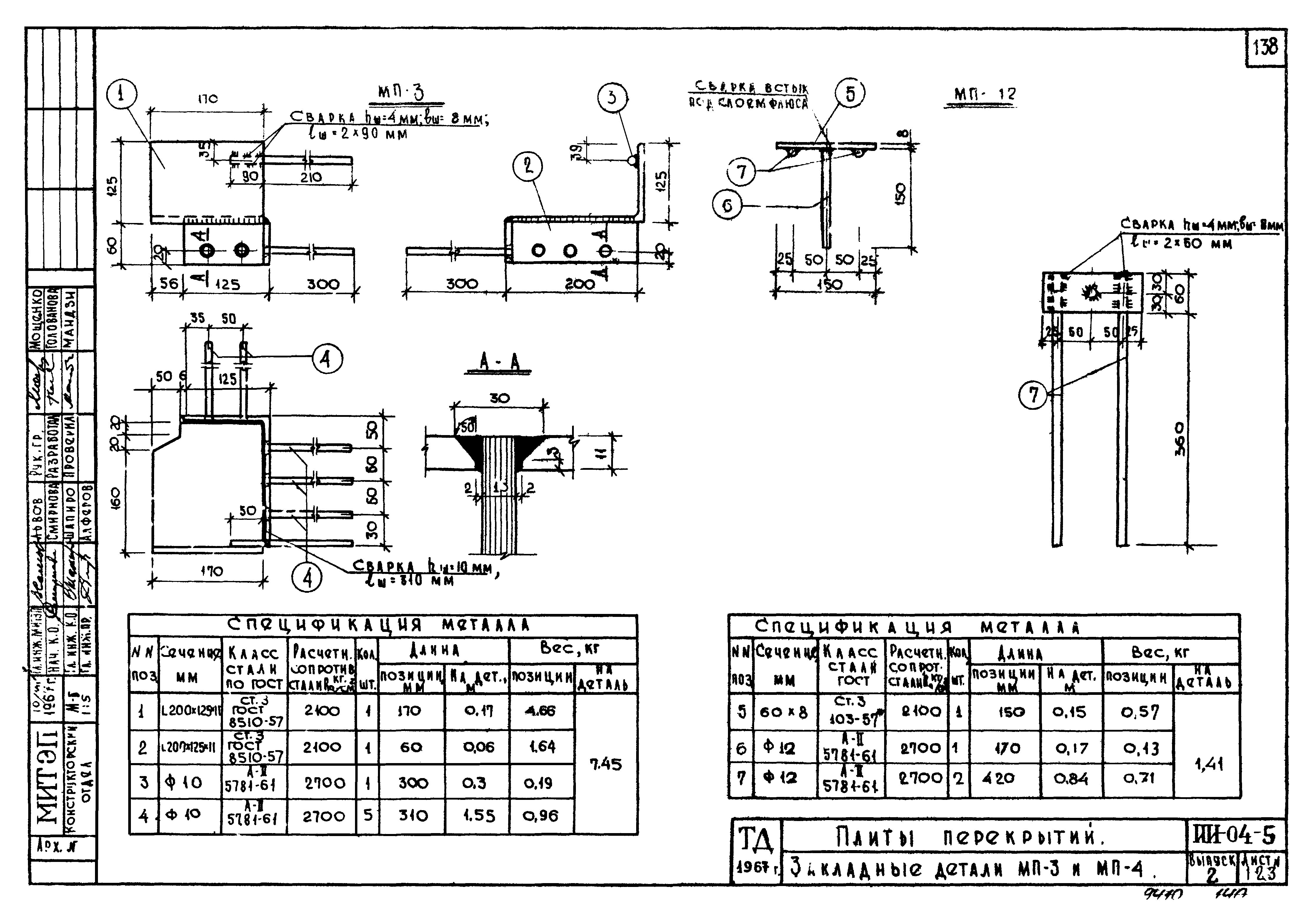
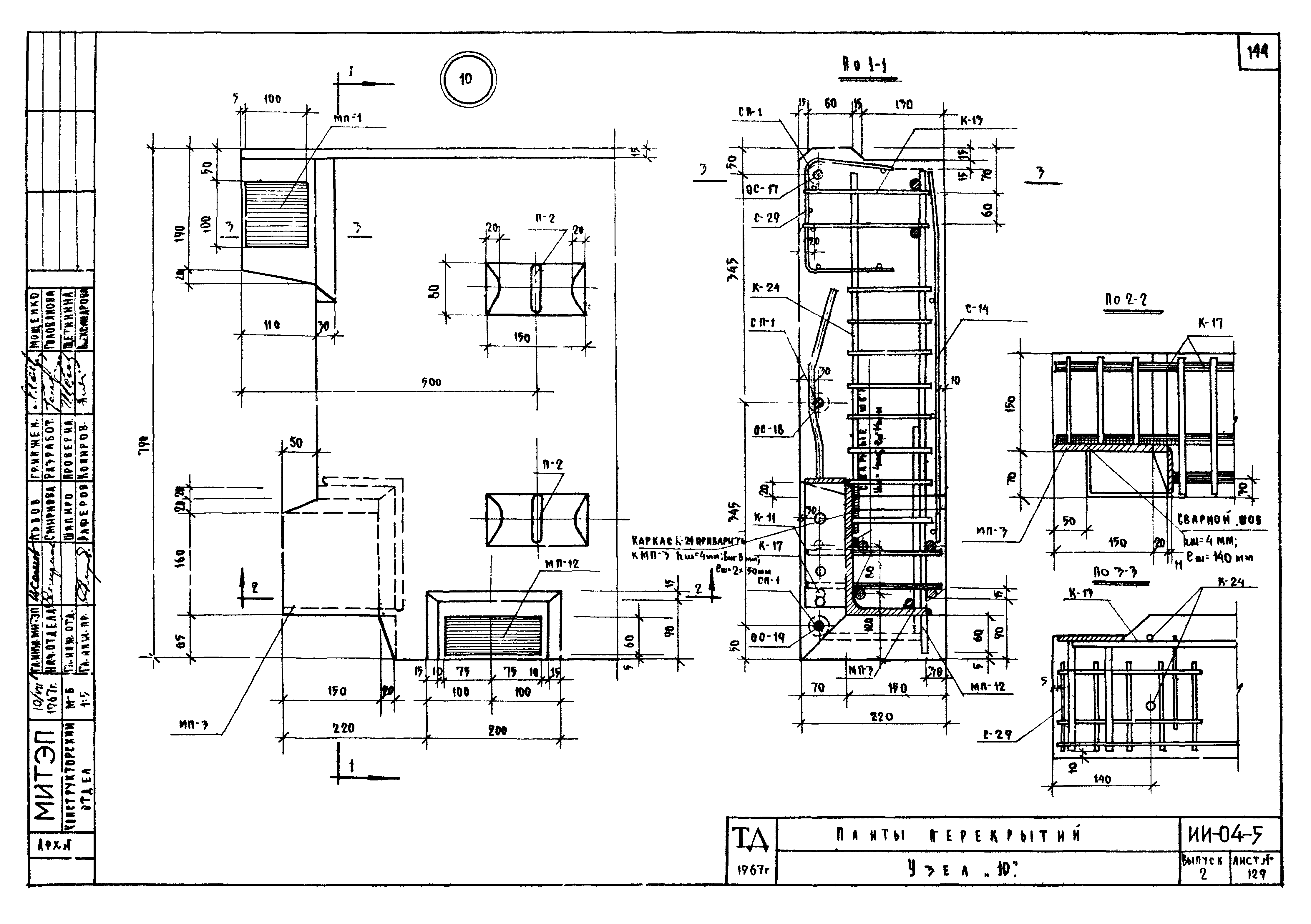
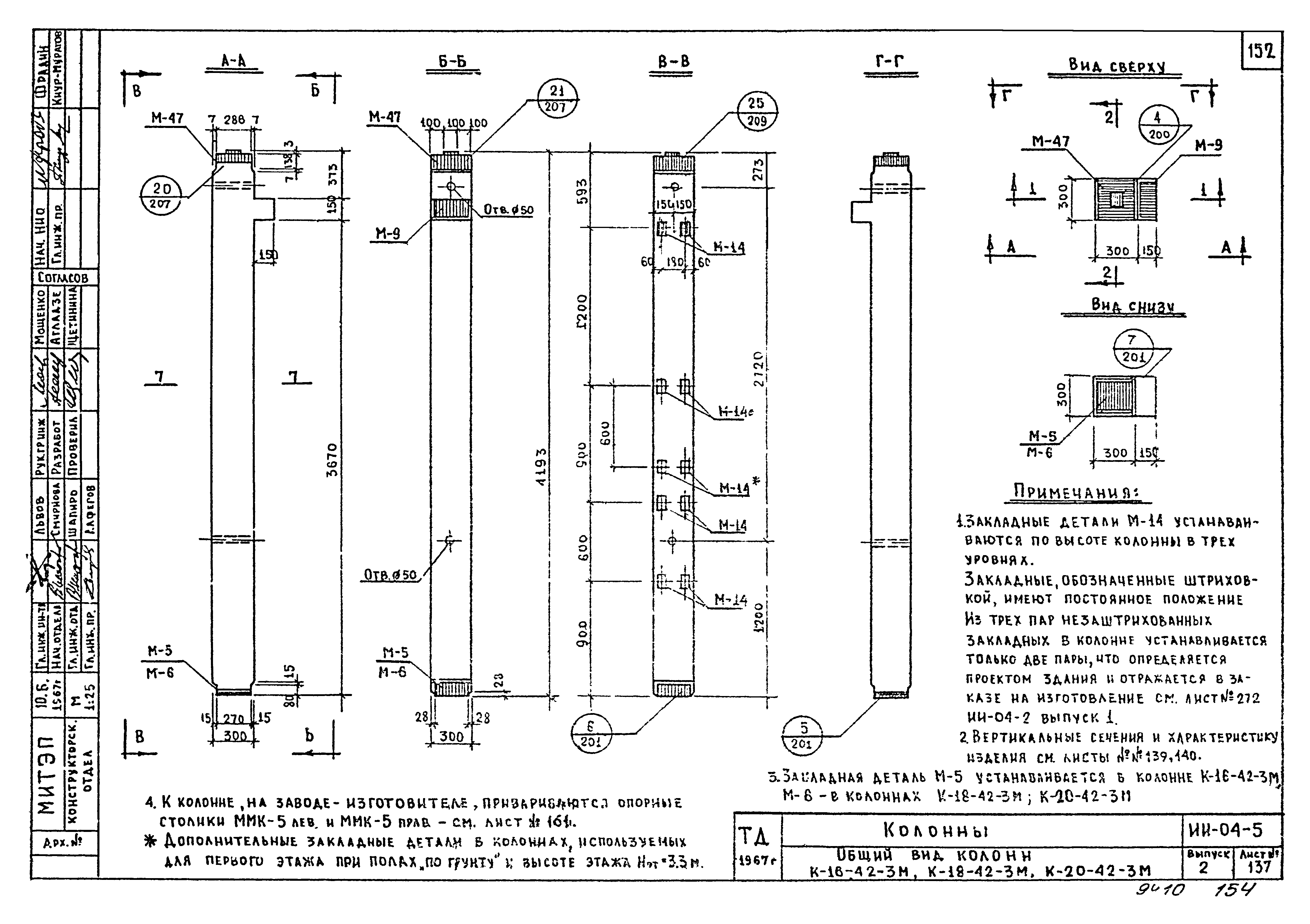
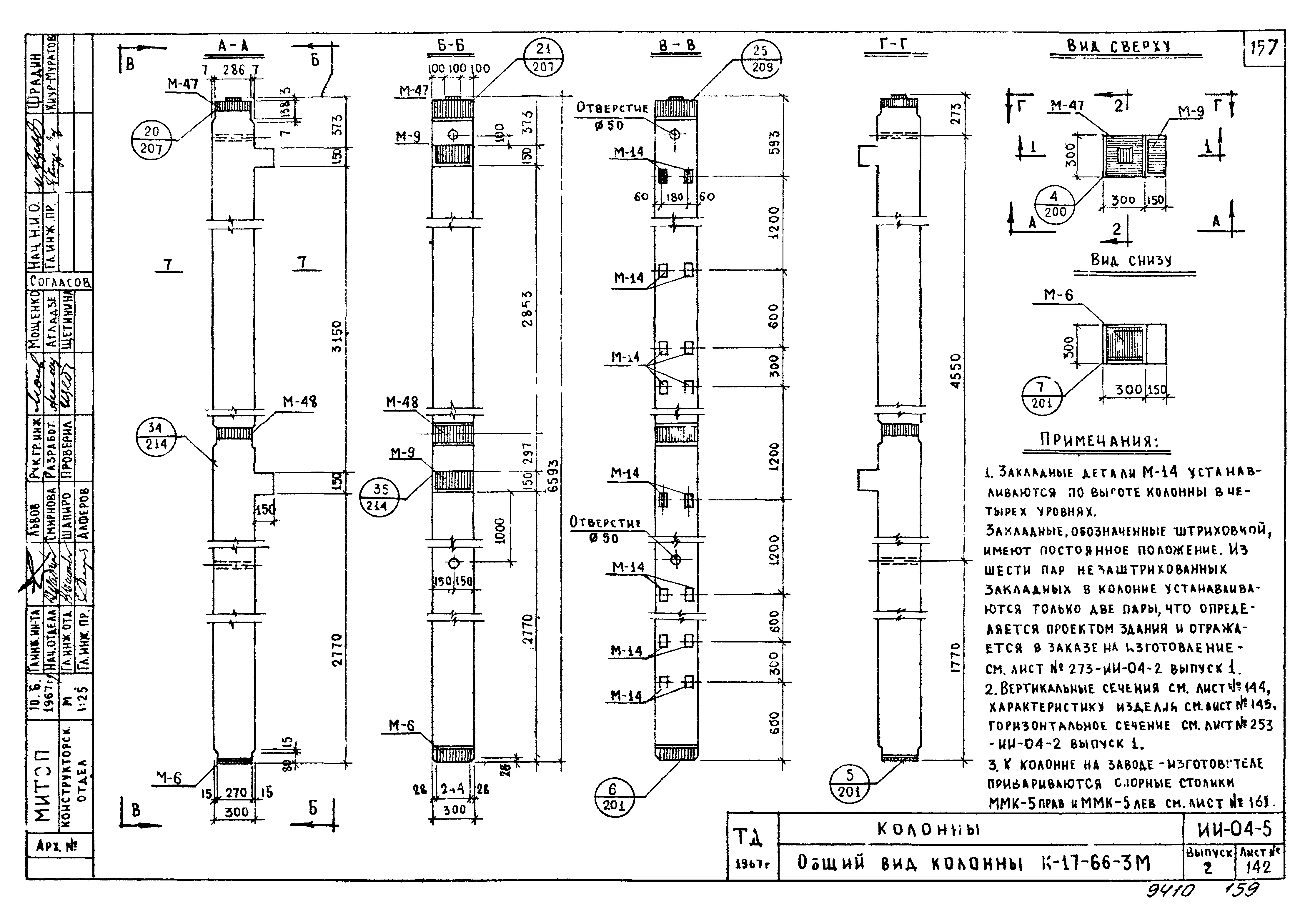
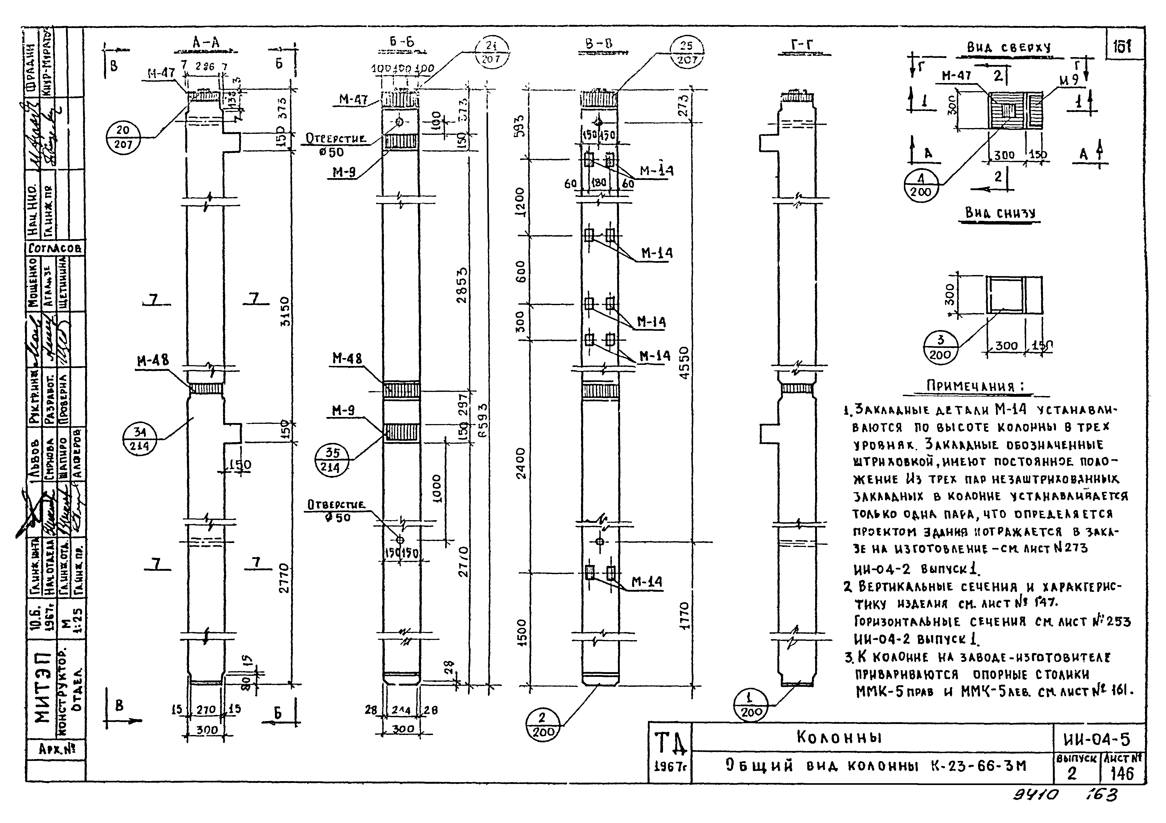
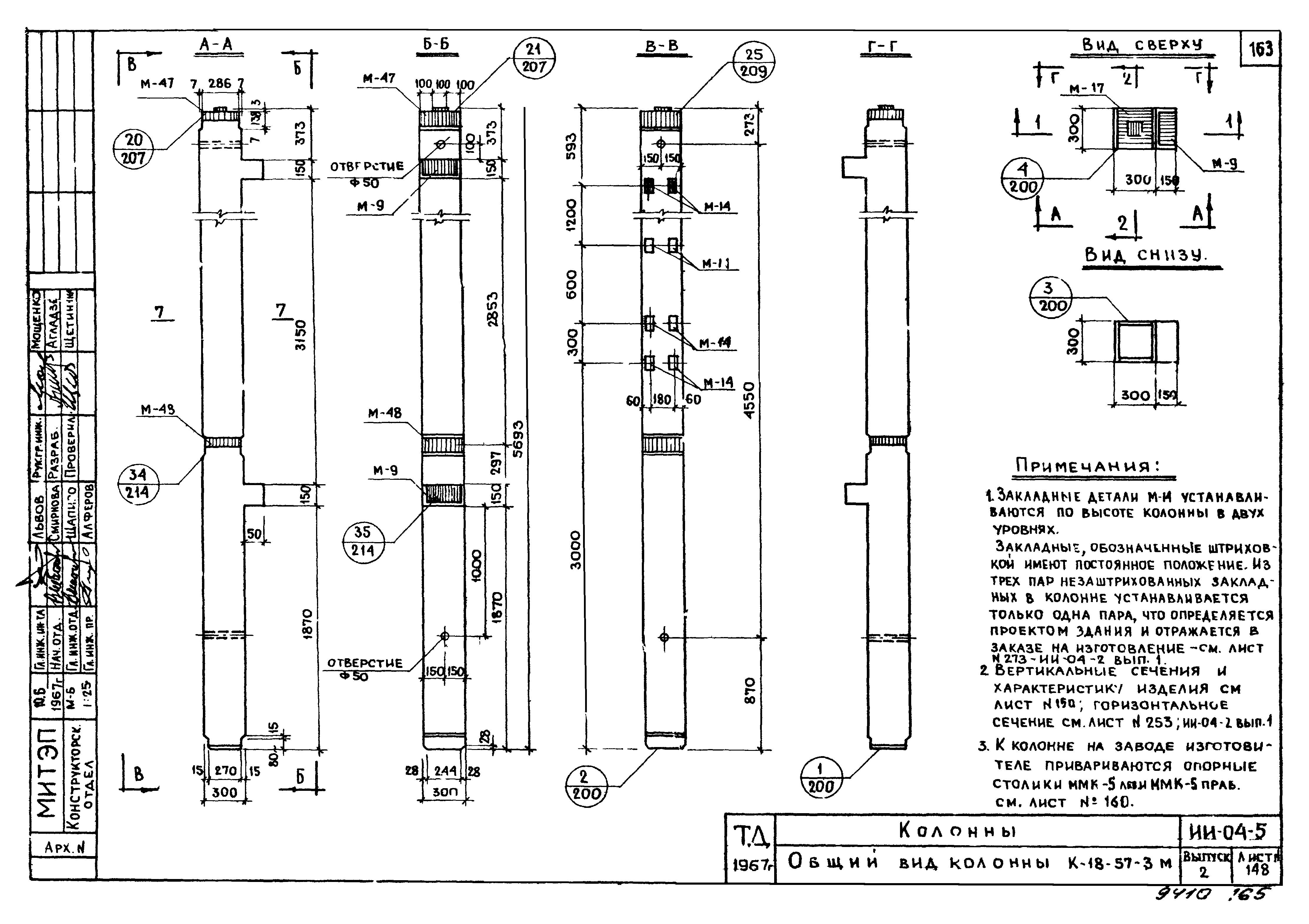
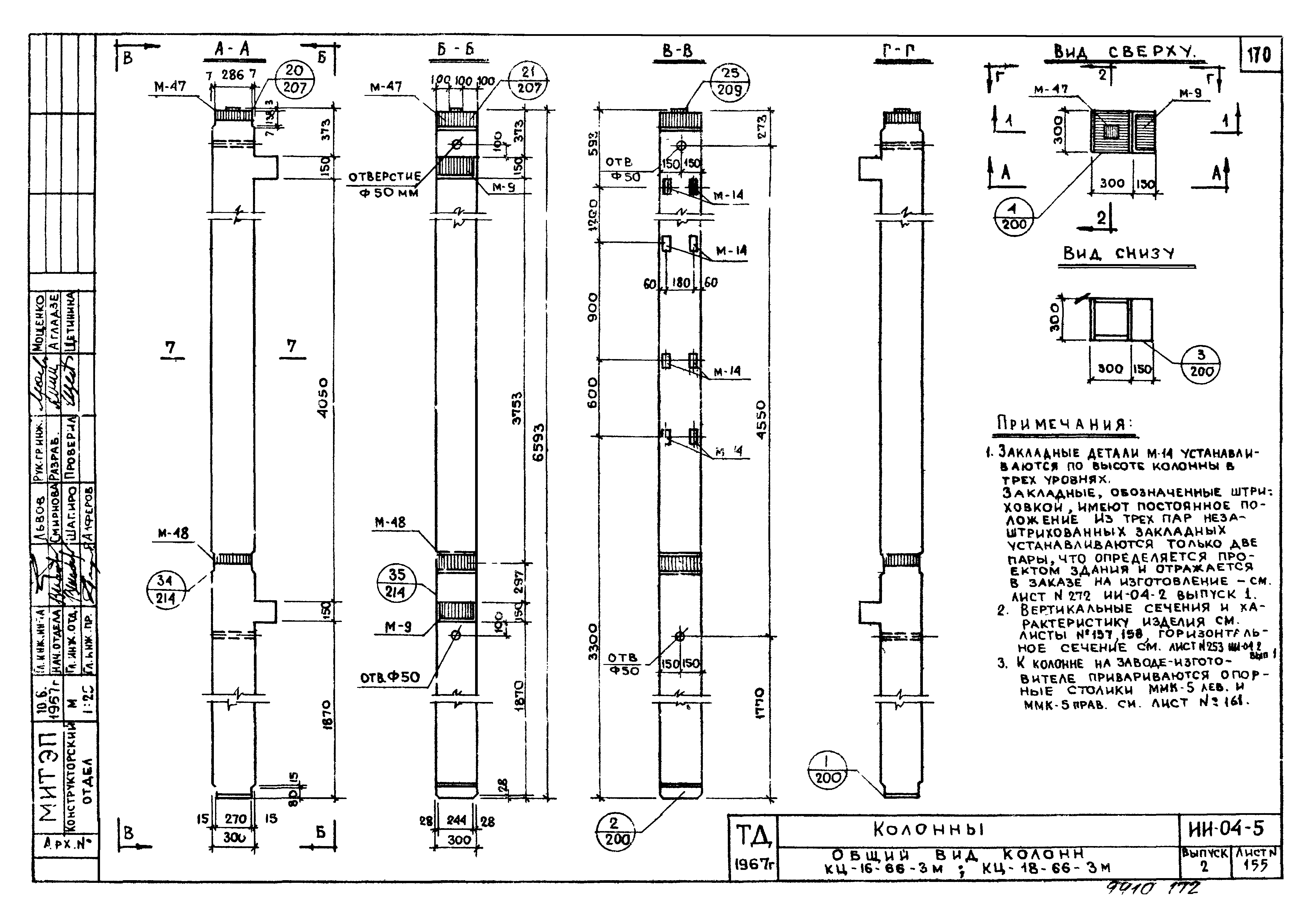
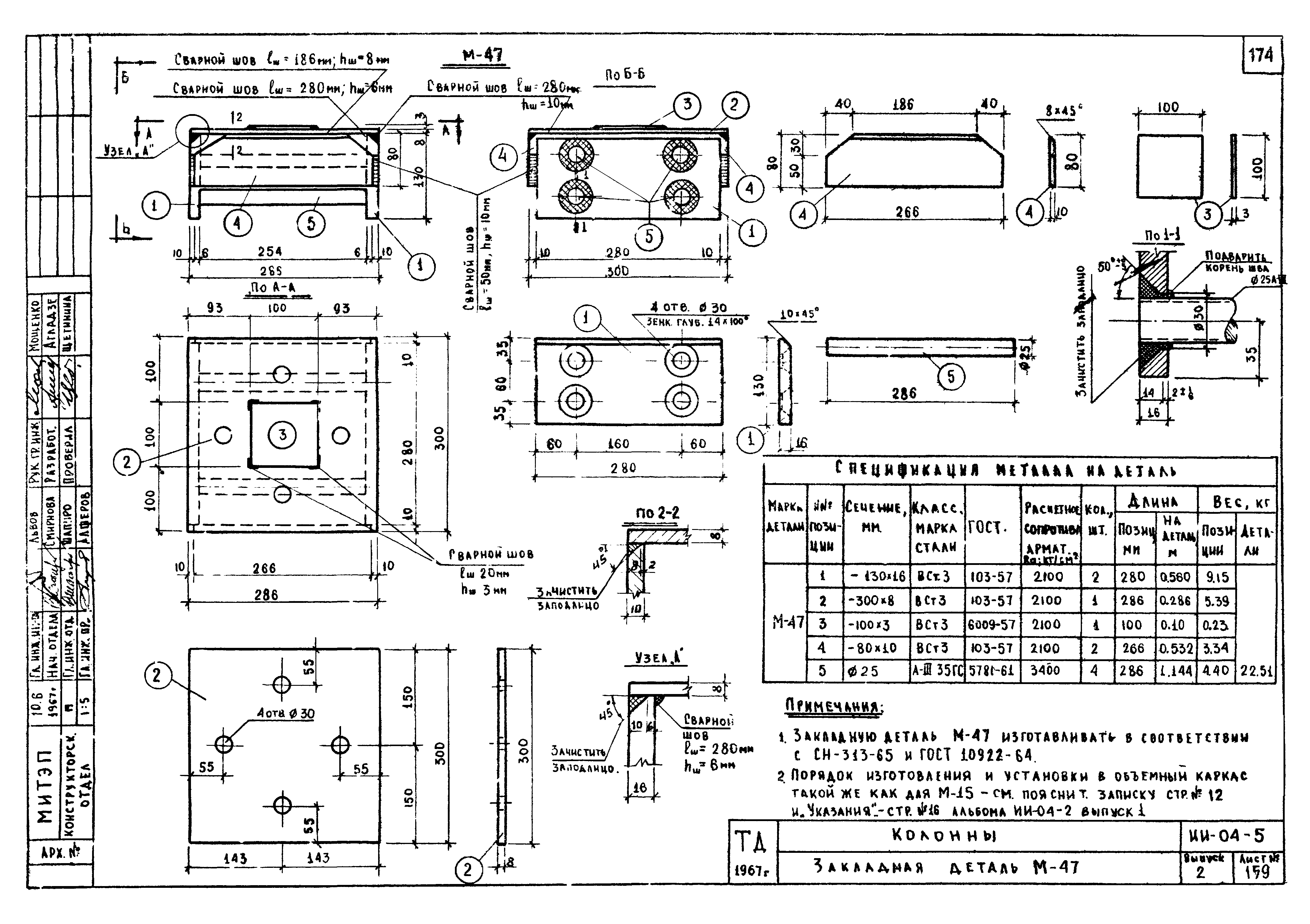
| Оглавление: | Перечень серий и выпусков Содержание Указания по изготовлению и применению изделий Панели наружных стен. Номенклатура изделий Стеновая полосовая панель Н-60-6. Общий вид Стеновая полосовая панель Н-60-6. Армирование Стеновые полосовые панели Н-60-9, H-60-12, Н-60-15, H-60-18, H-60-21. Общий вид Стеновые полосовые панели Н-60-9, H-60-12, H-60-15, H-60-18, H-60-21. Армирование Стеновые полосовые панели Н-60-9, H-60-12, H-60-15, H-60-18, H-60-21. Спецификация и выборка металла Стеновая полосовая панель Н-60-6л. Общий вид Стеновая полосовая панель Н-60-6 л. Армирование Стеновая полосовая панель R-60-6пр. Общий вид Стеновая полосовая панель Н-60-6пр. Армирование Стеновые полосовые панели Н-60-9л, Н-60-12л, Н-60-15л. Общий вид Стеновые полосовые панели Н-60-9л, Н-60-12л, Н-60-15л. Армирование Стеновые полосовые панели Н-60-9пр, Н-60-12пр, Н-6п-15пр. Общий вид Стеновые полосовые панели Н-60 9пр, Н-60-12пр, Н-60-15пр. Армирование Стеновые полосовые панели Н-60-9л, Н-60-9пр, Н-60-12л, Н-60-12пр, Н-60-15л, Н-60-15пр. Спецификация и выборка металла Стеновая полосовая панель Н-57-6л. Общий вид Стеновая полосовая панель Н-57-6л. Армирование Стеновая полосовая панель Н-57-6пр. Общий вид Стеновая полосовая панель Н-57-6пр. Армирование Стеновые полосовые панели Н-57-9л, Н-57-12л, Н-57-15л. Общий вид Стеновые полосовые панели Н-57-9л, Н-57-12л, Н-57-15л. Армирование Стеновые полосовые панели Н-57-9пр, Н-57-12пр, Н-57-15пр. Общий вид Стеновые полосовые панели Н-57-9пр, Н-57-12пр, Н-57-15пр. Армирование Стеновые полосовые панели Н-57-9л, Н-57-9пр, Н-57-12л, Н-57-12пр, Н-57-15л, Н-57-15пр. Спецификация и выборка металла Стеновая полосовая панель Н-45-6. Общий вид Стеновая полосовая панель Н-45-6. Армирование Стеновые полосовые панели Н-45-9, H-45-12, H-45-15, H-45-18, H-45-21. Общий вид Стеновые полосовые панели Н-45-9, H-45-12, H-45-15, H-45-18, H-45-21. Армирование Стеновые полосовые панели Н-45-9, H-45-12, H-45-15, H-45-21, H-45-18. Спецификация и выборка металла Стеновая полосовая панель Н-30-6. Общий вид Стеновая полосовая панель Н-30-6. Армирование Стеновые полосовые панели Н-30-9, Н-30-12, Н-30-15, Н-30-18, H-30-21. Общий вид Стеновые полосовые панели Н-30-9, H-30-12, H-30-15, Н-30-18, Н-30-21. Армирование Стеновые полосовые панели Н-30-9, H-30-12, H-30-15, H-30-18, H-30-21. Спецификация и выборка металла Стеновые угловые панели НУ-5-6, НУ-5-9, НУ-5-12, НУ-5-15, НУ-5-18, НУ-5-21, НУ-5-33, НУ-5-42. Общий вид Стеновые угловые панели НУ-5-6, ИУ-5-12, НУ-5-15, НУ-5-18, НУ-5-21, НУ-5-9, НУ-5-33, НУ-5-42. Армирование Стеновые угловые панели НУ-5-6, НУ-5-9, НУ-5-12, НУ-5-15. Спецификация и выборка металла Стеновые угловые панели НУ-5-18, НУ-5-21, НУ-5-33, НУ-5-42. Спецификация и выборка металла Простеночные панели H-6-12, H-6-18, H-6-21, Н-6-27. Общий вид Простеночные панели H-6-12, H-6-18, H-6-21, Н-6-27. Армирование Простеночные панели H-6-12, Н-6-18, H-6-21, Н-6-27. Спецификация и выборка металла Простеночные панели H-3-12, H-3-16, H-3-21, Н-3-27. Общий вид Простеночные панели H-3-12, H-3-18, H-3-21, Н-3-27. Армирование Простеночные панели H-3-12, H-3-18, H-3-21, Н-3-27. Спецификация и выборка металла Простеночные панели Н-3-12л, H-3-18л, Н-3-21л, Н-3-27л, Общий вид Простеночные панели Н-3-12л, Н-3-18л, Н-3-21л, Н-3-27л. Армирование Простеночные панели Н-3-12пр, Н-18-18пр, Н-3-21пр, Н-3-27пр. Общий вид Простеночные панели Н-3-12пр, Н-3-18пр, Н-3-21пр, Н-3-27пр. Армирование Простеночные панели Н-3-12л, Н-3-12пp, Н-3-18л, Н-3-18пр, Н-3-21л, Н-3-21пр, Н-3-27л, Н-3-27пр. Спецификация и выборка металла Полосовая панель цоколя Ц-60-5. Общий вид Полосовая панель цоколя Ц-60-5. Армирование Полосовые панели цоколя Ц-50-5, Ц-45-5, Ц-20-5. Общий вид Полосовые панели цоколя Ц-50-5, Ц-45-5, Ц-20-5. Армирование Полосовые панели цоколя Ц-50-5, Ц-45-5, Ц-20-5. Спецификация и выборка металла Полосовые панели цоколя Ц-60-20, Ц-45-20, Ц-30-20, Общий вид Полосовые панели цоколя Ц-60-20, Ц-45-20, Ц-30-20. Армирование Полосовые панели цоколя Ц-60-20, Ц-45-20, Ц-30-20. Спецификация и выборка металла Угловая панель цоколя ЦУ-20-20. Общий вид Угловая панель цоколя ЦУ-20-20. Армирование Полосовые панели стен подвала Ц-45-9, Ц-60-9. Общий вид Полосовое панели стен подвала Ц-60-9, Ц-45-9. Армирование Полосовое панели стен подвала Ц-60-9, Ц-45-9. Спецификация и выборка металла Панели наружных стен. Арматурные каркасы Панели наружных стен. Арматурные сетки Панели наружных стен. Подъемные петли Панели наружных стен. Закладные детали Панели наружных стен. Узлы 1,2 Панели наружных стен. Узел 3 Панели наружных стен. Узлы 4,5 Панели наружных стен. Узлы 6,7 Панели наружных стен. Узлы 8,9 Панели наружных стен. Узлы 10,11 Панели наружных стен. Узлы 12,13 Панели наружных стен. Узлы 14,15 Панели наружных стен. Узлы 16,17 Панели наружных стен. Узлы крепления деревянных пробок Панели наружных стен. Вариант решения угловых панелей Панели наружных стен. Варианты контуров боковых граней фиксатора и привязки подъемных петель Дополнительные изделия. Номенклатура изделий Плиты перекрытий. Общий вид и армирование плиты ПК8-58-8у Плиты перекрытий. Характеристика, схемы расчета и испытания плиты ПК-8-58-8у Плиты перекрытий. Арматурный каркас К-5 Плиты перекрытий. Арматурные каркасы К-8, К-9, подъемная петля и спираль CП-1 Плиты перекрытий. Арматурные сетки C-12, C-13, отдельные стержни ОC-14, ОС-25, ОС-26 Плиты перекрытий. Закладные детали МП-3 и МП-4 Плиты перекрытий. Узел "9" Плиты перекрытий. Общий вид и армирование плиты ПК-17-28-8у Плиты перекрытий. Характеристика, схемы расчета и испытания плиты ПК 17-28-8у Плиты перекрытия. Арматурный каркас К-13, отдельные стержни ОС-17, ОС-18, ОС-19 Плиты перекрытий. Арматурная сетка C-14 и каркасы К-11, К-12 Плиты перекрытий. Узел "10" Фризовый камень. Общий вид и армирование фризового камня АФ-15-5. Сетка С-21, петля П-5 Колонны. Общий вид колонны К-17-33-3M Колонны. Общий вид колонны К-17-33-3ам Колонны. Сечения колош К-17-33-3м и К-17-33-3ам Колонны. Общий вид колонны К-18-51-3M Колонны. Общий вид колонны К-18-51-3ам Колонны. Сечения колонн К-18-51-3м и К-18-51-3ам Колонны. Общий вид колонн К-16-42-3M, К-18-42-3м, К-20-42-3М Колонны. Общий вид колонн К-16-42-3ам, К-18-42-3ам, К-20-42-3ам Колонны. Сечения колонн К-16-42-3M и К-16-42-3ам Колонны. Сечения колонн К-18-42-3м и К-18-42-3ам Колонны. Сечения колонн К-20-42-3м и К-20-42-3ам Колонии. Общи вид колонны К-17-66-3м Колонны. Общий вид колонны К-17-66-3ам Колонны. Сечения колонн К-17-66-3м и К-17-66-3ам Колонны. Характеристика колонн К-17-66-3м, К-17-66-3ам Колонны. Общий вид колонны К-23-66-3м Колонны. Сечения колонны К-23-66-3м Колонны. Общий вид колонны К-18-57-3м Колонны. Общий вид колонны К-18-57-3ам Колонны. Сечения колонн К-18-57-3м и К-18-57-3ам Колонны. Общий вид колонны К-17-75-3м Колонны. Общий вид колонны К-17-75-3ам Колонны. Сечения колонн К-17-75-3м и К-17-75-3ам Колонны. Характеристика колонн К-17-75-3M, К-17-75-3ам Колонны. Общий вид колонн КЦ-16-66-3м, КЦ-18-66-3м Колонны. Общий вид колонн КЦ-16-66-3ам, КЦ-18-66-3ам Колонны. Сечения колонн КЦ-16-66-3м и КЦ-16-66-3ам Колонны. Сечения колонн КЦ-18-66-3М и КЦ-18-66-3ам Колонны. Закладная деталь М-47 Колонны. Закладная деталь М-48 Колонны. Приварка опорных столиков ММК-5лев, ММК-5пр Колонны. Приварка опорных столиков ММК-5пр, ММК-5лев. Ригель РНЛ-40-57. Общий вид Ригель РНЛ-40-57. Монтажный план армирования Опорные столики ММк-5пр, ММк-5лев. Монтажные столики ММК-6пр, ММК-6лев. Монтажные детали MМC-15 и ММС-2 Компоновочное схемы каркаса для зданий с поперечным каркасом Компоновочные схемы каркаса для зданий с продольным и продольно-поперечным каркасом Крепление опорных столиков ММК-5пр и ММК-5лев к оголовникам колонн Крепление опорных столиков ММК-5лев и ММК-5пр над нижней консолью двухэтажных колонн Крепление монтажных столиков ММК-6лев и ММК-6пр к оголовникам колонн Узел П-3д. Опирание наружной плиты перекрытия ПК-8-58-8у, ПК-8-53-8, ПК-17-28-8у на металлический столик колонны Узел П-3е. Опирание наружной плиты перекрытия ПК-8-58-8У, ПК-8-53-8, ПК-17-28-8У на металлический столик колонны, поставленной ж.б. консолью вдоль стены Узел П-3ж. Опирание доборной плиты перекрытия ПК 8-58-6 на металлический столик колонны Узел С-1в. Вертикальный стык стеновых панелей толщиной 40 см у температурного шва /вар.№ 1/ Схемы навески панелей наружных стен надземной части здания при толщине стен 40 см Маркировка узлов навески панелей наружных стен толщиной 40 см /С-3/. Размеры hшв, крепящих столики MMC-15 и MMC-16 к ригелям Узлы навески панелей наружных стен С-3а, С-3н, С-3п Узлы навески панелей наружных стен С-3р, С-3д, С-3е, С-3ж Узлы навески панелей наружных стен С-3и, С-3х. Деталь заделки вертикального стыка стеновых панелей Узлы навески панелей наружных стен С-3к. Деталь заделки вертикального стыка стеновых панелей Крепление монтажных деталей MMC-15, ММС-2, ММС-3 к закладным деталям панелей наружных стен толщиной 40 см |
| Разработан: | МНИИТЭП |
| Утверждён: | 18.09.1967 Государственный комитет по гражданскому строительству и архитектуре при Госстрое СССР (139) |
| Издан: | ЦИТП Госстроя СССР (CITP, Gosstroy (USSR) 1967 г. ) |







































































































































































































