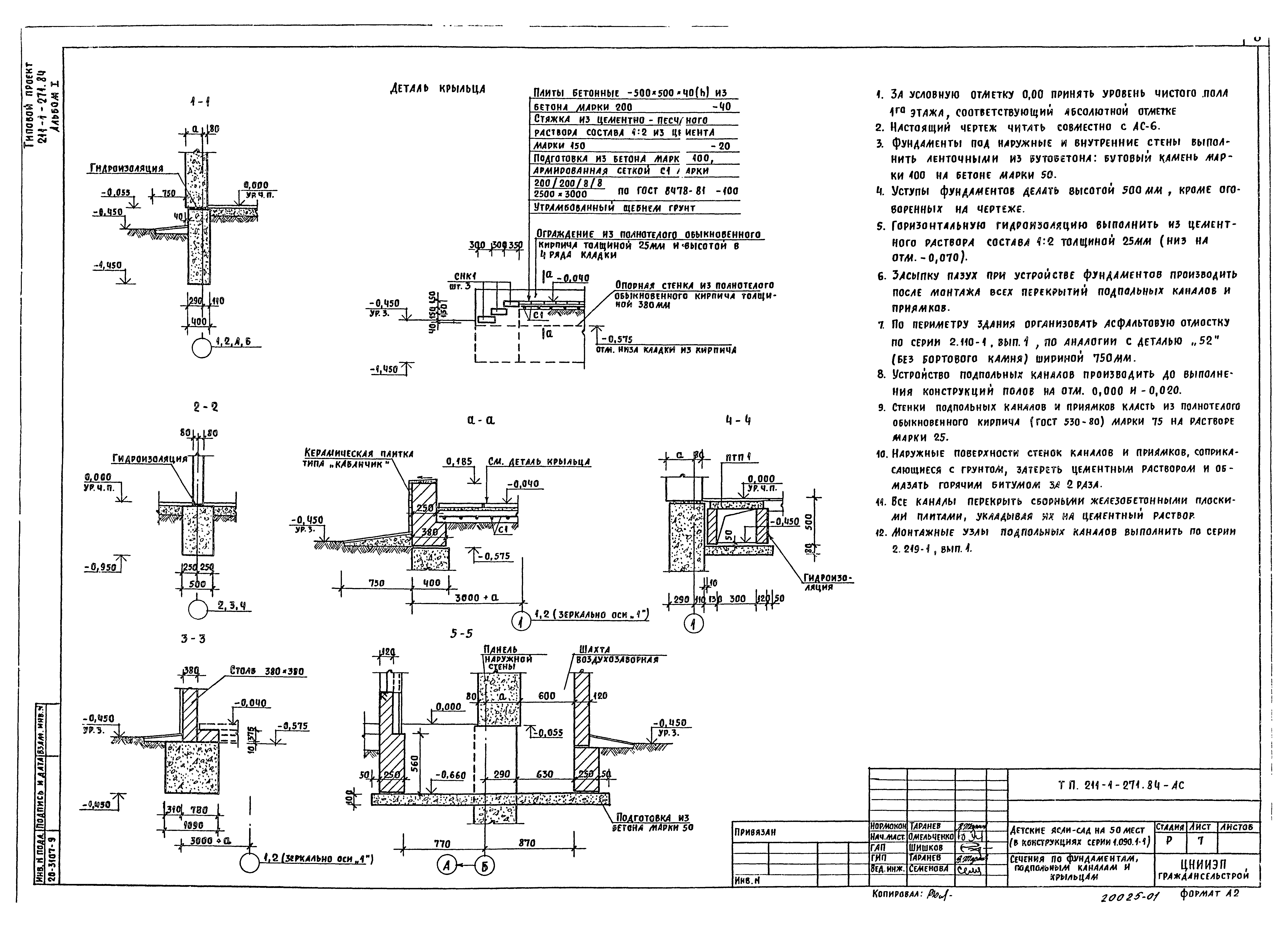
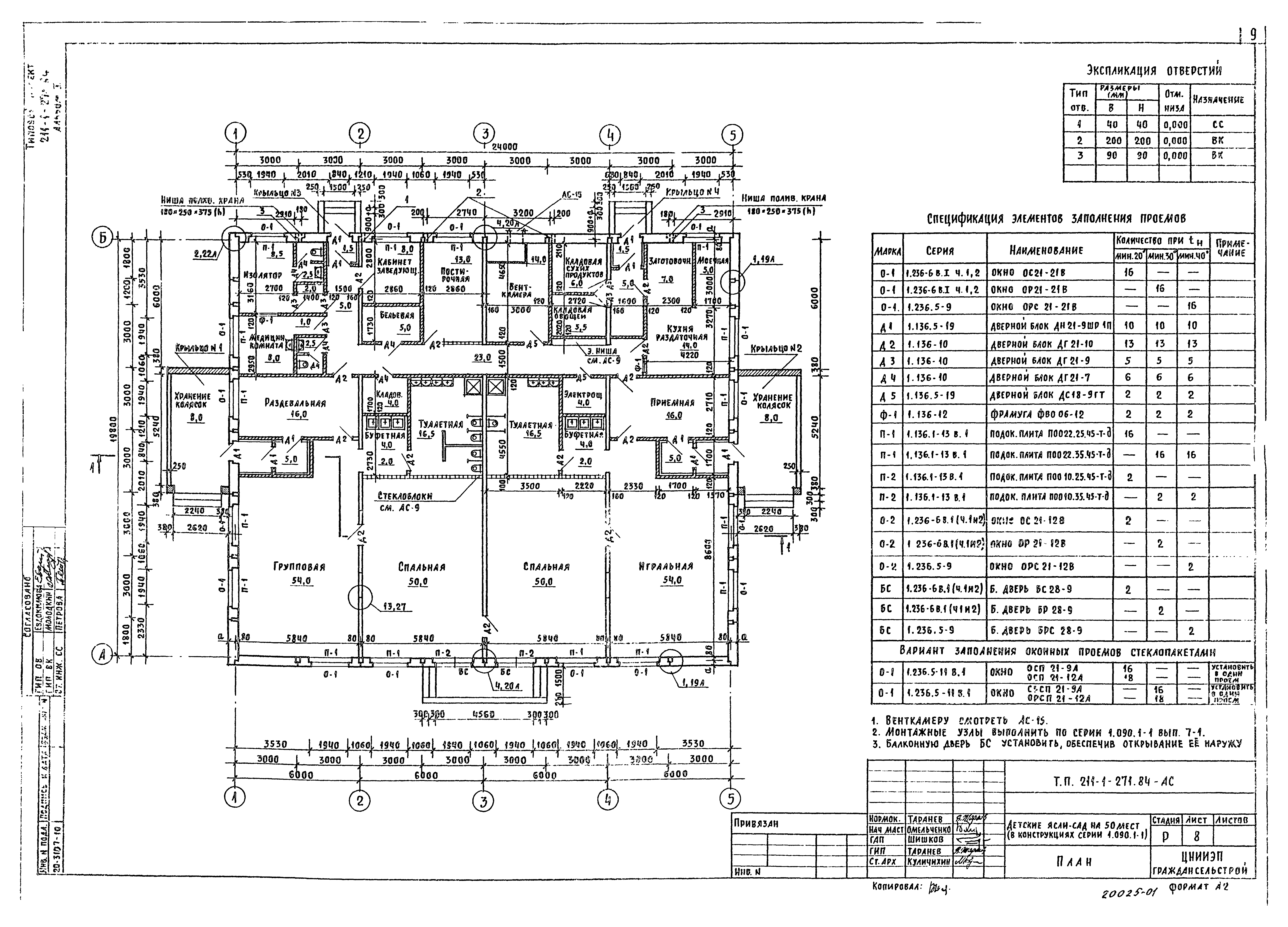
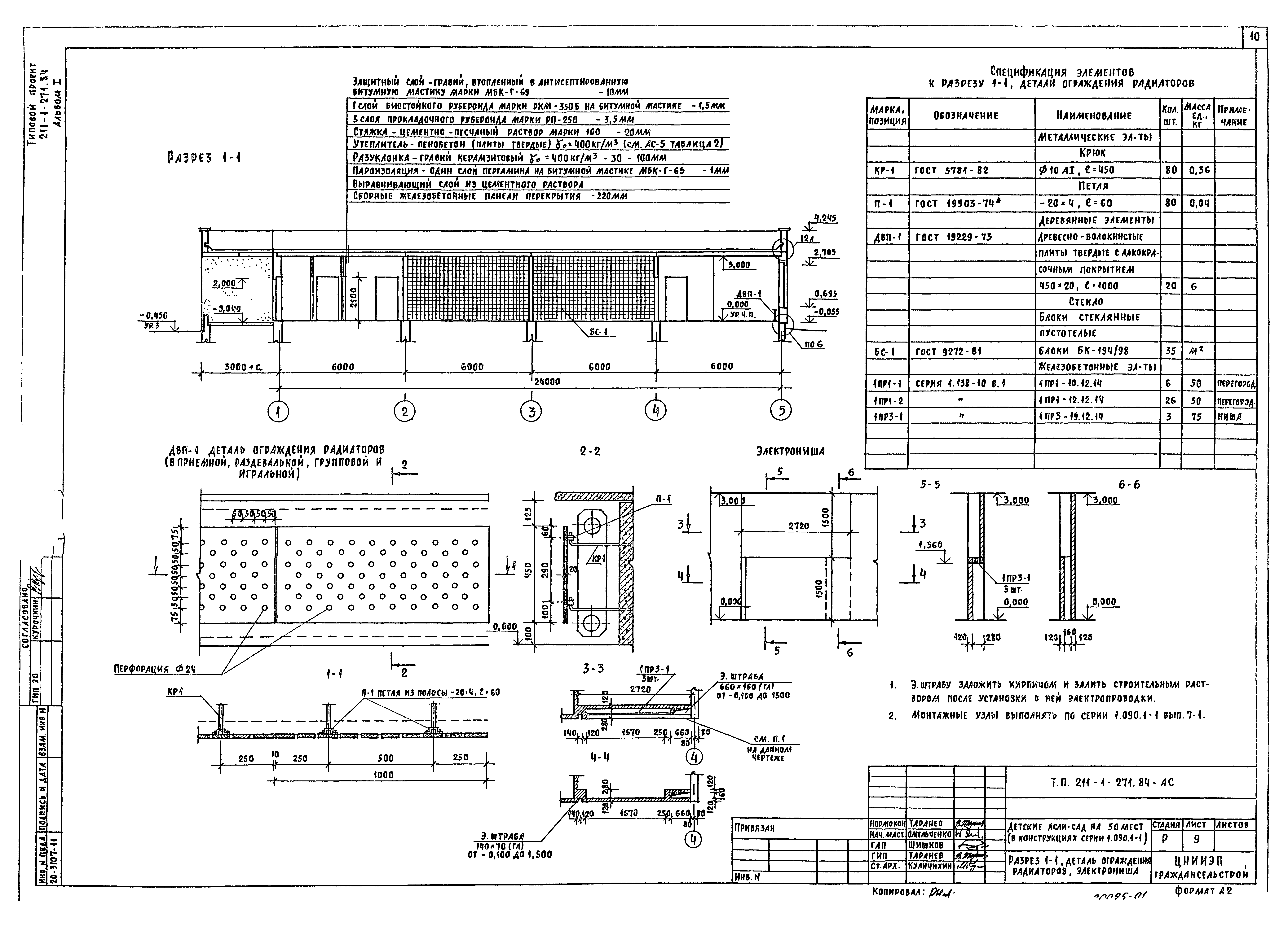
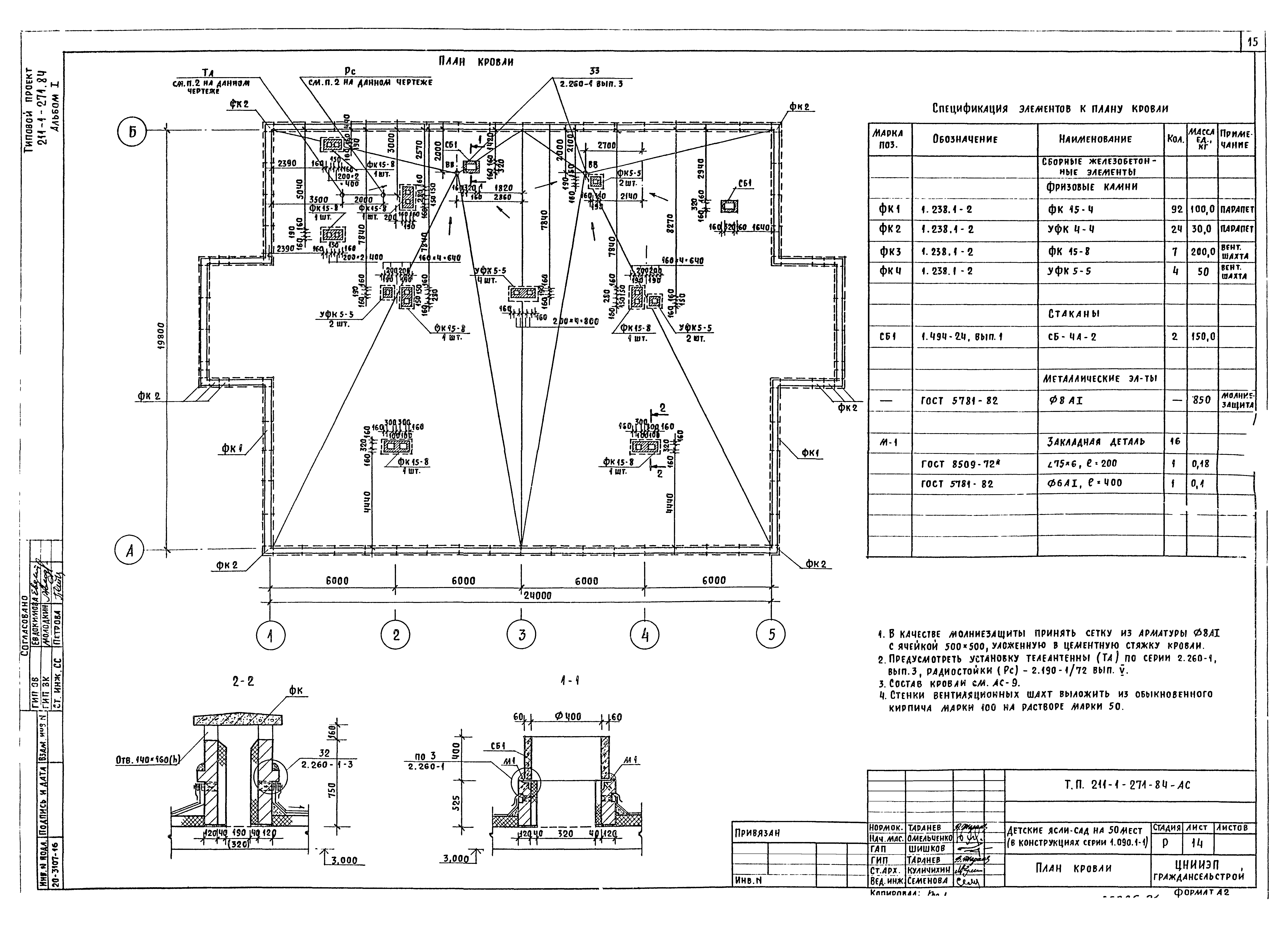
Скачать Типовой проект 211-1-271.84 Альбом I. Архитектурно-строительные чертежиДата актуализации: 01.01.2021
|
| Обозначение: | Типовой проект 211-1-271.84 |
| Обозначение англ: | 211-1-271.84 |
| Статус: | не определен законодательством |
| Название рус.: | Альбом I. Архитектурно-строительные чертежи |
| Дата добавления в базу: | 05.05.2017 |
| Дата актуализации: | 01.01.2021 |
| Дата введения: | 27.09.1984 |
| Дата окончания срока действия: | 30.06.2003 |
| Разработан: | ЦНИИЭП граждансельстрой |
| Утверждён: | 29.09.1983 Госгражданстрой (Gosgrazhdanstroy 286) |
| Издан: | ЦИТП Госстроя СССР (CITP, Gosstroy (USSR) 1985 г. ) |



















