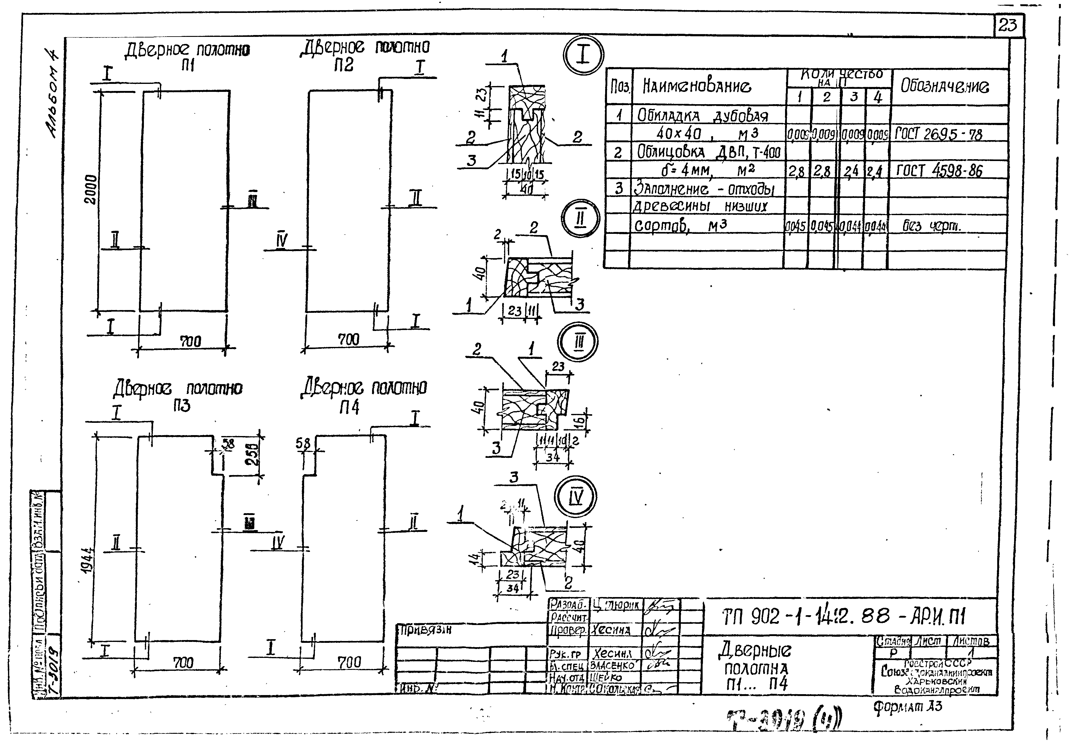
Скачать Типовой проект 902-1-143.88 Альбом 4. Изделия (из ТП 902-1-142.88)Дата актуализации: 01.01.2021
|
| Обозначение: | Типовой проект 902-1-143.88 |
| Обозначение англ: | 902-1-143.88 |
| Статус: | не определен законодательством |
| Название рус.: | Альбом 4. Изделия (из ТП 902-1-142.88) |
| Дата добавления в базу: | 01.09.2013 |
| Дата актуализации: | 01.01.2021 |
| Дата введения: | 09.08.1988 |
| Дата окончания срока действия: | 30.06.2003 |
| Разработан: | Харьковский Водоканалпроект |
| Утверждён: | 09.08.1988 Госстрой СССР (Государственный комитет Совета Министров СССР по делам строительства) (USSR Gosstroy 53) |
























