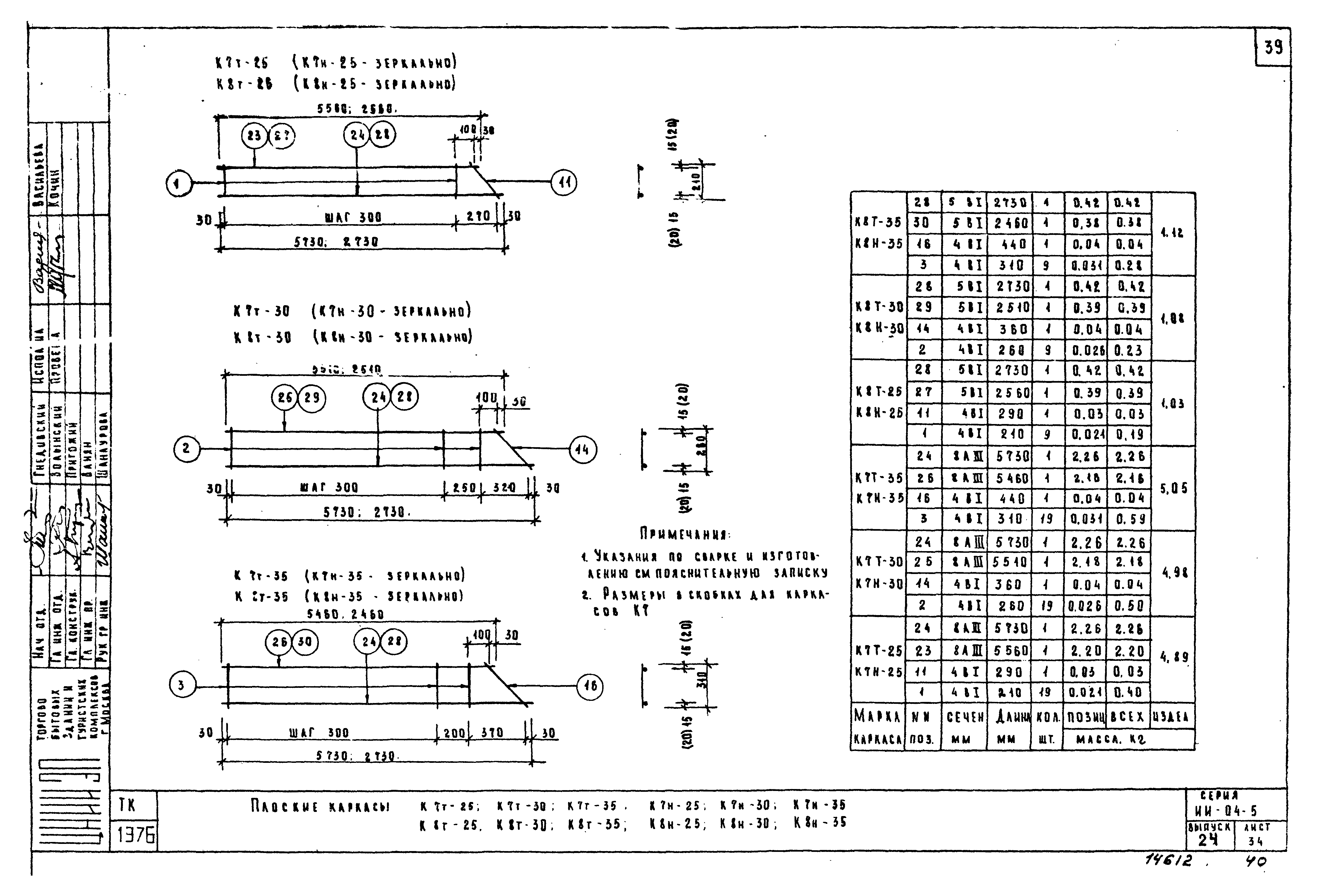
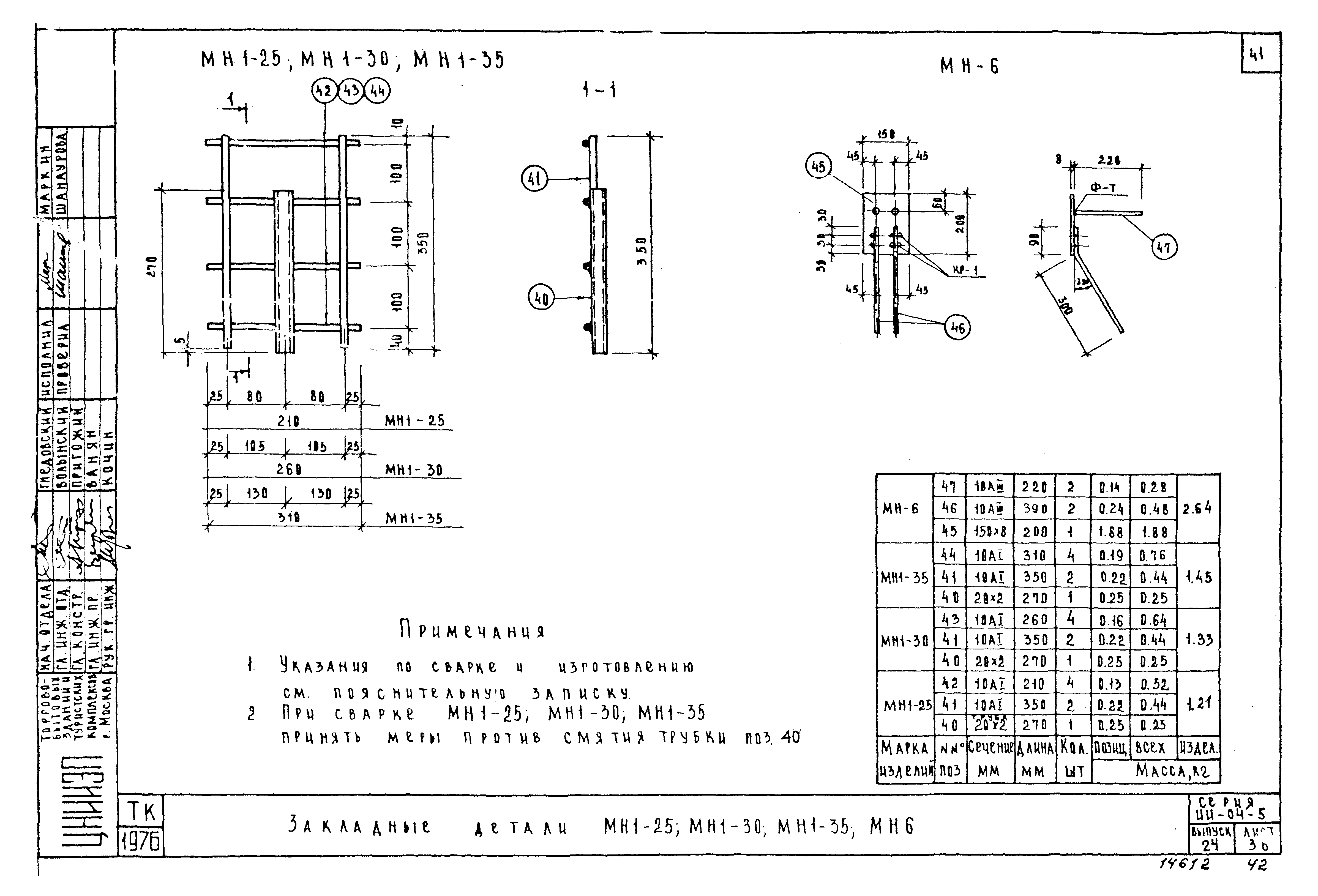
Скачать Серия ИИ-04-5 Выпуск 24. Стеновые панели из легких ячеистых бетонов для зданий с высотой этажа 2,8 м. Арматурные изделия и закладные детали. Рабочие чертежиДата актуализации: 01.01.2021 Серия ИИ-04-5
Выпуск 24. Стеновые панели из легких ячеистых бетонов для зданий с высотой этажа 2,8 м. Арматурные изделия и закладные детали. Рабочие чертежи| Обозначение: | Серия ИИ-04-5 | | Обозначение англ: | Series ИИ-04-5 | | Статус: | не действует | | Название рус.: | Выпуск 24. Стеновые панели из легких ячеистых бетонов для зданий с высотой этажа 2,8 м. Арматурные изделия и закладные детали. Рабочие чертежи | | Дата добавления в базу: | 01.09.2013 | | Дата актуализации: | 01.01.2021 | | Дата введения: | 01.10.1977 | | Дата окончания срока действия: | 01.04.1982 | | Разработан: | ЦНИИЭП торгово-бытовых зданий и туристских комплексов
| | Утверждён: | 19.06.1977 Государственный комитет по гражданскому строительству и архитектуре при Госстрое СССР (165)
| | Чем заменён: | |
                                              
|