Скачать Типовой проект 416-7-134 Альбом VII. Задание заводу изготовителю щитовДата актуализации: 01.01.2021
|
| Обозначение: | Типовой проект 416-7-134 |
| Обозначение англ: | 416-7-134 |
| Статус: | действует |
| Название рус.: | Альбом VII. Задание заводу изготовителю щитов |
| Дата добавления в базу: | 01.09.2013 |
| Дата актуализации: | 01.01.2021 |
| Дата введения: | 01.10.1975 |
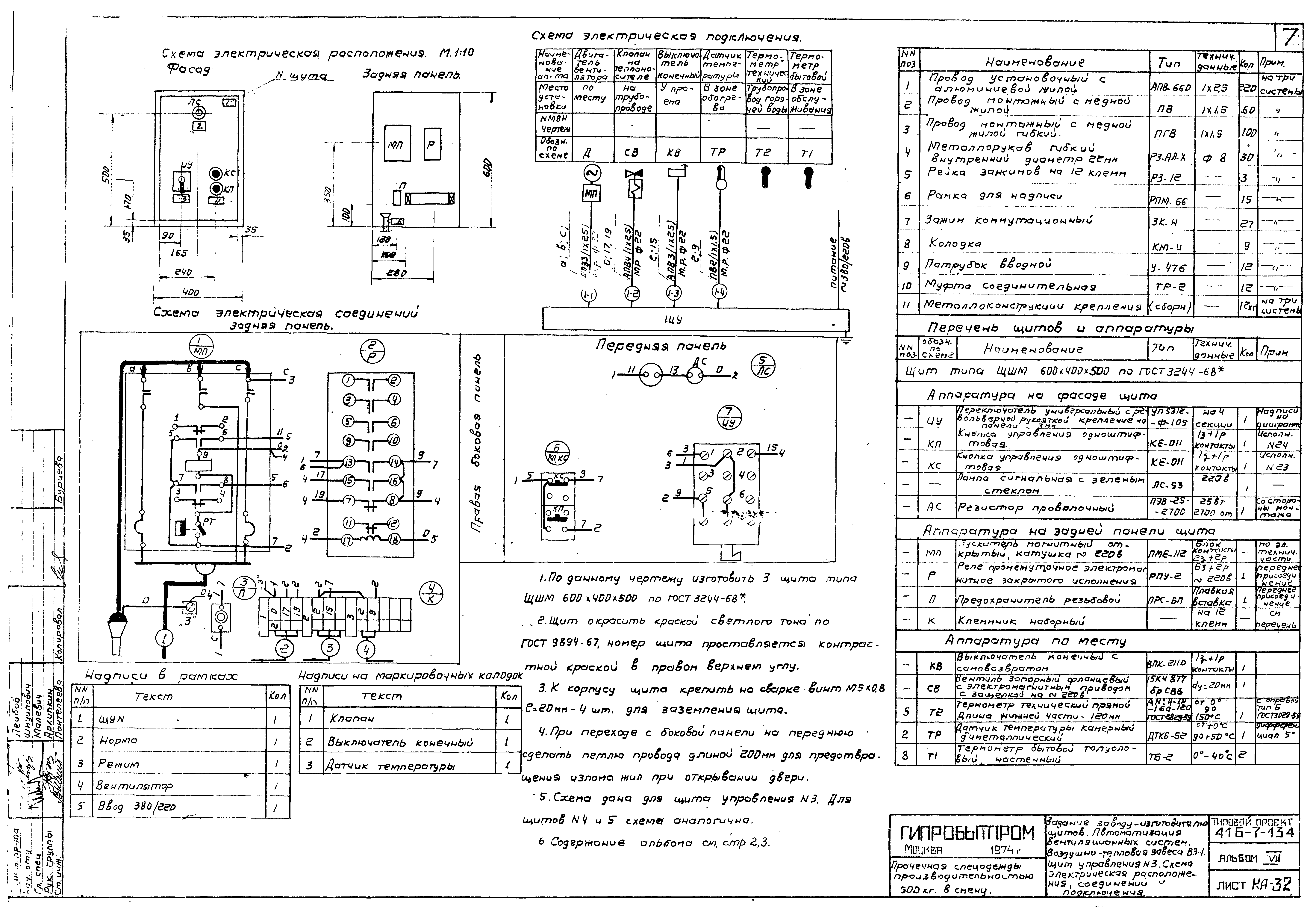
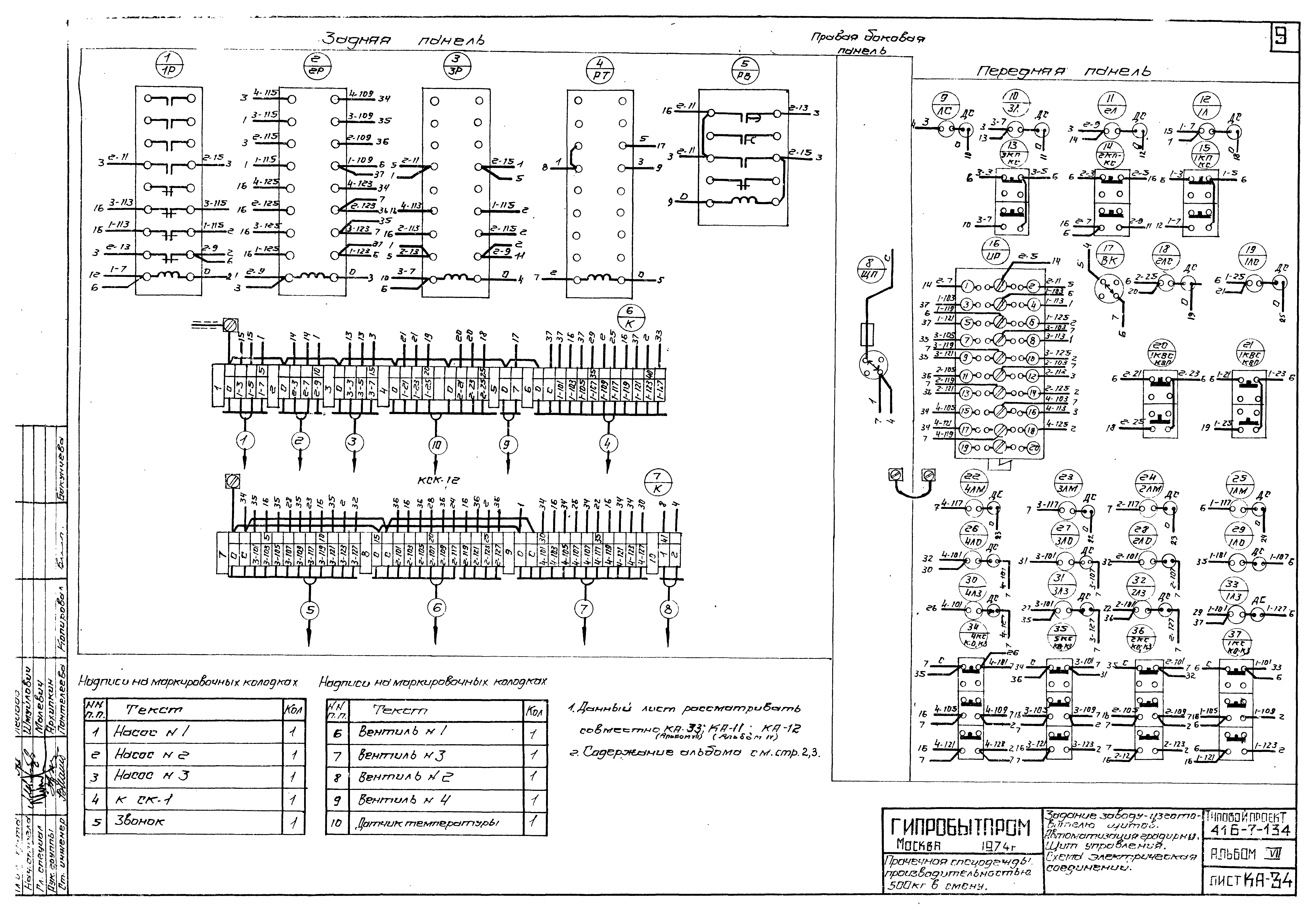
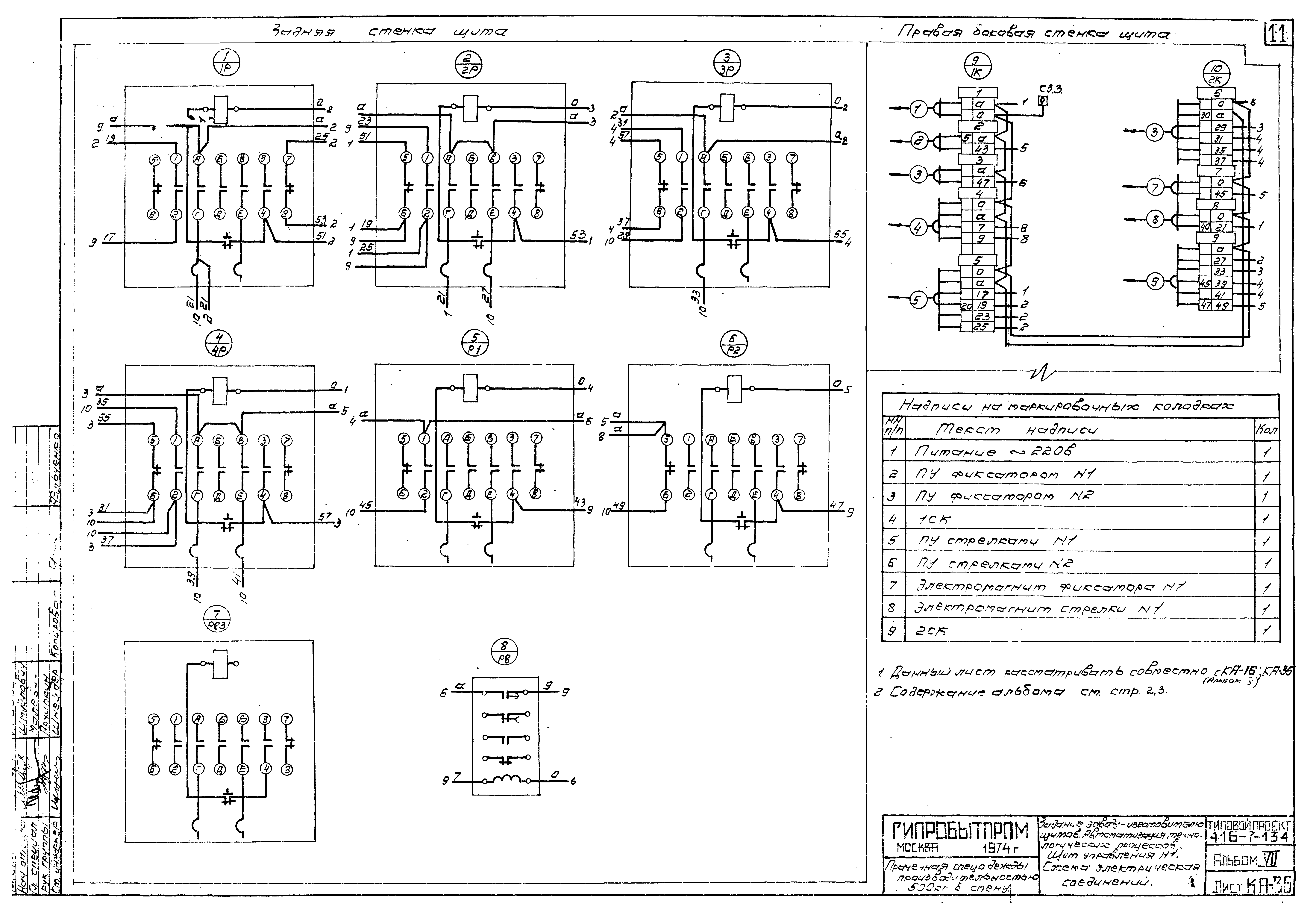
| Оглавление: | 1. Задание заводу-изготовителю щитов. Перечень листов и пояснения 2. Автоматизация вентиляционных систем. Приточная система П1. Щит управления №1. Схема электрическая расположения 3. Автоматизация вентиляционных систем. Приточная система П1. Щит управления №1. Схема электрическая расположения и соединений. Лист 1 4. Автоматизация вентиляционных систем. Приточная система П1. Щит управления №1. Схема электрическая расположения и соединений. Лист 2 5. Автоматизация вентиляционных систем. Воздушно-тепловая завеса ВЗ1. Щит управления №3. Схема электрическая расположения, соединений и подключения 6. Автоматизация градирни. Щит управления. Схема электрическая расположения 7. Автоматизация градирни. Щит управления. Схема электрическая соединений 8. Автоматизация технологических процессов. Щит управления №1. Схема электрическая расположения 9. Автоматизация технологических процессов. Щит управления №1. Схема электрическая соединений 10. Автоматизация технологических процессов. Щит управления №2. Схема электрическая соединений |
| Разработан: | Гипробытпром |
| Утверждён: | 21.04.1975 Министерство бытового обслуживания населения РСФСР (Russian Federation Ministry of Public Consumer Services 135) |












