Скачать Серия 1.133.1-7 Выпуск 2-4. Укрупненные блоки для стен толщиной 500 мм. Рабочие чертежи

Дата актуализации: 01.01.2021

Серия 1.133.1-7

Выпуск 2-4. Укрупненные блоки для стен толщиной 500 мм. Рабочие чертежи

Обозначение: Серия 1.133.1-7
Обозначение англ: Series 1.133.1-7
Статус:не действует
Название рус.:Выпуск 2-4. Укрупненные блоки для стен толщиной 500 мм. Рабочие чертежи
Дата добавления в базу:01.09.2013
Дата актуализации:01.01.2021
Дата введения:15.03.1992
Дата окончания срока действия:01.05.1999
Область применения:Настоящий выпуск содержит технические требования, номенклатуру и сборочные чертежи блоков наружных стен. В настоящем выпуске разработаны блоки простеночные и цокольные и даны пространственные каркасы, плоские каркасы, сетки и закладные изделия к этим блокам
Оглавление:1.133.1-7.2-4-ТТ Технические требования
1.133.1-7.2-4-НИ Номенклатура изделий
1.133.1-7.2-4-РС Ведомость расхода стали, кг
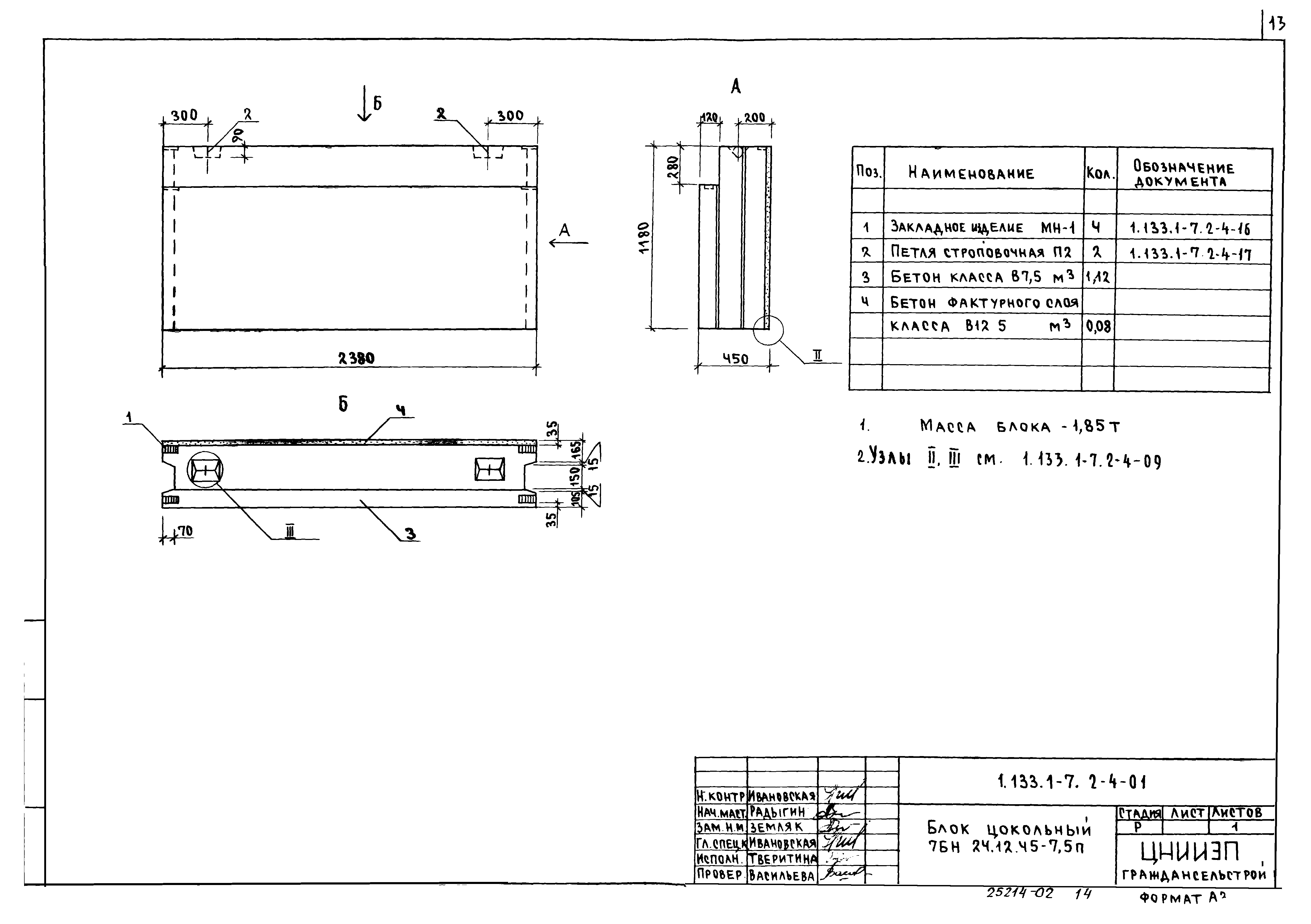
1.133.1-7.2-4-01 Блок цокольный 7БН 24.12.45-7,5П
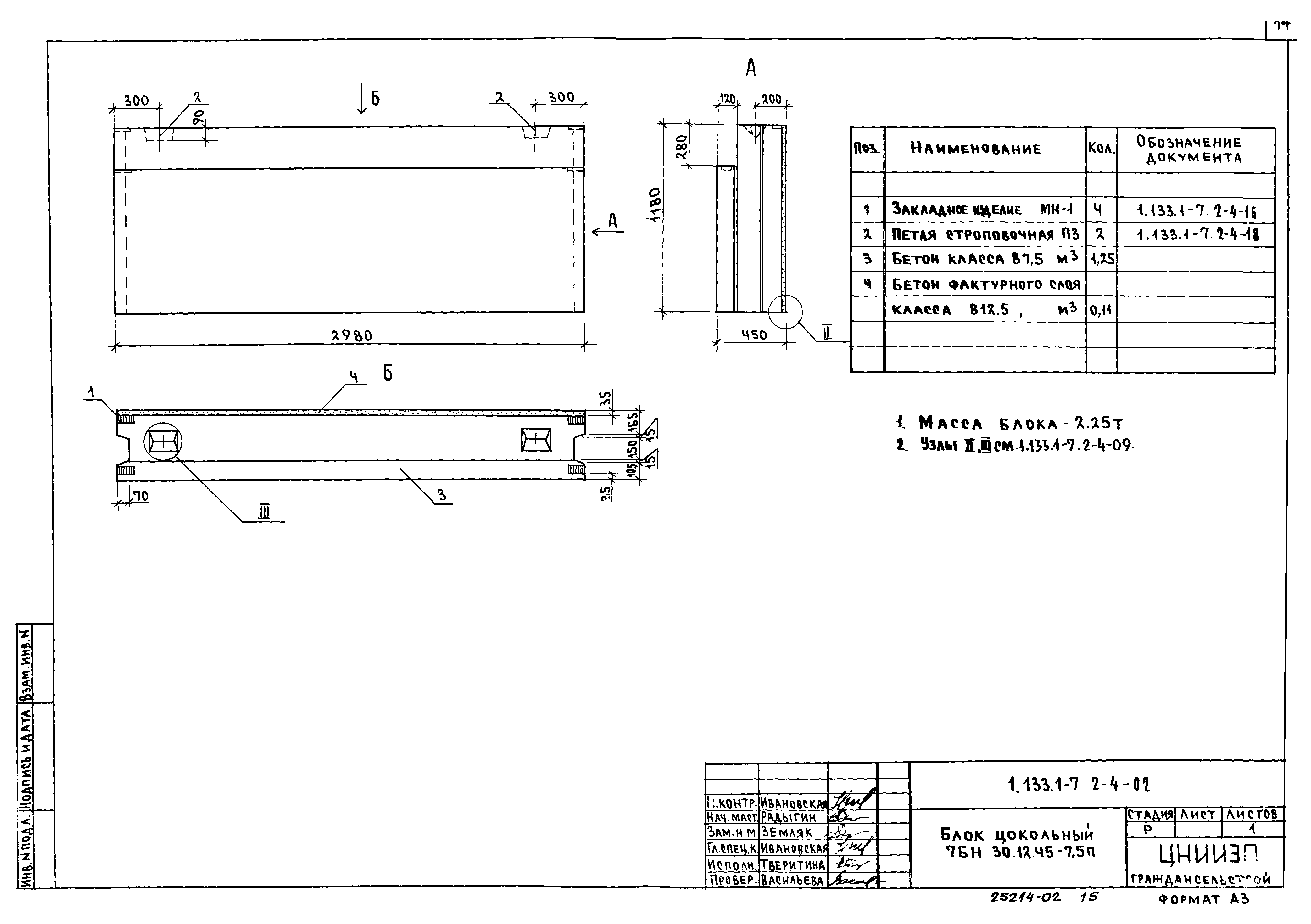
1.133.1-7.2-4-02 Блок цокольный 7БН 30.12.45-7,5П
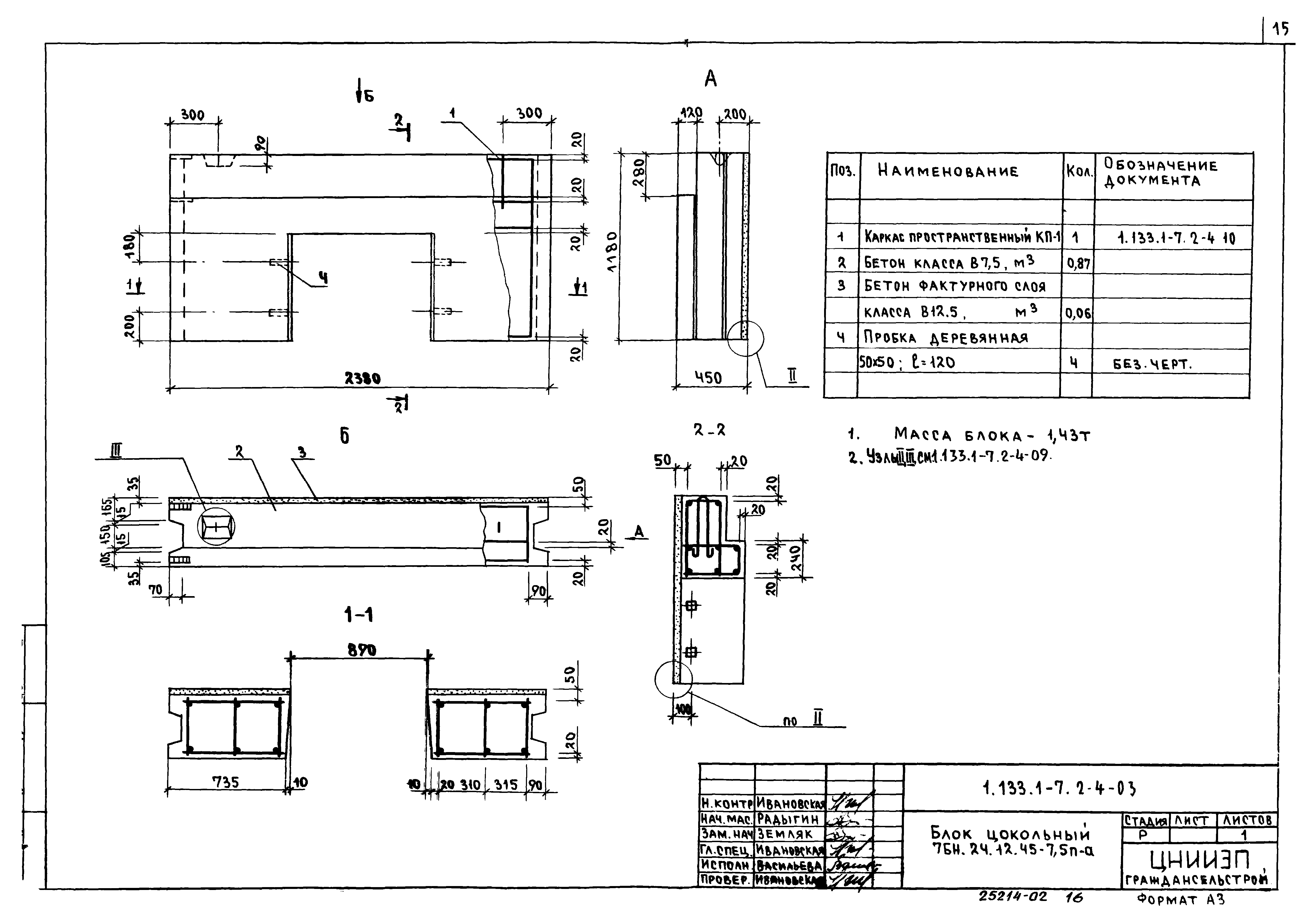
1.133.1-7.2-4-03 Блок цокольный 7БН 24.12.45-7,5П-а
1.133.1-7.2-4-04 Блок цокольный 7БН 24.12.45-7,5П-б
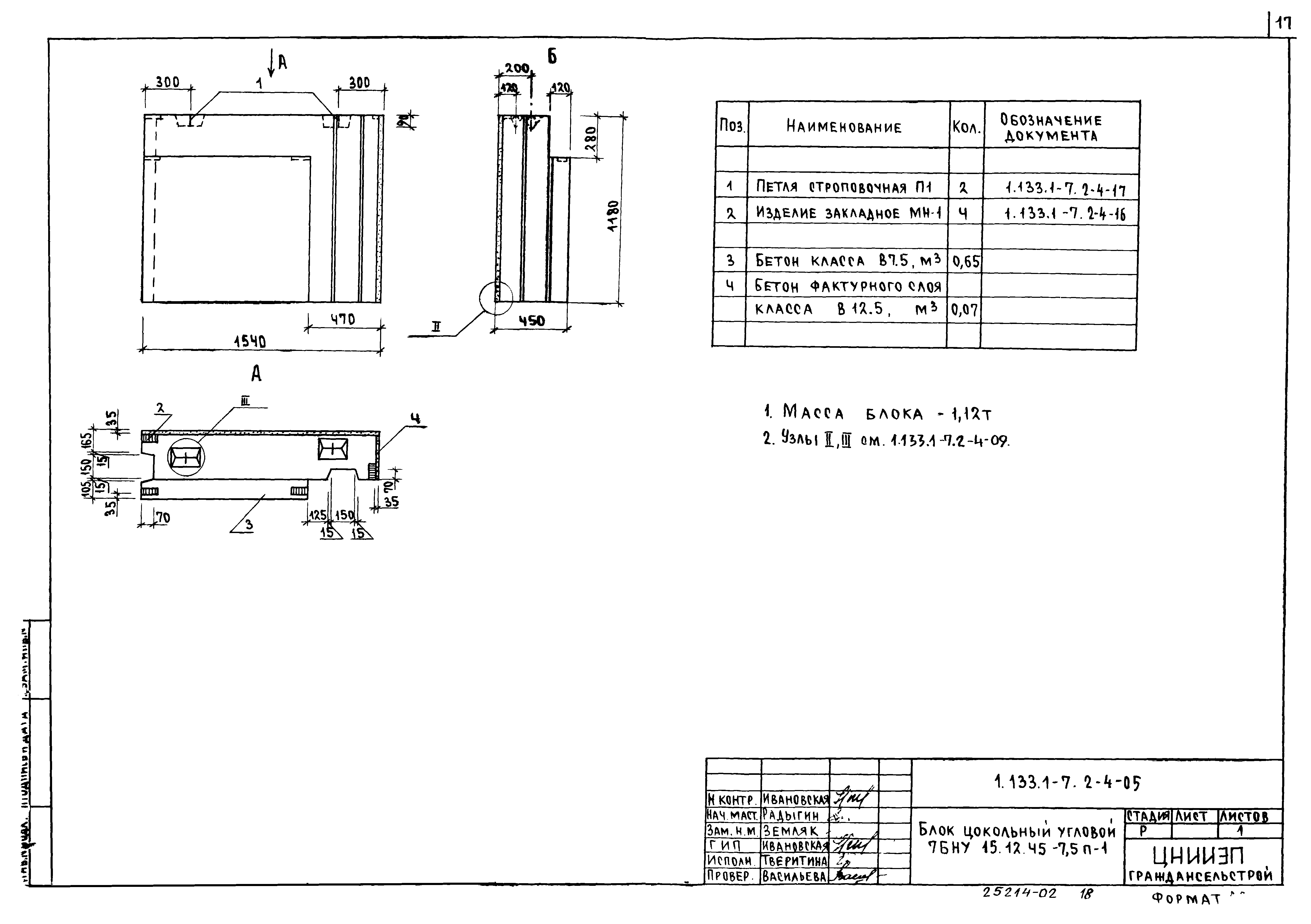
1.133.1-7.2-4-05 Блок цокольный угловой 7БНУ 15.12.45-7,5П-1
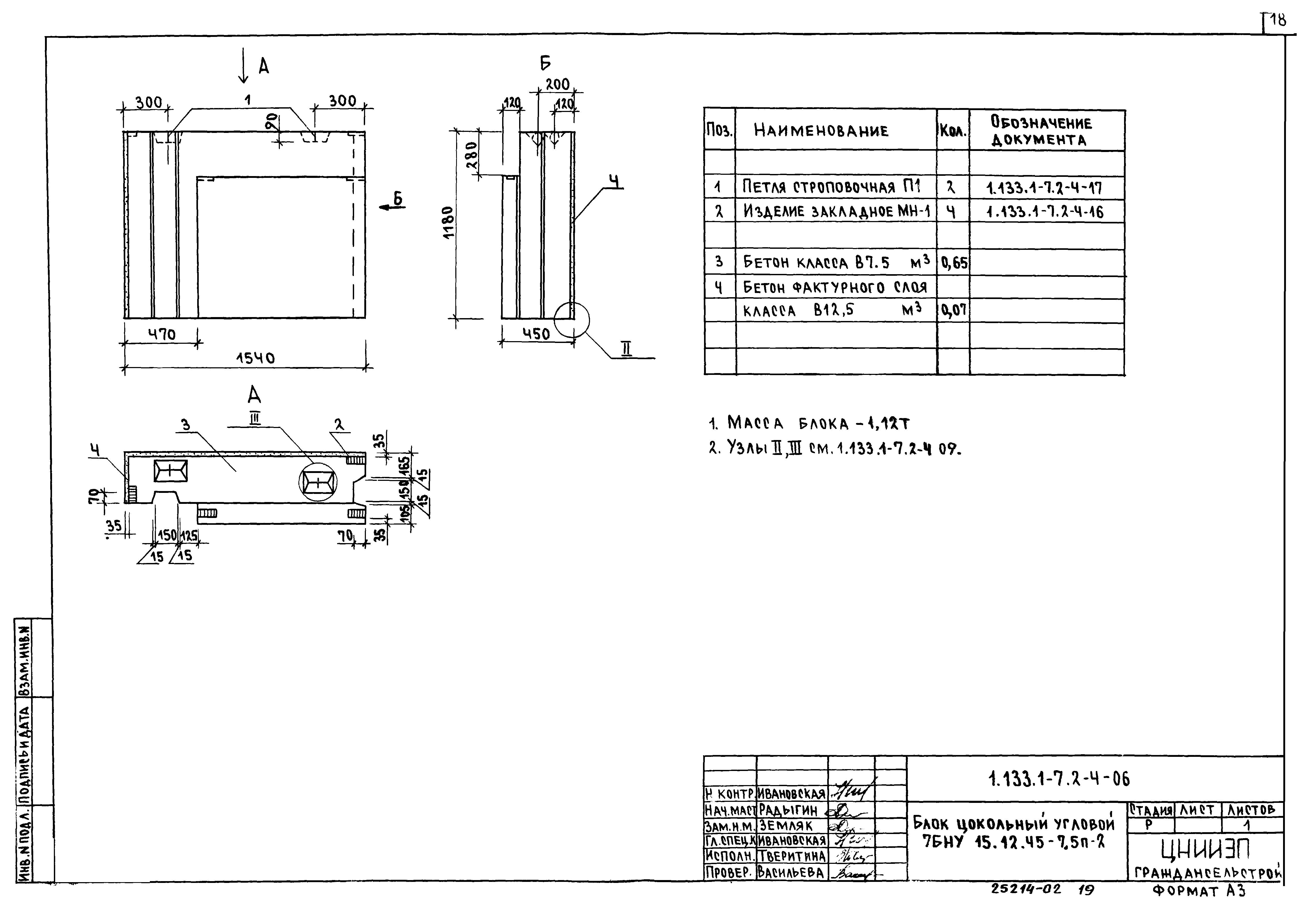
1.133.1-7.2-4-06 Блок цокольный угловой 7БНУ 15.12.45-7,5П-2
1.133.1-7.2-4-07 Блок простеночный 1БН 25.22.50-5П
1.133.1-7.2-4-08 Блок простеночный 1БН 31.22.50-5П
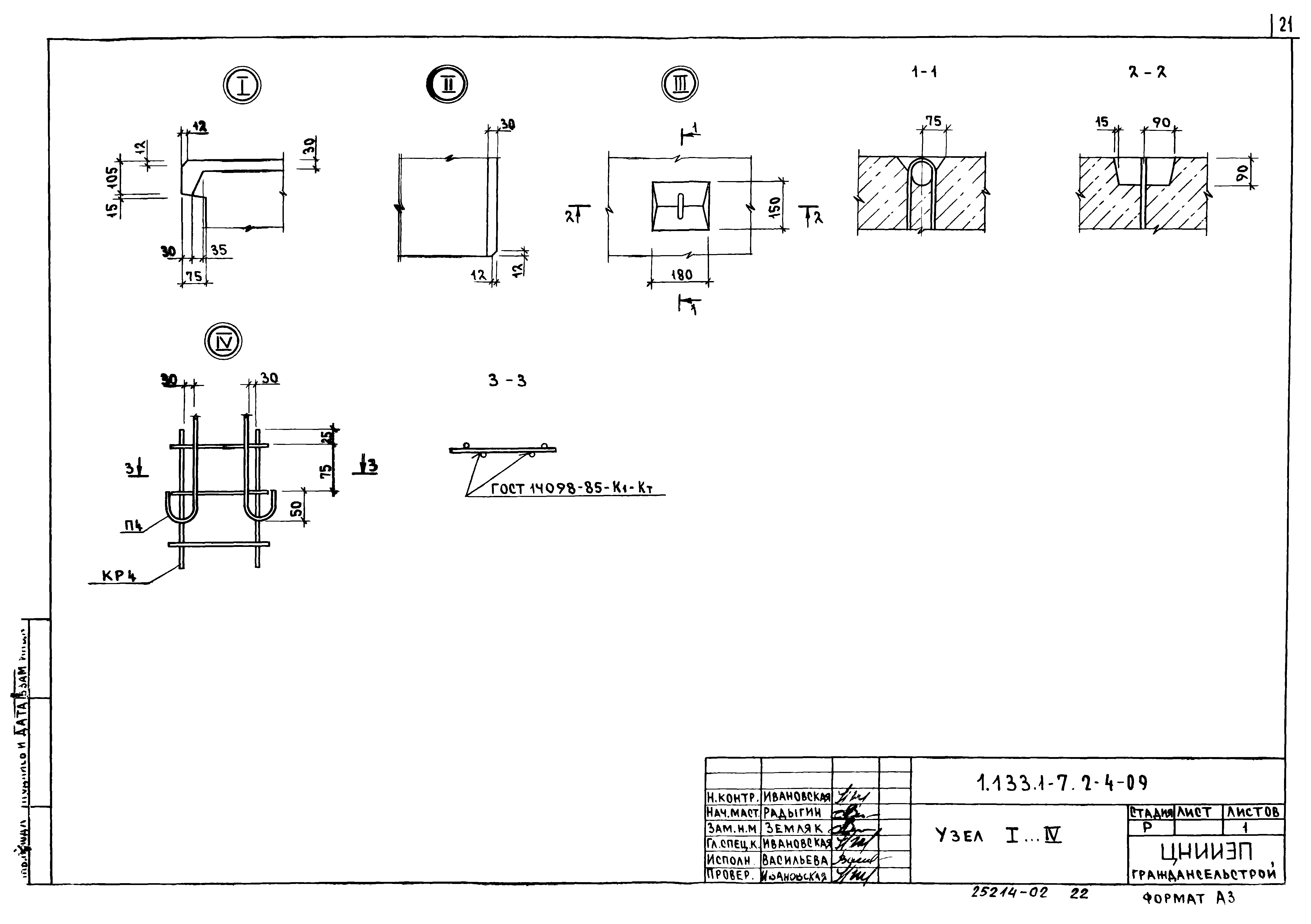
1.133.1-7.2-4-09 Узел I - IV
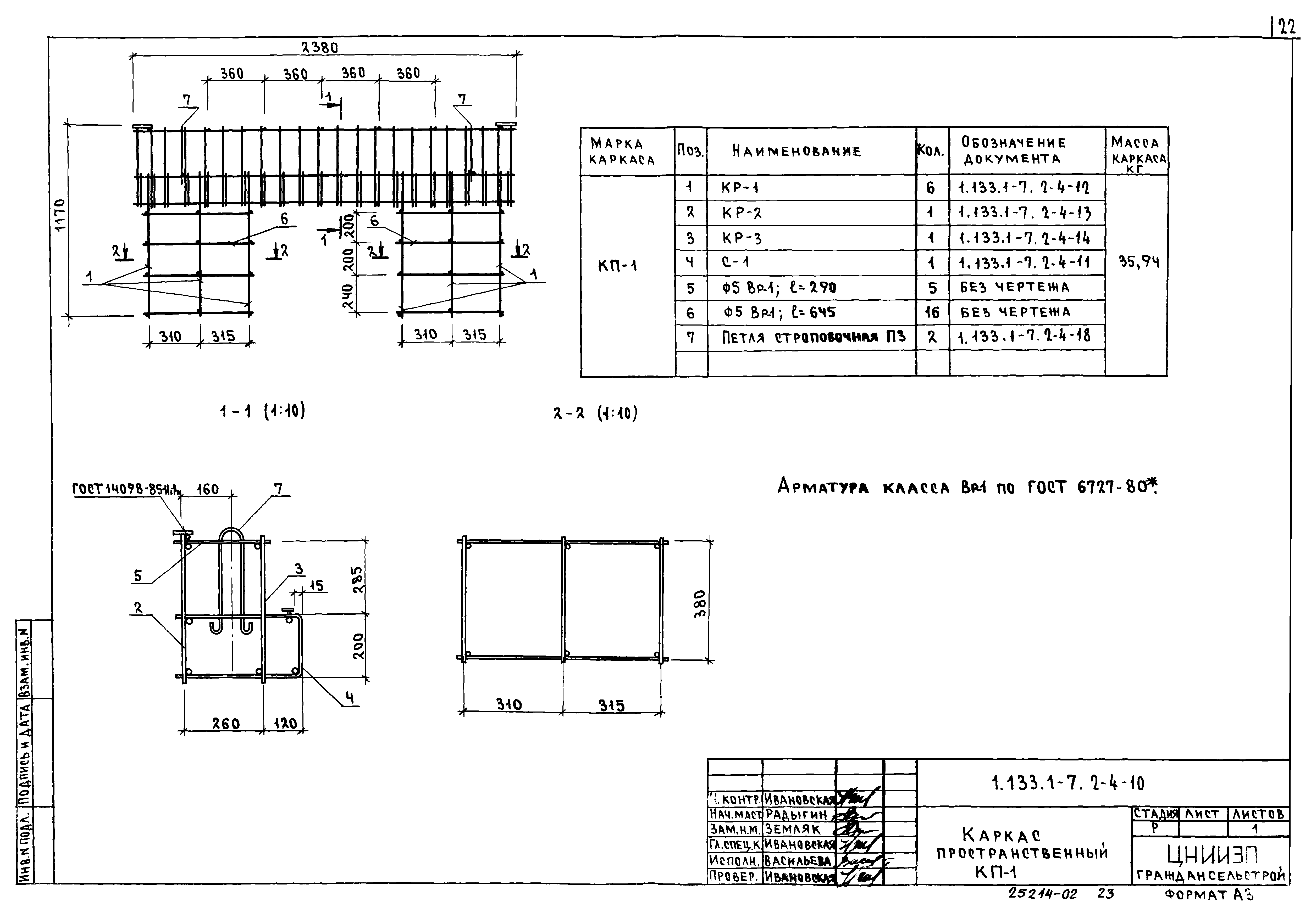
1.133.1-7.2-4-10 Каркас пространственный КП-1
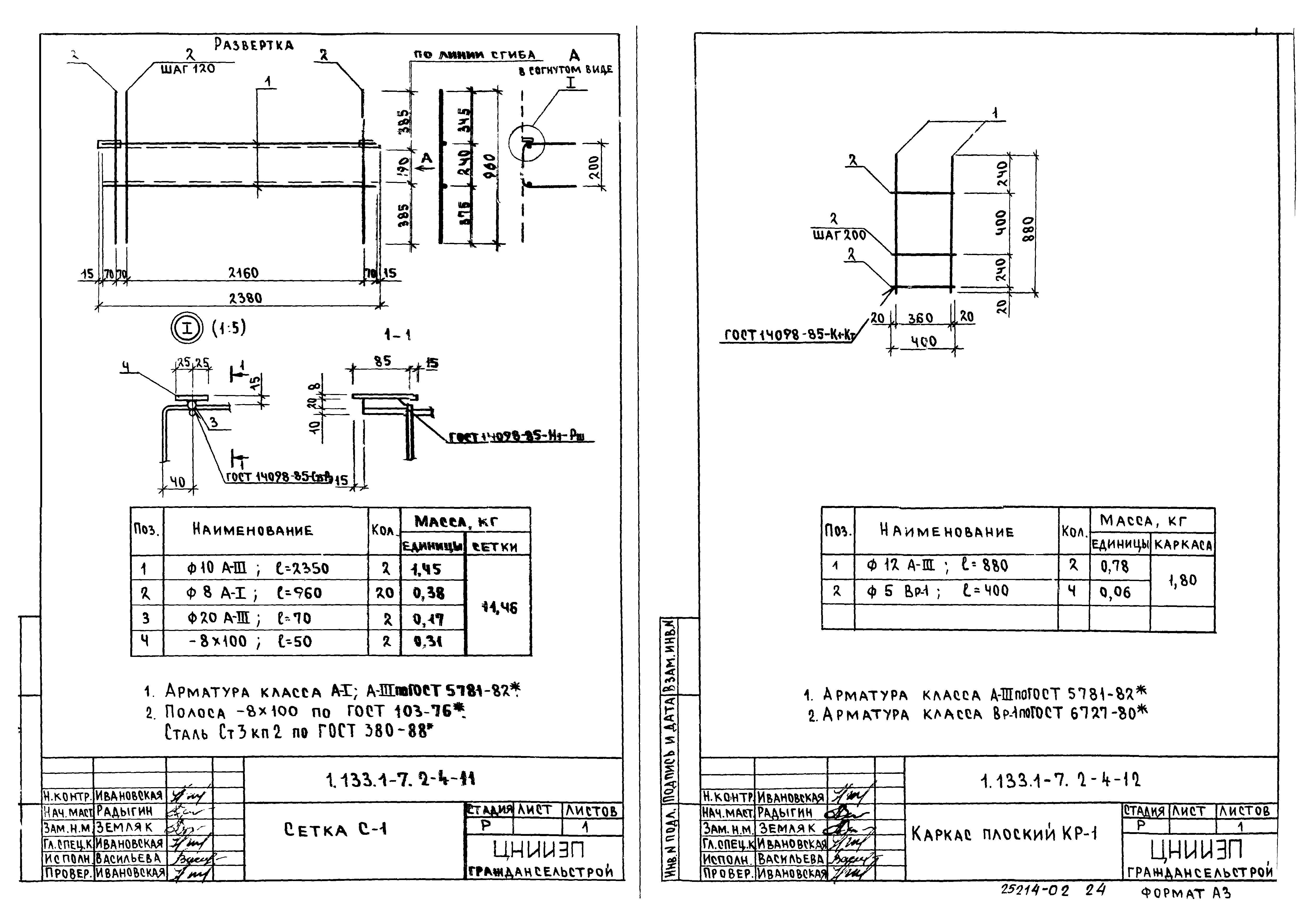
1.133.1-7.2-4-11 Сетка С-1
1.133.1-7.2-4-12 Каркас плоский КР-1
1.133.1-7.2-4-13 Каркас плоский КР-2
1.133.1-7.2-4-14 Каркас плоский КР-3
1.133.1-7.2-4-15 Каркас плоский КР-4
1.133.1-7.2-4-16 Изделие закладное МН-1
1.133.1-7.2-4-17 Петля строповочная П1, П2
1.133.1-7.2-4-18 Петля строповочная П3, П4
Разработан: ЦНИИЭП граждансельстрой
Утверждён:08.10.1991 Госкомархитектура (136)
Нормативные ссылки:
Серия 1.133.1-7Серия 1.133.1-7Серия 1.133.1-7Серия 1.133.1-7Серия 1.133.1-7Серия 1.133.1-7Серия 1.133.1-7Серия 1.133.1-7Серия 1.133.1-7Серия 1.133.1-7Серия 1.133.1-7Серия 1.133.1-7Серия 1.133.1-7Серия 1.133.1-7Серия 1.133.1-7Серия 1.133.1-7Серия 1.133.1-7Серия 1.133.1-7Серия 1.133.1-7Серия 1.133.1-7Серия 1.133.1-7Серия 1.133.1-7Серия 1.133.1-7Серия 1.133.1-7Серия 1.133.1-7Серия 1.133.1-7Серия 1.133.1-7Серия 1.133.1-7