Скачать Серия 1.133-1 Выпуск 2. Стеновые легкобетонные блоки толщиной 50 см для жилых зданий высотой 5 - 9 этажейДата актуализации: 01.01.2021
|
| Обозначение: | Серия 1.133-1 |
| Обозначение англ: | Series 1.133-1 |
| Статус: | заменен |
| Название рус.: | Выпуск 2. Стеновые легкобетонные блоки толщиной 50 см для жилых зданий высотой 5 - 9 этажей |
| Дата добавления в базу: | 01.09.2013 |
| Дата актуализации: | 01.01.2021 |
| Дата введения: | 15.11.1971 |
| Дата окончания срока действия: | 01.11.1981 |
| Область применения: | В альбом включены рабочие чертежи крупных блоков наружных стен толщиной 50 см, предназначенные для изготовления этих блоков предприятиями строительной промышленности и применения в строительстве 5-9-этажных жилых зданий |
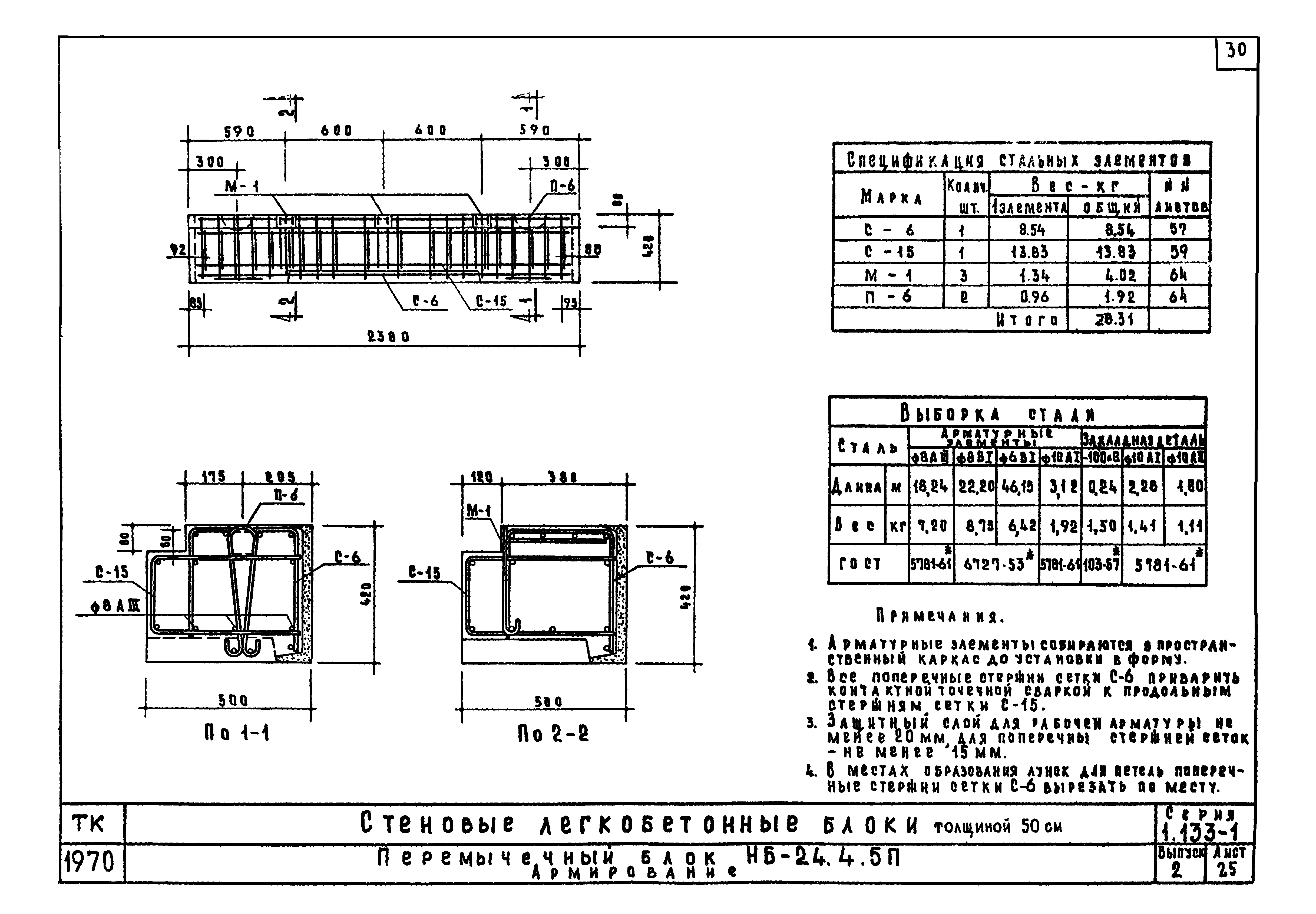
| Оглавление: | Содержание Пояснительная записка Простеночный блок НБ-9.22.5-1 (НБ-9.22.5-2) Простеночный блок НБ-12.22.5-1 (НБ-12.22.5-2) Простеночный блок НБ-12.22.5-5 (НБ-12.22.5-6) Простеночный блок НБ-15.22.5-1 (НБ-15.22.5-2) Простеночный блок НБ-15.22.5-3 (НБ-15.22.5-4) Простеночный блок НБ-15.22.5-5 (НБ-15.22.5-6) Простеночный блок НБ-18.22.5-1 (НБ-18.22.5-2) Простеночный блок НБ-18.22.5-5 (НБ-18.22.5-6) Простеночный блок угловой НБУ-7.22.5-1 Простеночный блок угловой НБУ-11.22.5-1 (НБУ-11.22.5-2) Простеночный блок угловой НБУ-16.22.5-1 (НБУ-16.22.5-2) Простеночный блок температурного шва НБУ-7/7.22.5-3 (НБУ-7/7.22.5-4) Простеночный блок температурного шва НБУ-9/7.22.5-3 (НБУ-9/7.22.5-4) Перемычечный блок НБ-24.6.5П Перемычечный блок НБ-24.6.5П. Армирование Перемычечный блок НБ-27.6.5П Перемычечный блок НБ-27.6.5П. Армирование Перемычечный блок НБ-30.6.5П Перемычечный блок НБ-30.6.5П. Армирование Перемычечный блок НБ-33.6.5П Перемычечный блок НБ-33.6.5П. Армирование Перемычечный блок НБ-36.6.5П Перемычечный блок НБ-36.6.5П. Армирование Перемычечный блок НБ-24.4.5П Перемычечный блок НБ-24.4.5П. Армирование Перемычечный блок НБ-27.4.5П Перемычечный блок НБ-27.4.5П. Армирование Перемычечный блок НБ-33.4.5П Перемычечный блок НБ-33.4.5П. Армирование Перемычечный блок НБ-36.4.5Пл Перемычечный блок НБ-36.4.5Пл. Армирование Перемычечный блок НБ-36.4.5П Перемычечный блок НБ-36.4.5П. Армирование Поясной блок НБ-21.6.5 Поясной блок НБ-21.6.5. Армирование Поясной блок угловой НБУ-13.6.5Л Поясной блок угловой НБУ-13.6.5 Поясные блоки угловые НБУ-13.6.5Л; НБУ-13.6.5. Армирование Поясной блок угловой НБУ-29.6.5Л Поясной блок угловой НБУ-29.6.5Л. Армирование Поясной блок угловой НБУ-29.6.5 Поясной блок угловой НБУ-29.6.5. Армирование Подоконный блок НБО-12.8.4 Подоконный блок НБО-12.11.5 Подоконный блок НБО-15.11.4 Подоконный блок НБД-12.8.4 Парапетный блок НБП-18.12.5 Парапетный блок НБП-24.12.5 Парапетный блок угловой НБПУ-16.12.5Л Парапетный блок угловой НБПУ-16.12.5 Детали устройства шпонки Детали Схема опирания и загружения при испытании. Контрольные нагрузки для перемычечных блоков НБ-24.6.5П, НБ-27.6.5-П, НБ-30.6.5П, НБ-33.6.5П, НБ-36.6.5П Схема опирания и загружения при испытании. Контрольные нагрузки для перемычечных блоков НБ-24.4.5П, НБ-27.4.5-П, НБ-33.4.5П, НБ-36.4.5Пл, НБ-36.4.5П Сварные сетки С-1, С-2, С-3 Сварные сетки С-4, С-5 Сварные сетки С-6, С-7, С-8, С-9 Сварные сетки С-10, С-11, С-12 Сварные сетки С-13, С-14, С-15 Сварные сетки С-16, С-17, С-18 Сварные сетки С-19, С-20Л, С-20 Сварные сетки С-21, С-22Л, С-22 Сварные сетки С-23Л, С-23, С-24Л, С-24 Закладные детали М-1; М-2. Петли П-1 - П-10 Конструкция простеночных блоков при применении подкосов во время монтажа стен Конструкция простеночных блоков угловых при применении подкосов во время монтажа стен Петли П1-5, П2-5, П3-5, П1-5а, П1-5б, П2-5а, П3-5а |
| Разработан: | ЦНИИСК им. В.А. Кучеренко ЦНИИЭП жилища |
| Утверждён: | 06.10.1971 Государственный комитет по гражданскому строительству и архитектуре при Госстрое СССР (178) |
| Чем заменён: | |
| Нормативные ссылки: |
|









































































