Скачать Серия 7.906.9-2 Выпуск 2. Теплоизоляционные конструкции арматуры. Рабочие чертежиДата актуализации: 01.01.2021
|
| Обозначение: | Серия 7.906.9-2 |
| Обозначение англ: | Series 7.906.9-2 |
| Статус: | не действует |
| Название рус.: | Выпуск 2. Теплоизоляционные конструкции арматуры. Рабочие чертежи |
| Дата добавления в базу: | 01.09.2013 |
| Дата актуализации: | 01.01.2021 |
| Дата введения: | 01.03.1987 |
| Дата окончания срока действия: | 01.01.2001 |
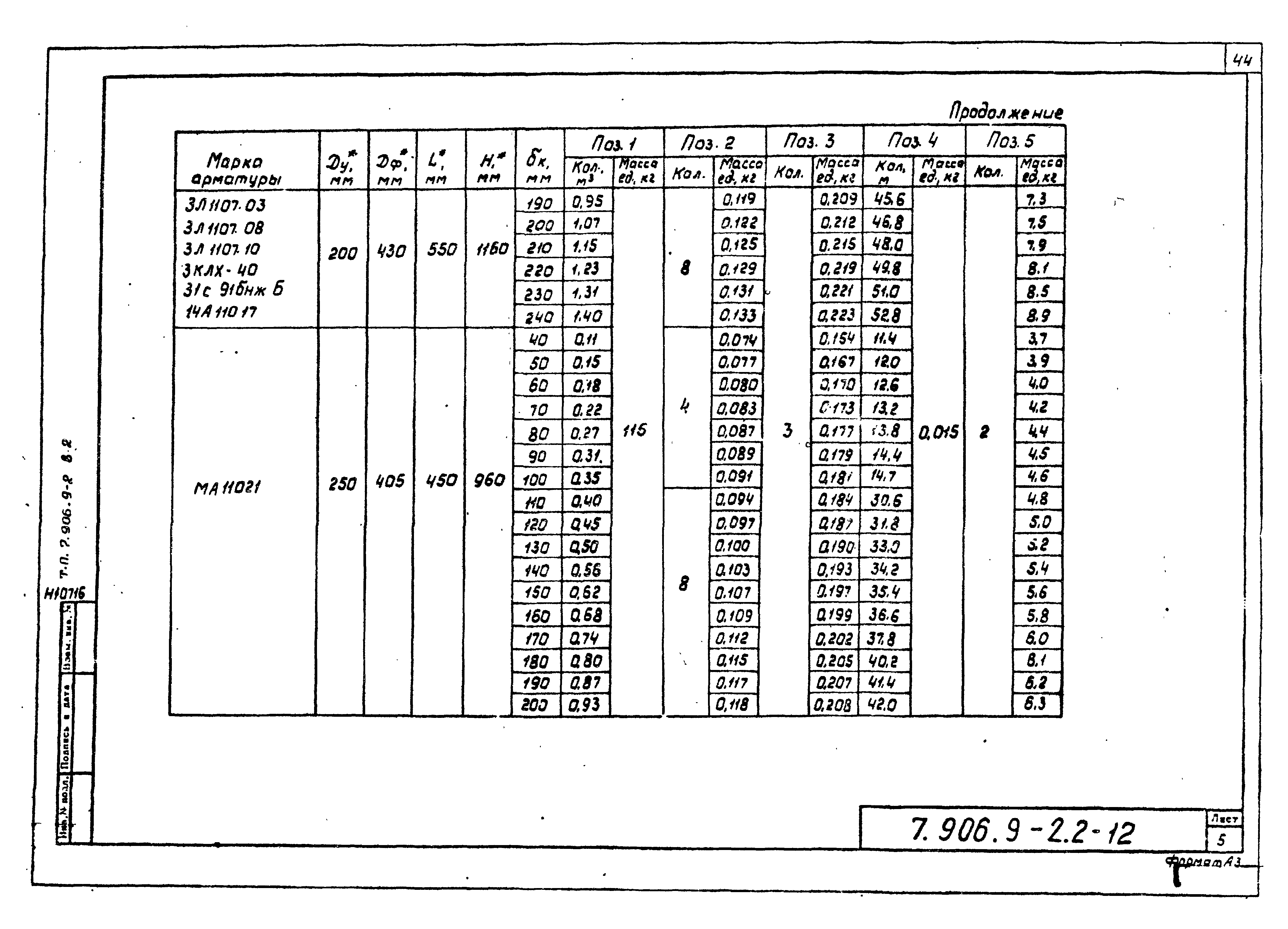
| Оглавление: | Титульный лист 7.906.9-2.2-00С Содержание 7.906.9-2.2-00ТО Техническое описание 7.906.9-2.2-01 Тепловая изоляция фланцевого соединения Dy 15 - 1400 мм. Съемная 7.906.9-2.2-02 Тепловая изоляция фланцевого соединения Dy 15 - 1400 мм. Несъемная 7.906.9-2.2-03 Элемент кожуха 7.906.9-2.2-04 Тепловая изоляция арматуры муфтовой несоосной Dy 10 - 20 мм. Съемная 7.906.9-2.2-05 Тепловая изоляция арматуры муфтовой несоосной Dy 10 - 20 мм. Несъемная 7.906.9-2.2-06 Элемент кожуха 7.906.9-2.2-07 Тепловая изоляция арматуры муфтовой угловой Dy 10 - 25 мм. Съемная 7.906.9-2.2-08 Тепловая изоляция арматуры муфтовой угловой Dy 10 - 25 мм. Несъемная 7.906.9-2.2-09 Тепловая изоляция арматуры Dy 20 - 50 мм. Съемная 7.906.9-2.2-10 Тепловая изоляция арматуры Dy 20 - 50 мм. Несъемная 7.906.9-2.2-11 Элемент кожуха 7.906.9-2.2-12 Тепловая изоляция арматуры Dy 80 - 600 мм. Съемная 7.906.9-2.2-13 Тепловая изоляция арматуры Dy 80 - 600 мм. Несъемная 7.906.9-2.2-14 Элемент кожуха 7.906.9-2.2-15 Тепловая изоляция арматуры несоосной Dy 25 - 200 мм. Съемная 7.906.9-2.2-16 Тепловая изоляция арматуры несоосной Dy 25 - 200 мм. Несъемная 7.906.9-2.2-17 Элемент кожуха 7.906.9-2.2-18 Элемент кожуха 7.906.9-2.2-19 Тепловая изоляция арматуры угловой Dy 15 - 200 мм. Съемная 7.906.9-2.2-20 Тепловая изоляция арматуры угловой Dy 15 - 200 мм. Несъемная 7.906.9-2.2-21 Элемент кожуха 7.906.9-2.2-22 Тепловая изоляция арматуры Dy 80 - 250 мм полуфутлярами 7.906.9-2.2-23 Полуфутляр тип I, II 7.906.9-2.2-24 Полуфутляр тип III, IV 7.906.9-2.2-25 Полукожух тип I 7.906.9-2.2-26 Полукожух тип II 7.906.9-2.2-27 Полукожух тип III 7.906.9-2.2-28 Полукожух тип IV 7.906.9-2.2-29 Матрац 7.906.9-2.2-30 Матрац в пленке 7.906.9-2.2-31 Бандаж с пряжкой 7.906.9-2.2-32 Бандаж с замком 7.906.9-2.2-33 Отделка торца изоляции |
| Разработан: | ВНИПИТеплопроект |
| Утверждён: | 08.08.1986 Минмонтажспецстрой СССР (USSR Minmontazhspetsstroy ) |
| Заменяет собой: | |
| Чем заменён: |
|






























































































































































