Скачать Серия ИИ-04-1 Выпуск 5п. Часть I. Плиты железобетонные для ленточных фундаментов. Опалубка и армирование. Рабочие чертежиДата актуализации: 01.01.2021
|
| Обозначение: | Серия ИИ-04-1 |
| Обозначение англ: | Series ИИ-04-1 |
| Статус: | заменен |
| Название рус.: | Выпуск 5п. Часть I. Плиты железобетонные для ленточных фундаментов. Опалубка и армирование. Рабочие чертежи |
| Дата добавления в базу: | 01.09.2013 |
| Дата актуализации: | 01.01.2021 |
| Дата введения: | 22.04.1979 |
| Дата окончания срока действия: | 01.04.1986 |
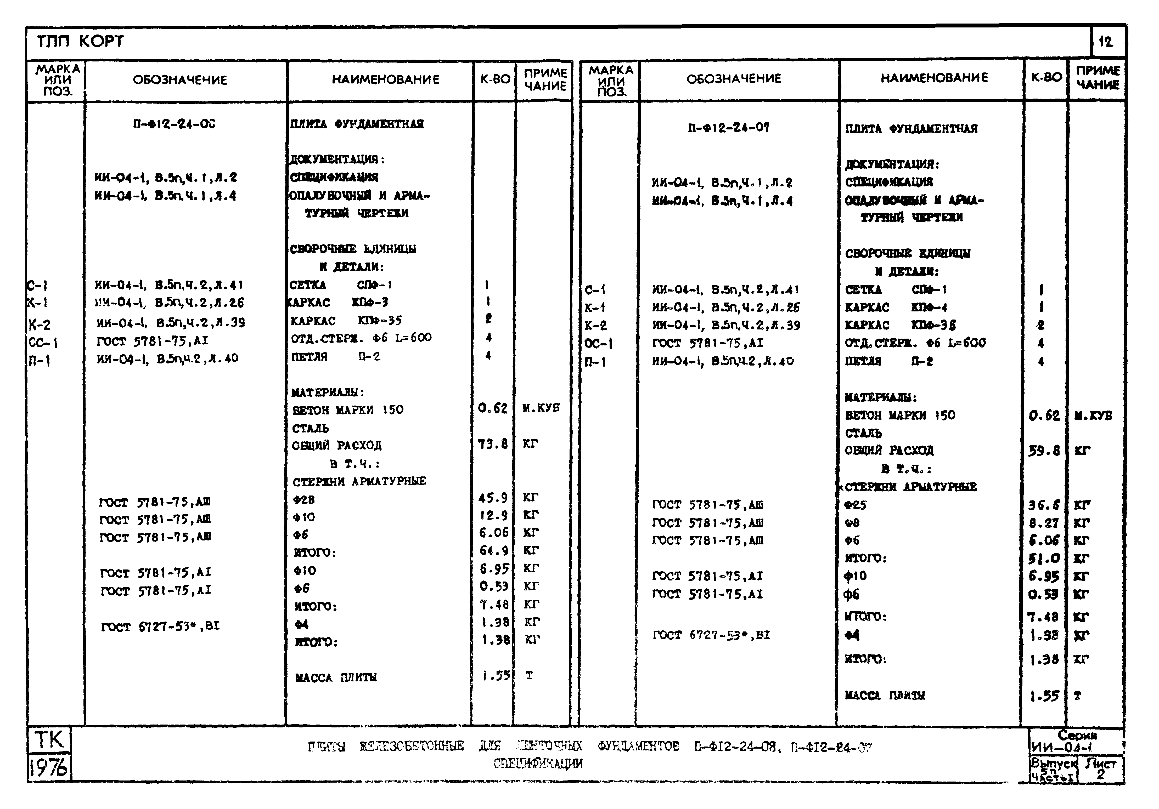
| Оглавление: | Перечень серий и выпусков Содержание выпуска Пояснительная записка Номенклатура Плиты железобетонные для ленточных фундаментов. Таблица максимальных значений вылета консоли Плиты железобетонные для ленточных фундаментов. П-Ф12-24-14, П-Ф12-24-11. Спецификации Плиты железобетонные для ленточных фундаментов. П-Ф12-24-08, П-Ф12-24-07. Спецификации Плита железобетонная для ленточных фундаментов. П-Ф12-24-05. Спецификации Плиты железобетонные для ленточных фундаментов. П-Ф12-24-14, П-Ф12-24-1, П-Ф12-24-08, П-Ф12-24-07, П-Ф12-24-05. Опалубка и армирование Плиты железобетонные для ленточных фундаментов. П-Ф10-24-11, П-Ф10-24-08. Спецификации Плиты железобетонные для ленточных фундаментов. П-Ф10-24-07, П-Ф10-24-05. Спецификации Плита железобетонная для ленточных фундаментов. П-Ф10-24-04. Спецификации Плиты железобетонные для ленточных фундаментов. П-Ф10-24-11, П-Ф10-24-08, П-Ф10-24-07, П-Ф10-24-05, П-Ф10-24-04. Опалубка и армирование Плиты железобетонные для ленточных фундаментов. П-Ф8-24-11, П-Ф8-24-08. Спецификации Плиты железобетонные для ленточных фундаментов. П-Ф8-24-07, П-Ф8-24-05. Спецификации Плита железобетонная для ленточных фундаментов. П-Ф8-24-04. Спецификации Плиты железобетонные для ленточных фундаментов. П-Ф8-24-11, П-Ф8-24-08, П-Ф8-24-07, П-Ф8-24-05, П-Ф8-24-04. Опалубка и армирование Плиты железобетонные для ленточных фундаментов. П-Ф6-24-08, П-Ф6-24-07. Спецификации Плиты железобетонные для ленточных фундаментов. П-Ф6-24-05, П-Ф6-24-04. Спецификации Плита железобетонная для ленточных фундаментов. П-Ф6-24-03. Спецификации Плиты железобетонные для ленточных фундаментов. П-Ф6-24-08, П-Ф6-24-07, П-Ф6-24-05, П-Ф6-24-04, П-Ф6-24-03. Опалубка и армирование Плиты железобетонные для ленточных фундаментов. П-Ф12-12-14, П-Ф12-12-11. Спецификации Плиты железобетонные для ленточных фундаментов. П-Ф12-12-08, П-Ф12-12-07. Спецификации Плита железобетонная для ленточных фундаментов. П-Ф12-12-05. Спецификации Плиты железобетонные для ленточных фундаментов. П-Ф12-12-14, П-Ф12-12-11, П-Ф12-12-08, П-Ф12-12-07, П-Ф12-12-05. Опалубка и армирование Плиты железобетонные для ленточных фундаментов. П-Ф10-12-11, П-Ф10-12-08. Спецификации Плиты железобетонные для ленточных фундаментов. П-Ф10-12-07, П-Ф10-12-05. Спецификации Плита железобетонная для ленточных фундаментов. П-Ф10-12-04. Спецификации Плиты железобетонные для ленточных фундаментов. П-Ф10-12-11, П-Ф10-12-08, П-Ф10-12-07, П-Ф10-12-05, П-Ф10-12-04. Опалубка и армирование Плиты железобетонные для ленточных фундаментов. П-Ф8-12-11, П-Ф8-12-08. Спецификации Плиты железобетонные для ленточных фундаментов. П-Ф8-12-07, П-Ф8-12-05. Спецификации Плита железобетонная для ленточных фундаментов. П-Ф8-12-04. Спецификации Плиты железобетонные для ленточных фундаментов. П-Ф8-12-11, П-Ф8-12-08, П-Ф8-12-07, П-Ф8-12-05, П-Ф8-12-04. Опалубка и армирование Плиты железобетонные для ленточных фундаментов. П-Ф6-12-08, П-Ф6-12-07. Спецификации Плиты железобетонные для ленточных фундаментов. П-Ф6-12-05, П-Ф6-12-04. Спецификации Плита железобетонная для ленточных фундаментов. П-Ф6-12-03. Спецификации Плиты железобетонные для ленточных фундаментов. П-Ф6-12-08, П-Ф6-12-07, П-Ф6-12-05, П-Ф6-12-04, П-Ф6-12-03. Опалубка и армирование |
| Разработан: | КиевЗНИИЭП |
| Утверждён: | 22.04.1979 Государственный комитет по гражданскому строительству и архитектуре при Госстрое СССР (79) |
| Чем заменён: |











































