Скачать Серия ИИ-04-14 Выпуск 4. Узлы, детали и доборные керамзитобетонные панели. Рабочие чертежиДата актуализации: 01.01.2021
|
| Обозначение: | Серия ИИ-04-14 |
| Обозначение англ: | Series ИИ-04-14 |
| Статус: | не действует |
| Название рус.: | Выпуск 4. Узлы, детали и доборные керамзитобетонные панели. Рабочие чертежи |
| Дата добавления в базу: | 01.09.2013 |
| Дата актуализации: | 01.01.2021 |
| Дата введения: | 26.05.1970 |
| Дата окончания срока действия: | 01.04.1982 |
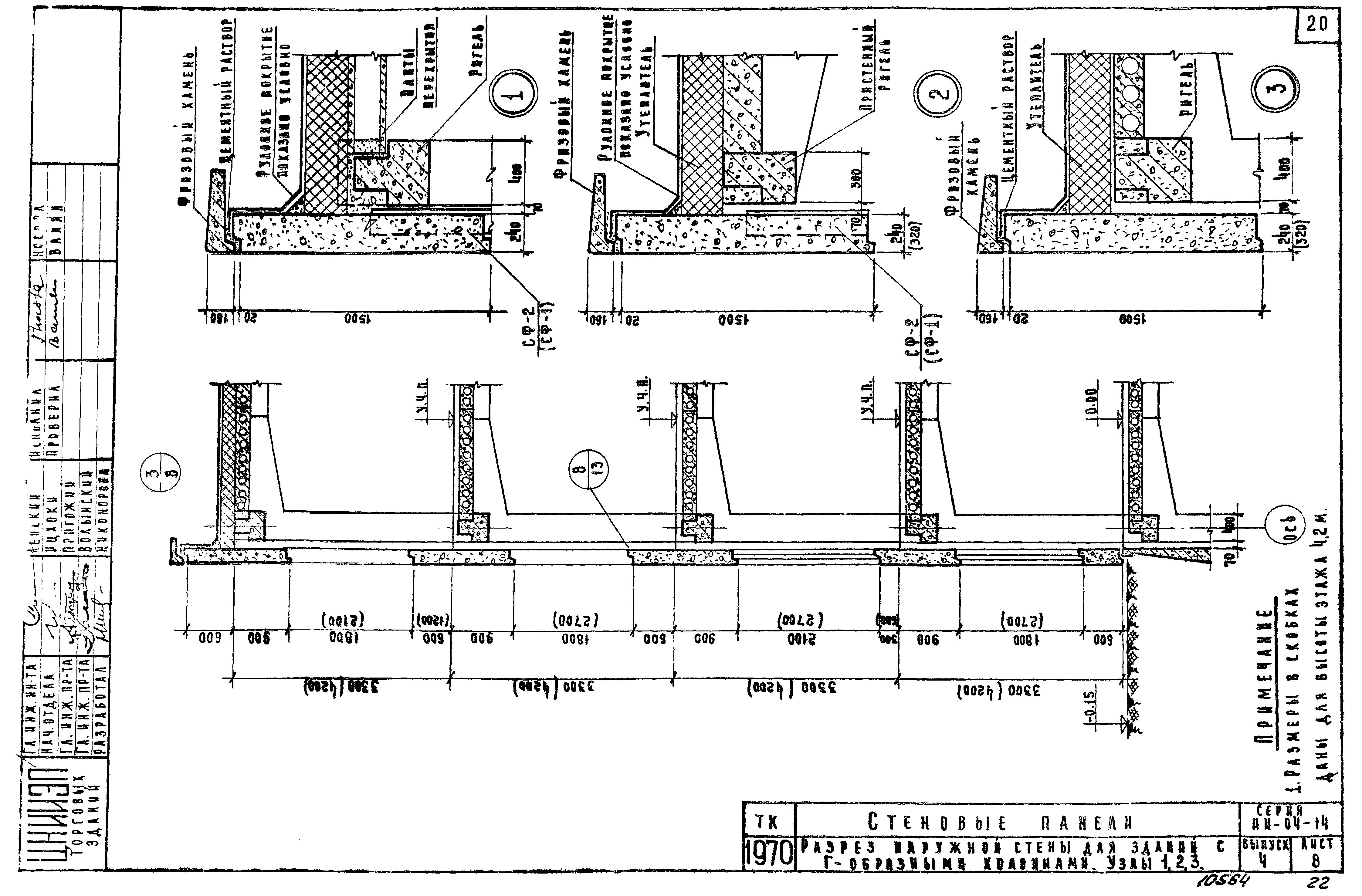
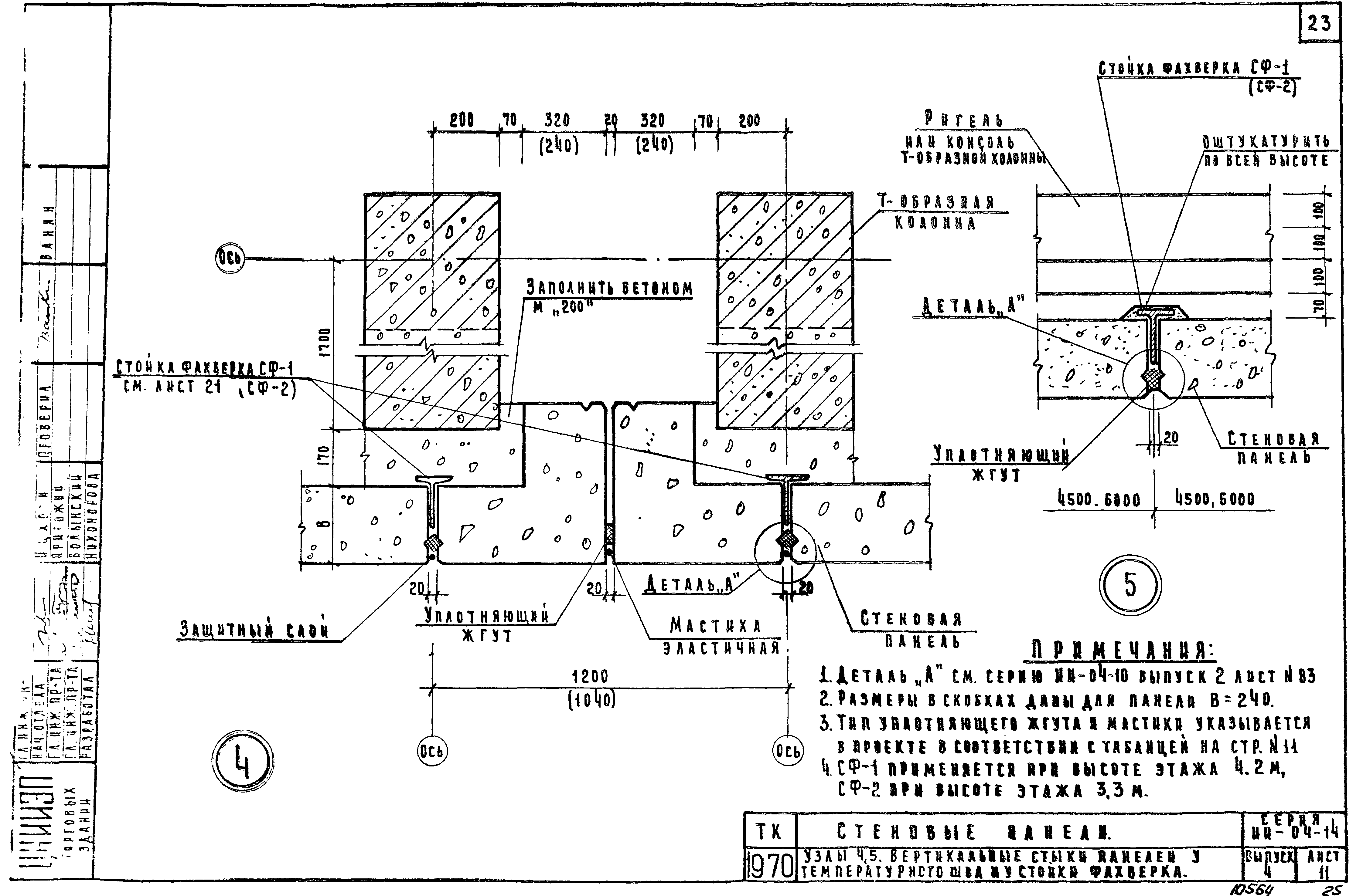
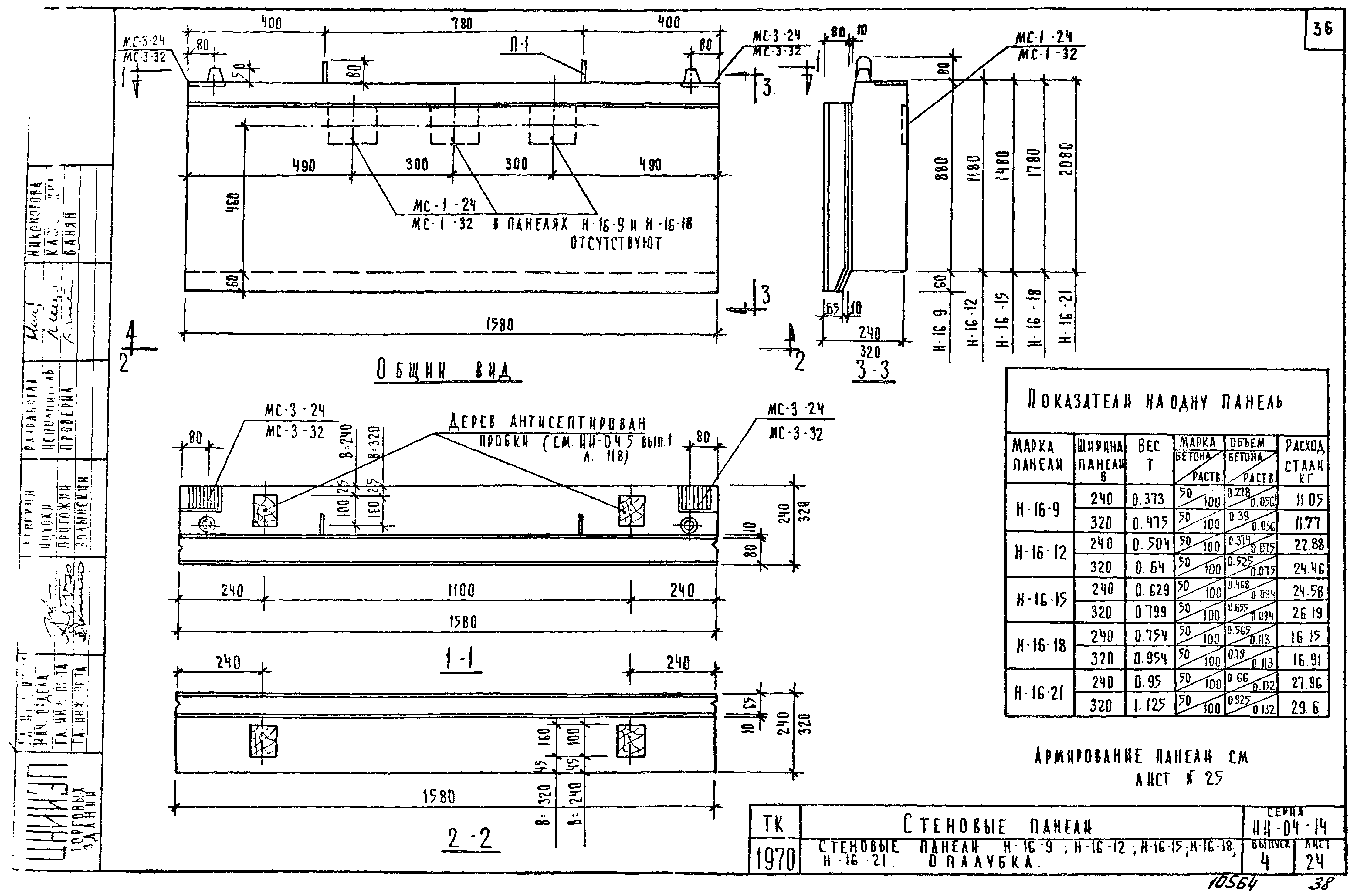
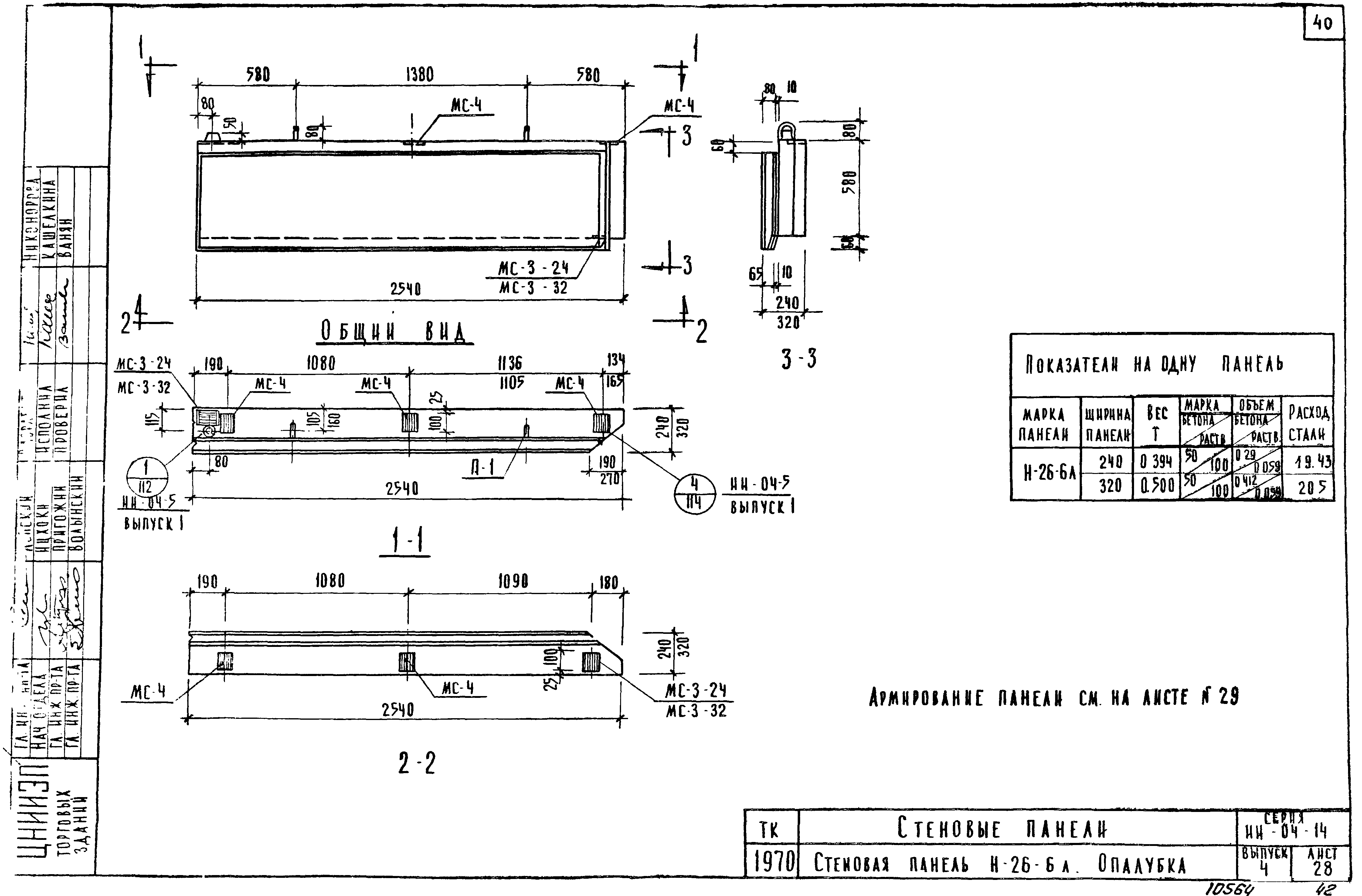
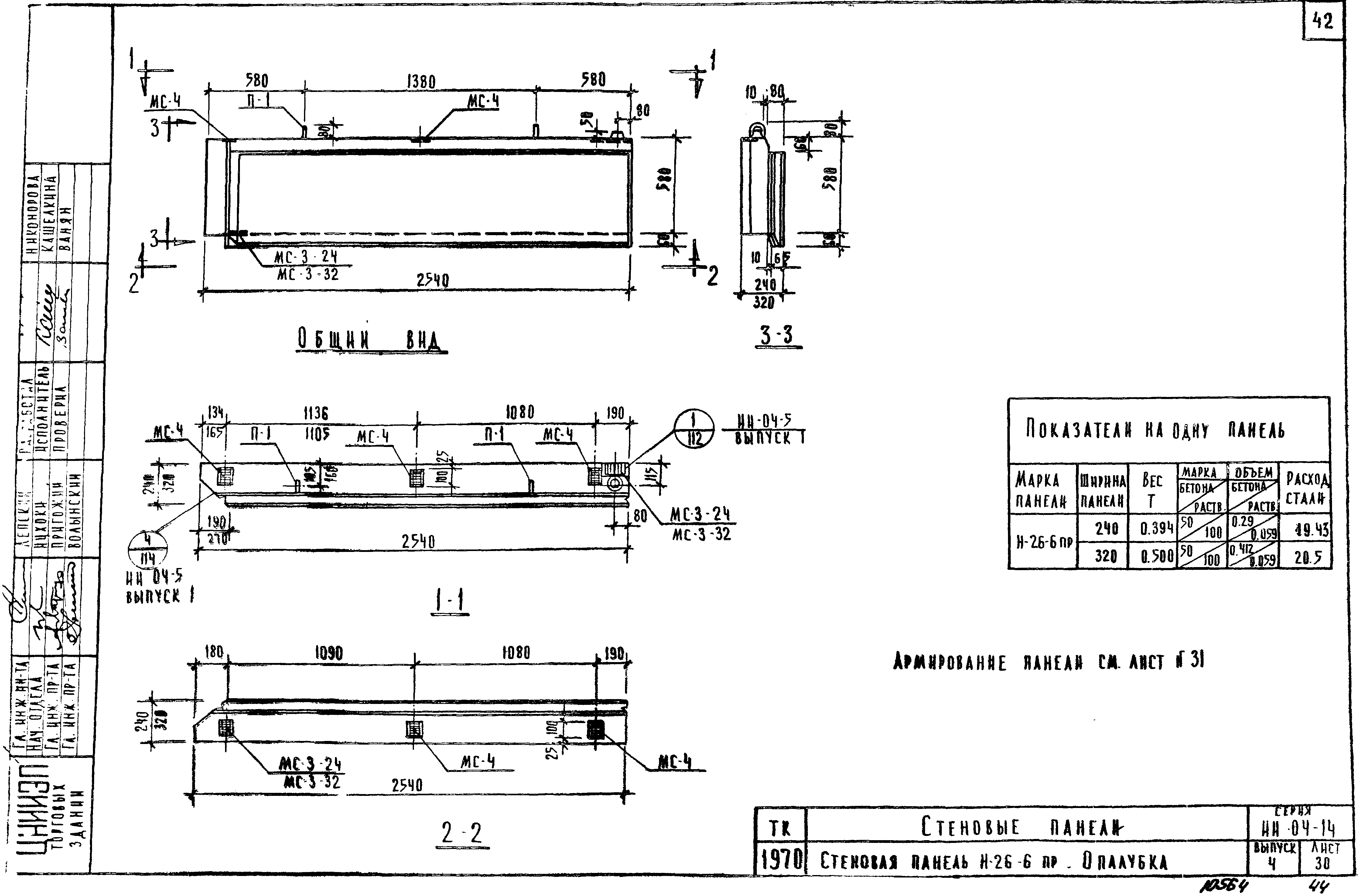
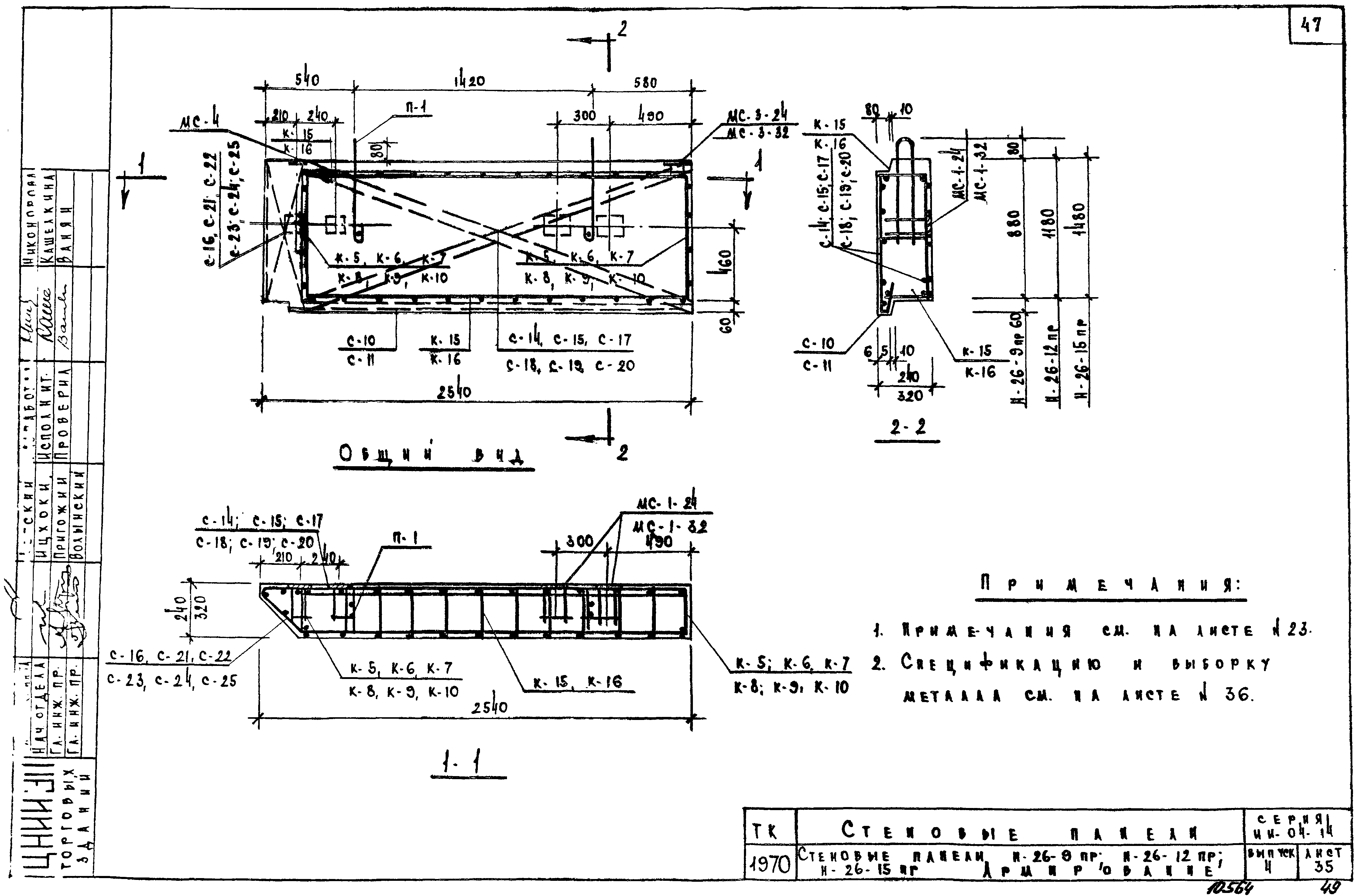
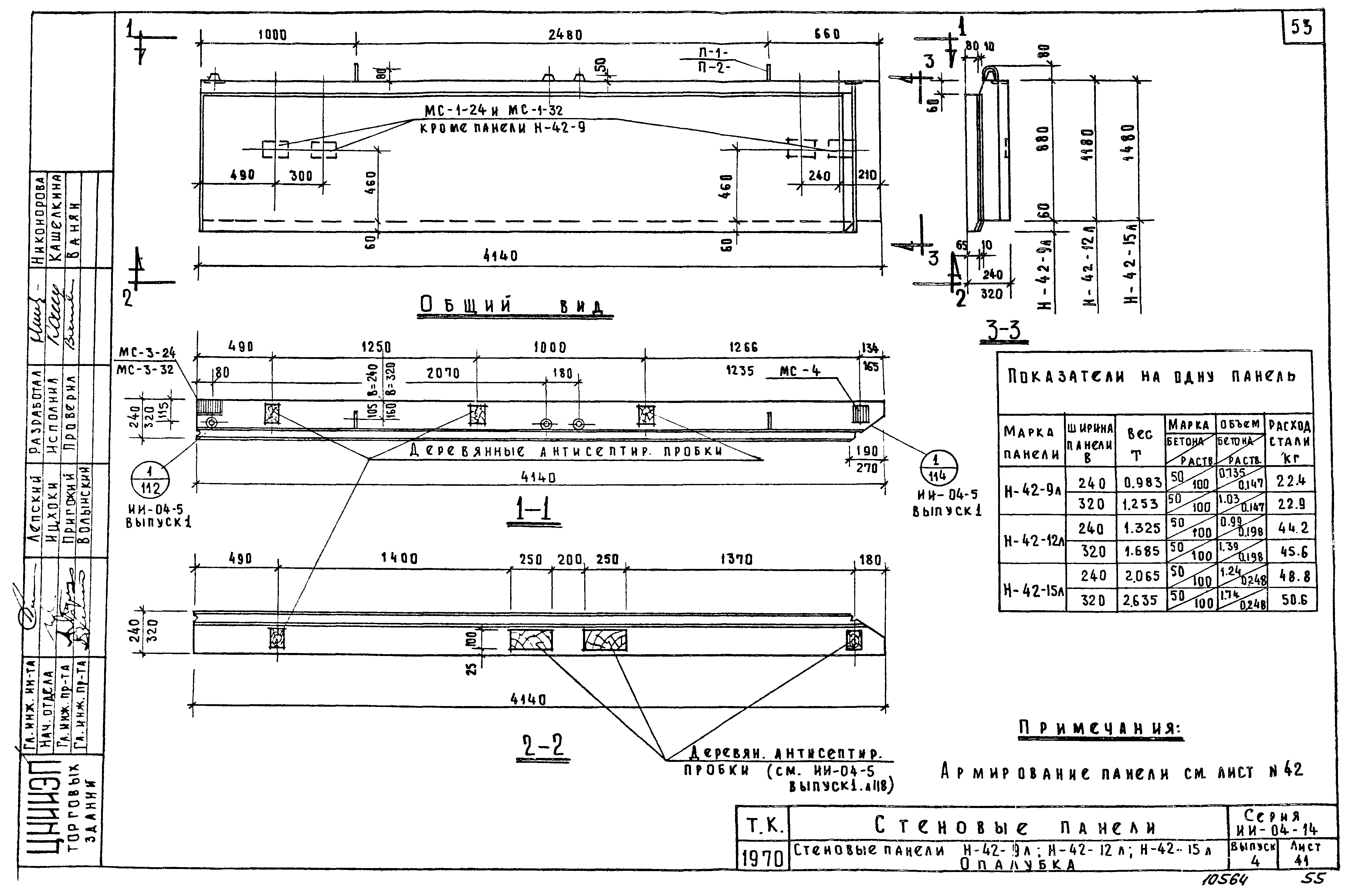
| Оглавление: | Перечень серий и выпусков Содержание Пояснительная записка Номенклатура Пример компоновки панелей наружных стен. Вариант со спаренными окнами. Высота этажа 3,3 м Пример компоновки панелей наружных стен. Вариант с узкими простенками. Высота этажа 3,3 м Пример компоновки панелей наружных стен. Вариант с узкими простенками. Высота этажа 4,2 м Пример компоновки панелей наружных стен. Вариант у деформационного шва. Высота этажа 3,3 м Разрезы наружных стен для зданий с Т-образными колоннами Разрез наружной стены для зданий с Г-образными колоннами. Узлы 1, 2, 3 Пример решения наружного и внутреннего угла при Т-образных колоннах Пример решения наружного и внутреннего угла при Г-образных колоннах Узлы 4, 5. Вертикальные стыки панелей у температурного шва и у стойки фахверка Узел 7. Крепление верха стеновой панели к стойке фахверка. Крепление угловой панели над витриной Узел 8. Крепление верха стеновой панели к колонне в месте стыка колонны Узел 9. Крепление стойки фахверка к ригелю и консоли колонны Узел 10. Крепление стойки фахверка к торцу консоли колонны Пример решения стен подвала из сборных железобетонных элементов по серии 3.400-3 Пример раскладки элементов подпорной стенки Крепление монтажной детали М-1 к закладным деталям панелей Узел 6. Навески панелей наружных стен на ригель или консоль Т-образной колонны Монтажные детали М-1; М-2; М-3; М-4; М-5 Монтажные детали М-6; СФ-1; СФ-2; СФ-3. Спецификация монтажных деталей Стеновая панель Н-16-6. Опалубка Стеновая панель Н-16-6. Армирование Стеновые панели Н-16-9, Н-16-12, Н-16-15, Н-16-18, Н-16-21. Опалубка Стеновые панели Н-16-9, Н-16-12, Н-16-15, Н-16-18, Н-16-21. Армирование Стеновые панели Н-16-6, Н-16-9, Н-16-12, Н-16-15, Н-16-18, Н-16-21. Спецификация Стеновые панели Н-16-6, Н-16-9, Н-16-12, Н-16-15, Н-16-18, Н-16-21. выборка стали Стеновая панель Н-26-6л. Опалубка Стеновая панель Н-26-6л. Армирование Стеновая панель Н-26-6пр. Опалубка Стеновая панель Н-26-6пр. Армирование Стеновые панели Н-26-9л, Н-26-12л, Н-26-15л. Опалубка Стеновые панели Н-26-9л, Н-26-12л, Н-26-15л. Армирование Стеновые панели Н-26-9пр, Н-26-12пр, Н-26-15пр. Опалубка Стеновые панели Н-26-9пр, Н-26-12пр, Н-26-15пр. Армирование Стеновые панели Н-26-6, Н-26-9, Н-26-12, Н-26-15. Спецификация и выборка стали Стеновая панель Н-42-6л. Опалубка Стеновая панель Н-42-6л. Армирование Стеновая панель Н-42-6пр. Опалубка Стеновая панель Н-42-6пр. Армирование Стеновые панели Н-42-9л, Н-42-12л, Н-42-15л. Опалубка Стеновые панели Н-42-9л, Н-42-12л, Н-42-15л. Армирование Стеновые панели Н-42-9пр, Н-42-12пр, Н-42-15пр. Опалубка Стеновые панели Н-42-9пр, Н-42-12пр, Н-42-15пр. Армирование Стеновые панели Н-42-6, Н-42-9, Н-42-12, Н-42-15. Спецификация и выборка стали Арматурные каркасы К-1 - К-12 Арматурные каркасы К-13 - К-20. Арматурные сетки С-1 - С-2 Арматурные сетки С-3 - С-6 Арматурные сетки С-7 - С-11 Арматурные сетки С-12 - С-16 Арматурные сетки С-17 - С-20 Арматурные сетки С-12 - С-25 Арматурные сетки С-26 - С-31 Арматурные сетки С-32 - С-35 Спецификация и выборка стали на одно арматурное изделие, каркасы К-1 - К-14 Спецификация и выборка стали на одно арматурное изделие, каркасы К-15 - К-20. Сетки С-1 - С-8 Спецификация и выборка стали на одно арматурное изделие. Сетки С-9 - С-22 Спецификация и выборка стали на одно арматурное изделие. Сетки С-23 - С-35 |
| Разработан: | НИИЖБ Госстроя СССР ЦНИИЭП торгово-бытовых зданий и туристских комплексов |
| Утверждён: | 26.05.1970 Государственный комитет по гражданскому строительству и архитектуре при Госстрое СССР (86) |
| Чем заменён: |








































































