Скачать Типовой проект 272-14-16 Альбом I. Архитектурно-строительные решения (начало)Дата актуализации: 01.01.2021
|
| Обозначение: | Типовой проект 272-14-16 |
| Обозначение англ: | 272-14-16 |
| Статус: | действует |
| Название рус.: | Альбом I. Архитектурно-строительные решения (начало) |
| Дата добавления в базу: | 01.09.2013 |
| Дата актуализации: | 01.01.2021 |
| Дата введения: | 23.10.1981 |
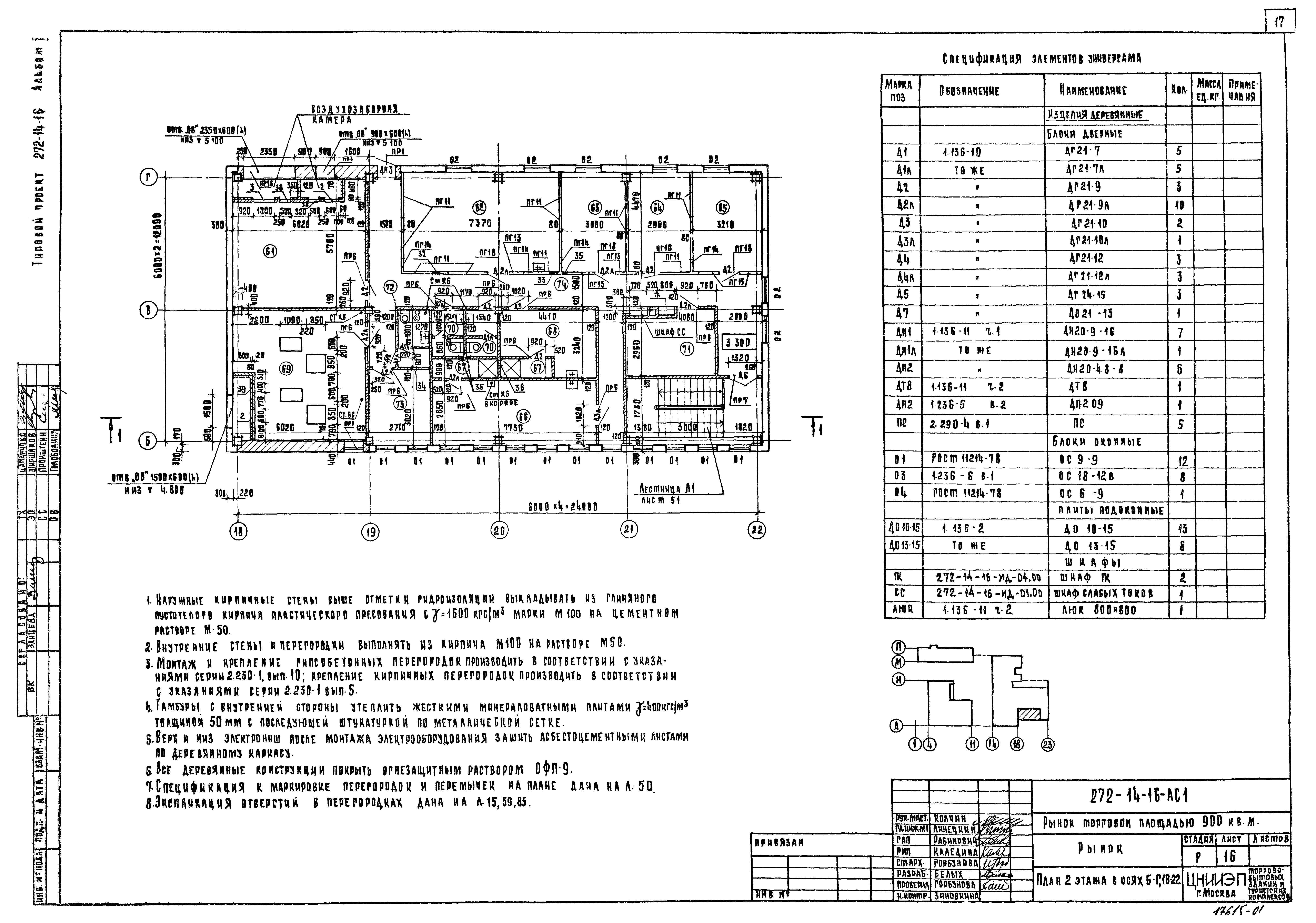
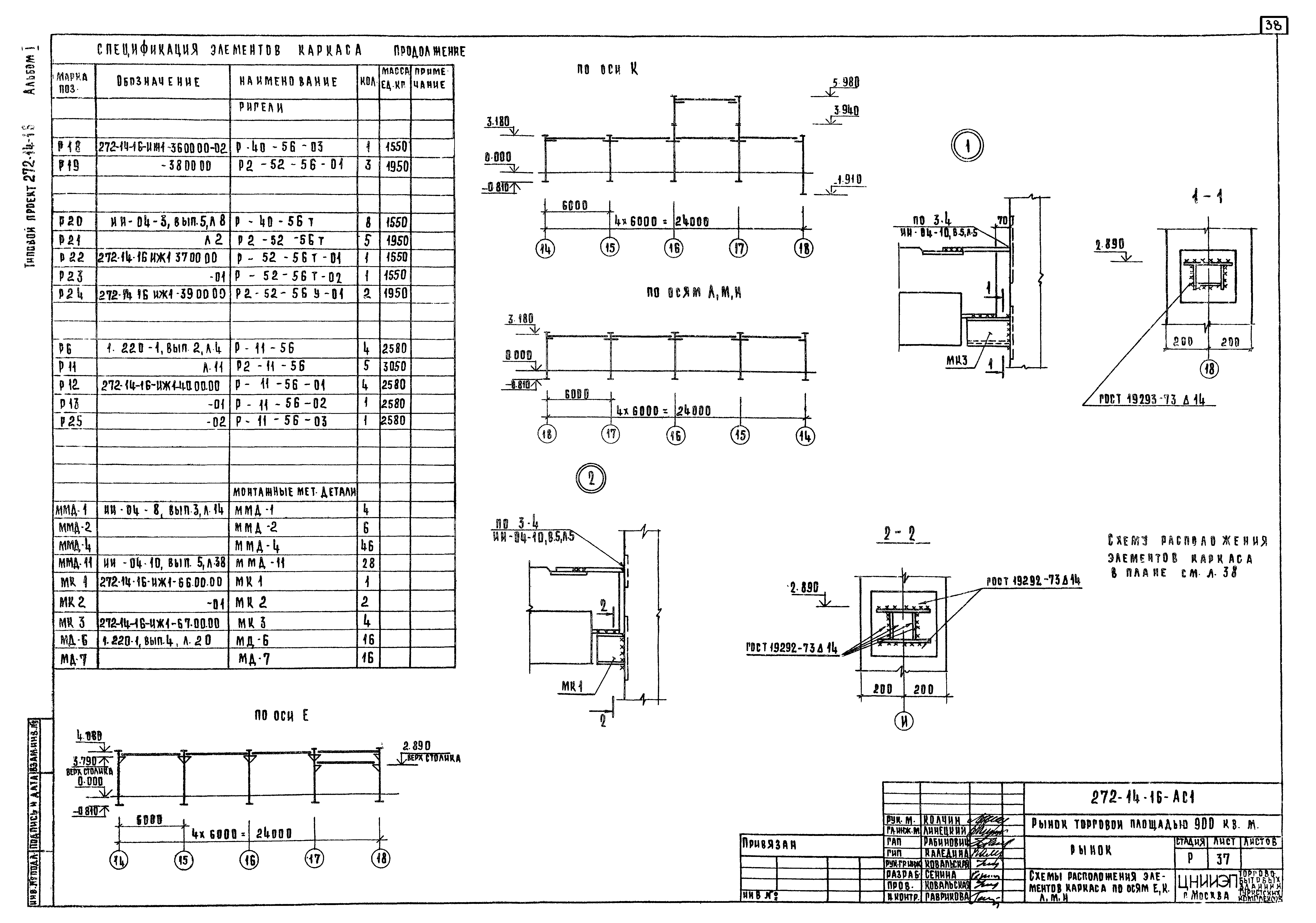
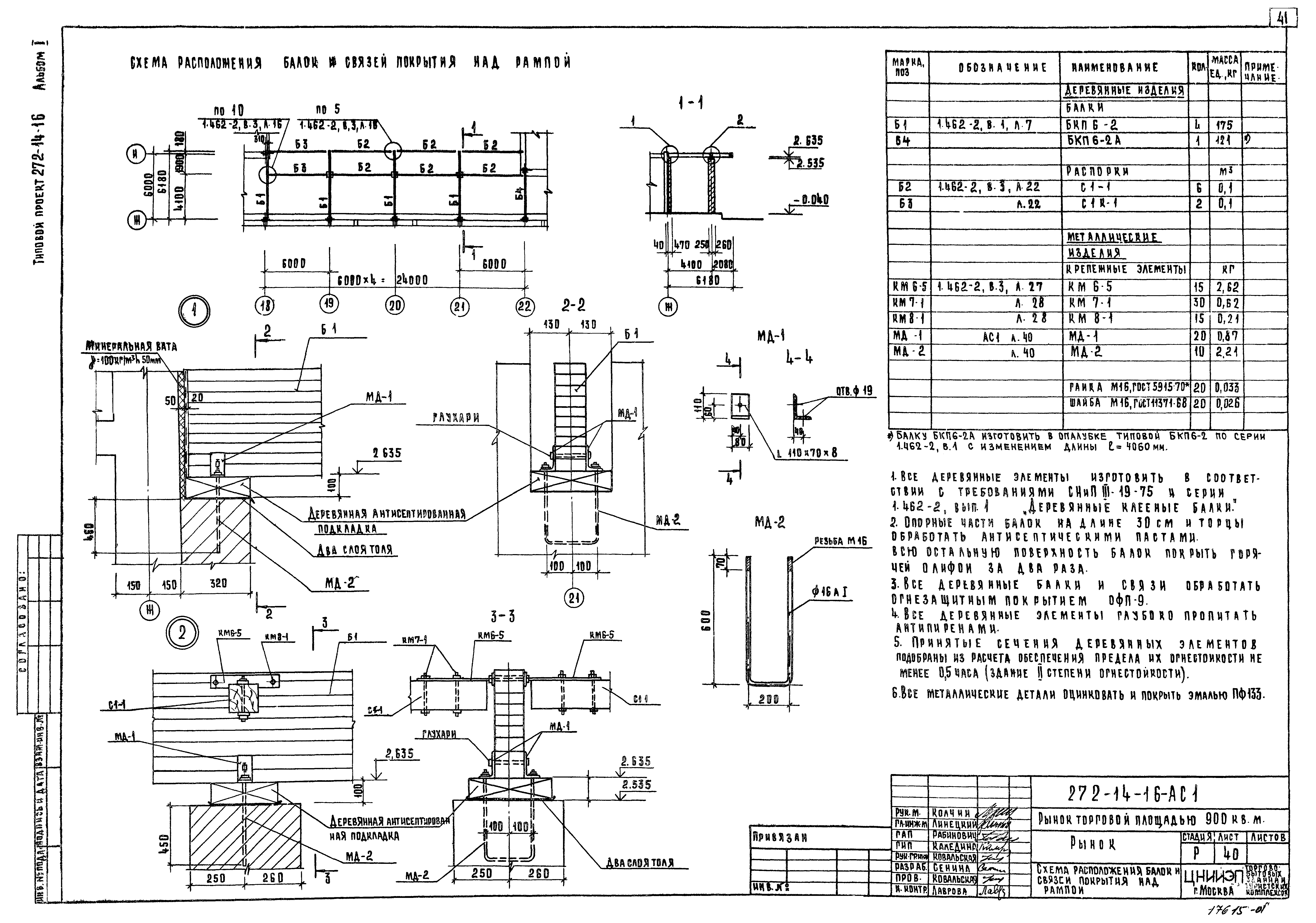
| Оглавление: | Обложка Титульный лист Общие данные Лист привязки Ведомость отделки помещений Рынок. План 1 этажа в осях Ж - Н; 14 - 18. План на отм. 3.300 Рынок. План 1 этажа в осях А - Ж; 14 - 19 Рынок. План 1 этажа в осях Б - Ж/1; 19 - 23 Рынок. План 2 этажа в осях Б - Г; 18 - 22 Рынок. Разрез 1-1 Рынок. Разрезы 2-2; 3-3 Рынок. Фасады А - Н; 23 - 14 Рынок. Фасады 14 - 23; Н - А Рынок. Сезонная торговля под навесом. План в осях А - Н; 11 - 14. Разрезы 1-1; 2-2 Рынок. Дебаркадеры, стоянки для автомашин (схемы планов) Рынок. Охлаждаемые камеры в осях 21 - 22; Г - Д и 22 - 23; Е - Ж Рынок. Охлаждаемые камеры в осях 17 - 18; Е - Ж и 17 - 18; И - К Рынок. Развертки стен торгового зала рынка. Развертки стен зала торговли картофелем Рынок. Потолок торгового зала рынка. Потолок зала торговли картофелем Рынок. Развертка стен обеденного зала кафе. Развертка стен обеденного зала закусочной. Потолок залов кафе и закусочной Рынок. Конструкция и крепление газосветной рекламы Рынок. Конструкция и крепление рекламы из пластмассы Рынок. Прилавки кирпичные, фрагмент "Г" Рынок. Прилавки кирпичные, фрагменты "А", "Б", "В" Рынок. Прилавки кирпичные. Узел 1. Спецификация изделий Рынок. Схема нагрузок на фундаменты Рынок. Схема расположения элементов фундаментов Рынок. Схема расположения элементов подпольных каналов Рынок. Спецификация элементов каркаса Рынок. Схема расположения элементов каркаса по осям Е, К, Л, М, Н Рынок. Схема расположения элементов каркаса в плане 1 и 2 этажей Рынок. Схема расположения элементов каркаса по осям 14, 18, 21, 22, 23, И Рынок. Схема расположения балок и связей покрытия над рампой Рынок. Спецификация элементов перекрытия и покрытия Рынок. Схема расположения элементов перекрытия в осях 14 - 19, А - Ж Рынок. Схема расположения элементов перекрытия в осях Б - И/1; 19 - 23 на отм. 3.300 Рынок. Схема покрытия 1 этажа в осях 14 - 18; Ж - И; 2 этажа в осях 18 - 22; Б - Г; 16 - 17; И - К Рынок. Спецификация элементов монолитных участков УМ1 - УМ11. Выборка стали Рынок. Участки монолитные УМ1 - УМ11 Рынок. Спецификация к схемам панелей стен. Узлы Рынок. Схема расположения панелей стен в осях А, Б, Н, 14, 18 Рынок. Схема расположения панелей стен в осях 18, 22, 23, И/1, Г Рынок. Спецификация к схемам расположения панелей перегородок и перемычек Рынок. Лестница Л1. Схема разбивки закладных деталей под витражи Рынок. Лестница Л5 Рынок. План крыши Рынок. Сечения крыши Рынок. Схемы расположения фонарей Ф1, Ф2 Рынок. Схемы элементов фундаментов и каркаса Рынок. Схема расположения элементов каркаса по осям 12, 13, А, Б, В, Г, М, Н Рынок. Схема расположения балок и связей покрытия |
| Разработан: | ЦНИИЭП торгово-бытовых зданий и туристских комплексов |
| Утверждён: | 13.03.1980 Госгражданстрой (Gosgrazhdanstroy 78) |




























































