Скачать Типовой проект 272-14-16 Альбом VII. Изделия железобетонные к серии ИИ-04Дата актуализации: 01.01.2021
|
| Обозначение: | Типовой проект 272-14-16 |
| Обозначение англ: | 272-14-16 |
| Статус: | действует |
| Название рус.: | Альбом VII. Изделия железобетонные к серии ИИ-04 |
| Дата добавления в базу: | 01.09.2013 |
| Дата актуализации: | 01.01.2021 |
| Дата введения: | 23.10.1981 |
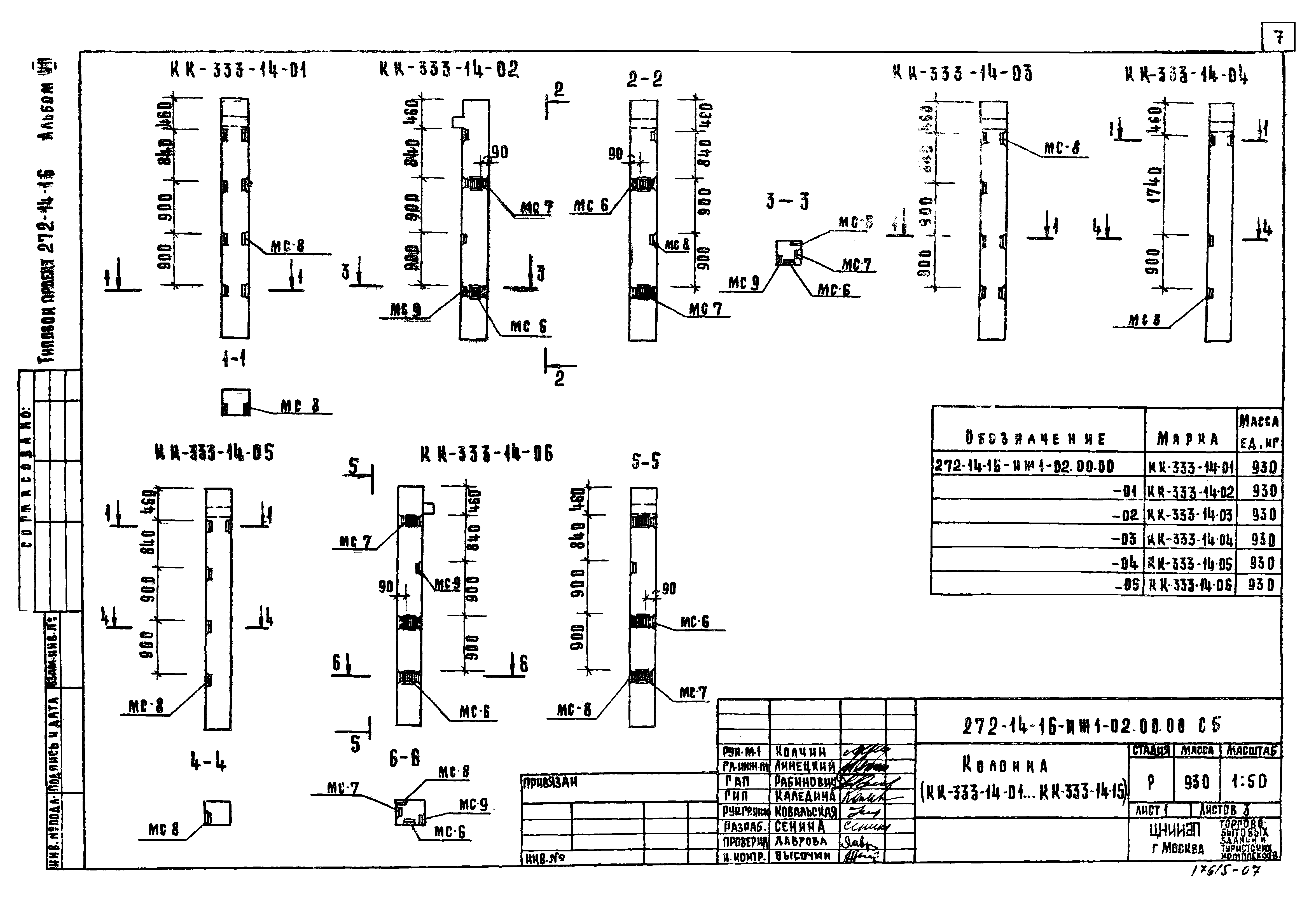
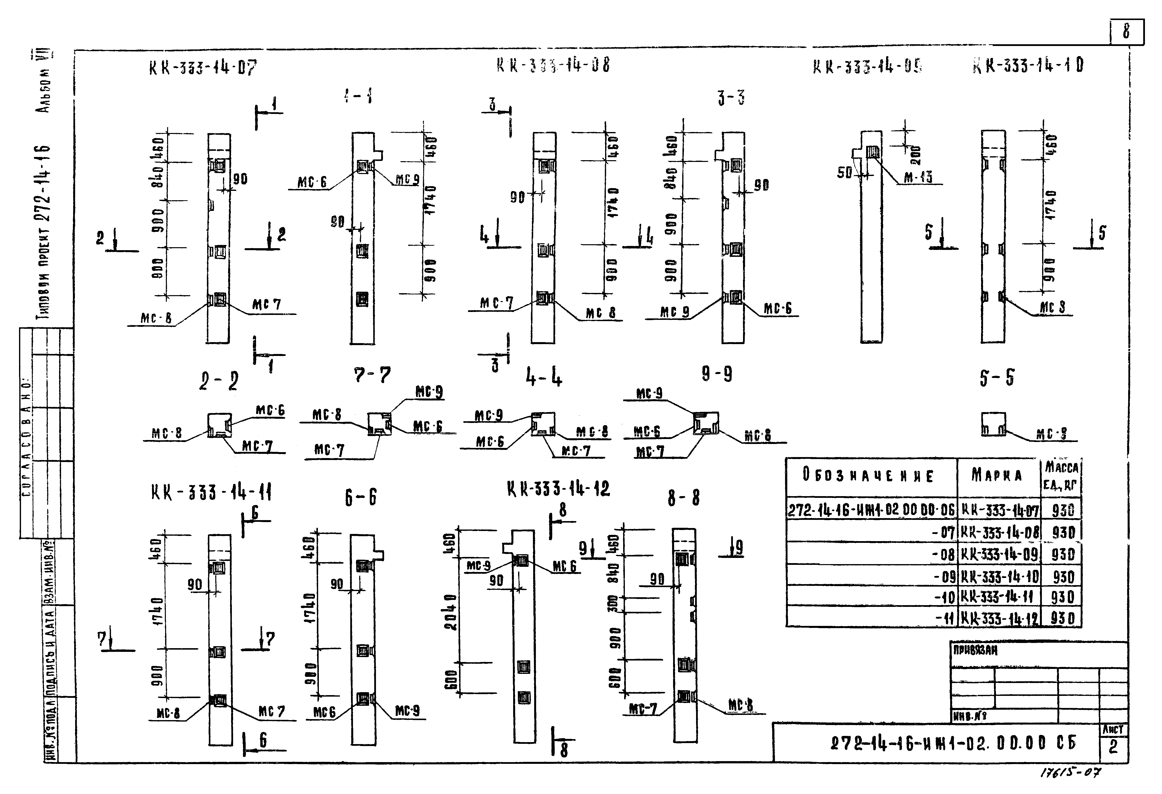
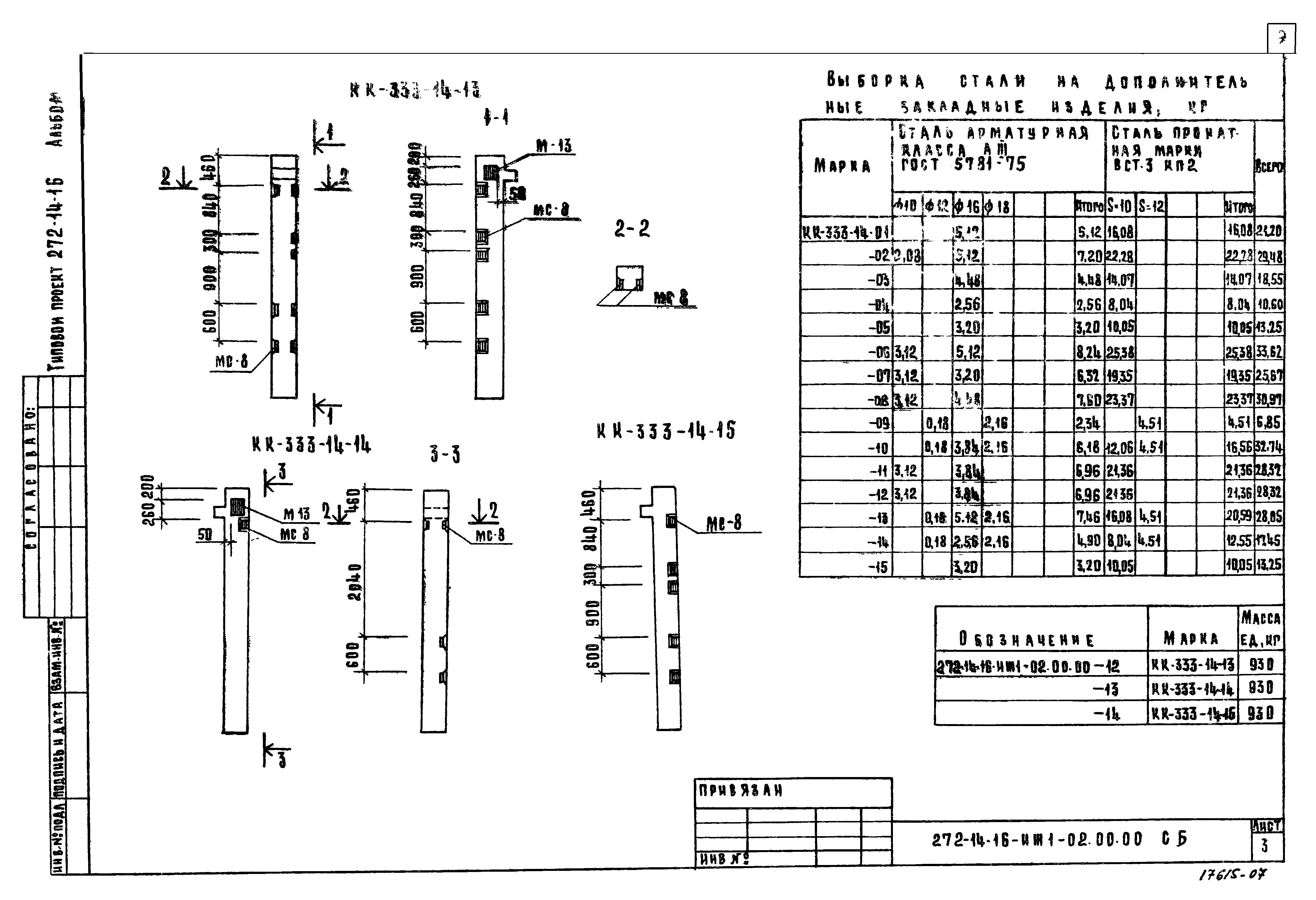
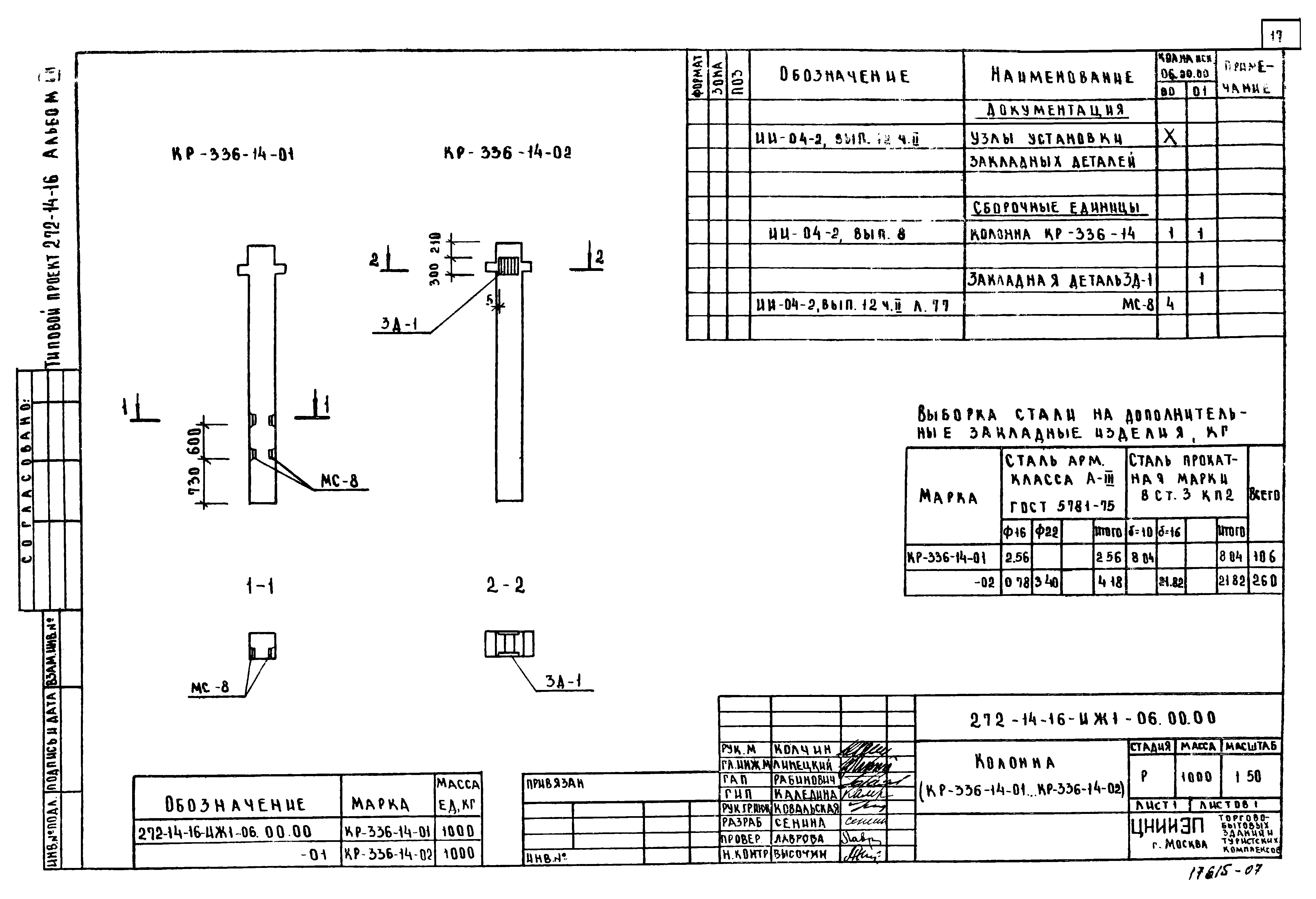
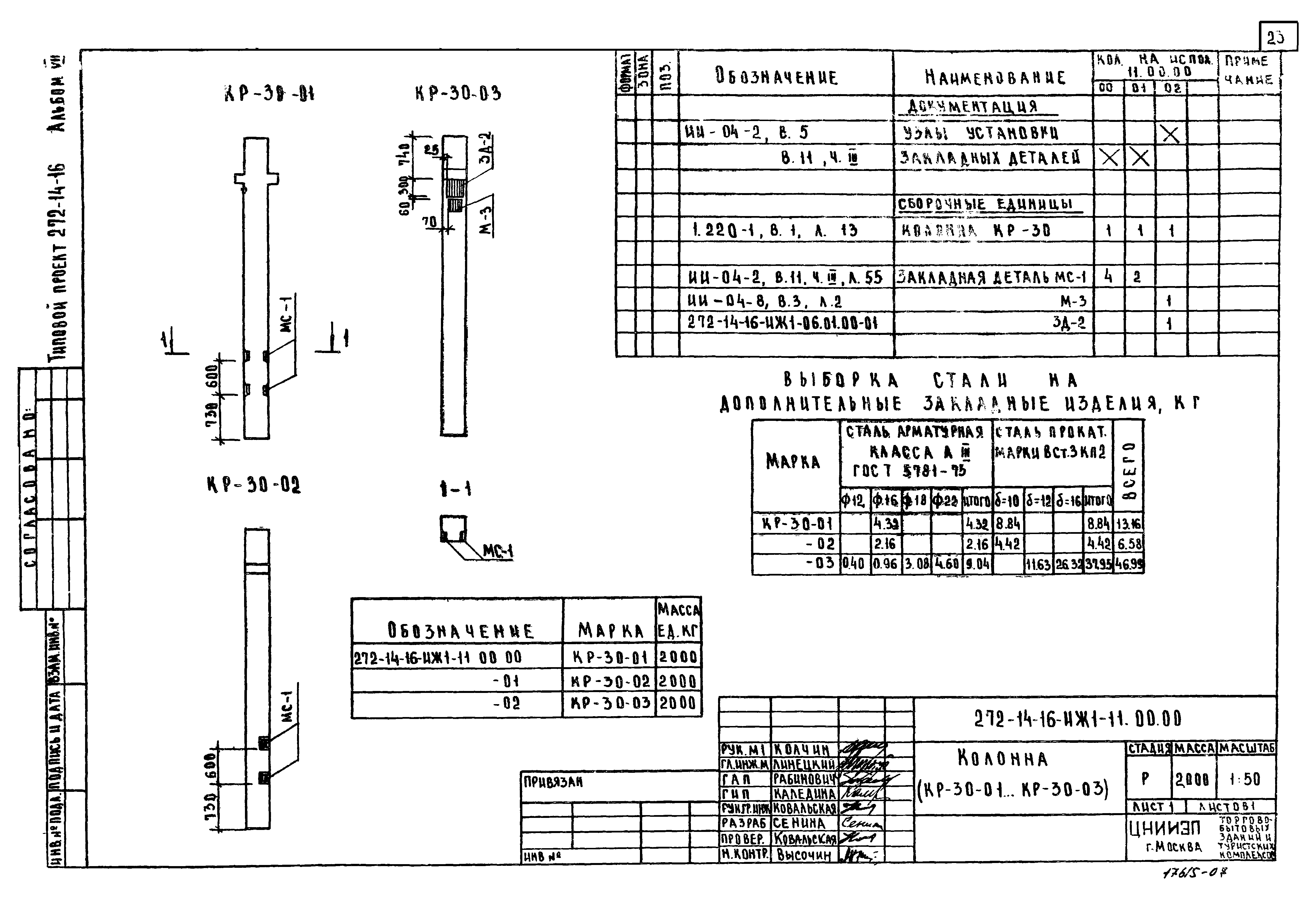
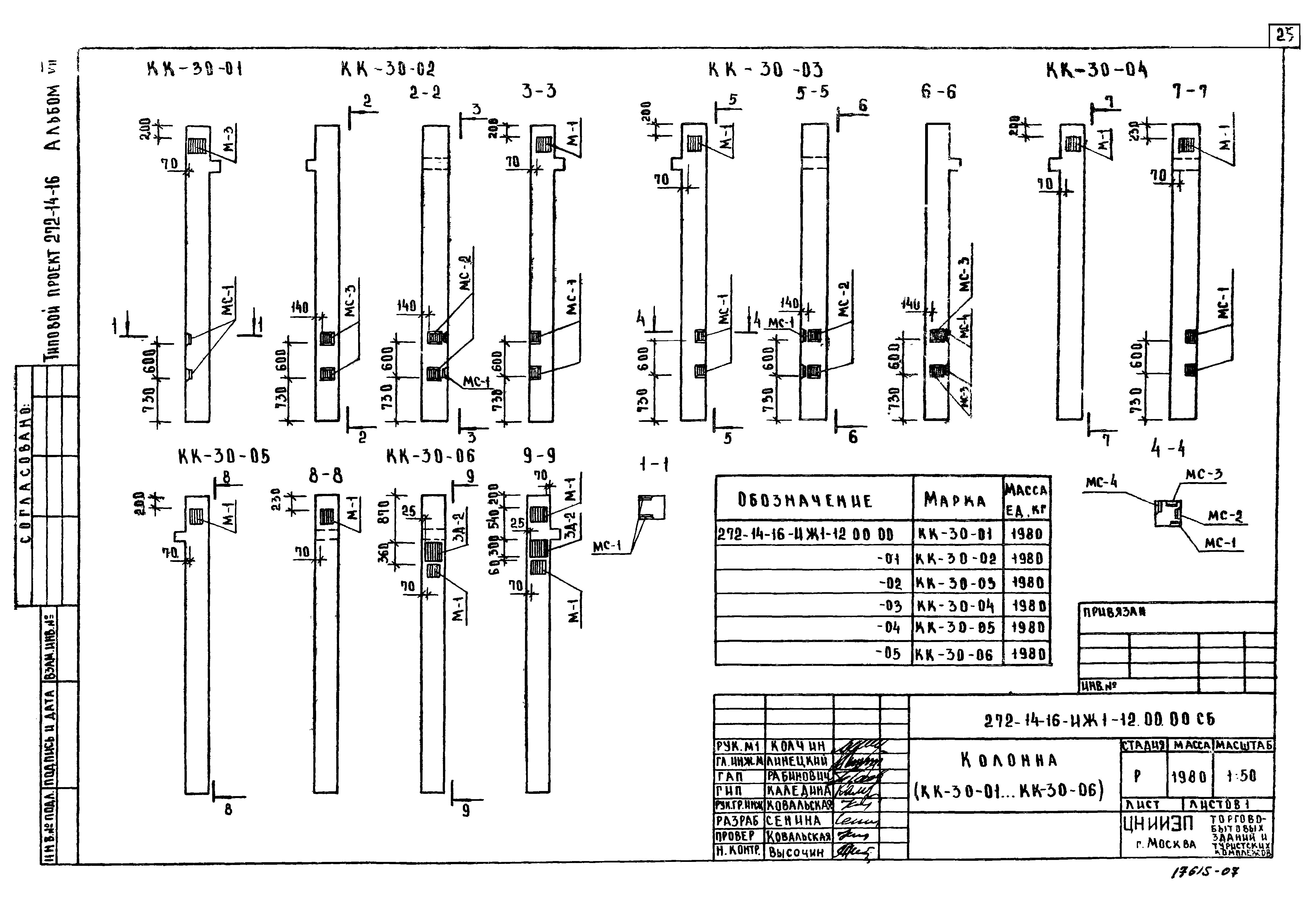
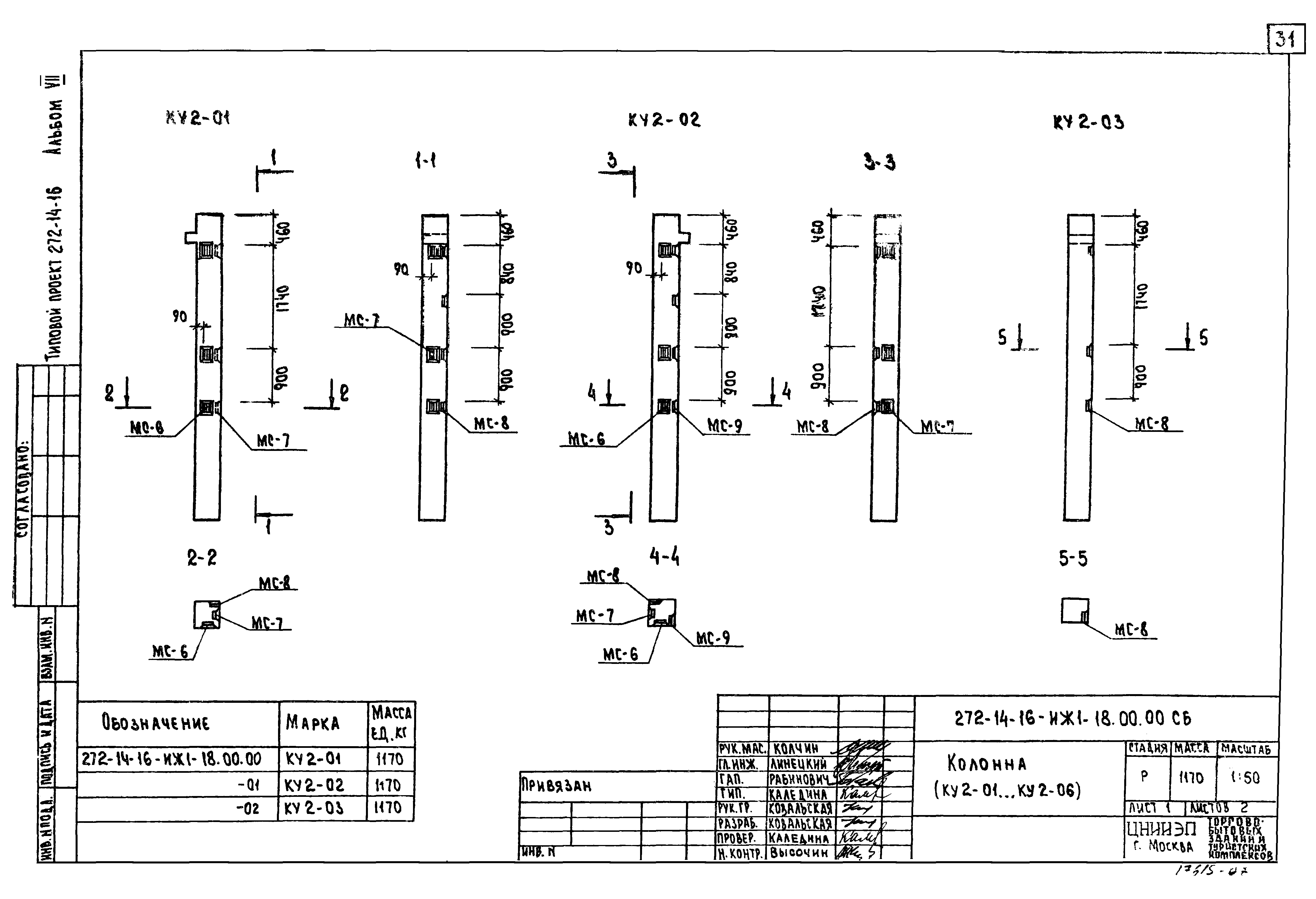
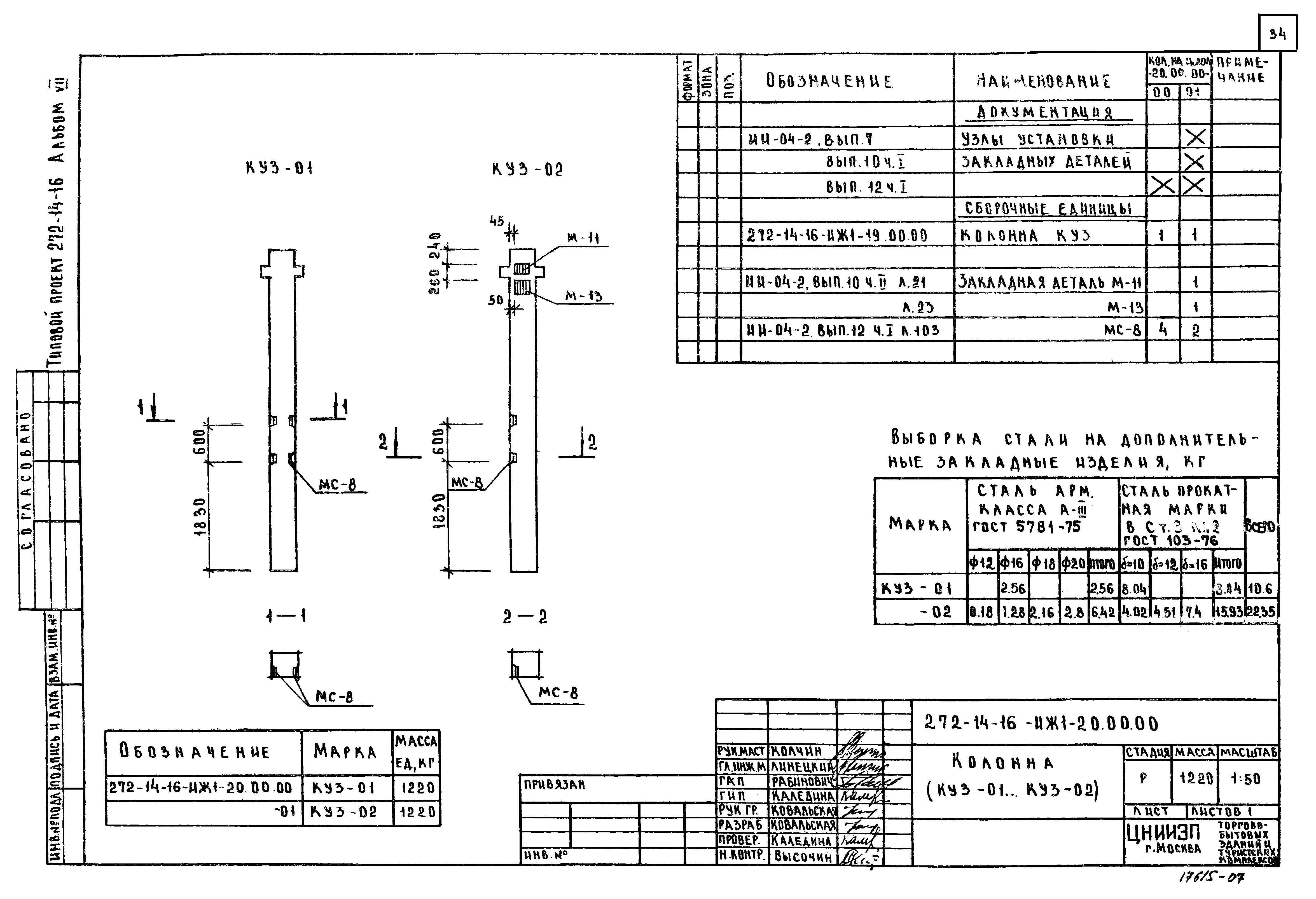
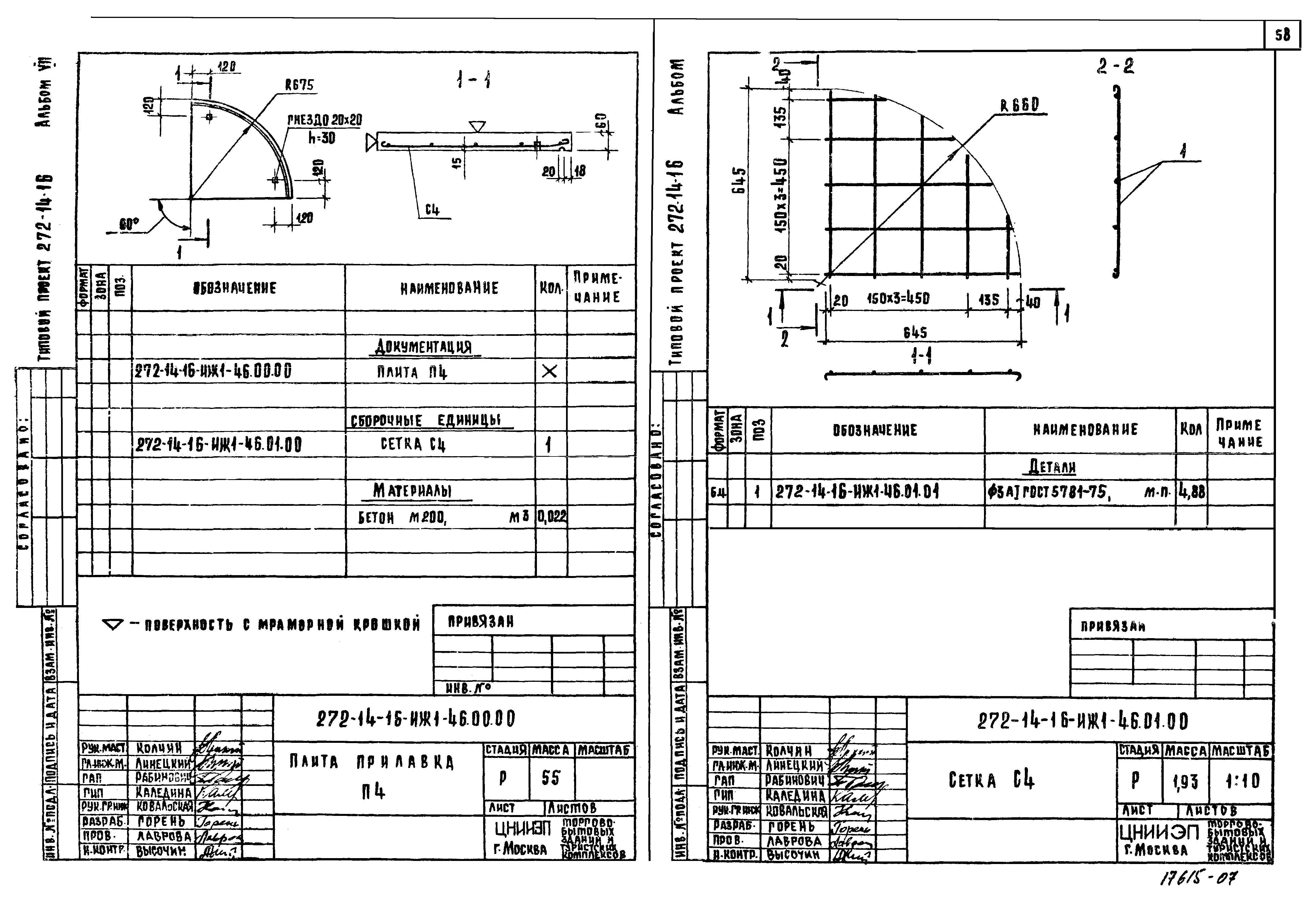
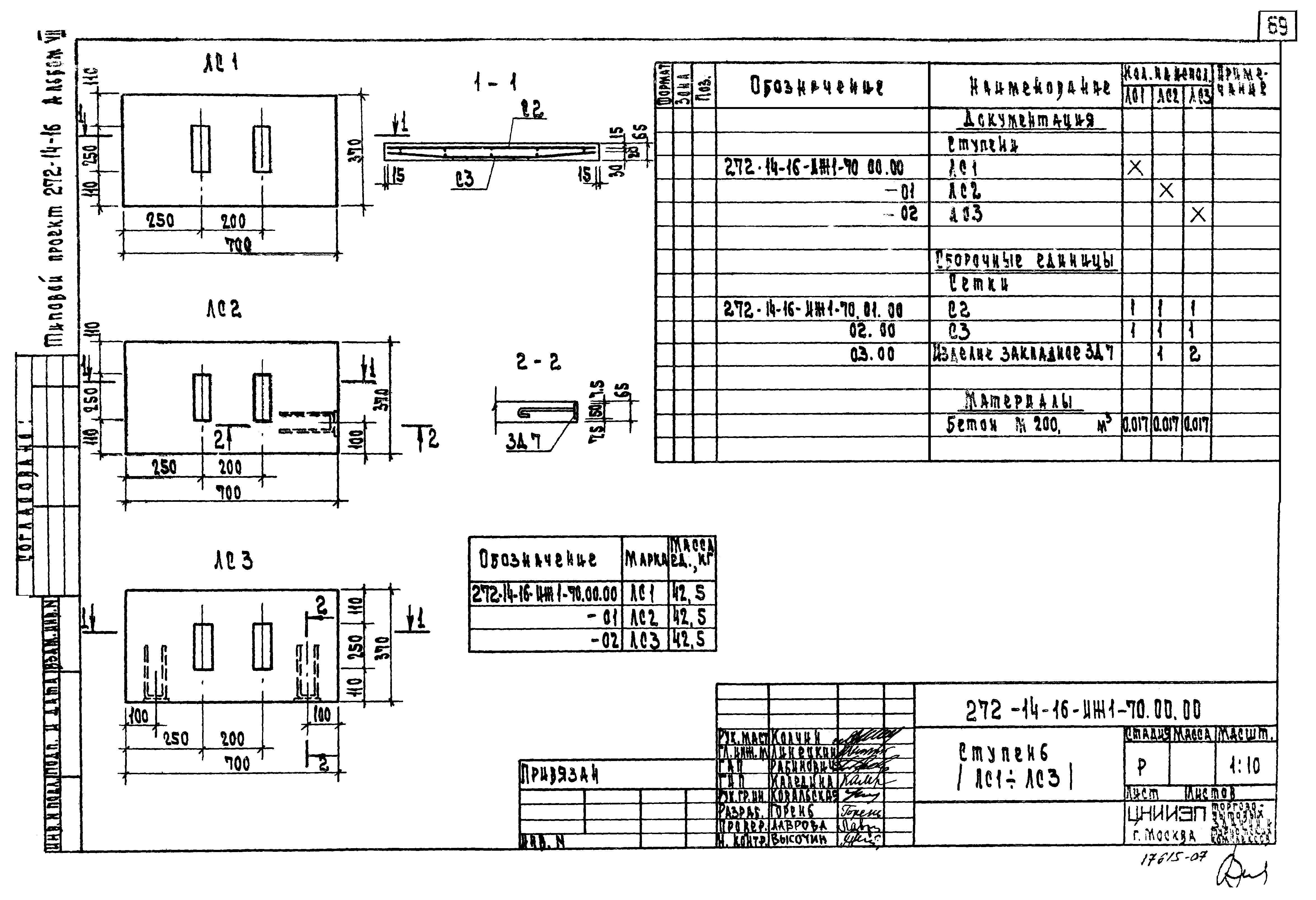
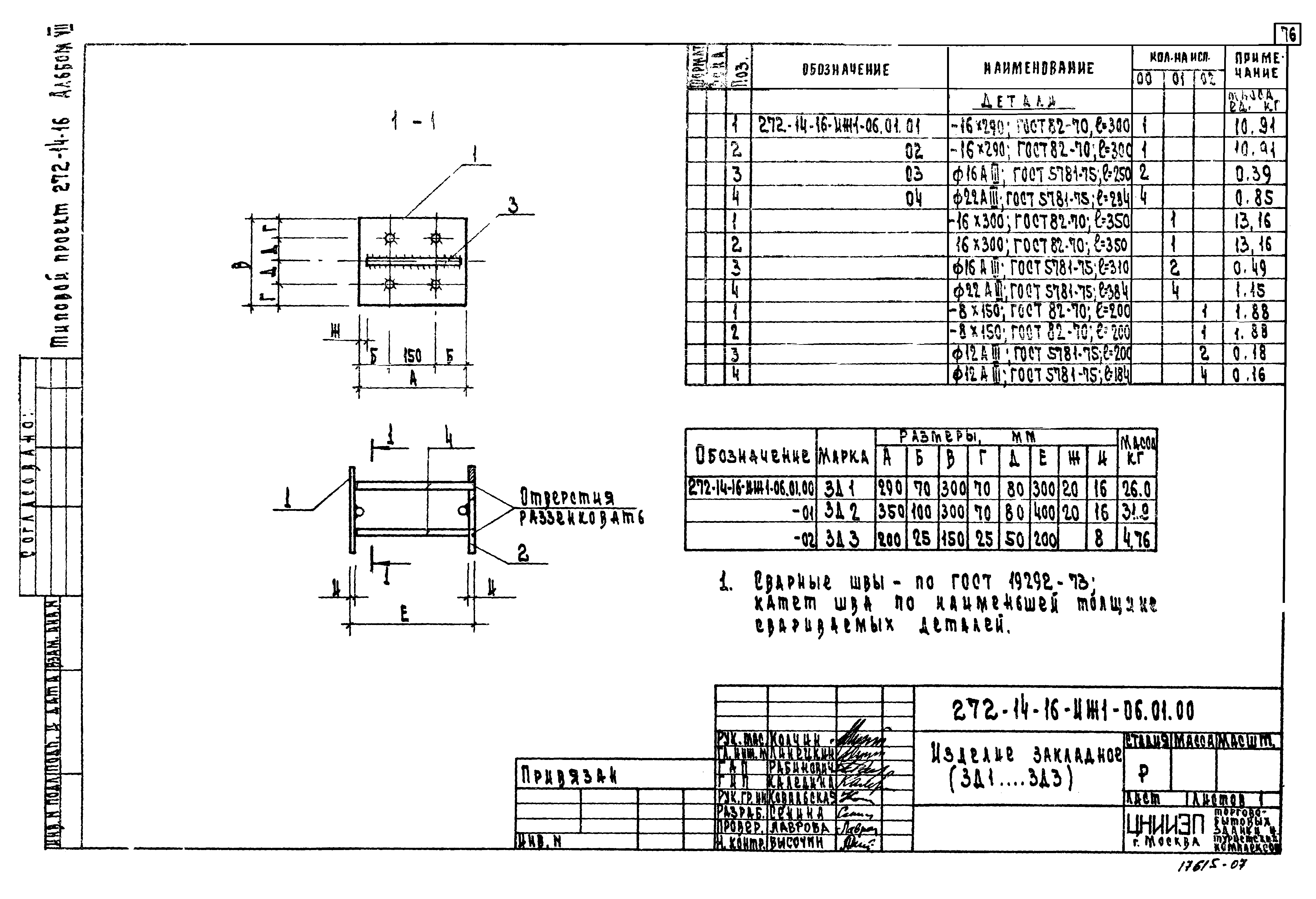
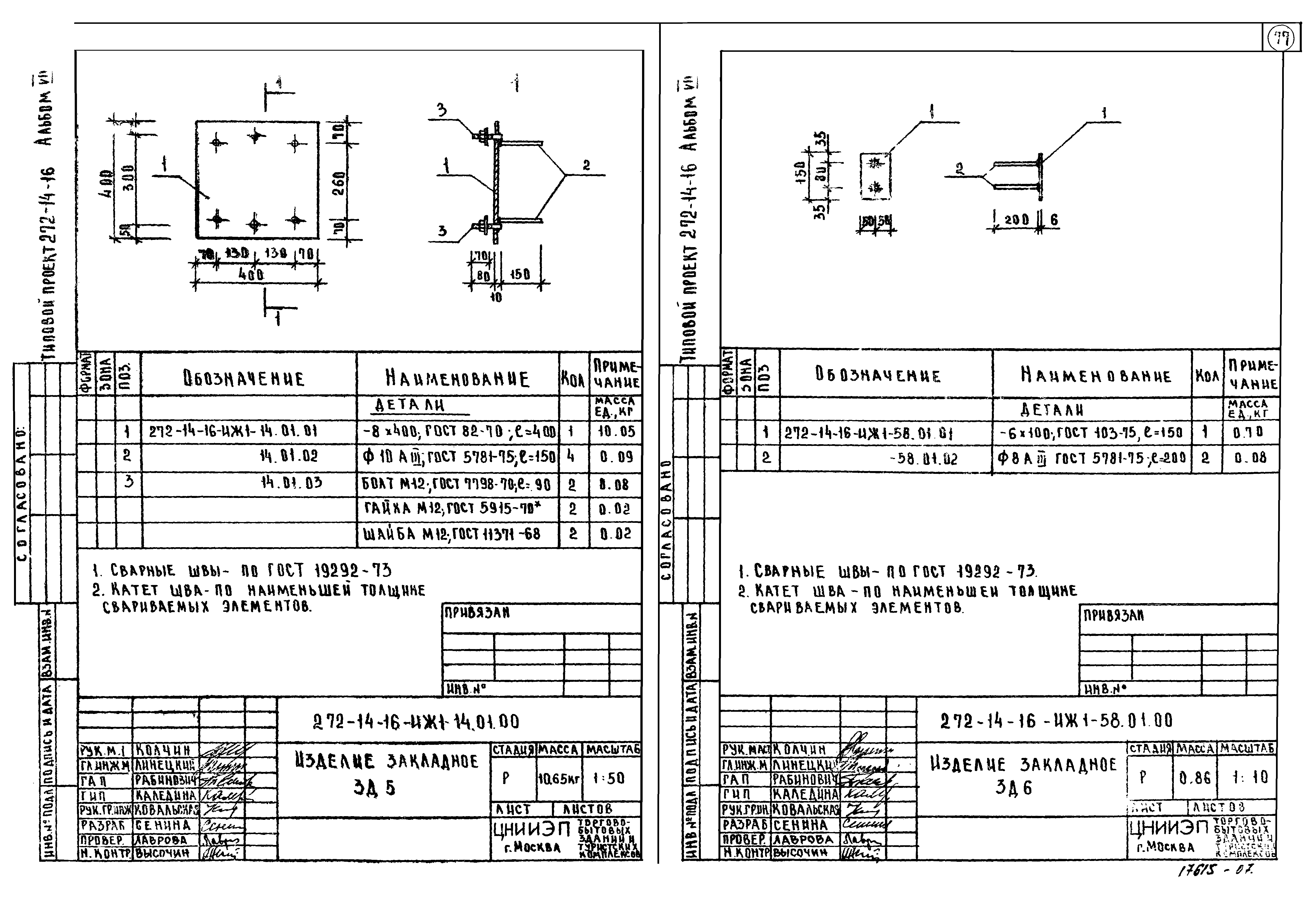
| Оглавление: | Обложка Титульный лист 272-14-16-ИЖ1-00.00ДО Ведомость чертежей 272-14-16-ИЖ1-01.00.00 Колонна (КР-333-14-01 - КР-333-14-09) 272-14-16-ИЖ1-02.00.00 Колонна (КК-333-14-01 - КК-333-14-15) 272-14-16-ИЖ1-02.00.00СБ Колонна (КК-333-14-01 - КК-333-14-15) 272-14-16-ИЖ1-03.00.00 Колонна (КИР-333-14-01 - КИР-333-14-08) 272-14-16-ИЖ1-04.00.00 Колонна (КНК-333-14-01 - КНК-333-14-04) 272-14-16-ИЖ1-05.00.00 Колонна (КНК-333-14-05 - КНК-333-14-14) 272-14-16-ИЖ1-05.00.00СБ Колонна (КНК-333-14-05 - КНК-333-14-14) 272-14-16-ИЖ1-06.00.00 Колонна (КР-336-14-01 - КР-336-14-02) 272-14-16-ИЖ1-07.00.00 Колонна (КК-336-14-01 - КК-336-14-06) 272-14-16-ИЖ1-07.00.00СБ Колонна (КК-336-14-01 - КК-336-14-06) 272-14-16-ИЖ1-08.00.00 Колонна (КР-442-24-01 - КР-442-24-02) 272-14-16-ИЖ1-09.00.00 Колонна (КР-442-24-01 - КР-442-24-02) 272-14-16-ИЖ1-10.00.00 Колонна (КНК-442-24-01 - КНК-442-24-02) 272-14-16-ИЖ1-11.00.00 Колонна (КР-30-01 - КР-30-03) 272-14-16-ИЖ1-12.00.00 Колонна (КК-30-01 - КК-30-06) 272-14-16-ИЖ1-12.00.00СБ Колонна (КК-30-01 - КК-30-06) 272-14-16-ИЖ1-13.00.00 Колонна (КНР-30-01 - КНР-30-03) 272-14-16-ИЖ1-14.00.00 Колонна (КК-442-24-05) 272-14-16-ИЖ1-15.00.00 Колонна (КК-443-24-01) 272-14-16-ИЖ1-16.00.00 Колонна КУ1 272-14-16-ИЖ1-17.00.00 Колонна КУ2 272-14-16-ИЖ1-18.00.00 Колонна (КУ2-01 - КУ2-06) 272-14-16-ИЖ1-18.00.00СБ Колонна (КУ2-01 - КУ2-06) 272-14-16-ИЖ1-19.00.00 Колонна КУ3 272-14-16-ИЖ1-20.00.00 Колонна (КУ3-01 - КУ3-02) 272-14-16-ИЖ1-21.00.00 Колонна КУ4 272-14-16-ИЖ1-22.00.00 Колонна КУ4-01 272-14-16-ИЖ1-23.00.00 Колонна КУ5 272-14-16-ИЖ1-24.00.00 Колонна (КУ5-01 - КУ5-09) 272-14-16-ИЖ1-25.00.00 Колонна КУ6 272-14-16-ИЖ1-26.00.00 Колонна (КУ6-01 - КУ6-03) 272-14-16-ИЖ1-27.00.00 Колонна КУ7 272-14-16-ИЖ1-28.00.00 Колонна (КУ7-01, КУ7-02) 272-14-16-ИЖ1-29.00.00 Колонна КУ8 272-14-16-ИЖ1-30.00.00 Колонна КУ8-01 272-14-16-ИЖ1-31.00.00 Ригель (Р-40-57-01 - Р-40-57-03) 272-14-16-ИЖ1-32.00.00 Ригель (Р-52-57-01 - Р-52-57-03) 272-14-16-ИЖ1-33.00.00 Ригель Р2-72-57-01 272-14-16-ИЖ1-35.00.00 Ригель РИ1-01 272-14-16-ИЖ1-34.00.00 Ригель РИ1 272-14-16-ИЖ1-36.00.00 Ригель (Р-40-56-01 - Р-40-56-03) 272-14-16-ИЖ1-37.00.00 Ригель (Р-52-52Т-01; Р-52-56Т-02) 272-14-16-ИЖ1-38.00.00 Ригель Р2-52-56-01 272-14-16-ИЖ1-39.00.00 Ригель Р2-52-56у-01 272-14-16-ИЖ1-40.00.00 Ригель (Р-11-56-01 - Р-11-56-03) 272-14-16-ИЖ1-41.00.00 Прогон НП1 272-14-16-ИЖ1-42.00.00 Ригель Р2-52-57-01 272-14-16-ИЖ1-43.00.00 Плита прилавка (П1, П2) 272-14-16-ИЖ1-44.00.00 Плита прилавка (П3, П5) 272-14-16-ИЖ1-45.00.00 Плита прилавка (П3А, П5А) 272-14-16-ИЖ1-46.00.00 Плита прилавка П4 272-14-16-ИЖ1-46.01.00 Сетка С4 272-14-16-ИЖ1-43.01.00 Сетка С5 272-14-16-ИЖ1-43.02.00 Изделие закладное М1 272-14-16-ИЖ1-50.00.00 Панель стеновая ИП-60-12-01 272-14-16-ИЖ1-51.00.00 Панель стеновая И-60-15-01 272-14-16-ИЖ1-52.00.00 Панель стеновая ИП-45-12-01 272-14-16-ИЖ1-53.00.00 Панель стеновая ИП-60-12-02 272-14-16-ИЖ1-54.00.00 Панель стеновая ИП-60-12-03 272-14-16-ИЖ1-55.00.00 Панель стеновая ИП-30-12-01 272-14-16-ИЖ1-56.00.00 Панель стеновая И-57-15пр-01 272-14-16-ИЖ1-57.00.00 Панель стеновая И-57-15л-01 272-14-16-ИЖ1-58.00.00 Панель стеновая И-45-6-01 272-14-16-ИЖ1-59.00.00 Панель стеновая И-45-9-01 272-14-16-ИЖ1-60.00.00 Панель стеновая И-45-12-01 272-14-16-ИЖ1-61.00.01 Панель стеновая И-45-15-01 272-14-16-ИЖ1-62.00.00 Панель стеновая И-45-12-02 272-14-16-ИЖ1-63.00.00 Панель стеновая И-45-15-02 272-14-16-ИЖ1-64.00.00 Панель стеновая И-45-9-02 272-14-16-ИЖ1-65.00.00 Плита покрытия (ПКТВ-120-30пр-10; ПКТ4.5-120-30пр-10; ПКТ4.5-120-30пр-11; ПКТ4.5-120-30пр-12) 272-14-16-ИЖ1-70.00.00 Ступень (ЛС1 - ЛС3) 272-14-16-ИЖ1-70.01.00 Сетка С2 272-14-16-ИЖ1-70.02.00 Сетка С3 272-14-16-ИЖ1-70.03.00 Изделие закладное 272-14-16-ИЖ1-66.00.00 Столик металлический МК1, МК2 272-14-16-ИЖ1-67.00.00 Столик металлический МК3 272-14-16-ИЖ1-16.01.00 Каркас плоский (КР1, КР2) 272-14-16-ИЖ1-23.01.00 Каркас плоский КР3 272-14-16-ИЖ1-27.01.00 Каркас плоский КР4 272-14-16-ИЖ1-41.01.00 Каркас плоский КР5 272-14-16-ИЖ1-51.01.00 Изделие закладное ЗД4 272-14-16-ИЖ1-68.00.00 Изделие монтажное ИД1 272-14-16-ИЖ1-41.02.00 Сетка С1 272-14-16-ИЖ1-06.01.00 Изделие закладное (ЗД1 - ЗД3) 272-14-16-ИЖ1-14.01.00 Изделие закладное ЗД5 272-14-16-ИЖ1-58.01.00 Изделие закладное ЗД6 |
| Разработан: | ЦНИИЭП торгово-бытовых зданий и туристских комплексов |
| Утверждён: | 13.03.1980 Госгражданстрой (Gosgrazhdanstroy 78) |














































































