Скачать Типовой проект 416-9-17.83 Альбом IX. Конструкции железобетонные надземной частиДата актуализации: 01.01.2021
|
| Обозначение: | Типовой проект 416-9-17.83 |
| Обозначение англ: | 416-9-17.83 |
| Статус: | не определен законодательством |
| Название рус.: | Альбом IX. Конструкции железобетонные надземной части |
| Дата добавления в базу: | 01.09.2013 |
| Дата актуализации: | 01.01.2021 |
| Дата введения: | 26.05.1983 |
| Дата окончания срока действия: | 30.06.2003 |
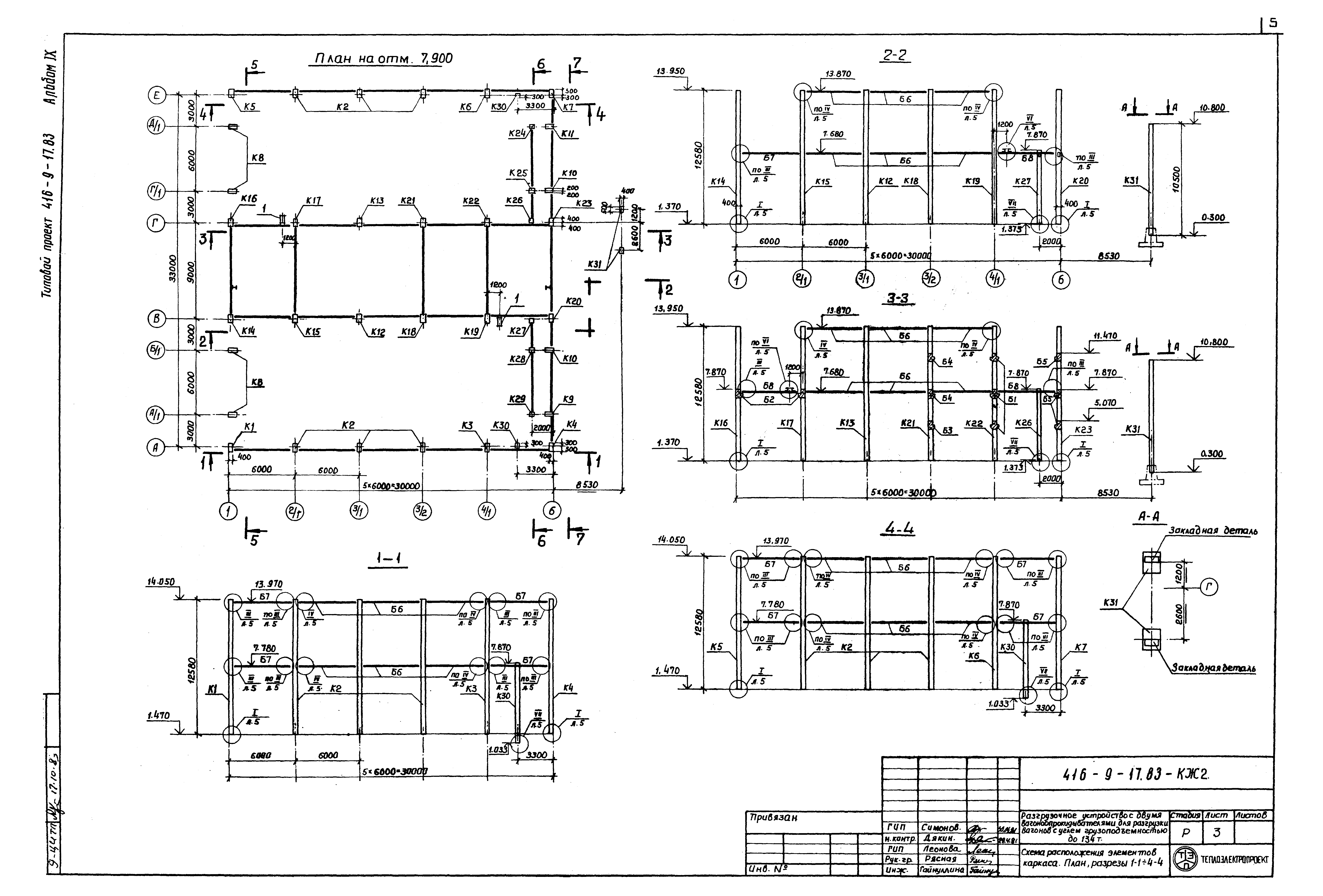
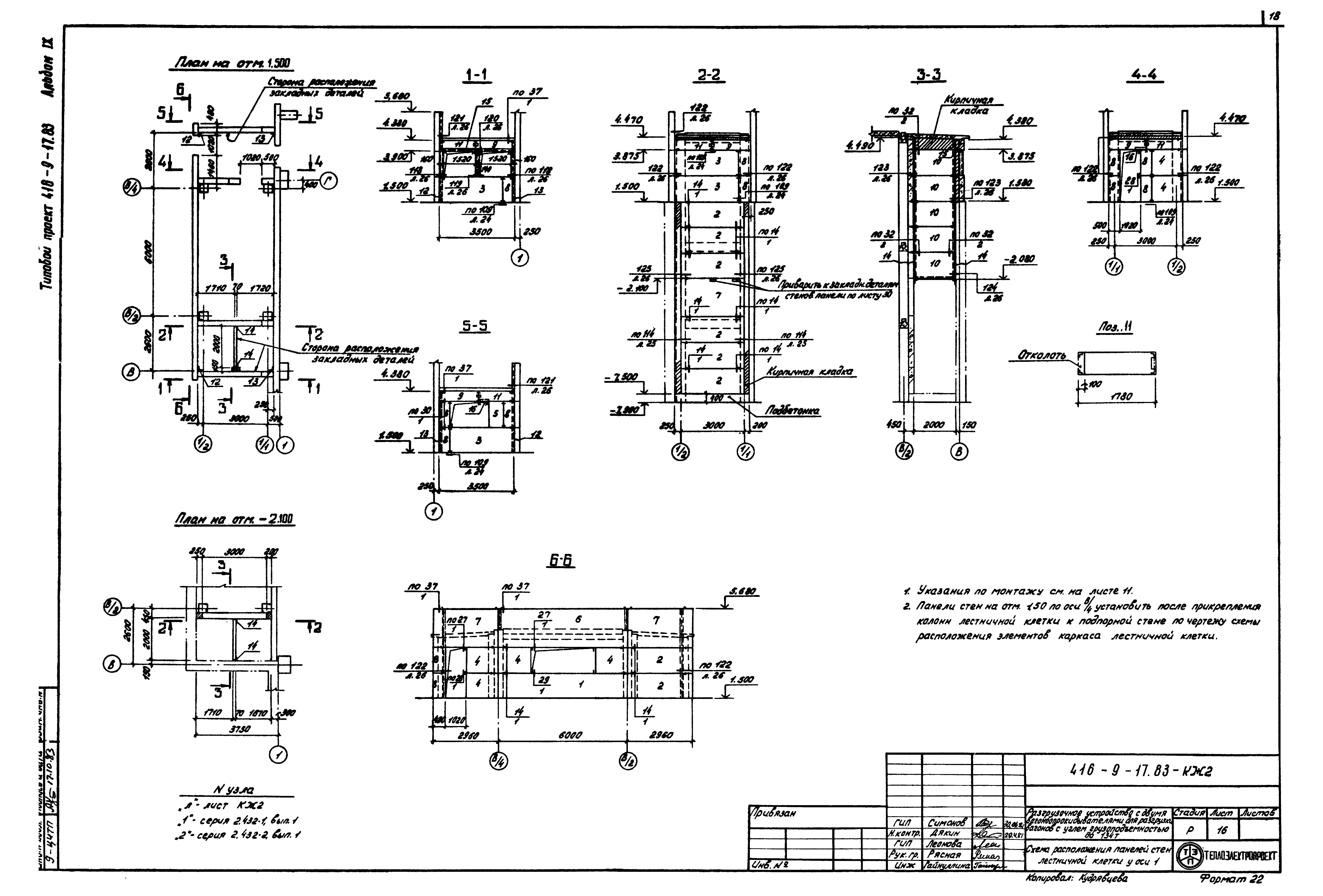
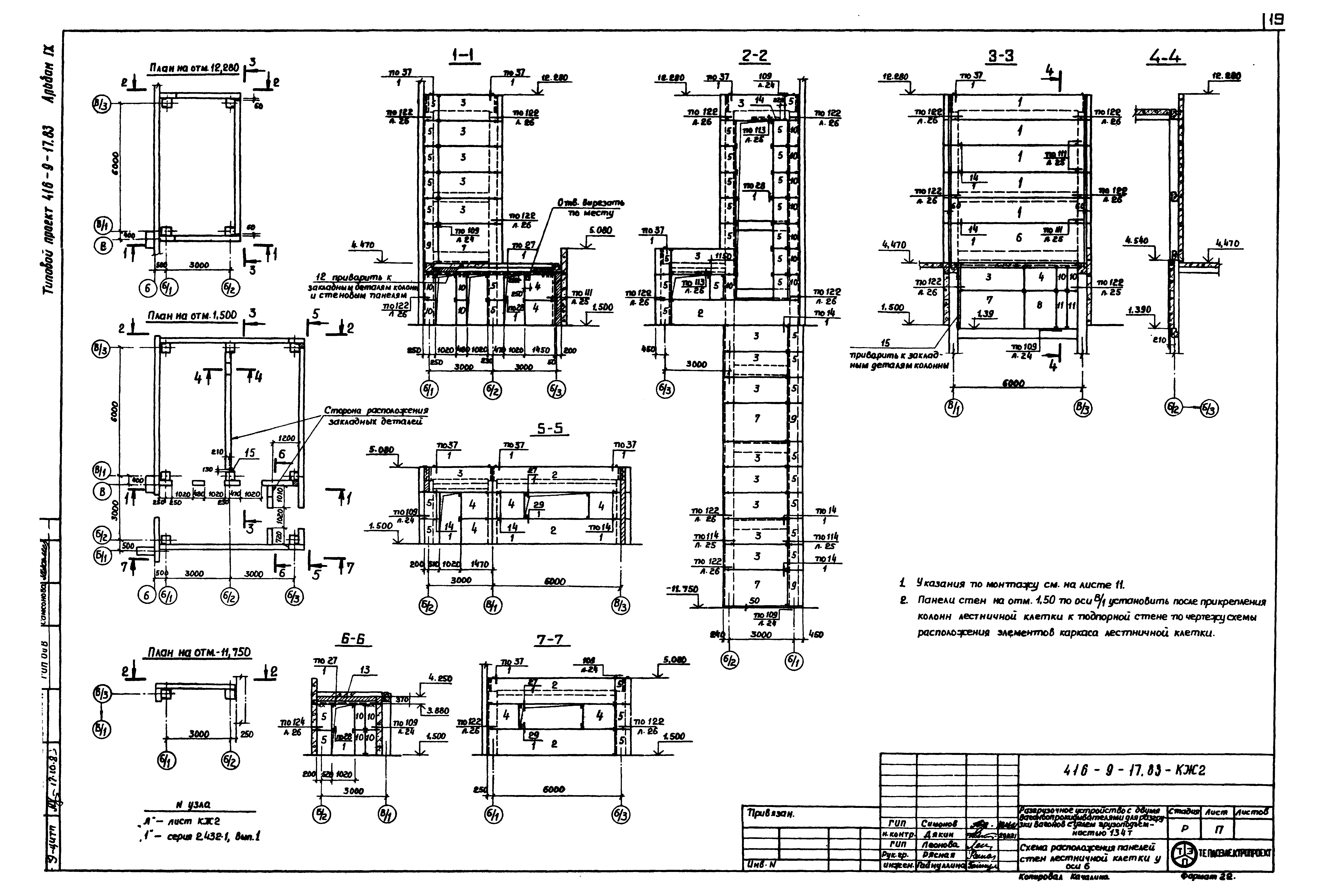
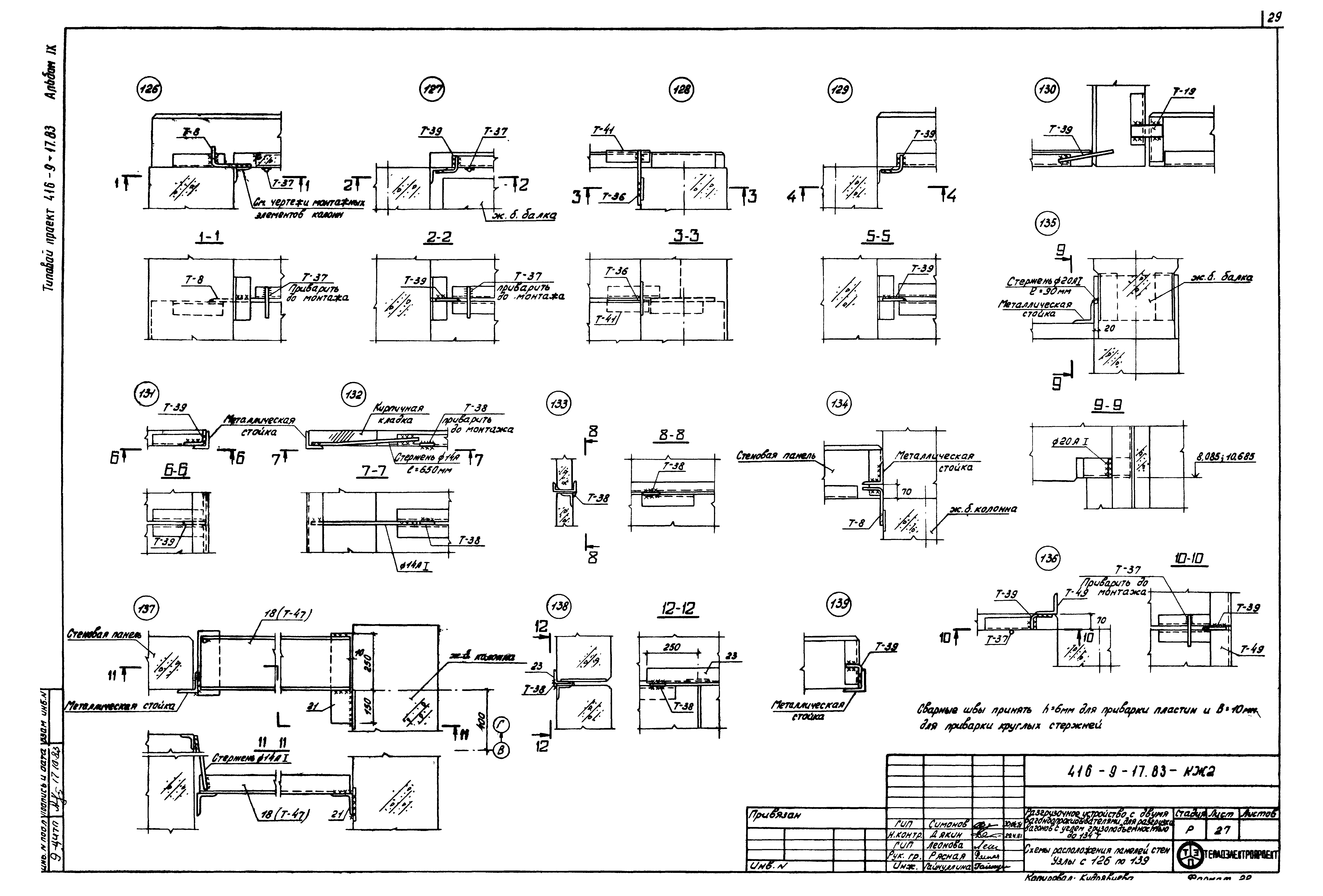
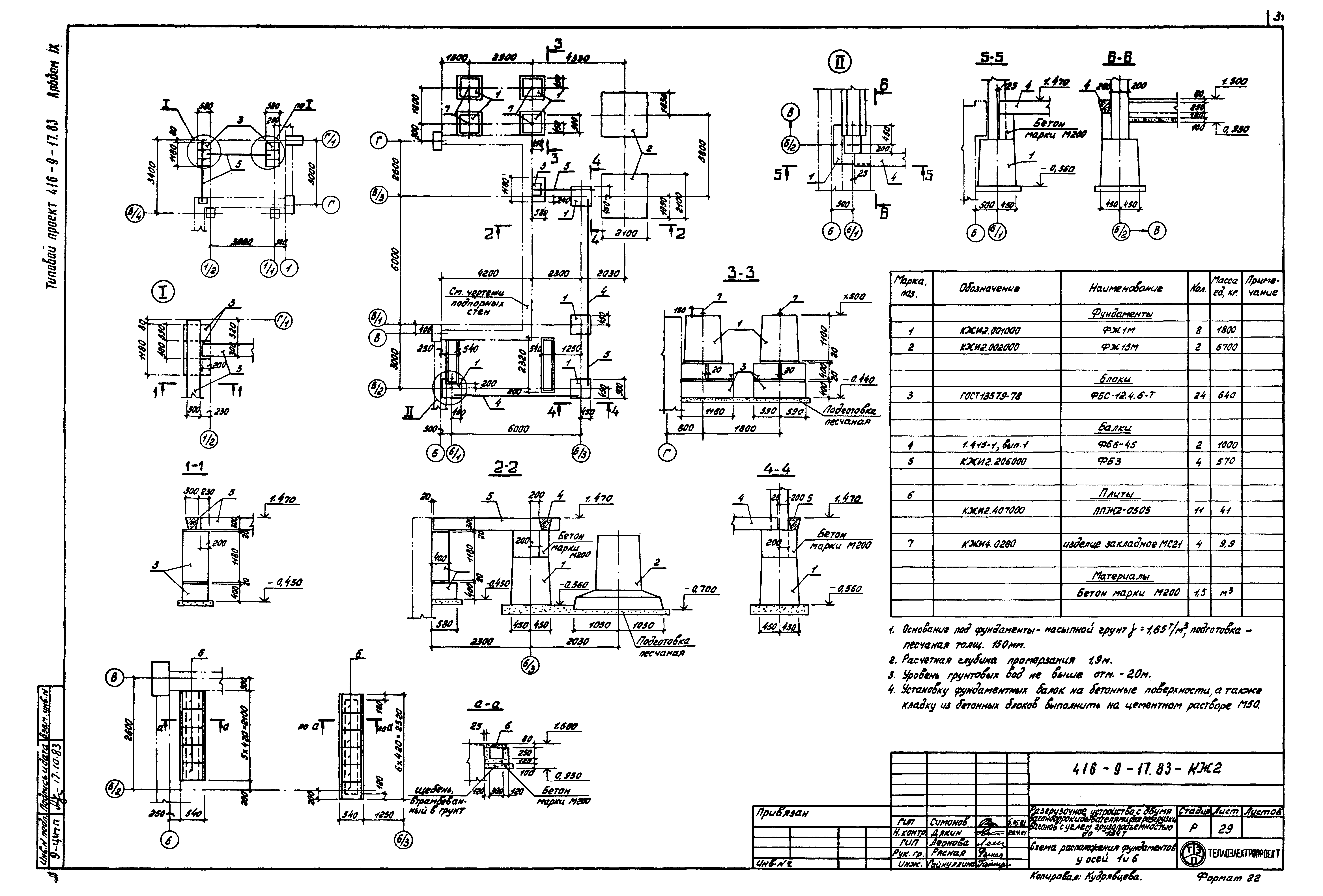
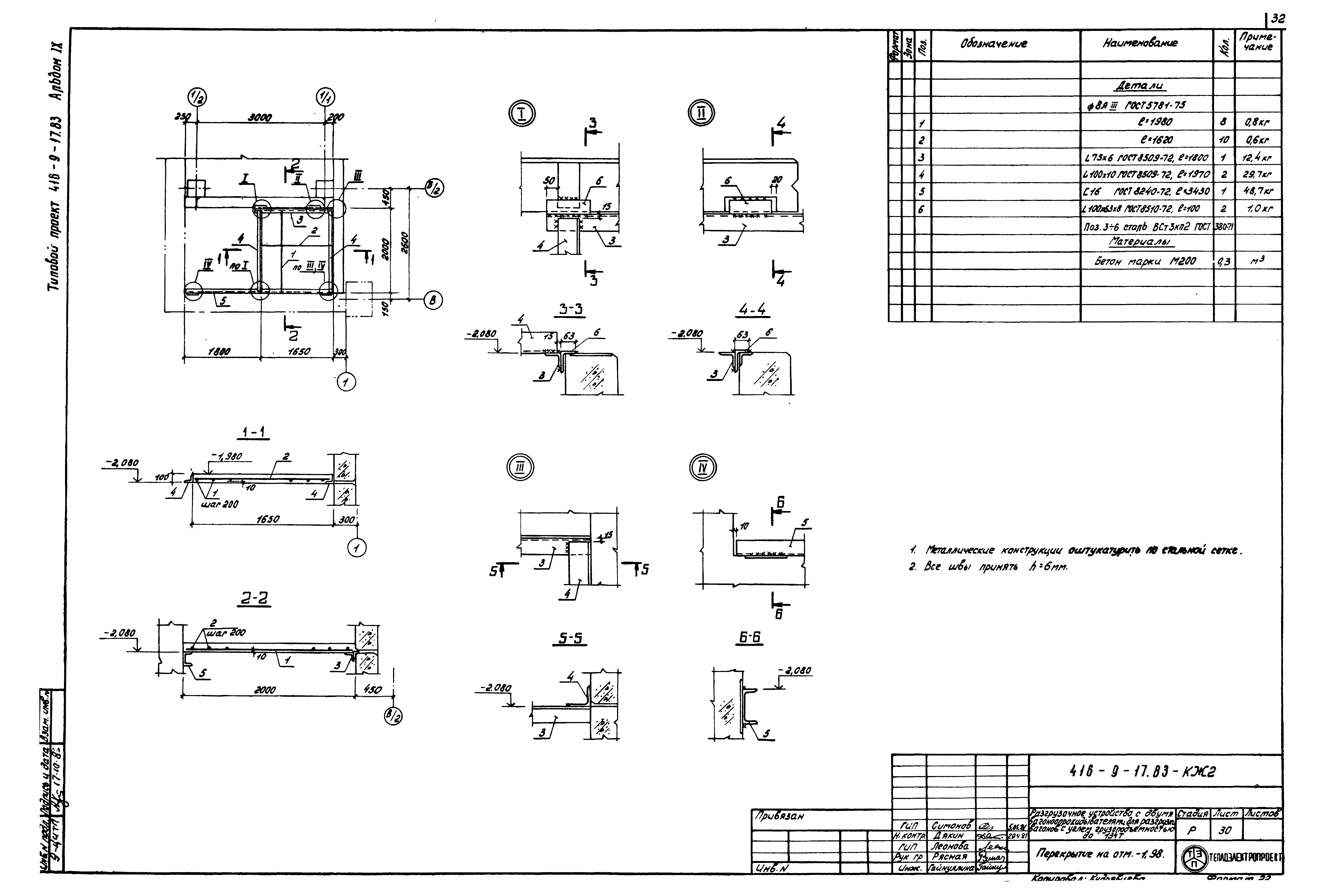
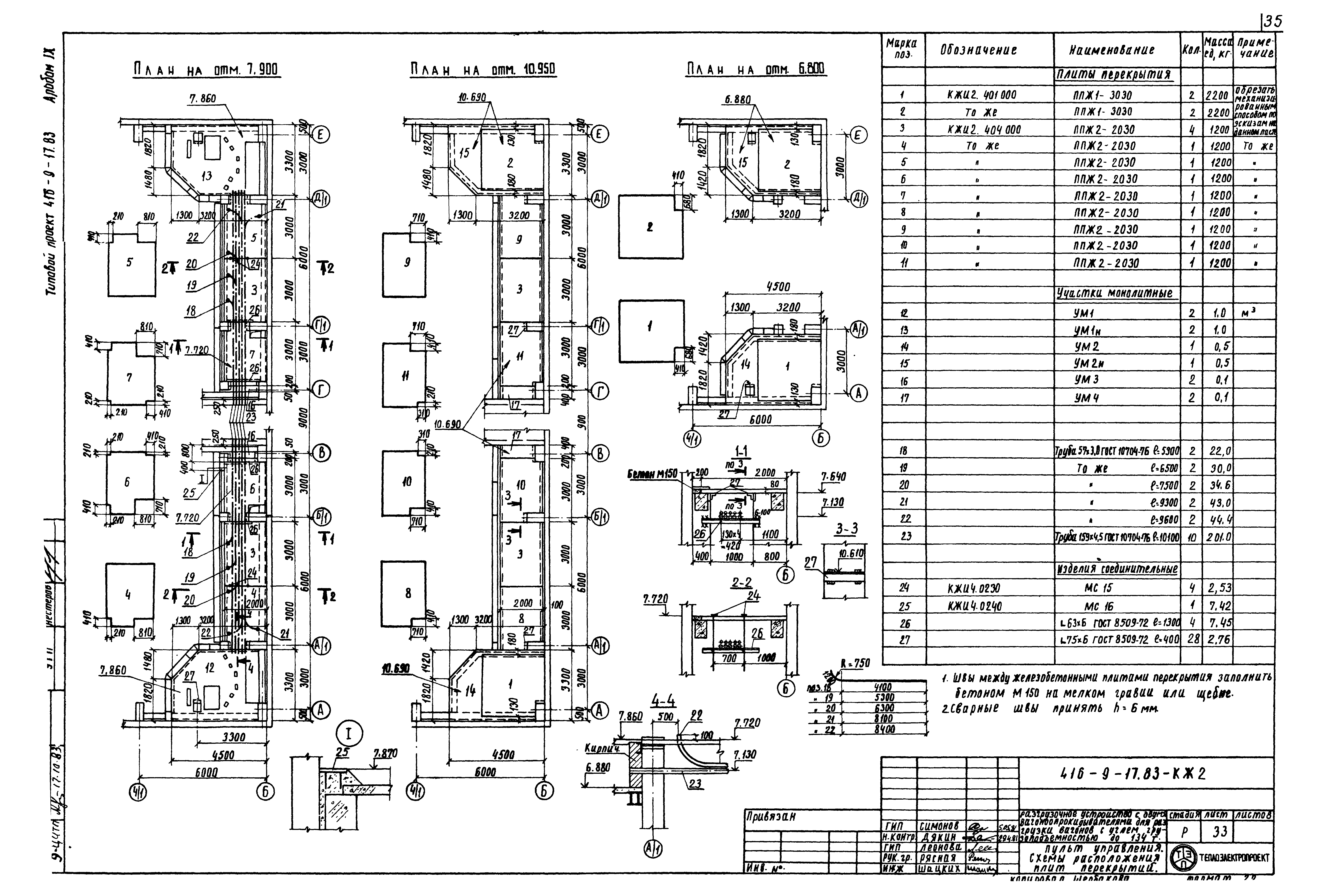
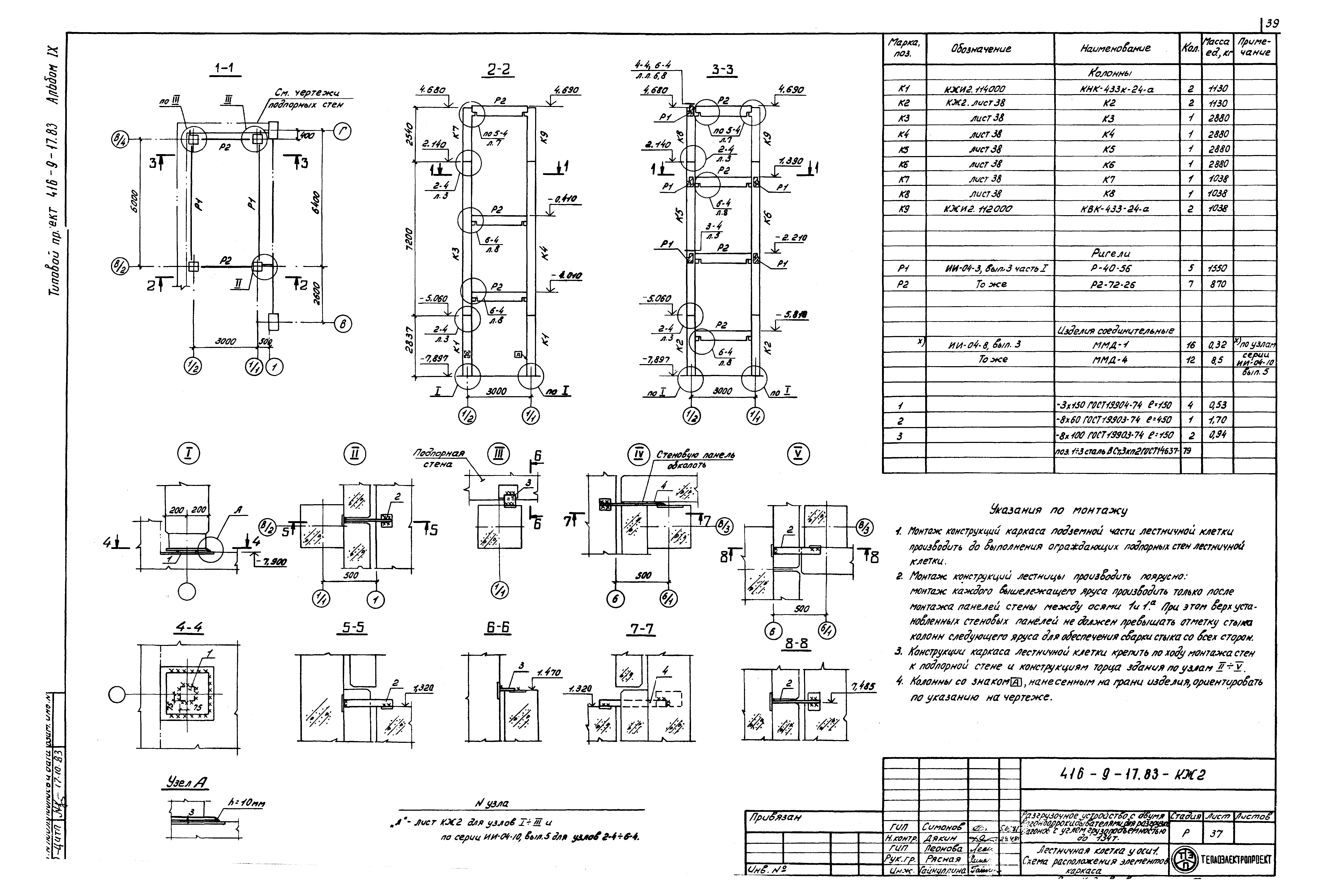
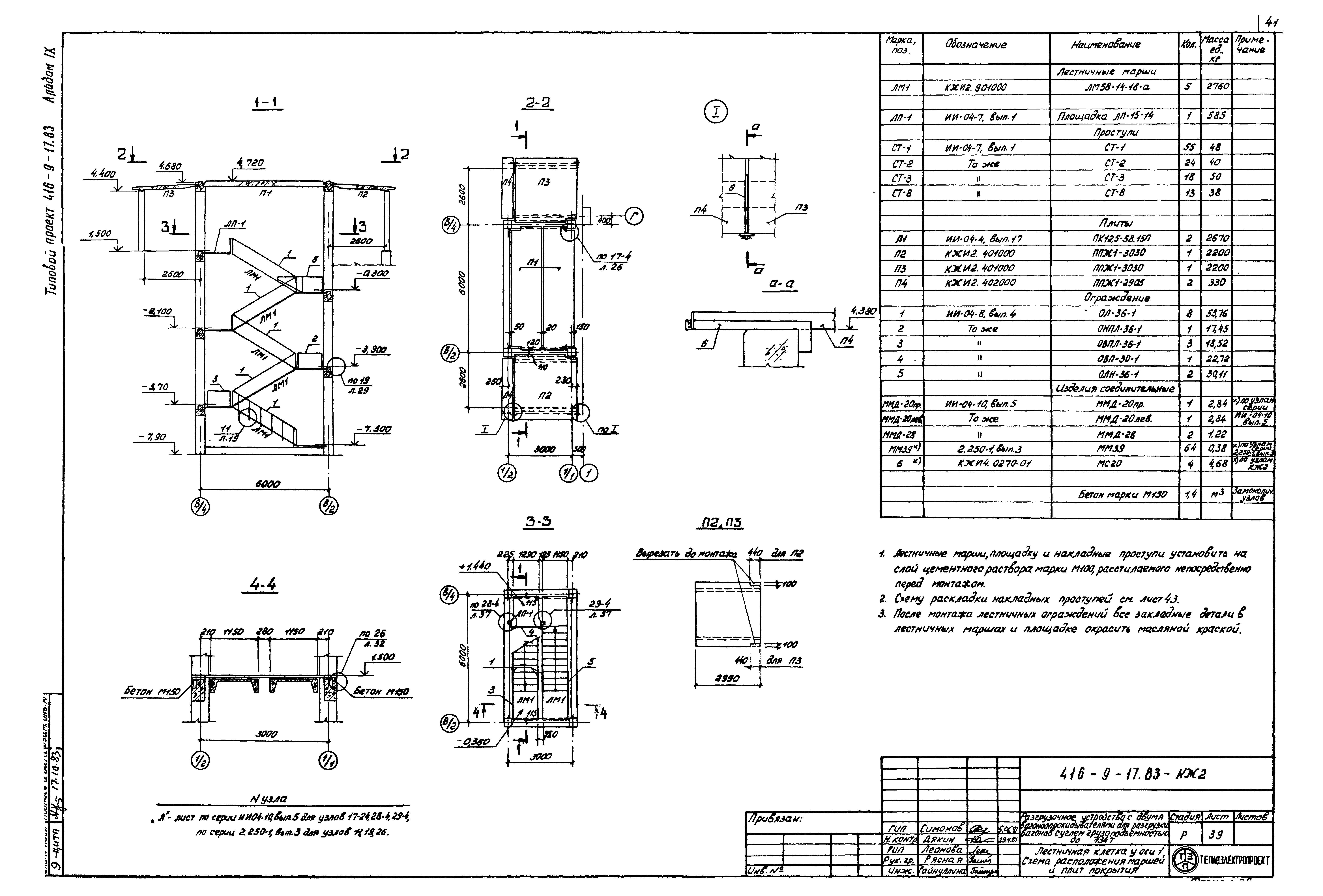
| Оглавление: | Титульный лист Опись альбома Общие данные Схема расположения элементов каркаса. План. Разрезы 1-1 - 4-4 Схема расположения элементов каркаса. Разрезы 5-5 - 7-7. Спецификация Схема расположения элементов каркаса. Узлы. Указания по монтажу Схема расположения элементов каркаса. Монтажные элементы колонн К1 - К7 Схема расположения элементов каркаса. Монтажные элементы колонн К8 - К13 Схема расположения элементов каркаса. Монтажные элементы колонн К14 - К17 Схема расположения элементов каркаса. Монтажные элементы колонн К18 - К23 Схема расположения элементов каркаса. Монтажные элементы колонн К24 - К29. Балки Б3 Схема расположения панелей стен по оси А Схема расположения панелей стен по оси Е Схема расположения панелей стен по оси 1 Схема расположения панелей стен по оси 6 Схема расположения панелей стен по осям 1, 6. Спецификация Схема расположения панелей стен у лестничной клетки у оси 1 Схема расположения панелей стен у лестничной клетки у оси 6 Схема расположения панелей стен у лестничной клетки у осей 1, 6. Спецификация Схема расположения панелей перегородок по оси В Схема расположения панелей перегородок по оси Г Схема расположения панелей перегородок у оси 3/2, у оси 4/1 и у оси А Схема расположения элементов тамбура на отм. 1.50 у оси 6 Схема расположения элементов тамбура на отм. 5.10 у оси 6 Схема расположения панелей стен. Узлы с 101 по 109 Схема расположения панелей стен. Узлы с 110 по 117 Схема расположения панелей стен. Узлы с 118 по 125 Схема расположения панелей стен. Узлы с 126 по 139 Схема расположения панелей стен. Узлы с 140 по 151 Схема расположения фундаментов у осей 1 и 6 Перекрытие на отм. - 1.98 Схемы расположения плит перекрытий на отм. 5.10; 7.90; 11.50 в осях 3/2 - 6 Схема расположения плит перекрытий на отм. 7.90 в осях 1 - 2/1 Пульт управления. Схемы расположения плит перекрытий Пульт управления. Схемы расположения панелей стен Пульт управления. Монолитные участки УМ1 - УМ4 Схема расположения плит покрытия Лестничная клетка у оси 1. Схема расположения элементов каркаса Лестничная клетка у оси 1. Монтажные элементы колонн Схема расположения маршей и плит покрытий Лестничная клетка у оси 6. Схема расположения элементов каркаса Лестничная клетка у оси 6. Монтажные элементы колонн Схема расположения маршей и плит покрытий Лестничные клетки у осей 1 и 6. Узлы. Схемы раскладки накладных проступей |
| Разработан: | Теплоэлектропроект |
| Утверждён: | 17.09.1981 Минэнерго СССР (USSR Minenergo 48) |












































