Скачать Серия 3.501.2-176с.93 Выпуск 1. Материалы для проектирования. Конструкции металлические. Рабочие чертежиДата актуализации: 01.01.2021
|
| Обозначение: | Серия 3.501.2-176с.93 |
| Обозначение англ: | Series 3.501.2-176с.93 |
| Статус: | справочные материалы, мп, тпр |
| Название рус.: | Выпуск 1. Материалы для проектирования. Конструкции металлические. Рабочие чертежи |
| Дата добавления в базу: | 01.09.2013 |
| Дата актуализации: | 01.01.2021 |
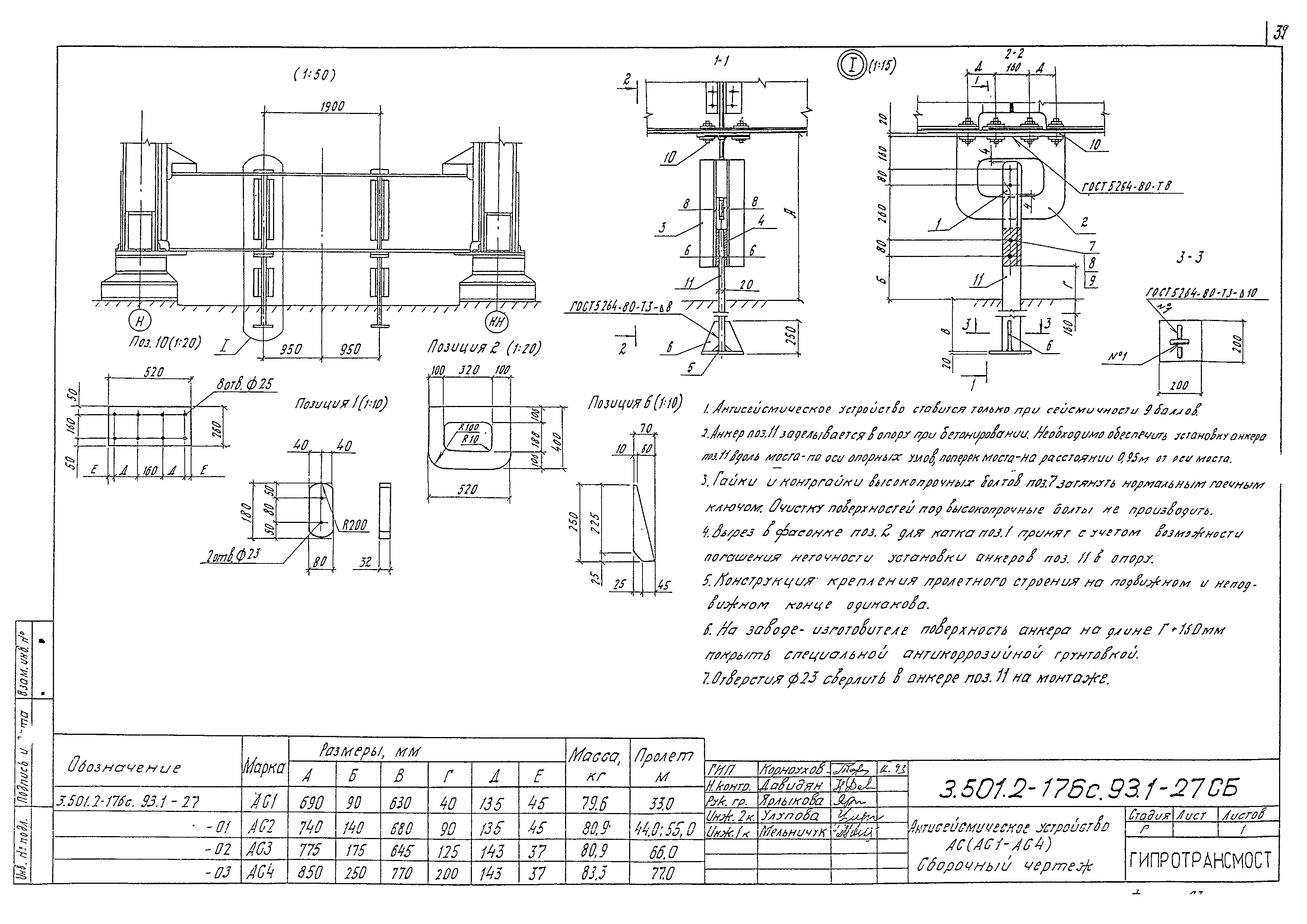
| Оглавление: | 3.501.2-176с.93.1-ПЗ Пояснительная записка 3.501.2-176с.93.1-1 Таблица расчетных усилий элементов главных ферм пролетного строения Lр = 33,8 м 3.501.2-176с.93.1-2 Таблица расчетных усилий элементов главных ферм пролетного строения Lр = 44,8 м 3.501.2-176с.93.1-3 Таблица расчетных усилий элементов главных ферм пролетного строения Lр = 55,0 м 3.501.2-176с.93.1-4 Таблица расчетных усилий элементов главных ферм пролетного строения Lр =66,0 м 3.501.2-176с.93.1-5 Таблица расчетных усилий элементов главных ферм пролетного строения Lр = 77,0 м 3.501.2-176с.93.1-6 Таблица расчетных усилий элементов главных ферм пролетного строения Lр = 88,0 м 3.501.2-176с.93.1-7 Таблица расчетных усилий элементов главных ферм пролетного строения Lр = 110,0 м 3.501.2-176с.93.1-8 Таблица расчетных усилий элементов главных ферм пролетного строения Lр = 2х110,0 м 3.501.2-176с.93.1-9 Таблица расчетных усилий элементов главных ферм пролетного строения Lр = 2х132,0 м 3.501.2-176с.93.1-10 Таблицы расчета нижних и верхних продольных связей главных ферм Lр = 33,0 - 55,0 3.501.2-176с.93.1-11 Таблицы расчета нижних и верхних продольных связей главных ферм Lр = 66,0 м 3.501.2-176с.93.1-12 Таблицы расчета нижних и верхних продольных связей главных ферм Lр = 77,0 м 3.501.2-176с.93.1-13 Таблица расчета усилий нижних продольных связей Lр = 88,0 м 3.501.2-176с.93.1-14 Таблица расчета усилий нижних продольных связей Lр = 110,0 м 3.501.2-176с.93.1-15 Таблицы расчета усилий верхних продольных связей и портального заполнения Lр = 88,0; 110,0 м 3.501.2-176с.93.1-16 Таблицы расчета нижних и верхних продольных связей главных ферм Lр = 2х110,0 м 3.501.2-176с.93.1-17 Таблицы расчета нижних и верхних продольных связей главных ферм Lр = 2х132,0 м 3.501.2-176с.93.1-18 Таблицы расчетных усилий в проезжей части пролетных строений Lр = 33,0 - 55,0 м 3.501.2-176с.93.1-19 Таблицы расчетных усилий в сечениях поперечных балок проезжей части Lр = 66,0 - 77,0 м 3.501.2-176с.93.1-20 Таблица расчетных усилий в поперечных балках проезжей части Lр = 88,0; 110,0; 2х110,0: 2х132,0 м 3.501.2-176с.93.1-21 Таблица расчетных усилий в продольных балках проезжей части в пролетных строениях Lр = 66,0; 77,0; 88,0; 110,0; 2х110,0; 2х132,0 м 3.501.2-176с.93.1-22 Опорные части. Расчет по сейсмику 3.501.2-176с.93.1-23 Расчет антисейсмического устройства Lр = 33,0 - 110,0 м 3.501.2-176с.93.1-24 Расчет антисейсмического устройства Lр = 2х110,0; 2х132,0 м 3.501.2-176с.93.1-25 Основные буквенные обозначения величин 3.501.2-176с.93.1-26 Прикрепление опорных частей к подферменникам. Закладные детали 3.501.2-176с.93.1-27 Антисейсмическое устройство АС (АС1 - АС4) 3.501.2-176с.93.1-27СБ Антисейсмическое устройство АС (АС1 - АС4). Сборочный чертеж 3.501.2-176с.93.1-28 Антисейсмическое устройство АС (АС5, АС6) 3.501.2-176с.93.1-28СБ Антисейсмическое устройство АС (АС5, АС6). Сборочный чертеж 3.501.2-176с.93.1-29 Антисейсмическое устройство АС (АС7 - АС10) 3.501.2-176с.93.1-29СБ Антисейсмическое устройство АС (АС7 - АС10) |
| Разработан: | Гипротрансмост |
| Утверждён: | 01.02.1993 Гипротрансмост |












































