Скачать ГОСТ Р 53737-2009 Нефтяная и газовая промышленность. Поршневые компрессоры. Общие технические требованияДата актуализации: 01.01.2021
|
| Обозначение: | ГОСТ Р 53737-2009 |
| Обозначение англ: | GOST R 53737-2009 |
| Статус: | отменен |
| Название рус.: | Нефтяная и газовая промышленность. Поршневые компрессоры. Общие технические требования |
| Название англ.: | Petroleum and natural gas industries. Reciprocating compressors |
| Дата добавления в базу: | 01.09.2013 |
| Дата актуализации: | 01.01.2021 |
| Дата введения: | 01.01.2011 |
| Дата окончания срока действия: | 01.02.2015 |
| Область применения: | Стандарт содержит минимальные требования для поршневых компрессоров и приводов к ним, используемых в нефтяной и газовой промышленности с цилиндрами со смазкой и без смазки. Стандарт может также по договоренности использоваться в других отраслях. Компрессоры, подпадающие под стандарт, включают в свой диапазон скорости от средней до низкой и пригодны для работы в экстремальных условиях. Сюда также включены относящиеся к ним системы подачи смазки, средства управления, контрольно-измерительная аппаратура, промежуточные охладители, выходные холодильники, устройства для подавления пульсации и другое оборудование. Сюда не входят встроенные газомоторные компрессорные агрегаты, блочные высокоскоростные съемные поршневые газовые компрессоры с механическим приводом, компрессоры с самодвижущимися поршнями однократного действия резиновой манжетой, которые служат также в качестве ползунов, общестанционные воздушные компрессоры или компрессоры воздуха КИП и А, которые разрежаются с манометрическим давлением 9 бар и ниже. Сюда также не входят приводы газовых и паровых двигателей. |
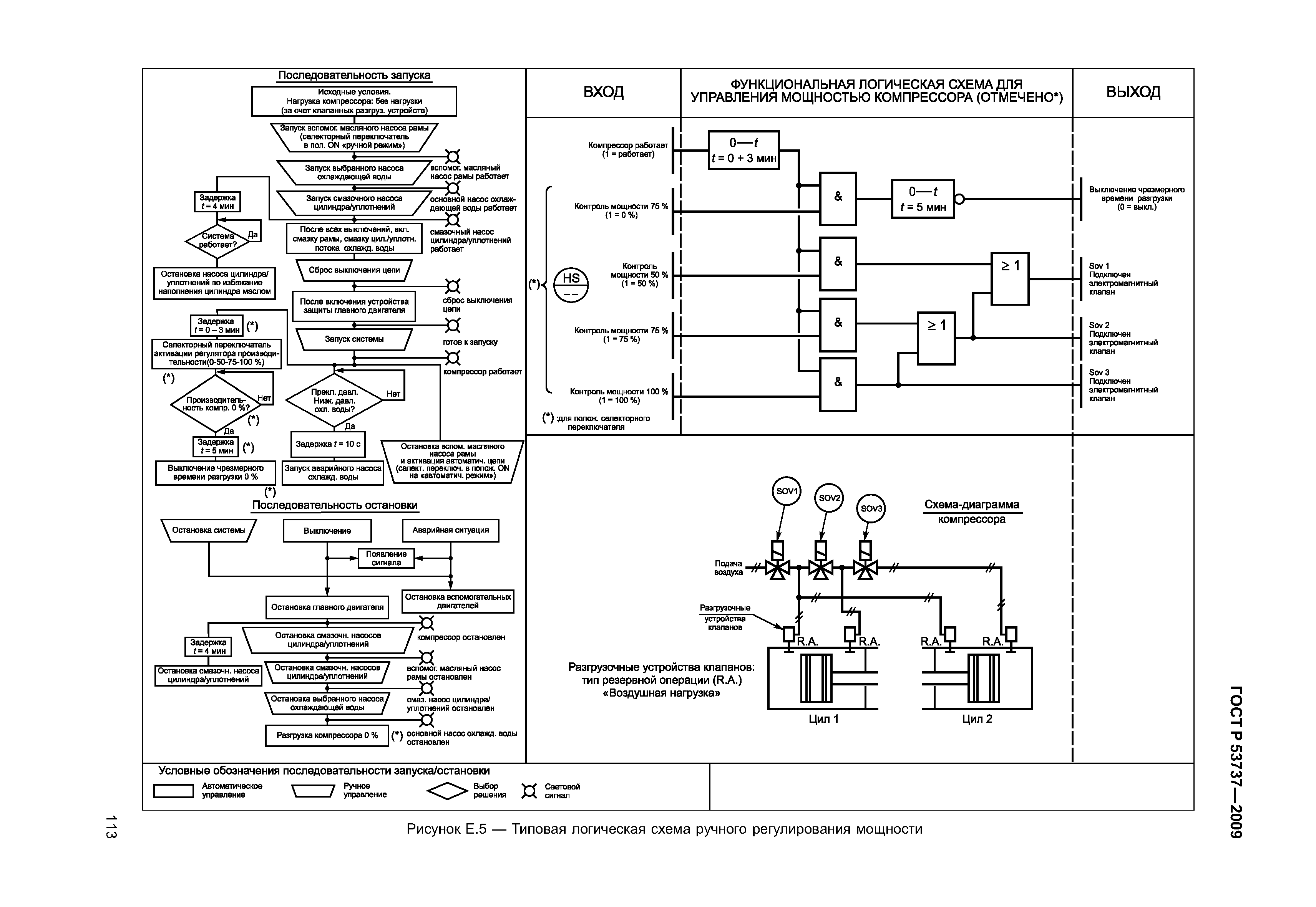
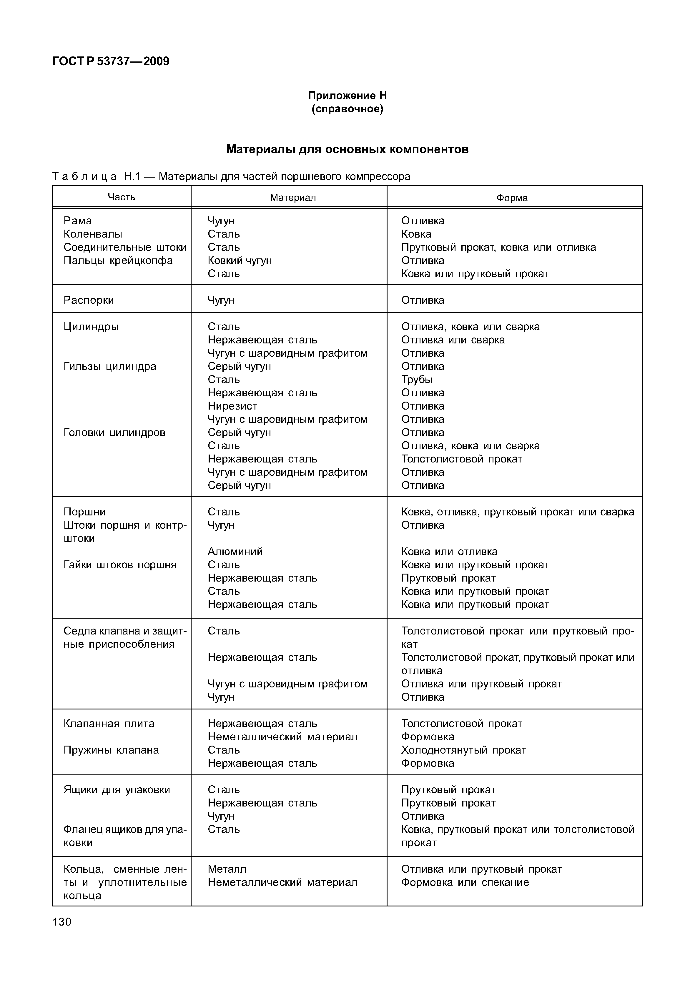
| Оглавление: | 1 Область применения 2 Нормативные ссылки 3 Термины и определения 4 Нормативные требования 5 Основная конструкция 5.1 Общие требования 5.2 Допустимые скорости 5.3 Допустимая температура на выходе 5.4 Шток и нагрузки давления газа 5.5 Критические скорости 6 Элементы компрессора 6.1 Цилиндры компрессора 6.2 Клапаны и разгрузочные устройства 6.3 Поршни, поршневые штоки и поршневые кольца 6.4 Коленчатые валы, картеры, шатуны и крейцкопфы 6.5 Распорные втулки 6.6 Уплотняющие коробки и гидравлическое уплотнение 6.7 Паспортные таблички и стрелки вращения 7 Материалы 7.1 Общие требования 7.2 Детали, находящиеся под давлением 7.3 Литье 7.4 Кованые детали 7.5 Сварные цилиндры и крышки цилиндров 7.6 Ремонт отливок и кованых деталей 7.7 Сварка 7.8 Эксплуатация при низких температурах 8 Подача смазки 8.1 Подача смазки на компрессор 8.2 Смазка цилиндра и уплотнения 9 Вспомогательные устройства 9.1 Приводы 9.2 Муфты и щитки 9.3 Редукционная передача 9.4 Ременная передача 9.5 Установочные плиты 9.6 Промежуточные охладители и выходные доохладители 9.7 Впускные воздушные фильтры 9.8 Специальные инструменты 10 Элементы управления и измерительные приборы 10.1 Общие требования 10.2 Системы управления 10.3 Измерительные приборы и панели управления 10.4 Измерительные приборы 10.5 Сигнальные устройства и устройства для отключения 10.6 Системы электрики 10.7 Датчики вибрации и положения 11 Трубопровод и вспомогательные системы 11.1 Общие требования 11.2 Трубопровод подачи смазочного масла на раму 11.3 Трубопровод подачи смазки под давлением 11.4 Трубопровод охлаждающей жидкости 11.5 Измерительный трубопровод 11 .6 Технологический трубопровод 12 Регулирование пульсации и вибрации 12.1 Общие требования 12.2 Требования к проектированию 12.3 Устройства подавления пульсации 12.4 Опоры для устройств подавления пульсации 13 Проверка и испытания 13.1 Общие требования 13.2 Проверка 13.3 Испытания 14 Подготовка к транспортированию 15 Информация о продавце 15.1 Общие положения 15.2 Предложения 15.3 Информация о контракте Приложение А (справочное) Перечень данных и список деталей Приложение В (справочное) Необходимая производительность, номинальная производительность от производителя и отсутствие минусового допуска Приложение С (справочное) Шток поршня и износ Приложение D (справочное) Ремонт изделий из серого литейного чугуна и чугуна с шаровидным графитом Приложение Е (справочное) Примеры типовой логической диаграммы, показывающей критические функции Приложение F (справочное) Чертеж поставщика и требования к данным Приложение G (справочное) Рисунки и схемы Приложение Н (справочное) Материалы для основных компонентов Приложение I (справочное) Продувка дистанционной распорки, дренажная и буферная системы для минимизации утечки технического газа Приложение J (справочное) Номенклатура поршневого компрессора Приложение К (справочное) Контрольный лист инспектора Приложение L (справочное) Стандартное устройство монтажной плиты Приложение М (справочное) Контрольные исследования пульсации и вибрации Приложение N (справочное) Руководство по проектированию газового трубопровода компрессора и подготовке к акустическому анализу моделирования Приложение О (справочное) Рекомендации по установке размеров низкочастотных акустических фильтров Приложение Р (справочное) Компоненты компрессора - соответствие стандартам [44] Приложение Q (справочное) Системы сигнализации и аварийного отключения Приложение ДА (обязательное) Дополнительные требования к поршневым компрессорам, устанавливаемые в стандартах и технических условиях на поршневые компрессоры конкретных типов Приложение ДБ (справочное) Сведения о соответствии ссылочных национальных и межгосударственных стандартов международным стандартам, использованным в качестве ссылочных в примененном международном стандарте Библиография |
| Разработан: | ФГУП ВНИИНМАШ ООО ЛЕННИИХИММАШ |
| Утверждён: | 15.12.2009 Федеральное агентство по техническому регулированию и метрологии (1071-ст) |
| Нормативные ссылки: |
|
































































































































































