Скачать Типовой проект 501-9-8.84 Альбом II. Чертежи арматурных и закладных изделийДата актуализации: 01.01.2021
|
| Обозначение: | Типовой проект 501-9-8.84 |
| Обозначение англ: | 501-9-8.84 |
| Статус: | не определен законодательством |
| Название рус.: | Альбом II. Чертежи арматурных и закладных изделий |
| Дата добавления в базу: | 01.09.2013 |
| Дата актуализации: | 01.01.2021 |
| Дата введения: | 29.05.1984 |
| Дата окончания срока действия: | 30.06.2003 |
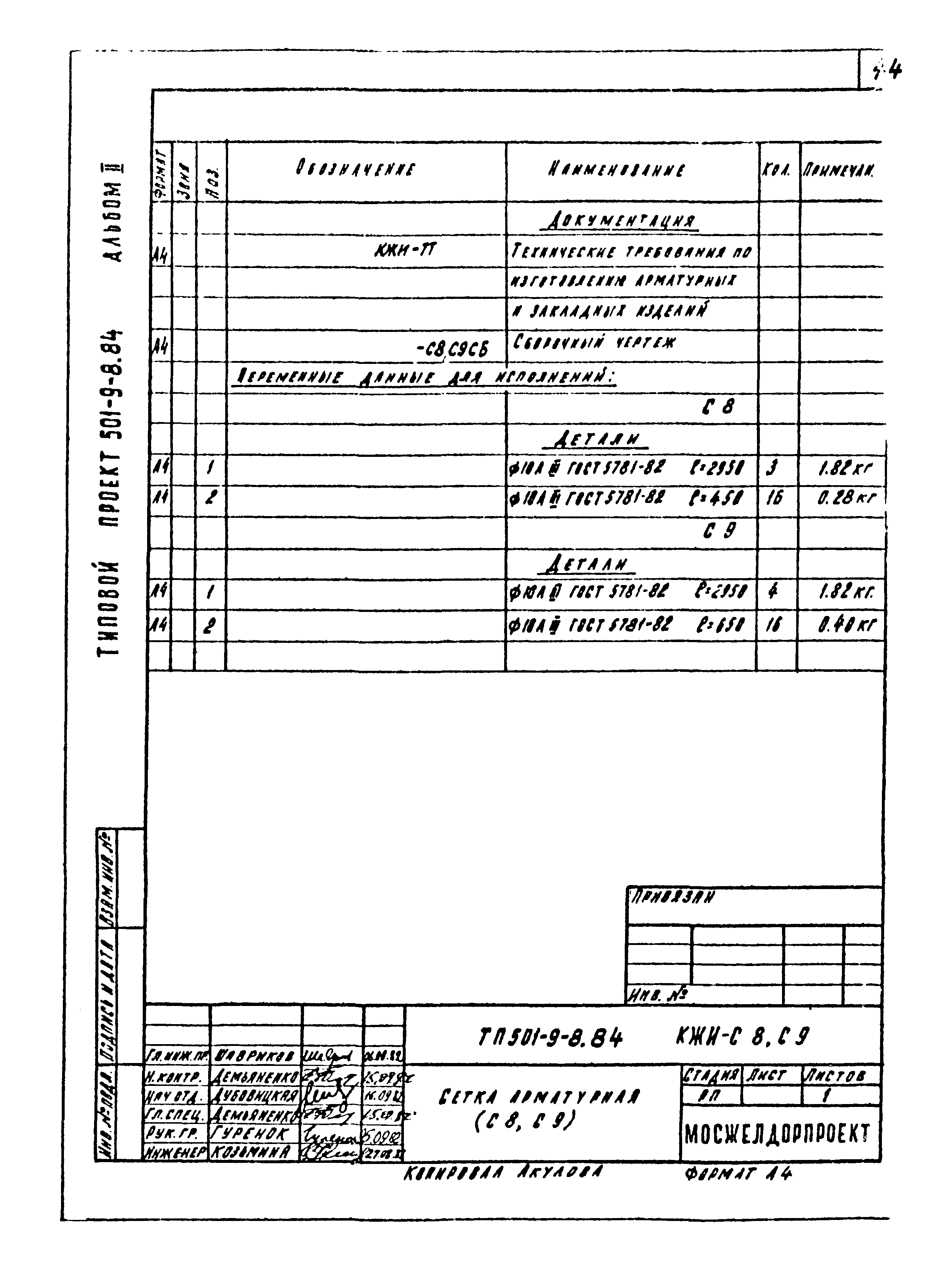
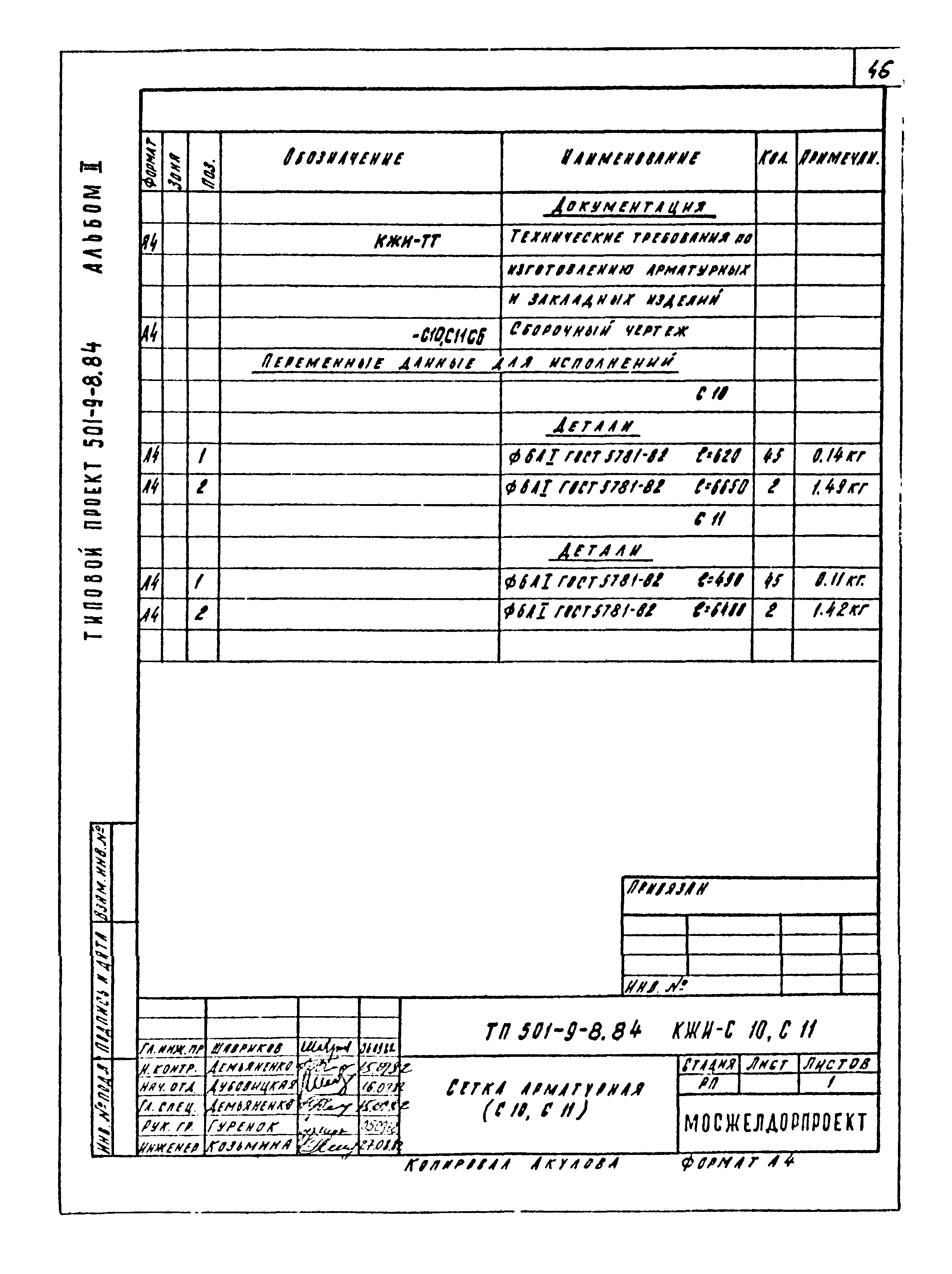
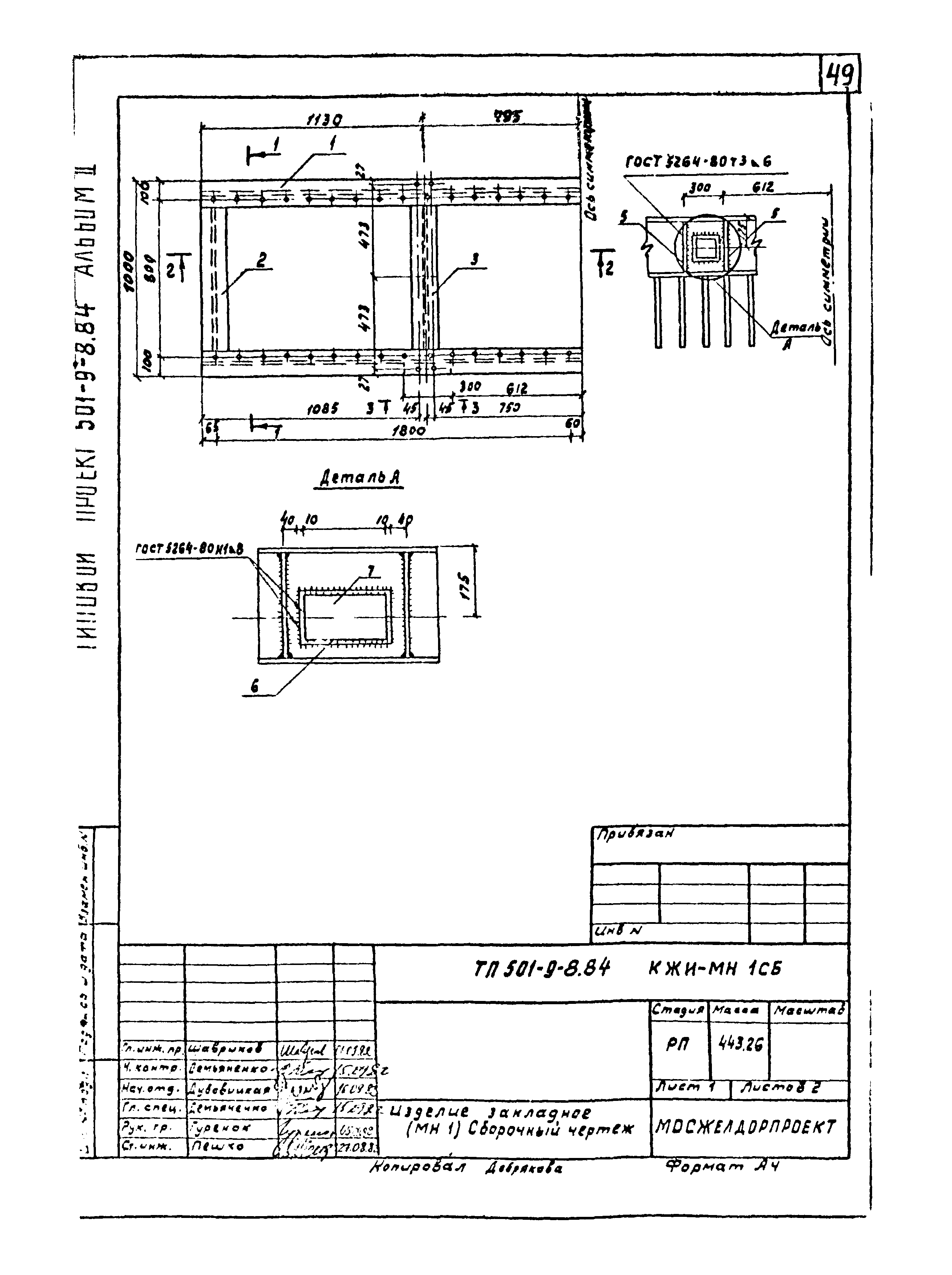
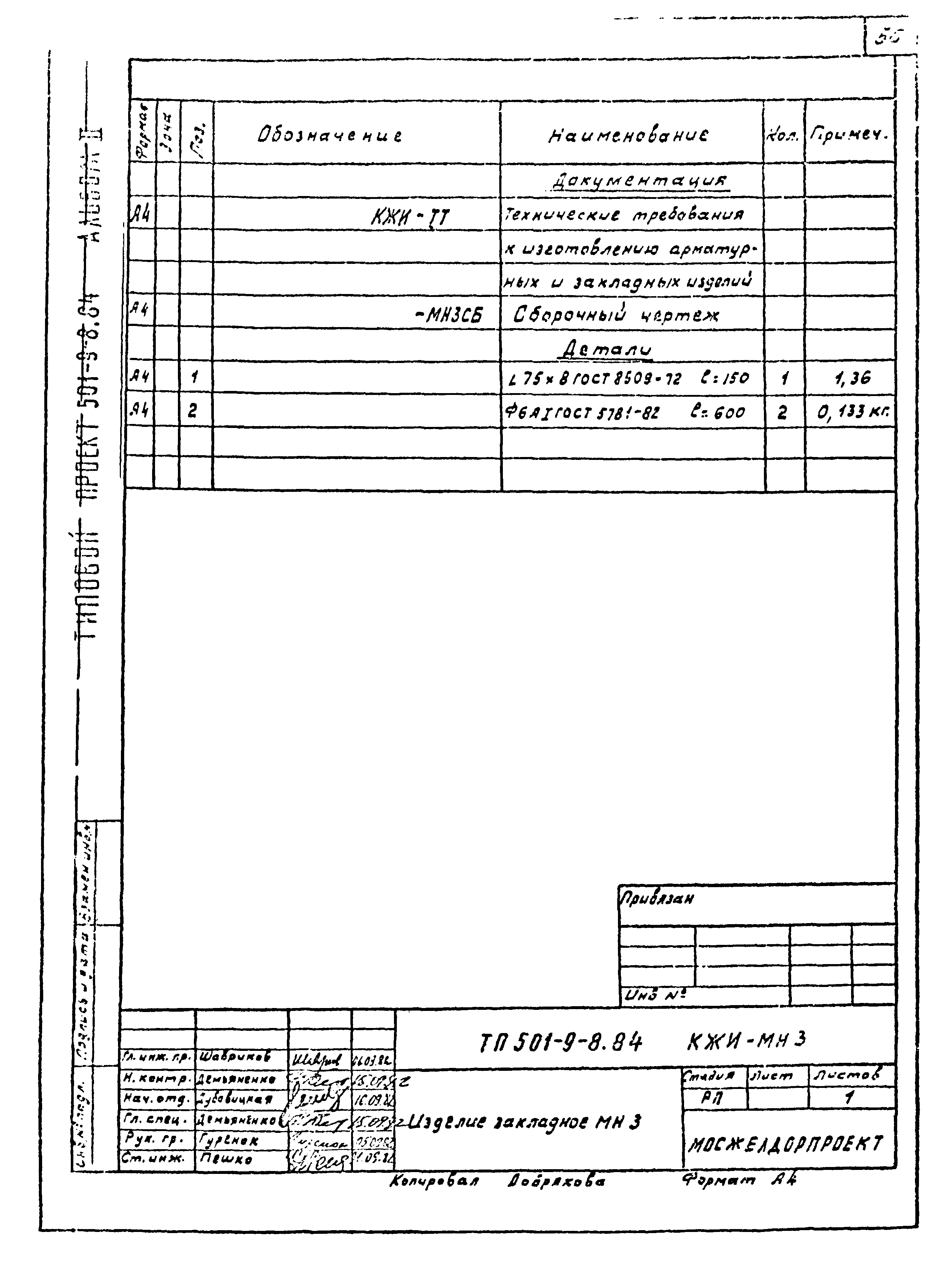
| Оглавление: | Обложка Титульный лист Содержание альбома КЖИ-ТТ Технические требования к изготовлению арматурных и закладных изделий КЖИ-КР1 - КР3СБ Каркас арматурный (КР1, КР2, КР3). Сборочный чертеж КЖИ-КР1 - КР3 Каркас арматурный (КР1, КР2, КР3) КЖИ-КР4, КР5СБ Каркас арматурный (КР4, КР5). Сборочный чертеж КЖИ-КР4, КР5 Каркас арматурный (КР4, КР5) КЖИ-КР6 Каркас арматурный (КР6) КЖИ-КР7 Каркас арматурный (КР7) КЖИ-КР8 Каркас арматурный (КР8) КЖИ-КР9 Каркас арматурный (КР9) КЖИ-КР10 Каркас арматурный (КР10) КЖИ-КР11 Каркас арматурный (КР11) КЖИ-КР12 Каркас арматурный (КР12) КЖИ-КР13 Каркас арматурный (КР13) КЖИ-КР14 Каркас арматурный (КР14) КЖИ-КР15 Каркас арматурный (КР15) КЖИ-КР16 Каркас арматурный (КР16) КЖИ-КР17 Каркас арматурный (КР17) КЖИ-КР18 Каркас арматурный (КР18) КЖИ-КР19 Каркас арматурный (КР19) КЖИ-КП1 Каркас арматурный пространственный (КП1) КЖИ-КП2 Каркас арматурный пространственный (КП2) КЖИ-КП3 Каркас арматурный пространственный (КП3) КЖИ-КП4 Каркас арматурный пространственный (КП4) КЖИ-КП5 Каркас арматурный пространственный (КП5) КЖИ-КП6 Каркас арматурный пространственный (КП6) КЖИ-КП7 Каркас арматурный пространственный (КП7) КЖИ-КП8 Каркас арматурный пространственный (КП8) КЖИ-КП9 Каркас арматурный пространственный (КП9) КЖИ-КП10 Каркас арматурный пространственный (КП10) КЖИ-С1, С2СБ Сетка арматурная (С1, С2). Сборочный чертеж КЖИ-С1, С2 Сетка арматурная (С1, С2) КЖИ-С3 Сетка арматурная (С3) КЖИ-С4 Сетка арматурная (С4) КЖИ-С5, С7СБ Сетка арматурная (С5, С7). Сборочный чертеж КЖИ-С5, С7 Сетка арматурная (С5, С7) КЖИ-С6 Сетка арматурная (С6) КЖИ-С6н Сетка арматурная (С6н) КЖИ-С8, С9СБ Сетка арматурная (С8, С9). Сборочный чертеж КЖИ-С8, С9 Сетка арматурная (С8, С9) КЖИ-С10, С11СБ Сетка арматурная (С10, С11). Сборочный чертеж КЖИ-С10, С11 Сетка арматурная (С10, С11) КЖИ-С12 Сетка арматурная (С12) КЖИ-С13 Сетка арматурная (С13) КЖИ-МН1СБ Изделие закладное (МН1). Сборочный чертеж КЖИ-МН1 Изделие закладное (МН1) КЖИ-МН2СБ Изделие закладное (МН2). Сборочный чертеж КЖИ-МН2 Изделие закладное (МН2) КЖИ-МН3СБ Изделие закладное (МН3). Сборочный чертеж КЖИ-МН3 Изделие закладное (МН3) КЖИ-МН4 Изделие закладное (МН4) КЖИ-МН5 Изделие закладное (МН5) КЖИ-МН5СБ Изделие закладное (МН5). Сборочный чертеж КЖИ-МН6 Изделие закладное (МН6) КЖИ-МН7 Изделие закладное (МН7) |
| Разработан: | Мосжелдорпроект |
| Утверждён: | 25.05.1984 МПС (Ministry of Railroads А-15763) |






























































