Скачать Методические указания по определению потребности в материалах, конструкциях и деталях в составе проектной документации на строительствоДата актуализации: 01.01.2021 |
| Статус: | действует |
| Название рус.: | Методические указания по определению потребности в материалах, конструкциях и деталях в составе проектной документации на строительство |
| Дата добавления в базу: | 01.09.2013 |
| Дата актуализации: | 01.01.2021 |
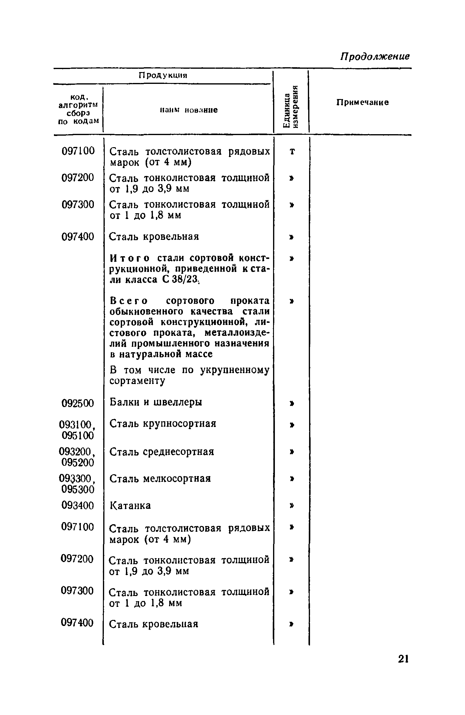
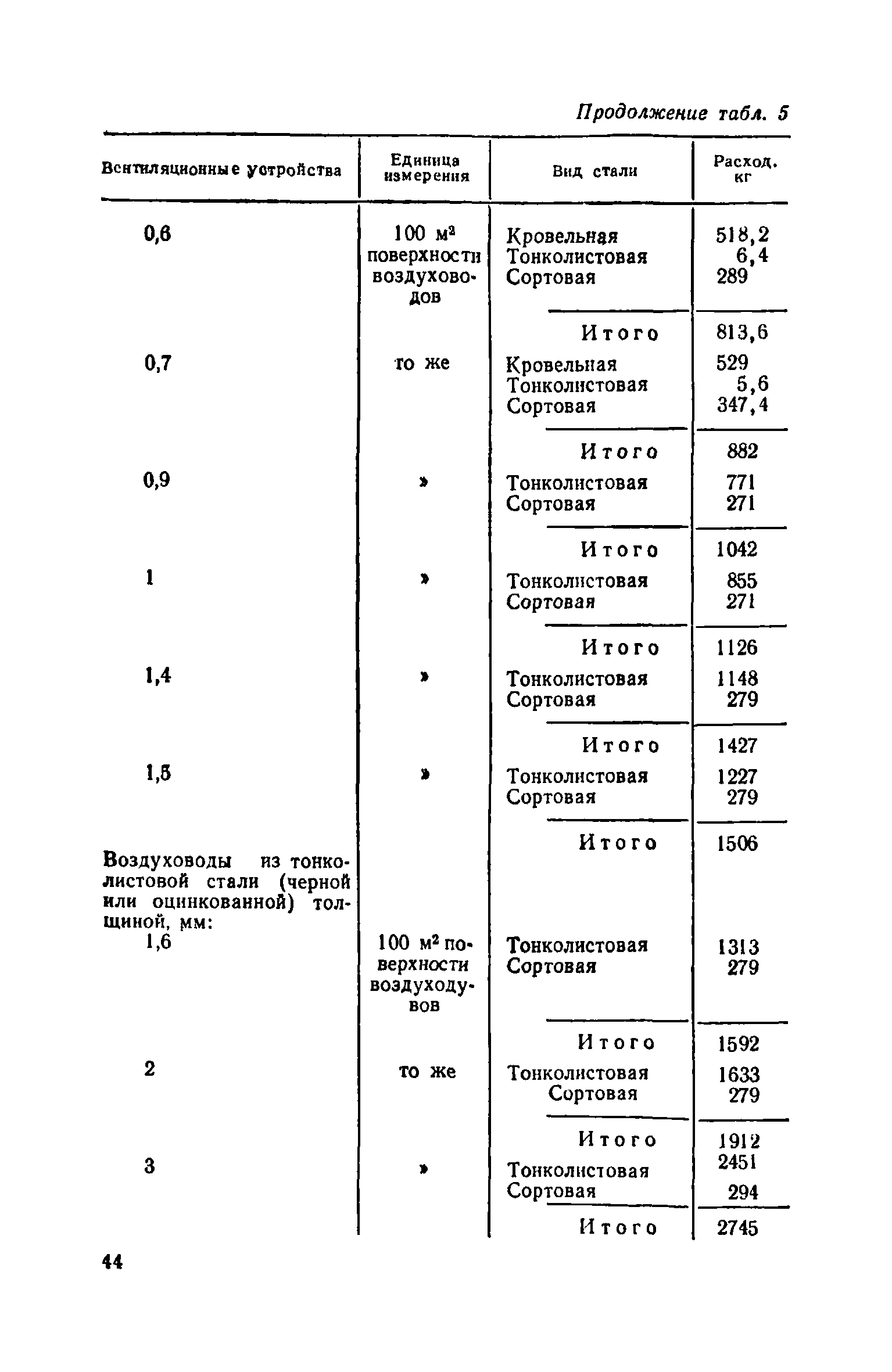
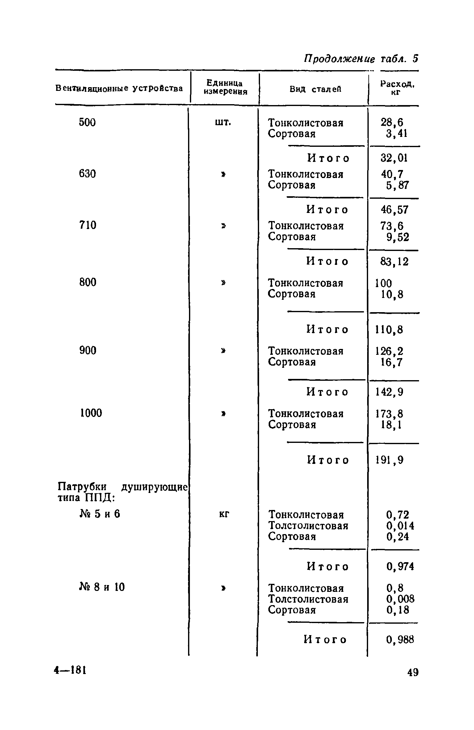
| Область применения: | Документ содержит методы и порядок определения потребности в конструкциях, изделиях, а также материалах на производство строительно-монтажных работ, изготовление конструкций и изделий с учетом отходов и потерь и приведением натуральной потребности к условным единицам измерения. Приведены необходимая нормативно-справочная информация для расчета потребности в материалах на изготовление конструкций и изделий, указания по использованию этой информации, примеры заполнения форм ведомостей потребности в материалах |
| Оглавление: | 1. Общие положения 2. Нормативно-справочная информация для определения потребности в материалах и изделиях в составе проектной документации 3. Указания по использованию нормативно-справочной информации Приложение 1. Отнесение специфицированного сортамента проката черных металлов и стали стержневой арматурной для железобетонных конструкций к укрупненным видам сортамента Приложение 2. Группы элементов сборных бетонных и железобетонных конструкций (извлечение из общесоюзного классификатора) |
| Разработан: | Научно-исследовательский институт экономики строительства Госстроя |
| Утверждён: | Госстрой СССР (Государственный комитет Совета Министров СССР по делам строительства) (USSR Gosstroy ) |
| Издан: | Стройиздат (1983 г. ) |
| Нормативные ссылки: |
|































































































