Скачать Типовой проект 902-2-453.88 Альбом 3. Строительные изделияДата актуализации: 01.01.2021
|
| Обозначение: | Типовой проект 902-2-453.88 |
| Обозначение англ: | 902-2-453.88 |
| Статус: | не определен законодательством |
| Название рус.: | Альбом 3. Строительные изделия |
| Дата добавления в базу: | 01.09.2013 |
| Дата актуализации: | 01.01.2021 |
| Дата введения: | 15.06.1988 |
| Дата окончания срока действия: | 30.06.2003 |
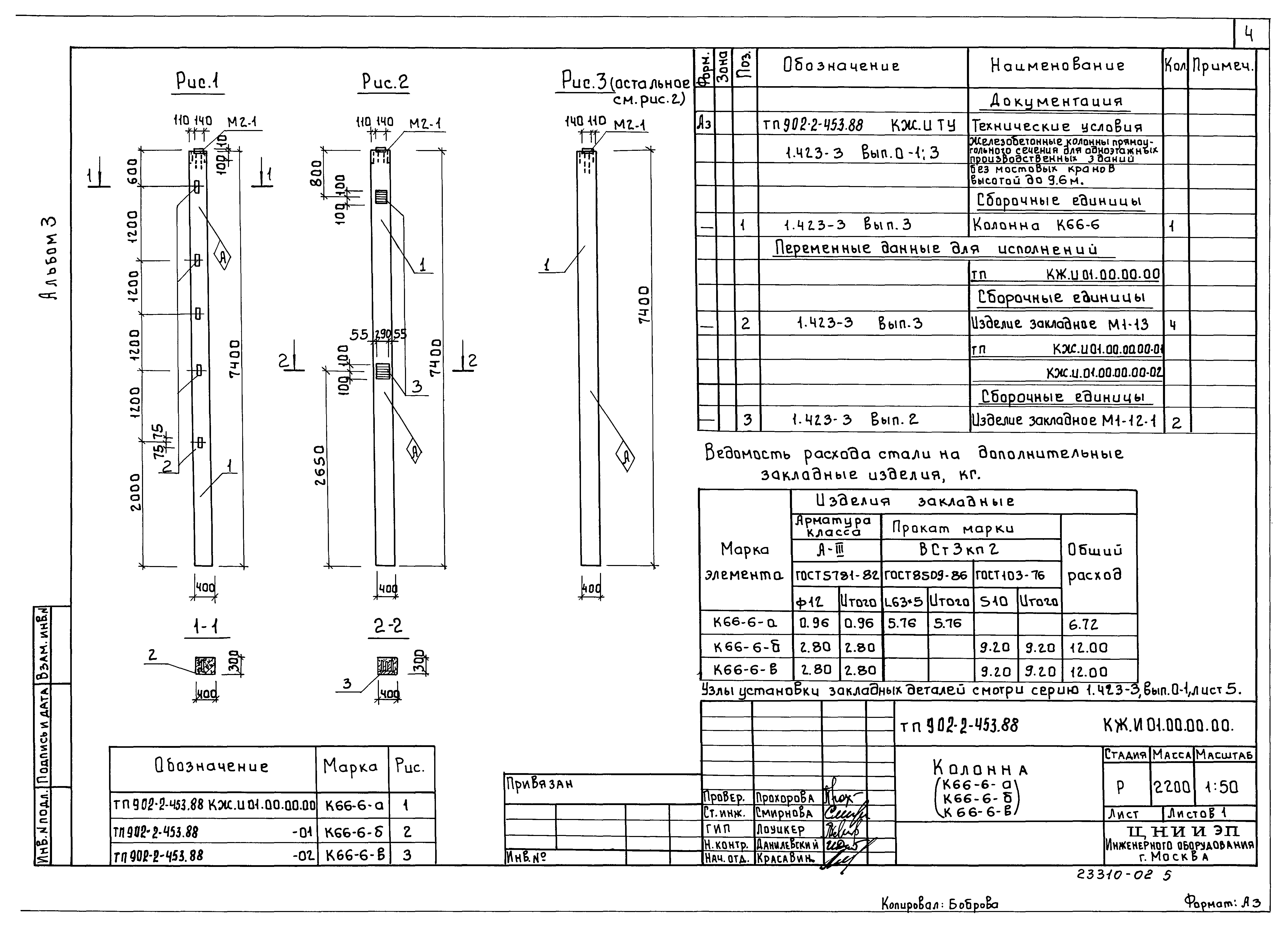
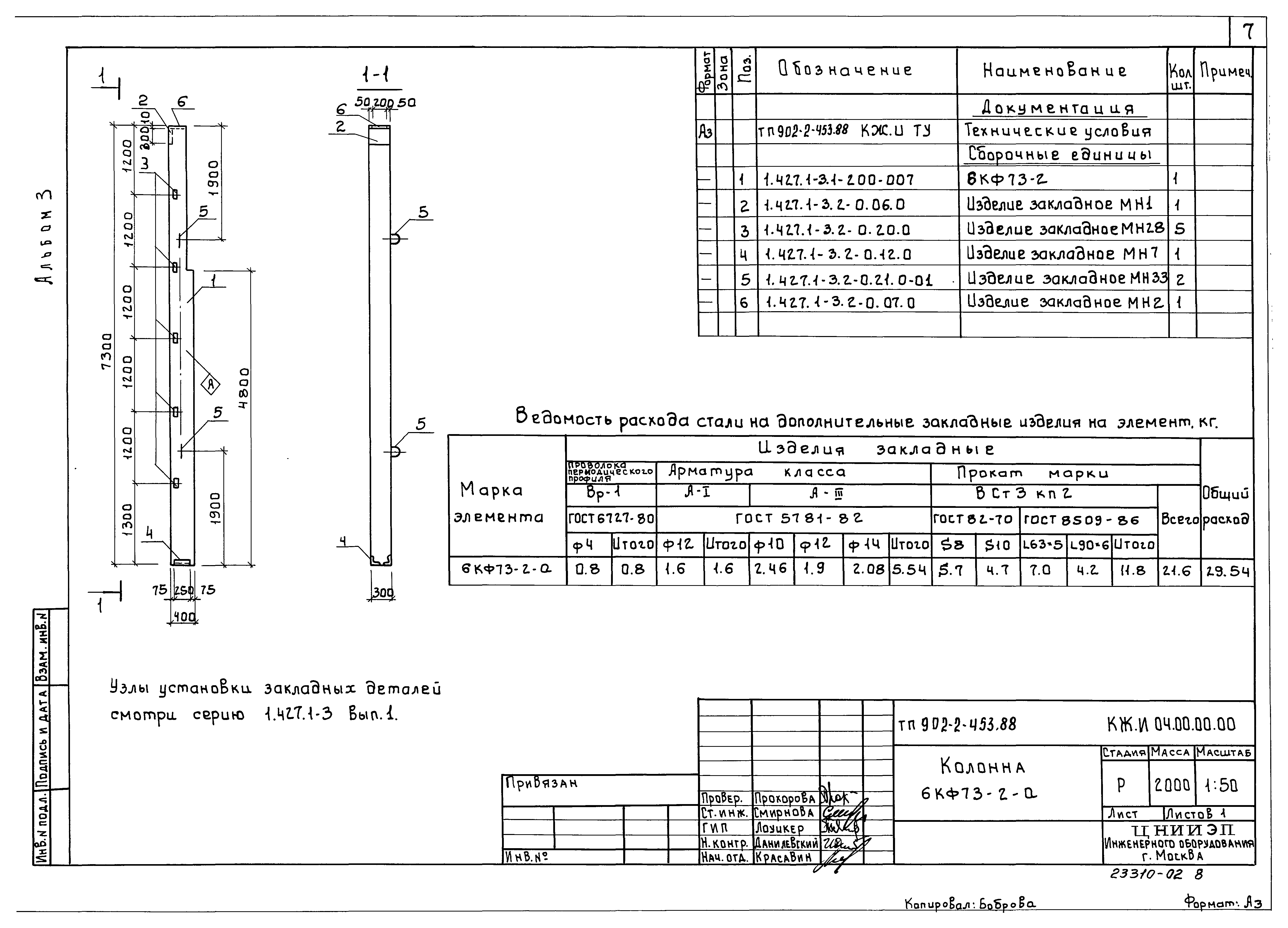
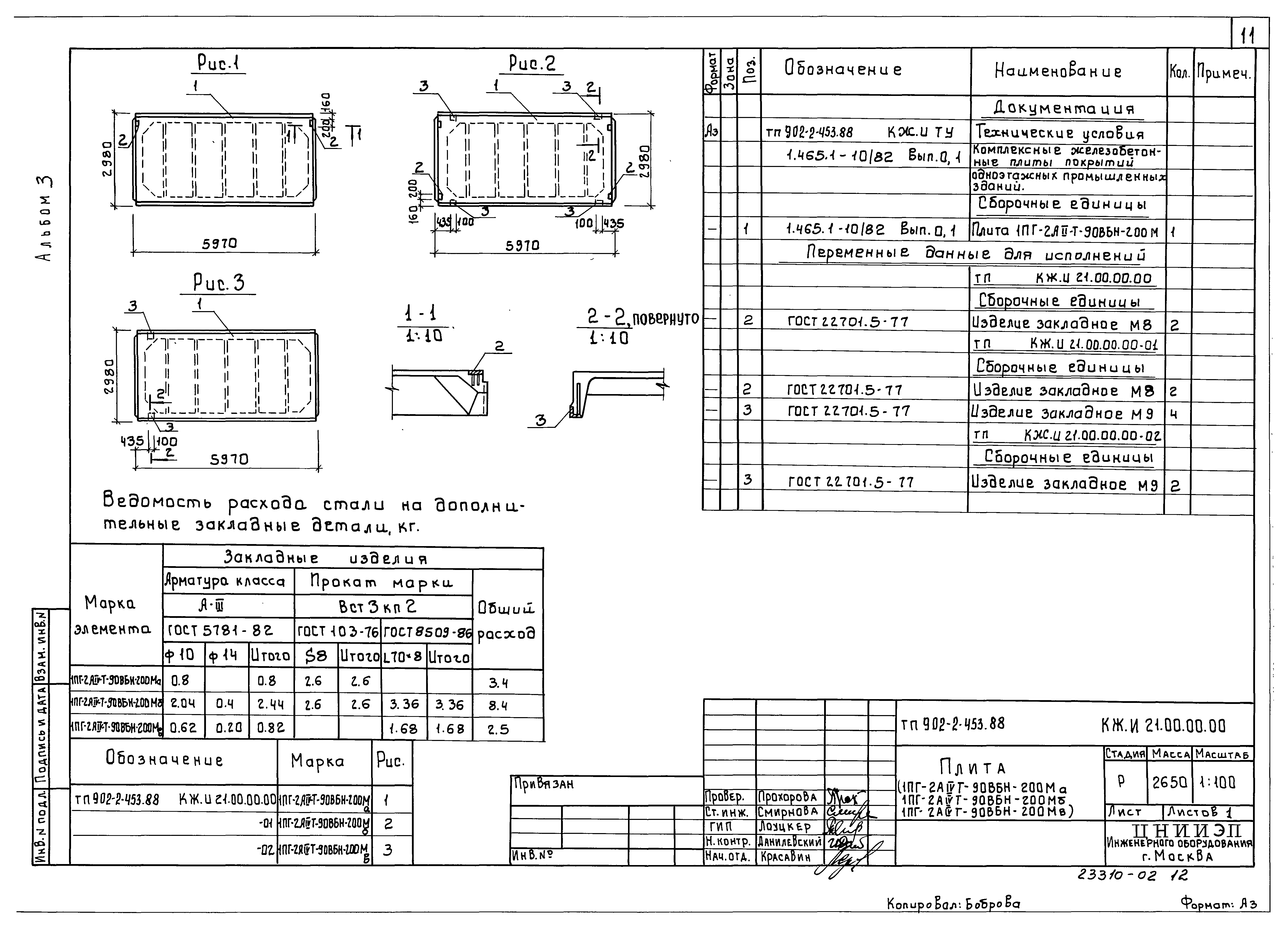
| Оглавление: | 902-2-453.88 КЖ.И ТУ Технические условия 902-2-453.88 КЖ.И 01.00.00.00 Колонна (К66-6-а, К66-6-б, К66-6-в) 902-2-453.88 КЖ.И 02.00.00.00 Колонна (К30-1-а, К30-1-б, К30-1-в) 902-2-453.88 КЖ.И 03.00.00.00 Колонна 1КФ37-1-а 902-2-453.88 КЖ.И 04.00.00.00 Колонна 6КФ73-2-а 902-2-453.88 КЖ.И 11.00.00.00 Балка (1БСП12-3АIV-а, 1БСП12-3АIV-б) 902-2-453.88 КЖ.И 12.00.00.00 Балка 1БСП12-6АV-а 902-2-453.88 КЖ.И 13.00.00.00 Балка (1БСТ6-2АIVта, 1БСТ6-2АIVтб) 902-2-453.88 КЖ.И 21.00.00.00 Плита (1ПГ-2АIVт-90ВБН-200Ма; 1ПГ-2АIVт-90ВБН-200Мб; 1ПГ-2АIVт-90ВБН-200Мв) 902-2-453.88 КЖ.И 22.00.00.00 Плита (1ПВЧ-6АIV-т-90ВБН-200Ма; 1ПВЧ-3АIV-т-90ВБН-200Мб) 902-2-453.88 КЖ.И 23.00.00.00 Плита (1ПВ7-3АIVт-90ВБН-200Ма; 1ПВ7-6АIVт-90ВВН-200Мб) 902-2-453.88 КЖ.И 24.00.00.00 Плита (1ПГ-5АIVт-90ВБН-200Ма) 902-2-453.88 КЖ.И 00.01.00.00 Рама металлическая РМ1 902-2-453.88 КЖ.И 00.02.00.00 Рама металлическая РМ2 902-2-453.88 КЖ.И 00.03.00.00 Рама металлическая РМ3 902-2-453.88 КЖ.И 31.00.00.00 Панель стеновая ПС60.12.2.5-3л-31а 902-2-453.88 КЖ.И 00.04.00.00 Решетка жалюзийная (ЖР1, ЖР2) 902-2-453.88 КЖ.И 00.05.00.00 Щит металлический Щ1 902-2-453.88 КЖ.И 00.06.00.00 Щит металлический (Щ2, Щ3) 902-2-453.88 КЖ.И 00.00.01.00 Сетка арматурная С1 902-2-453.88 КЖ.И 00.00.02.00 Сетка арматурная С2 902-2-453.88 КЖ.И 00.00.03.00 Сетка арматурная С3 902-2-453.88 КЖ.И 00.00.04.00 Сетка арматурная С4 902-2-453.88 КЖ.И 00.00.05.00 Сетка арматурная С5 902-2-453.88 КЖ.И 00.00.06.00 Сетка арматурная С6 902-2-453.88 КЖ.И 00.00.00.02 Элемент соединительный МС2 902-2-453.88 КЖ.И 00.00.00.01 Элемент соединительный МС1 |
| Разработан: | ЦНИИЭП инженерного оборудования |
| Утверждён: | 15.06.1988 Госкомархитектура (170) |






















