Скачать Серия 1.830.8-2 Выпуск 1. Материалы для проектирования и рабочие чертежи узловДата актуализации: 01.01.2021
|
| Обозначение: | Серия 1.830.8-2 |
| Обозначение англ: | Series 1.830.8-2 |
| Статус: | не действует |
| Название рус.: | Выпуск 1. Материалы для проектирования и рабочие чертежи узлов |
| Дата добавления в базу: | 01.09.2013 |
| Дата актуализации: | 01.01.2021 |
| Дата окончания срока действия: | 01.08.1987 |
| Область применения: | Настоящий выпуск содержит схемы расположения асбестоцементных экструзионных панелей продольных и торцовых стен горизонтальной разрезки; рабочие чертежи монтажных и архитектурно-строительных узлов |
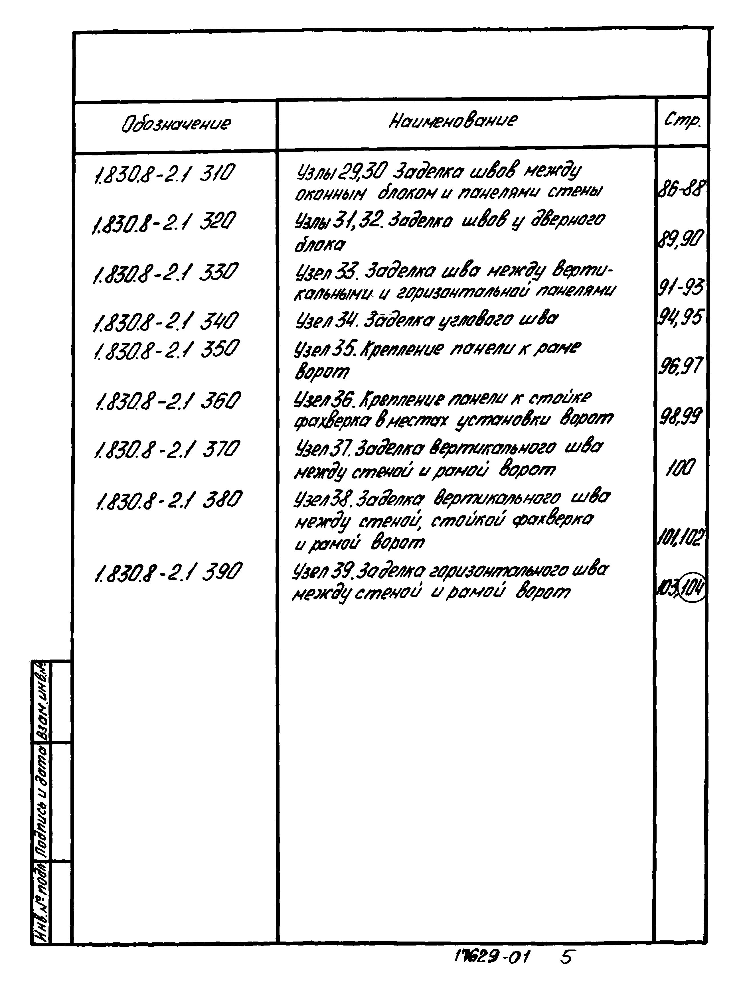
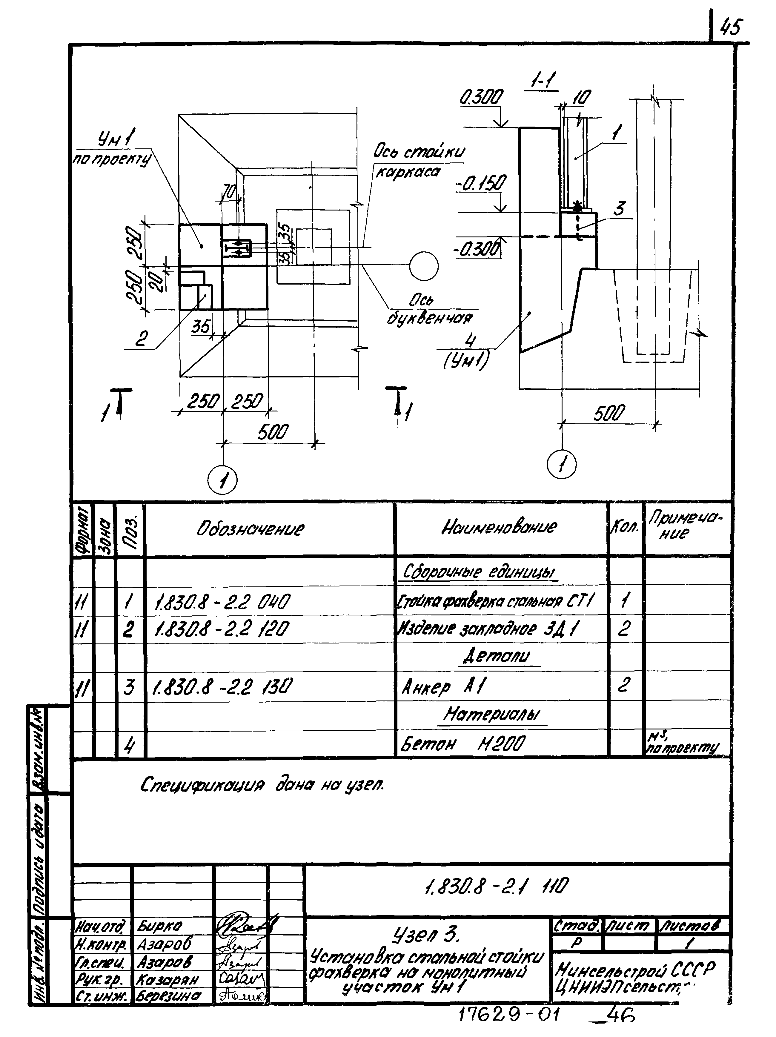
| Оглавление: | 1.830.8-2.1 000ПЗ Пояснительная записка 1.830.8-2.1 010 Номенклатура панелей 1.830.8-2.1 011 Панель (ПАЭ-СТ…-И, ПС) 1.830.8-2.1 020 Схема расположения панелей продольных стен 1.830.8-2.1 030 Схема расположения панелей продольных стен с ленточным остеклением 1.830.8-2.1 040 Схема расположения панелей продольных стен в месте установки дверного блока в осях m-n 1.830.8-2.1 050 Схема расположения панелей торцовых стен для пролета 18 м 1.830.8-2.1 060 Схема расположения панелей торцовых стен для пролета 18 м 1.830.8-2.1 070 Схема расположения панелей торцовых стен для пролета 21 м 1.830.8-2.1 080 Схема расположения панелей торцовых стен для пролета 21 м 1.830.8-2.1 090 Схема расположения панелей торцовых стен для пролета 21 м 1.830.8-2.1 100 Узлы 1, 2. Установка надколонника на железобетонную колонну 1.830.8-2.1 110 Узел 3. Установка стальной стойки фахверка на монолитный участок Ум1 1.830.8-2.1 120 Узел 4. Крепление стальной стойки фахверка к крайней колонне каркаса 1.830.8-2.1 130 Узел 5. Заделка шва между горизонтальной панелью стены и цокольной панелью 1.830.8-2.1 140 Узел 6. Крепление панелей к крайней колонне и стальной стойке фахверка 1.830.8-2.1 150 Узлы 7, 14, 17. Крепление панелей к колонне 1.830.8-2.1 160 Узел 8. Обрамление отверстия для вентилятора 1.830.8-2.1 170 Узлы 9, 10, 16. Установка панелей на опорные столики 1.830.8-2.1 180 Узел 11. Крепление панелей к надколоннику 1.830.8-2.1 190 Узел 12. Крепление панелей к надколоннику у температурного шва 1.830.8-2.1 200 Узел 13. Крепление оконных блоков 1.830.8-2.1 210 Узел 15. Крепление стального ригеля 1.830.8-2.1 220 Узлы 18, 19. Заделка шва между вертикальными панелями стены и цокольной панелью 1.830.8-2.1 230 Узел 20. Крепление вертикальной панели к стальному ригелю 1.830.8-2.1 240 Узел 21. Установка дверного блока на монолитный участок Ум2 1.830.8-2.1 250 Узлы 22, 23. Установка дверного блока 1.830.8-2.1 260 Узел 24. Установка угловой панели на монолитный участок Ум1 1.830.8-2.1 270 Узел 25. Крепление панелей к надколоннику стальной стойки фахверка 1.830.8-2.1 280 Узел 26. Заделка вертикального шва 1.830.8-2.1 290 Узел 27. Заделка горизонтального шва 1.830.8-2.1 300 Узел 28. Заделка температурного шва 1.830.8-2.1 310 Узлы 29, 30. Заделка швов между оконным блоком и панелями стены 1.830.8-2.1 320 Узлы 31, 32. Заделка швов у дверного блока 1.830.8-2.1 330 Узел 33. Заделка шва между вертикальными и горизонтальной панелями 1.830.8-2.1 340 Узел 34. Заделка углового шва 1.830.8-2.1 350 Узел 35. Крепление панели к раме ворот 1.830.8-2.1 360 Узел 36. Крепление панели к стойке фахверка в местах установки ворот 1.830.8-2.1 370 Узел 37. Заделка вертикального шва между стеной и рамой ворот 1.830.8-2.1 380 Узел 38. Заделка вертикального шва между стеной, стойкой фахверка и рамой ворот 1.830.8-2.1 390 Узел 39. Заделка горизонтального шва между стеной и рамой ворот |
| Разработан: | ЦНИИСК им. В.А. Кучеренко ЦНИИЭПсельстрой |
| Утверждён: | 29.05.1981 Госстрой СССР (Государственный комитет Совета Министров СССР по делам строительства) (USSR Gosstroy 38) |
| Нормативные ссылки: |
|









































































































