Скачать Типовой проект 901-1-90.87 Альбом IV. Индустриальные изделияДата актуализации: 01.01.2021
|
| Обозначение: | Типовой проект 901-1-90.87 |
| Обозначение англ: | 901-1-90.87 |
| Статус: | не определен законодательством |
| Название рус.: | Альбом IV. Индустриальные изделия |
| Дата добавления в базу: | 01.09.2013 |
| Дата актуализации: | 01.01.2021 |
| Дата введения: | 28.08.1987 |
| Дата окончания срока действия: | 30.06.2003 |
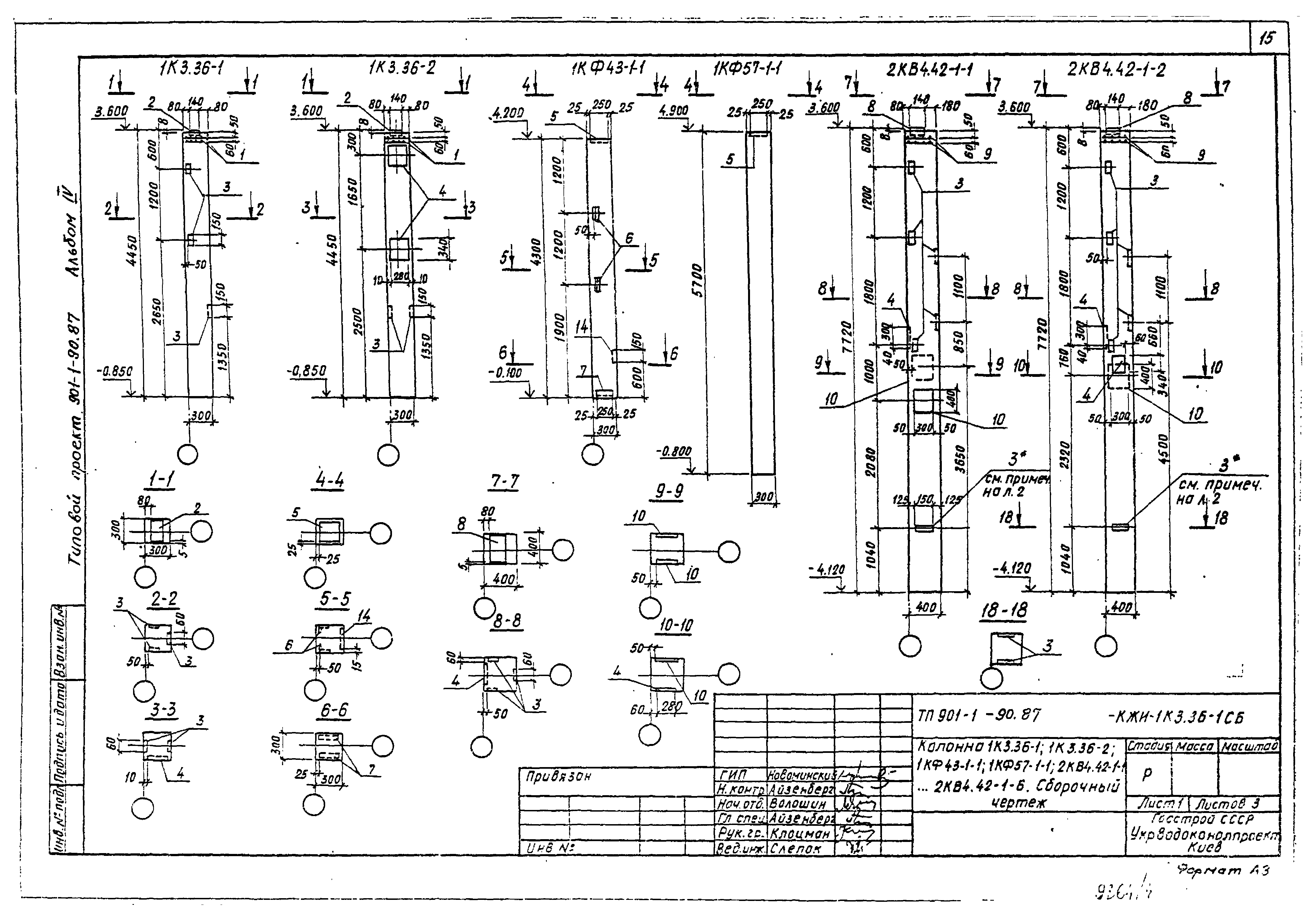
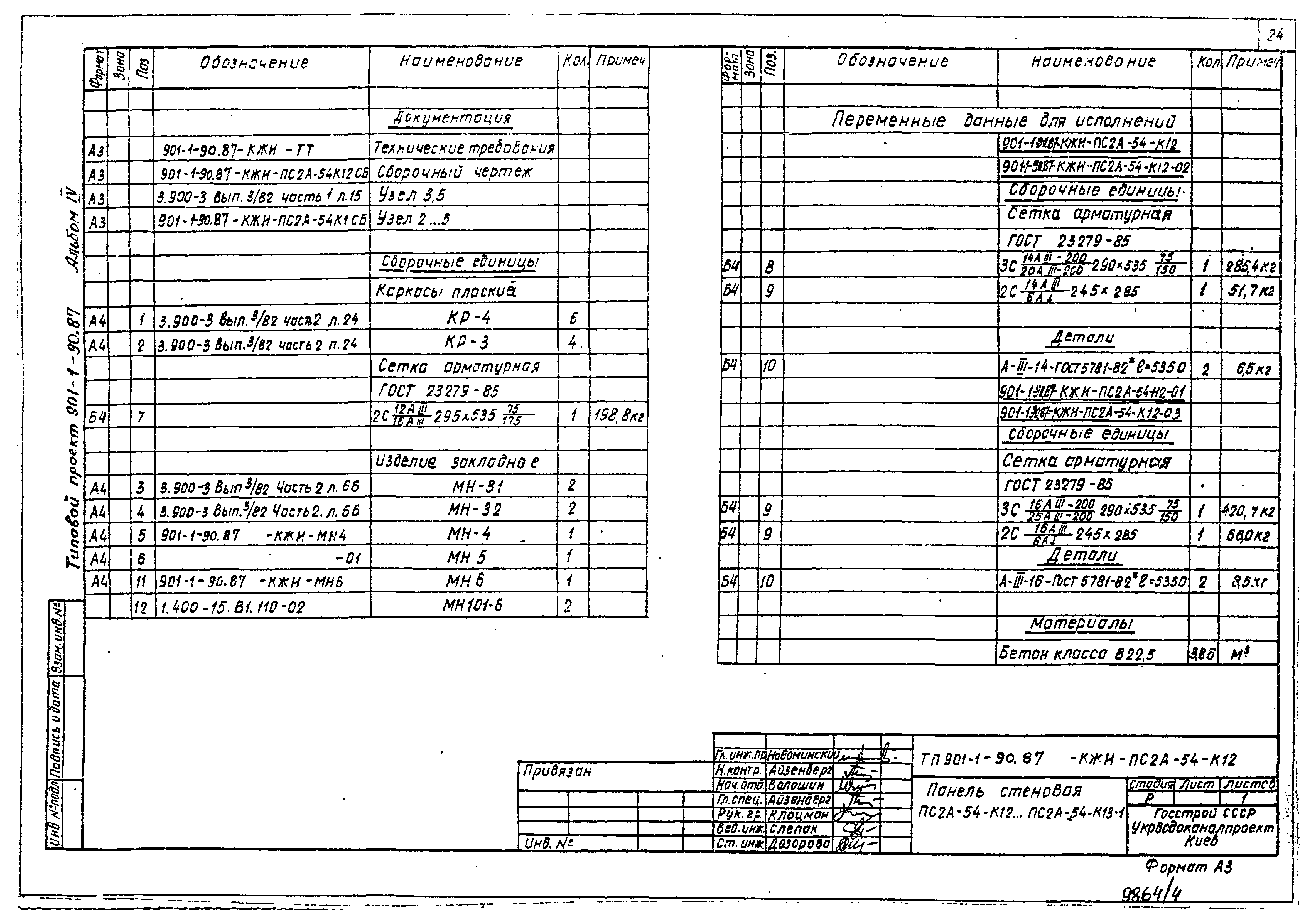
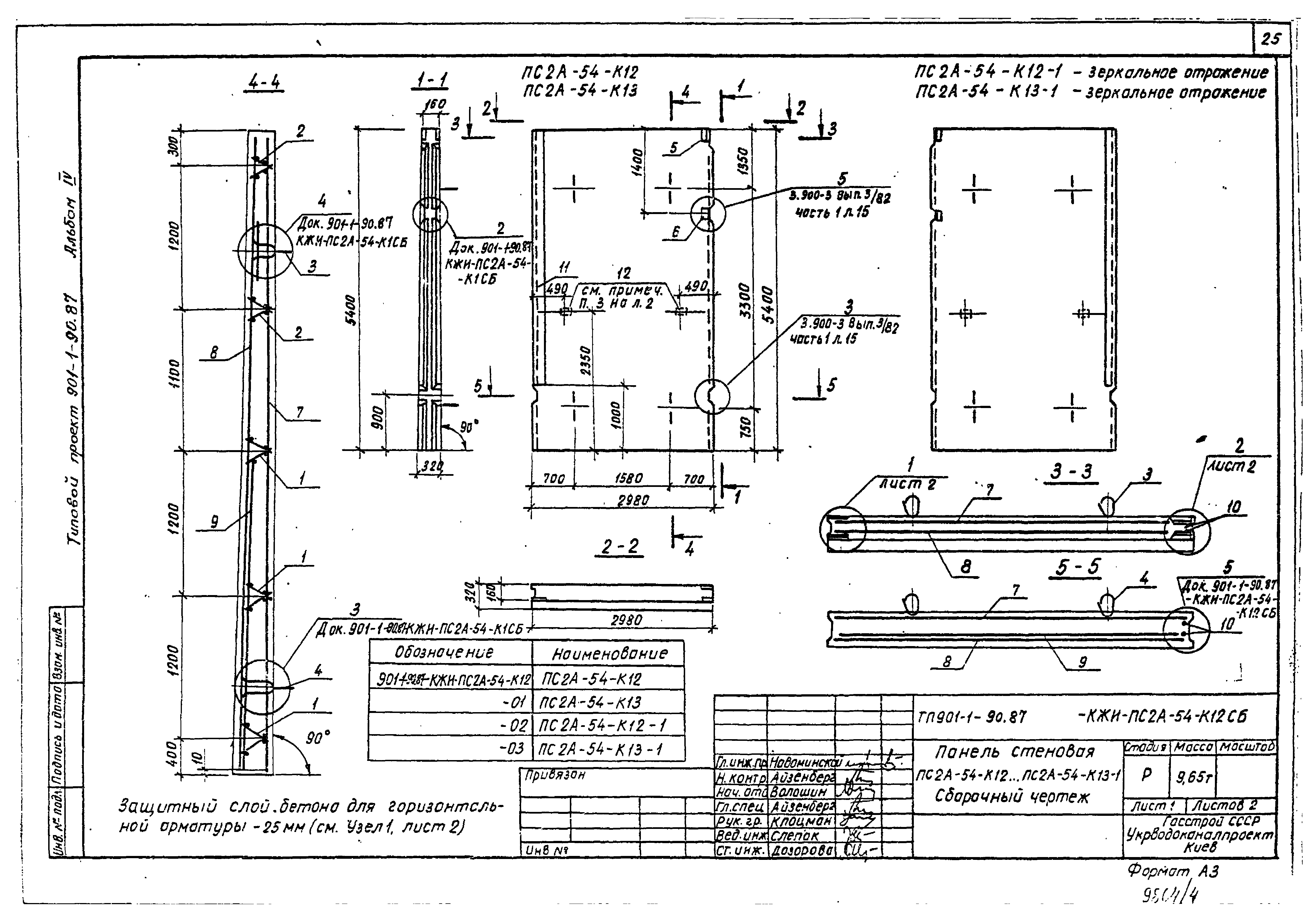
| Оглавление: | 901-1-90.87-КЖИ-ТТ Технические требования 901-1-90.87-КЖИ-П20-3б-1 Плита перекрытия П20-3б-1, П14-3б-1, П14-3б-2, П14д-3б-1 901-1-90.87-КЖИ-П20-3б-1СБ Плита перекрытия П20-3б-1, П14-3б-1, П14-3б-2, П14д-3б-1. Сборочный чертеж 901-1-90.87-КЖИ-ПГ-2АтVIТ-1 Плита ПГ-2АтVIТ-1 901-1-90.87-КЖИ-ПВ4-2АтVIТ-1 Плита ПВ4-2АтVIТ-1, ПВ10-2АтVIТ-1 901-1-90.87-КЖИ-1БСД9-5АVТ-1 Балка 1БСД9-5АVТ-1 901-1-90.87-КЖИ-ПС60 Панель стеновая ПС (надземная часть) 901-1-90.87-КЖИ-ПС60СБ Панель стеновая ПС (надземная часть). Сборочный чертеж 901-1-90.87-КЖИ-1К3.36-1 Колонна 1К3.36-1; 1К3.36-2; 1КФ43-1-1; 1КФ57-1-1; 2КВ4.42-1-1…2КВ4.42-1-6 901-1-90.87-КЖИ-1К3.36-1СБ Колонна 1К3.36-1; 1К3.36-2; 1КФ43-1-1; 1КФ57-1-1; 2КВ4.42-1-1…2КВ4.42-1-6. Сборочный чертеж 901-1-90.87-КЖИ-ПК5.6,5-л Панель карнизная ПК5.6,5-л 901-1-90.87-КЖИ-2ПП25-8-1 Перемычка 2ПП25-8-1; 2ПП25-8-2 901-1-90.87-КЖИ-ПС2А-54-К1 Панель стеновая ПС2А-54-К1, ПС2А-54-К3 901-1-90.87-КЖИ-ПС2А-54-К1СБ Панель стеновая ПС2А-54-К1, ПС2А-54-К3. Сборочный чертеж 901-1-90.87-КЖИ-ПС2А-54-К12 Панель стеновая ПС2А-54-К12… ПС2А-54-К13-1 901-1-90.87-КЖИ-ПС2А-54-К12СБ Панель стеновая ПС2А-54-К12… ПС2А-54-К13-1. Сборочный чертеж 901-1-90.87-КЖИ-ПС2А-54 Панель стеновая ПС2А-54 с дополнительными закладными изделиями 901-1-90.87-КЖИ-ПС2А-54СБ Панель стеновая ПС2А-54 с дополнительными закладными изделиями. Сборочный чертеж 901-1-90.87-КЖИ-КР1 Каркас плоский КР1…КР3 901-1-90.87-КЖИ-КР1СБ Каркас плоский КР1…КР3. Сборочный чертеж 901-1-90.87-КЖИ-КР4 Каркас плоский КР4 901-1-90.87-КЖИ-КР5 Каркас плоский КР5 901-1-90.87-КЖИ-КР6 Каркас плоский КР6 901-1-90.87-КЖИ-МН1 Изделие закладное МН1 901-1-90.87-КЖИ-МН2 Изделие закладное МН2 901-1-90.87-КЖИ-МН3 Изделие закладное МН3 901-1-90.87-КЖИ-МН4 Изделие закладное МН4, МН5 901-1-90.87-КЖИ-МН4СБ Изделие закладное МН4, МН5. Сборочный чертеж 901-1-90.87-КЖИ-МН6 Изделие закладное МН6 901-1-90.87-КЖИ-МН7 Изделие закладное МН7 901-1-90.87-КЖИ-МН8 Изделие закладное МН8 901-1-90.87-КЖИ-МС1 Изделие соединительное МС1 901-1-90.87-КЖИ-МС2 Изделие соединительное МС2 901-1-90.87-КЖИ-МС3 Изделие соединительное МС3 901-1-90.87-КЖИ-МС8 Изделие соединительное МС8 901-1-90.87-КЖИ-МС9 Изделие соединительное МС9 901-1-90.87-КЖИ-МС10 Изделие соединительное МС6, МС7, МС10, МС11 901-1-90.87-КЖИ-МС10СБ Изделие соединительное МС6, МС7, МС10, МС11. Сборочный чертеж 901-1-90.87-КЖИ-МС4 Изделие соединительное МС4, МС5 901-1-90.87-КЖИ-МН9 Изделие закладное МН9 901-1-90.87-КЖИ-РМ1 Решетка РМ1 901-1-90.87-КЖИ-РМ2 Решетка РМ2 |
| Разработан: | Укрводоканалпроект |
| Утверждён: | 28.08.1987 Госстрой СССР (Государственный комитет Совета Министров СССР по делам строительства) (USSR Gosstroy 57) |














































