Скачать Типовой проект 902-2-471.89 Альбом 1. Пояснительная запискаДата актуализации: 01.01.2021
|
| Обозначение: | Типовой проект 902-2-471.89 |
| Обозначение англ: | 902-2-471.89 |
| Статус: | не определен законодательством |
| Название рус.: | Альбом 1. Пояснительная записка |
| Дата добавления в базу: | 01.09.2013 |
| Дата актуализации: | 01.01.2021 |
| Дата введения: | 12.05.1989 |
| Дата окончания срока действия: | 30.06.2003 |
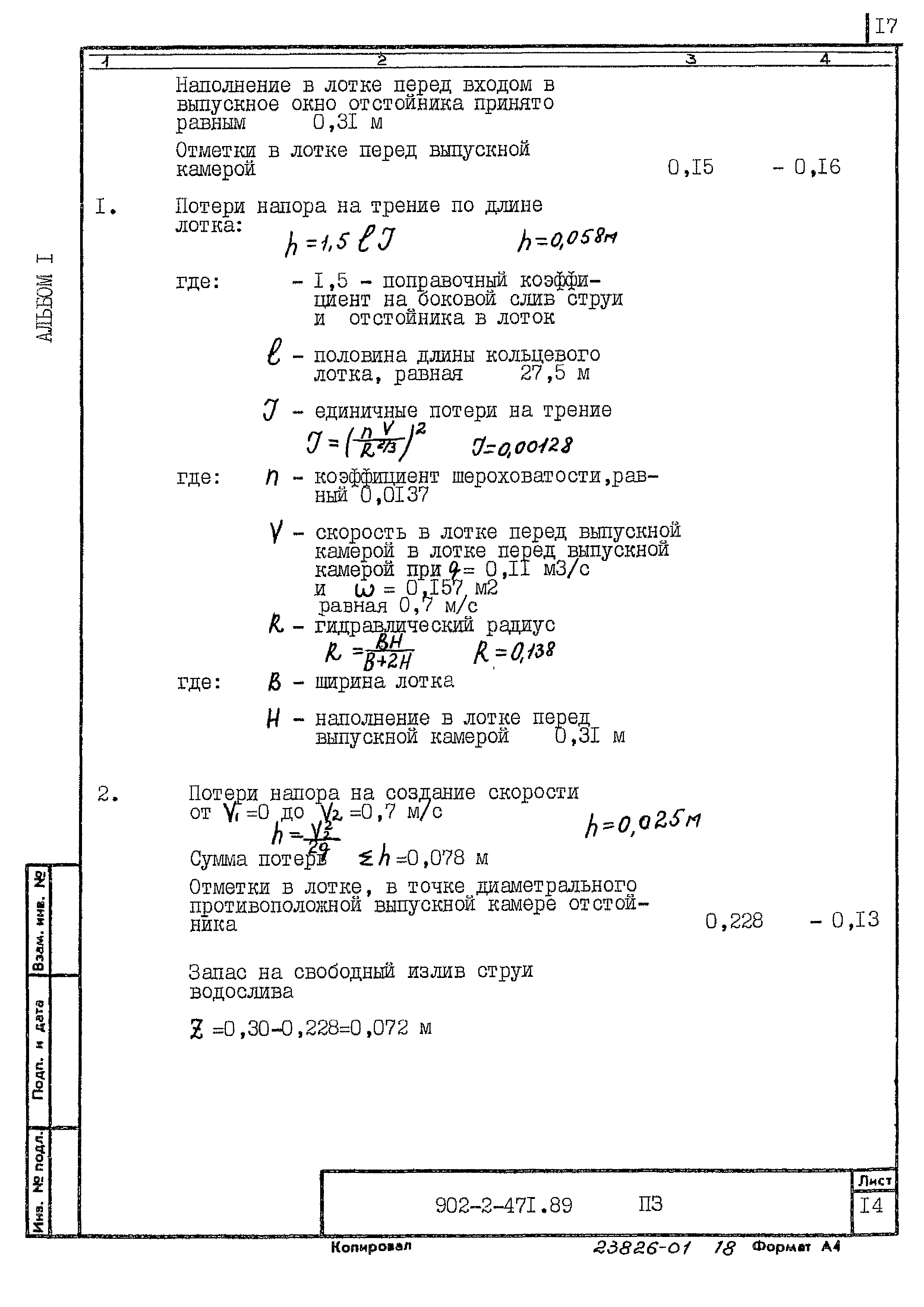
| Оглавление: | 1. Общая часть 2. Технологическая часть 2.1. Компоновочное решение, расчетные параметры и габаритная схема отстойников 2.2. Технологическая схема 2.3. Гидравлический расчет подводящей и отводящей систем отстойников 3. Отопление и вентиляция 3.1. Теплоснабжение 3.2. Отопление 3.3. Вентиляция 4. Внутренний водопровод и канализация 5. Строительные решения 5.1. Отстойники. Конструктивная часть 5.2. Отстойники. Указания по предварительному напряжению стен оболочки отстойника 5.3. Отстойники. Основные положения по организации строительства 5.4. Отстойники. Антикоррозийная защита строительных конструкций 5.5. Камера выпуска осадка. Конструктивная часть 6. Электротехническая часть и автоматизация 6.1. Электросиловое оборудование 6.2. Управление электроприводами технологического оборудования 6.3. Электроосвещение 6.4. Заземление 6.5. Автоматизация приточной вентиляции 7. Указания по привязке 7.1. Технологическая часть 7.2. Строительные решения 7.3. Электротехническая часть 8. Технико-экономические показатели |
| Разработан: | МосводоканалНИИпроект |
| Утверждён: | 28.04.1989 Мосгорисполком (Mosgorispolkom 890р) |
































