Скачать Серия ОТУ 32-4863 Выпуск 2. Установка и подключение СТП и КТП. Рабочие чертежиДата актуализации: 01.01.2021
|
| Обозначение: | Серия ОТУ 32-4863 |
| Обозначение англ: | Series ОТУ 32-4863 |
| Статус: | заменен |
| Название рус.: | Выпуск 2. Установка и подключение СТП и КТП. Рабочие чертежи |
| Дата добавления в базу: | 01.09.2013 |
| Дата актуализации: | 01.01.2021 |
| Дата введения: | 23.07.1998 |
| Дата окончания срока действия: | 28.03.2014 |
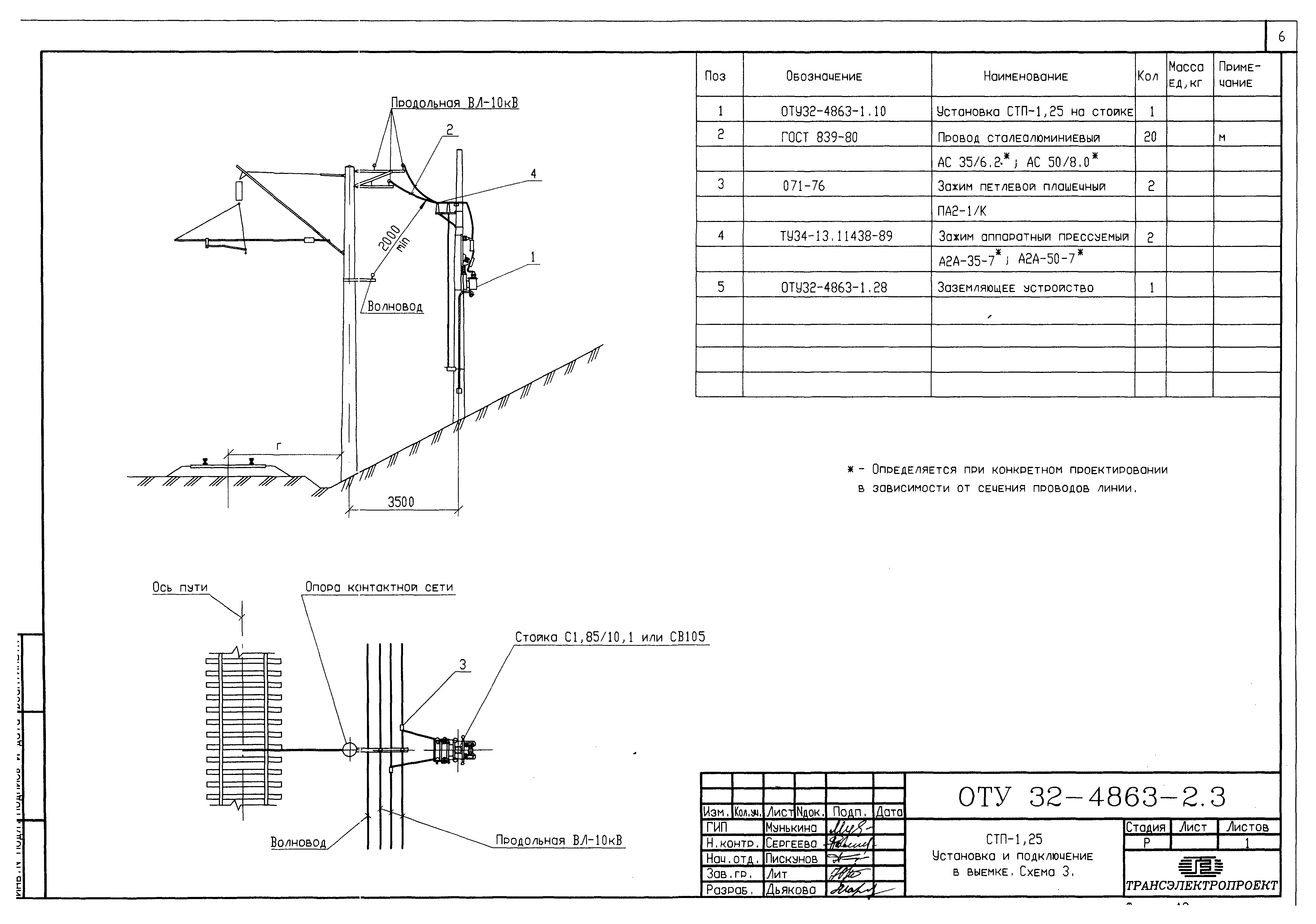
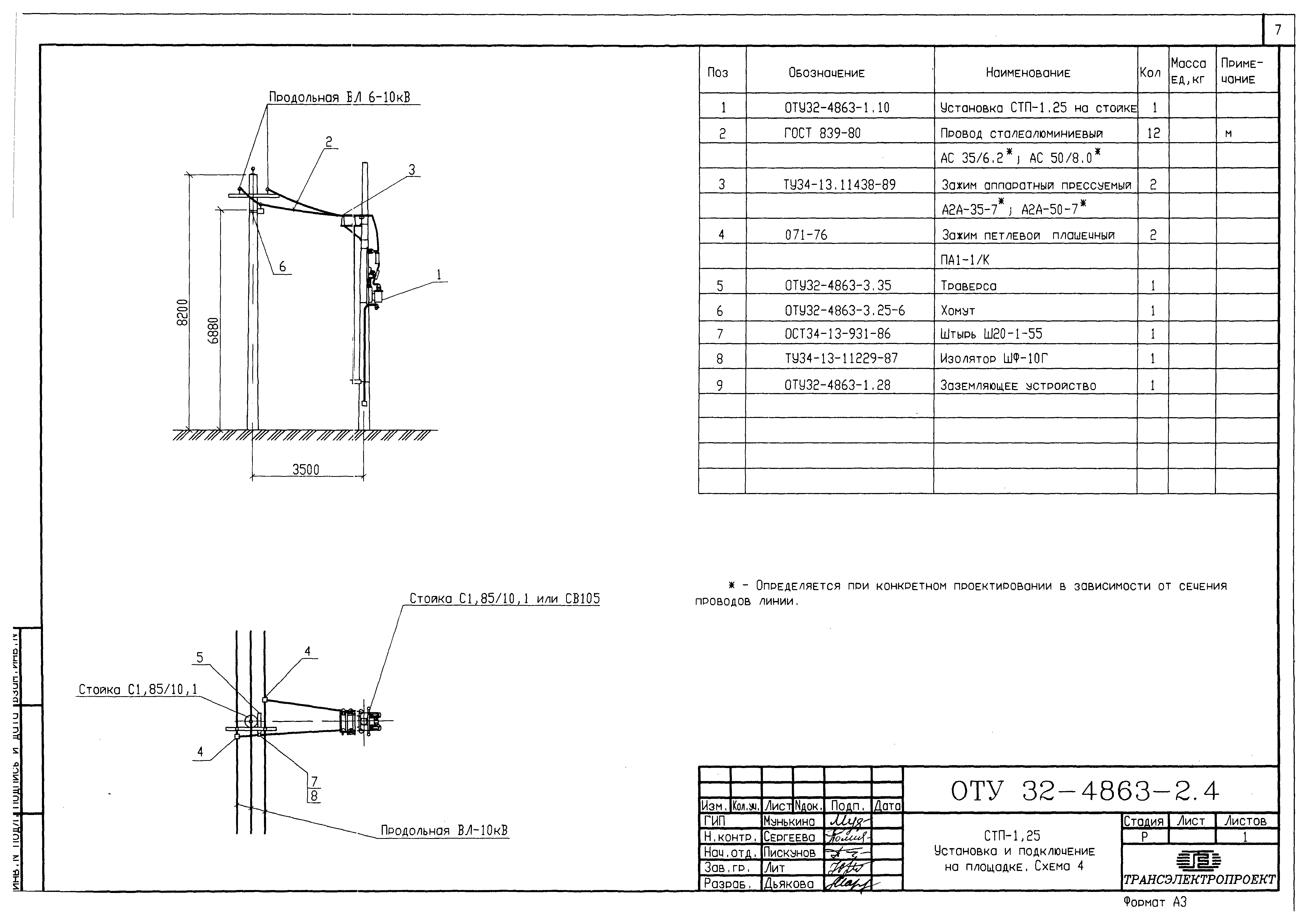
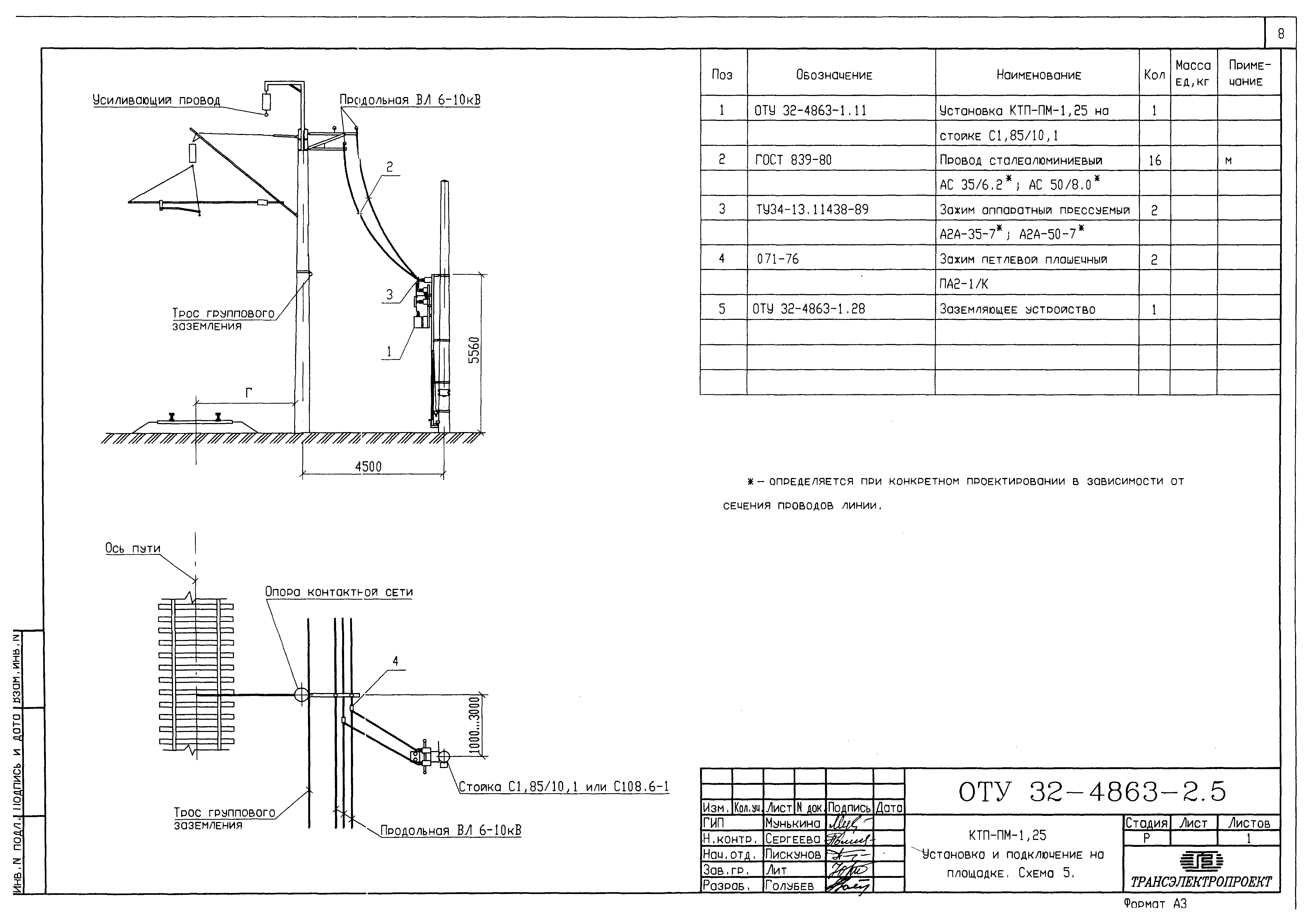
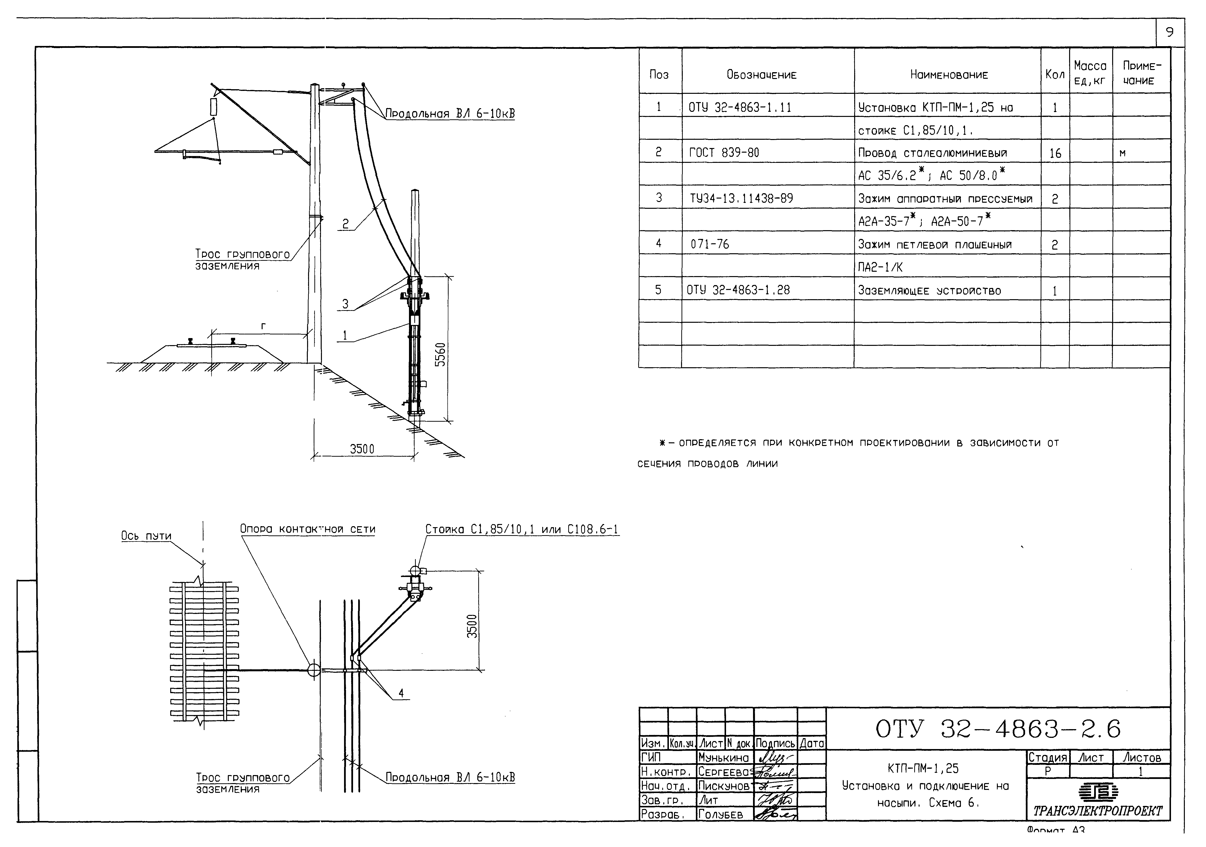
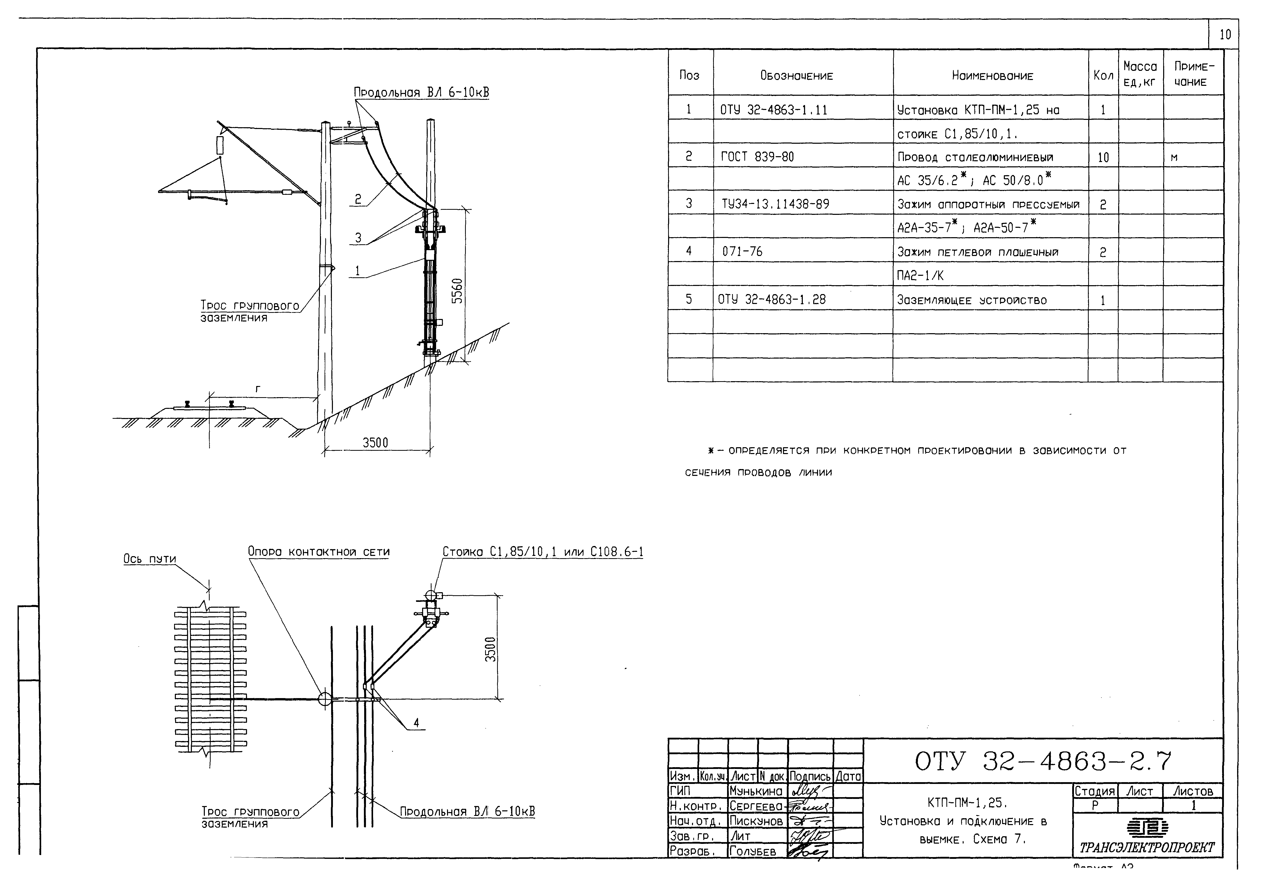
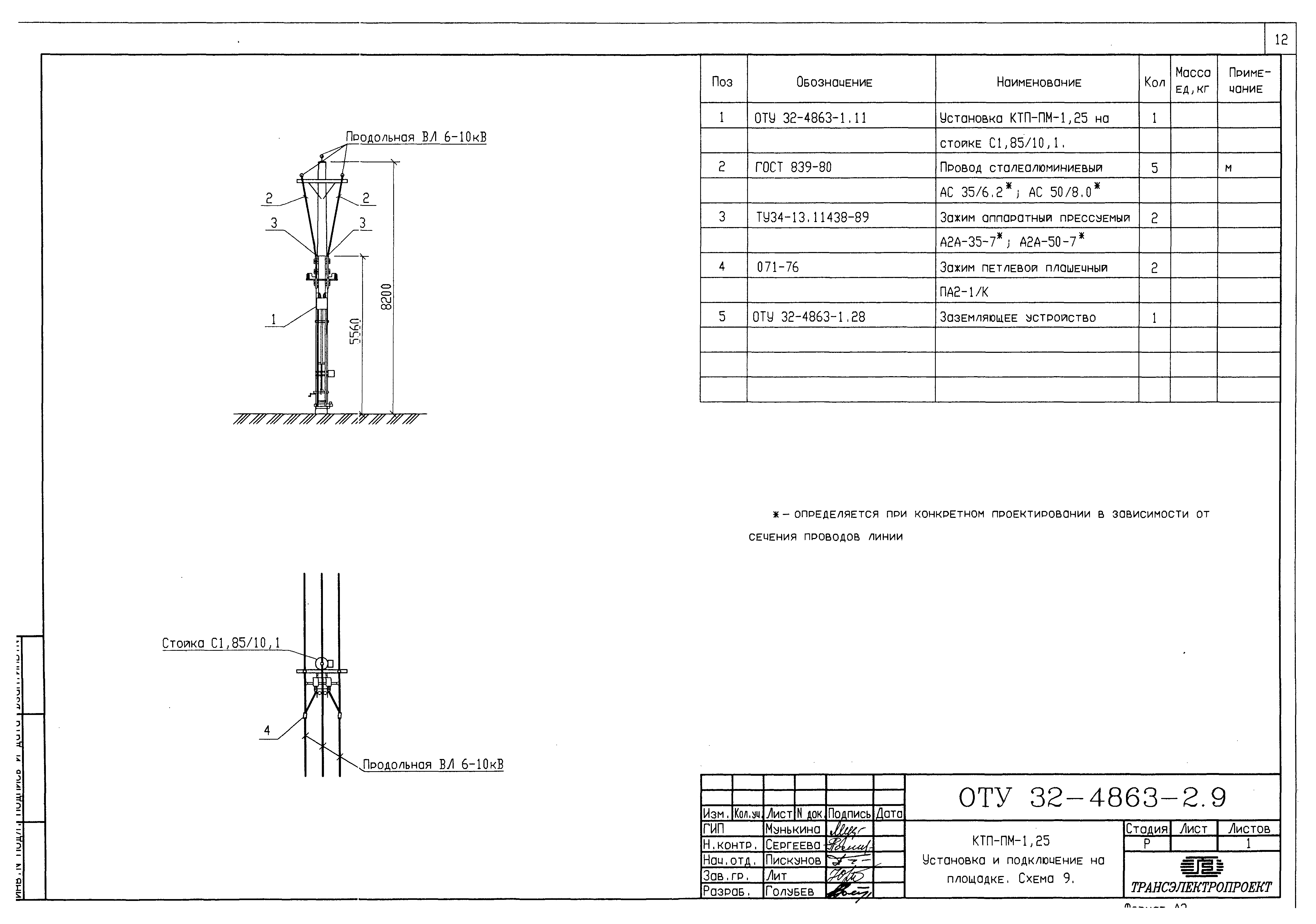
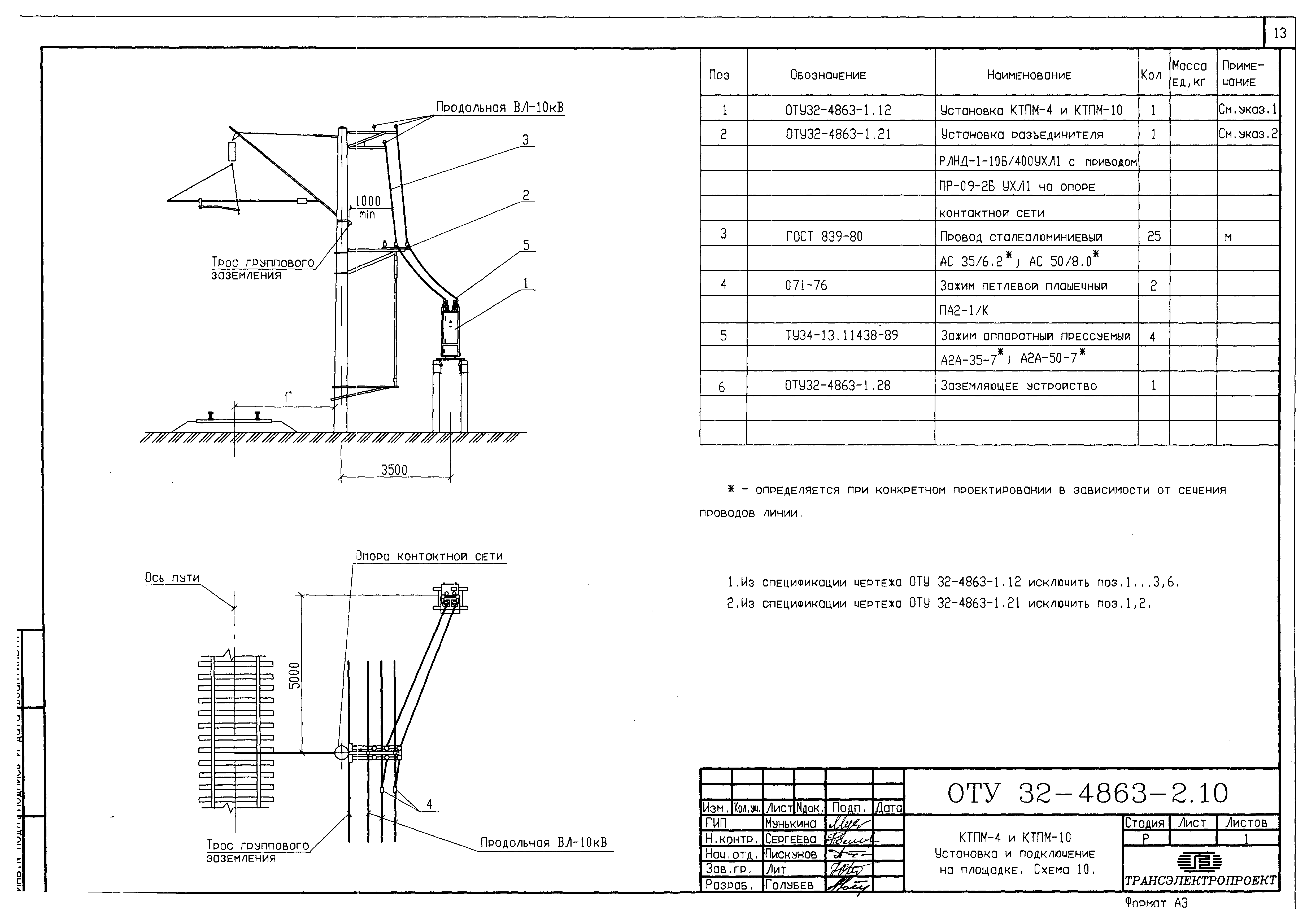
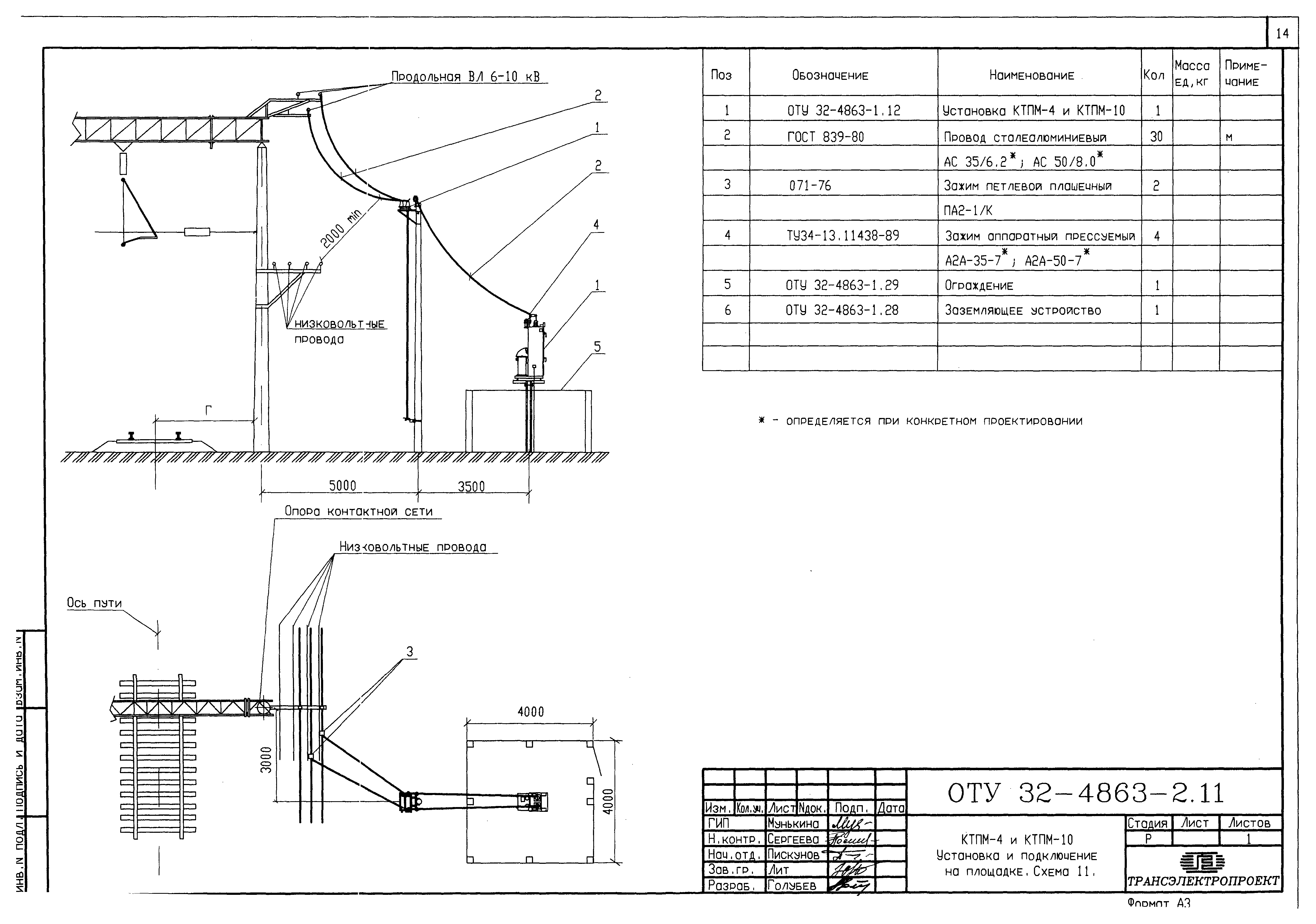
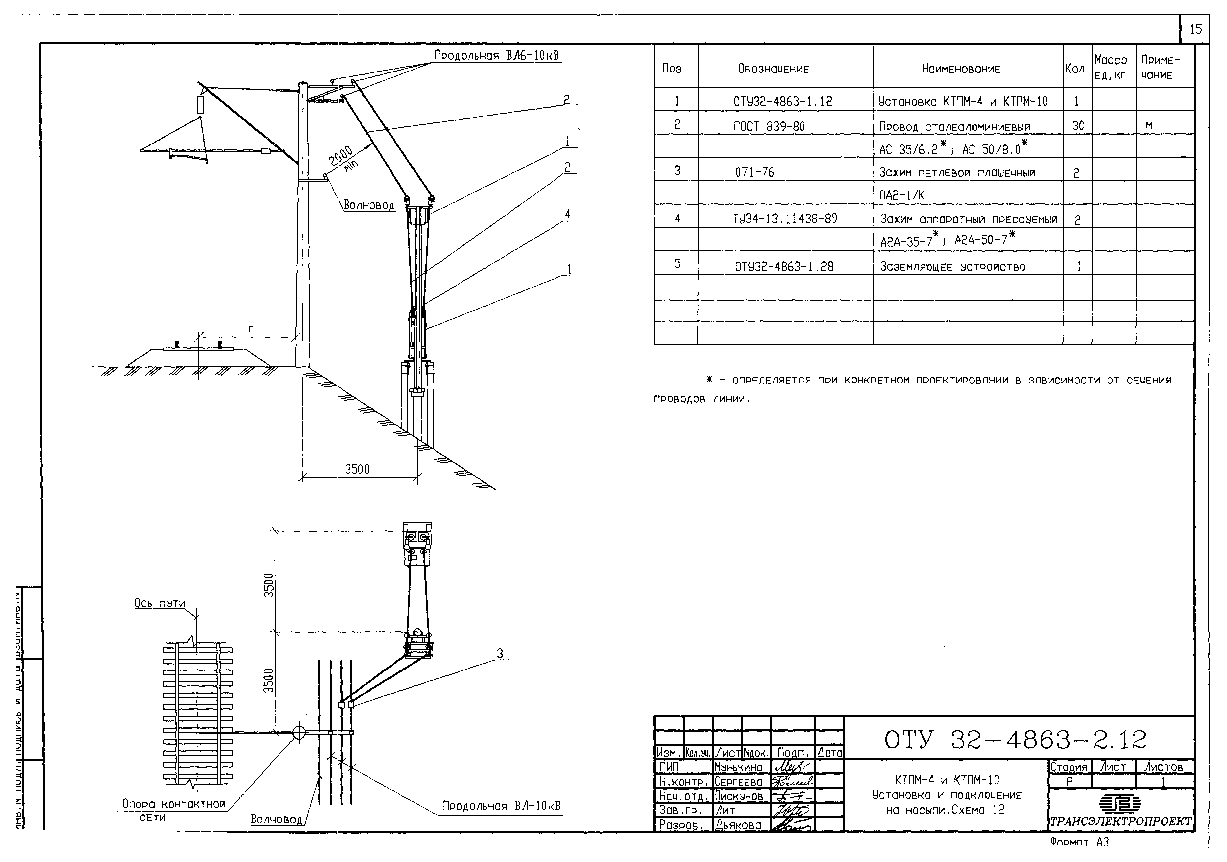
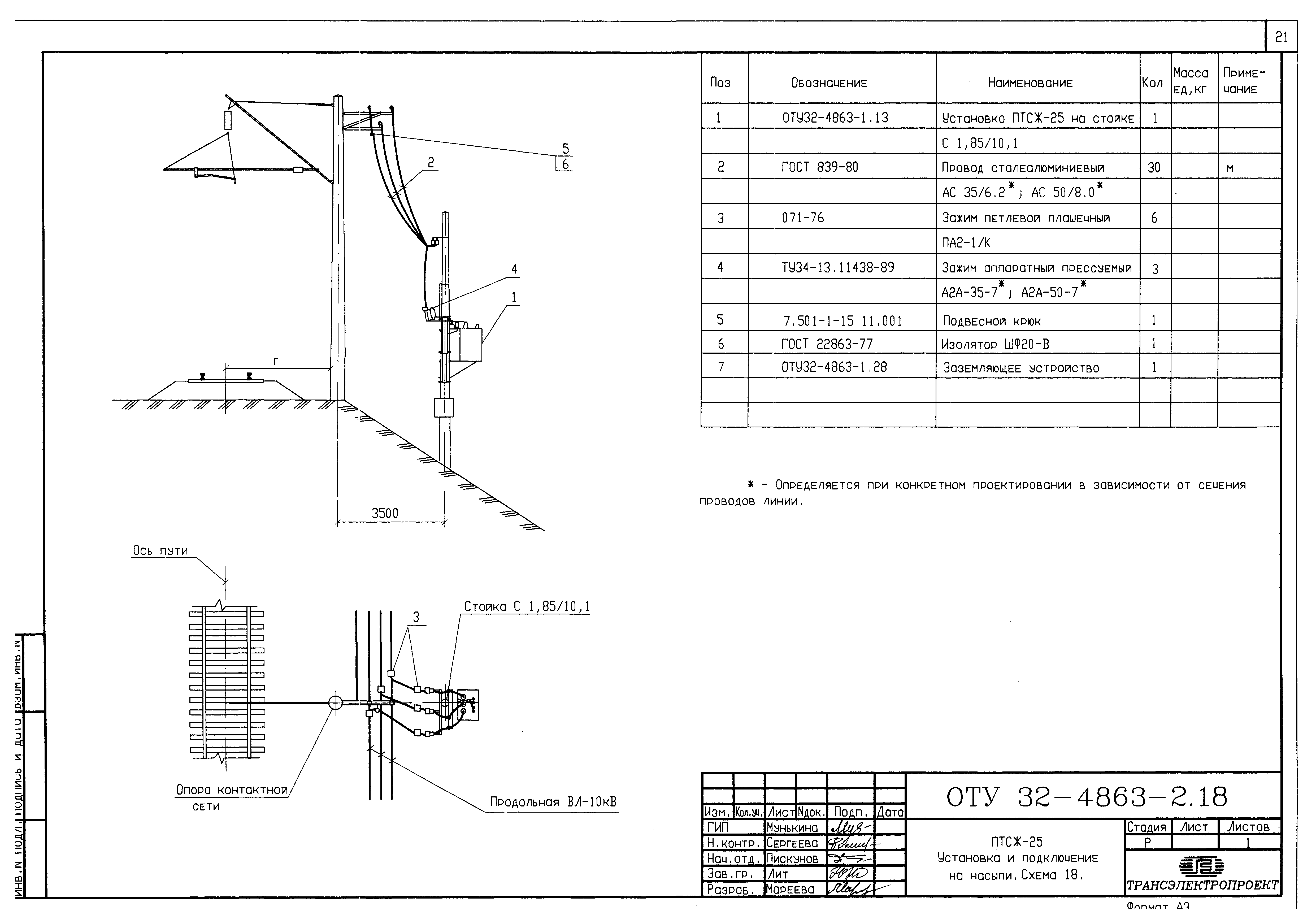
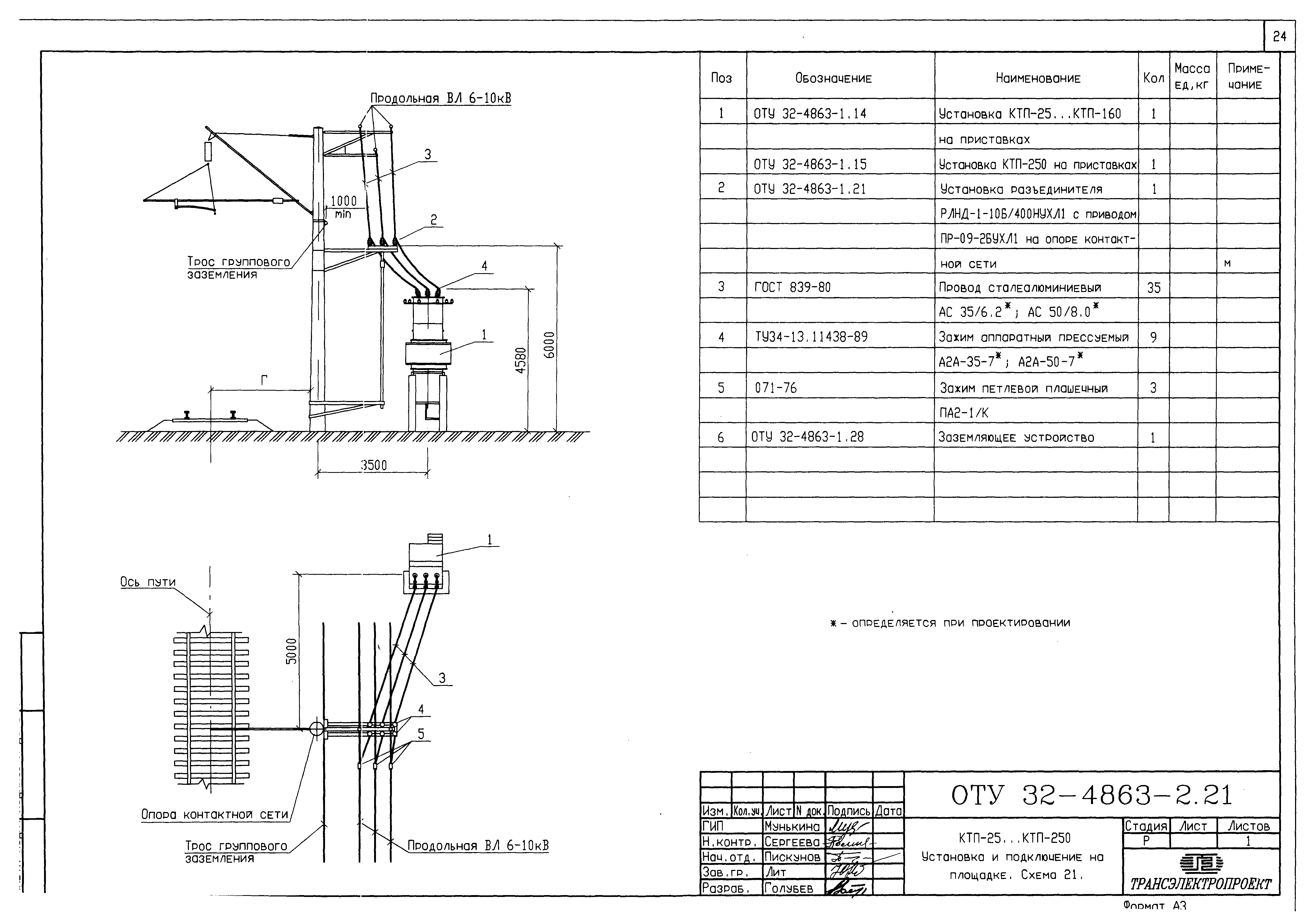
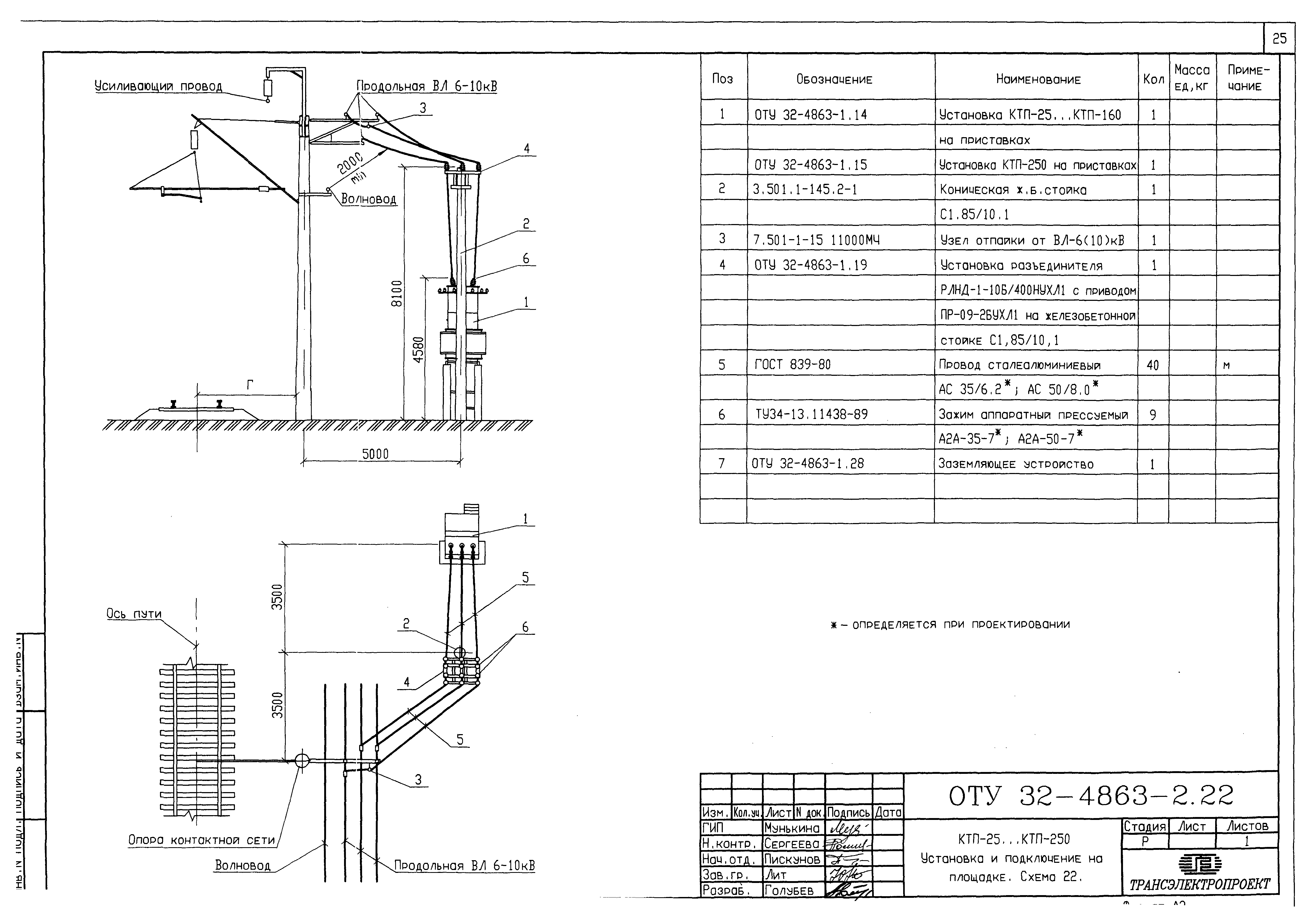
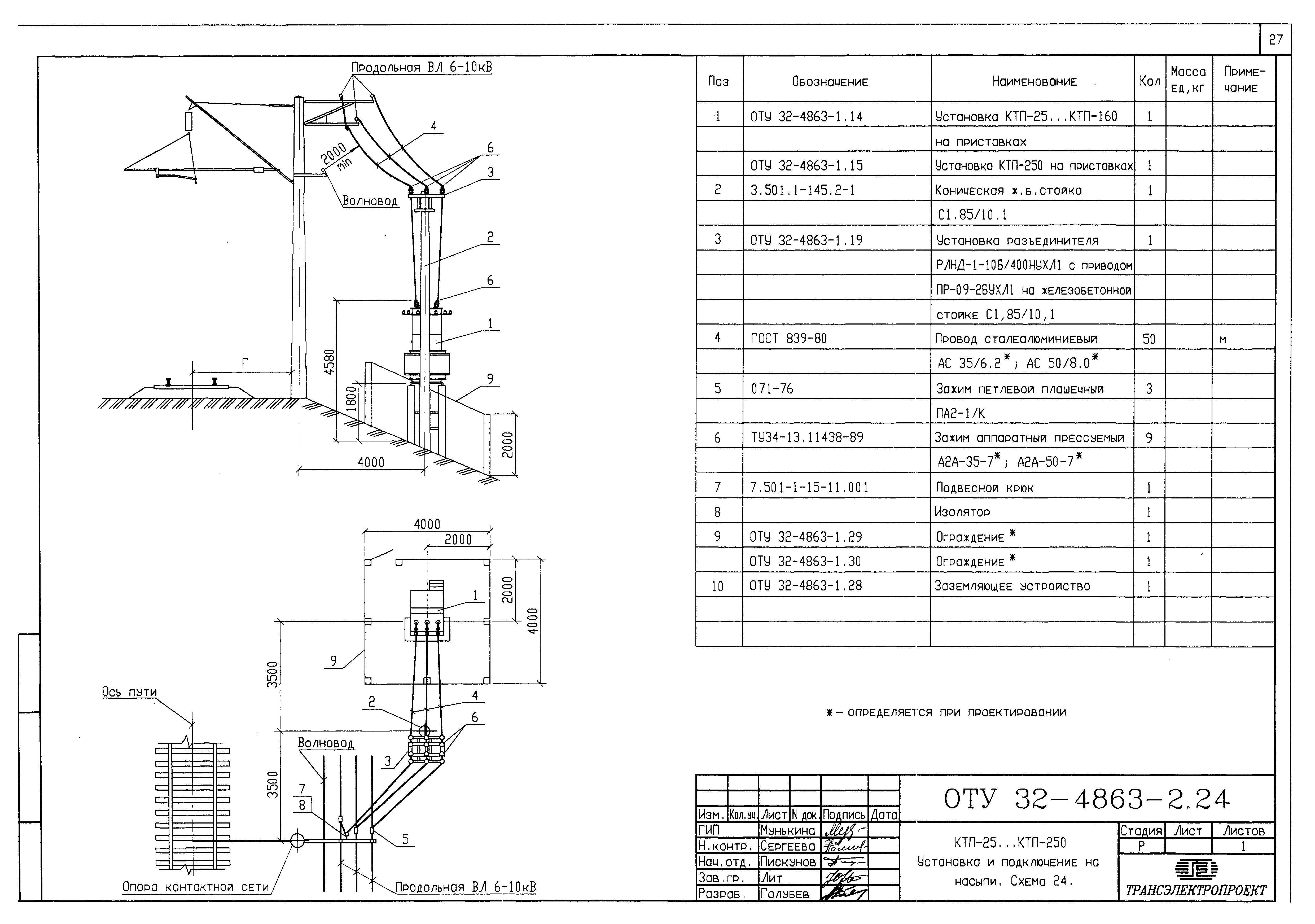
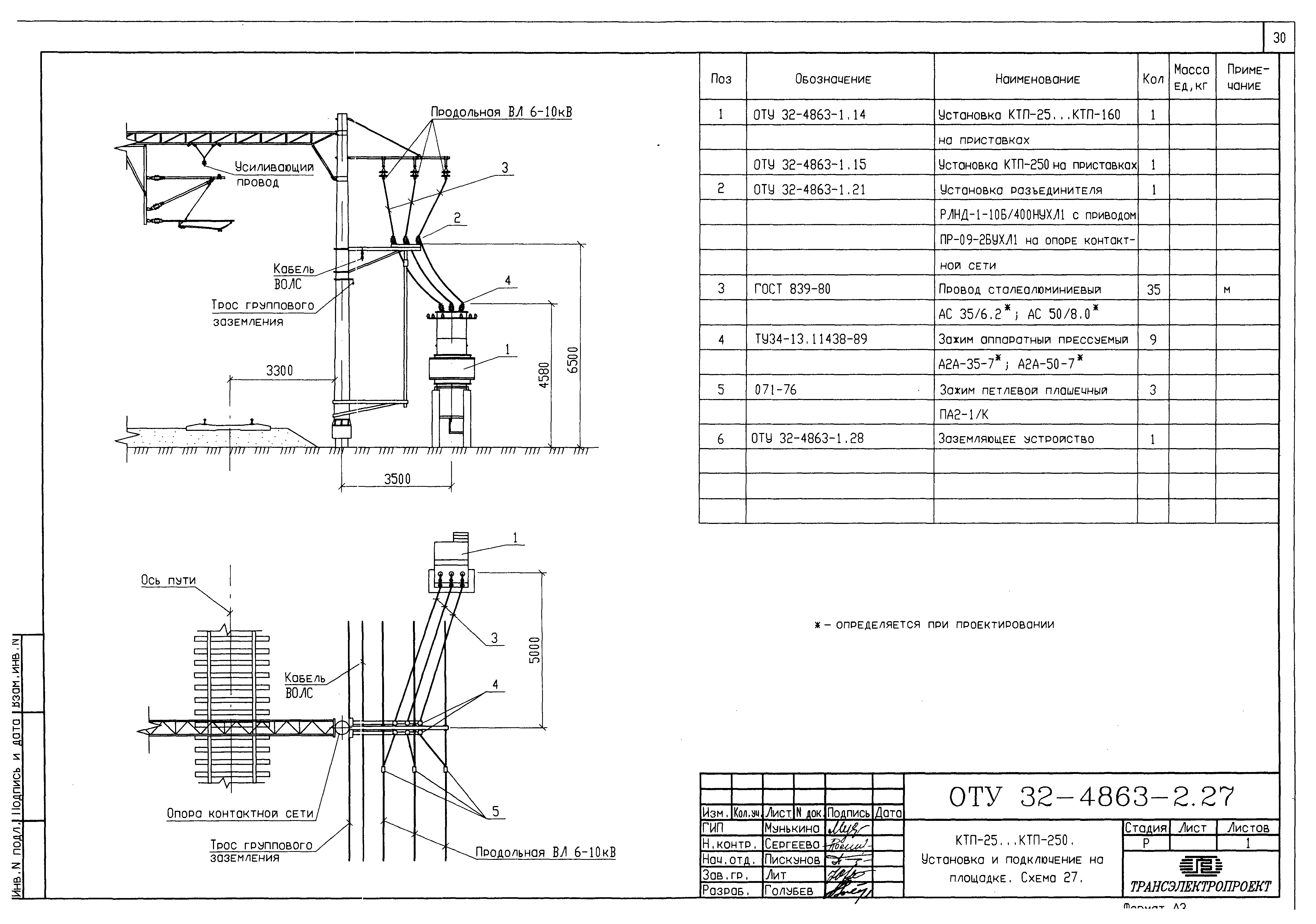
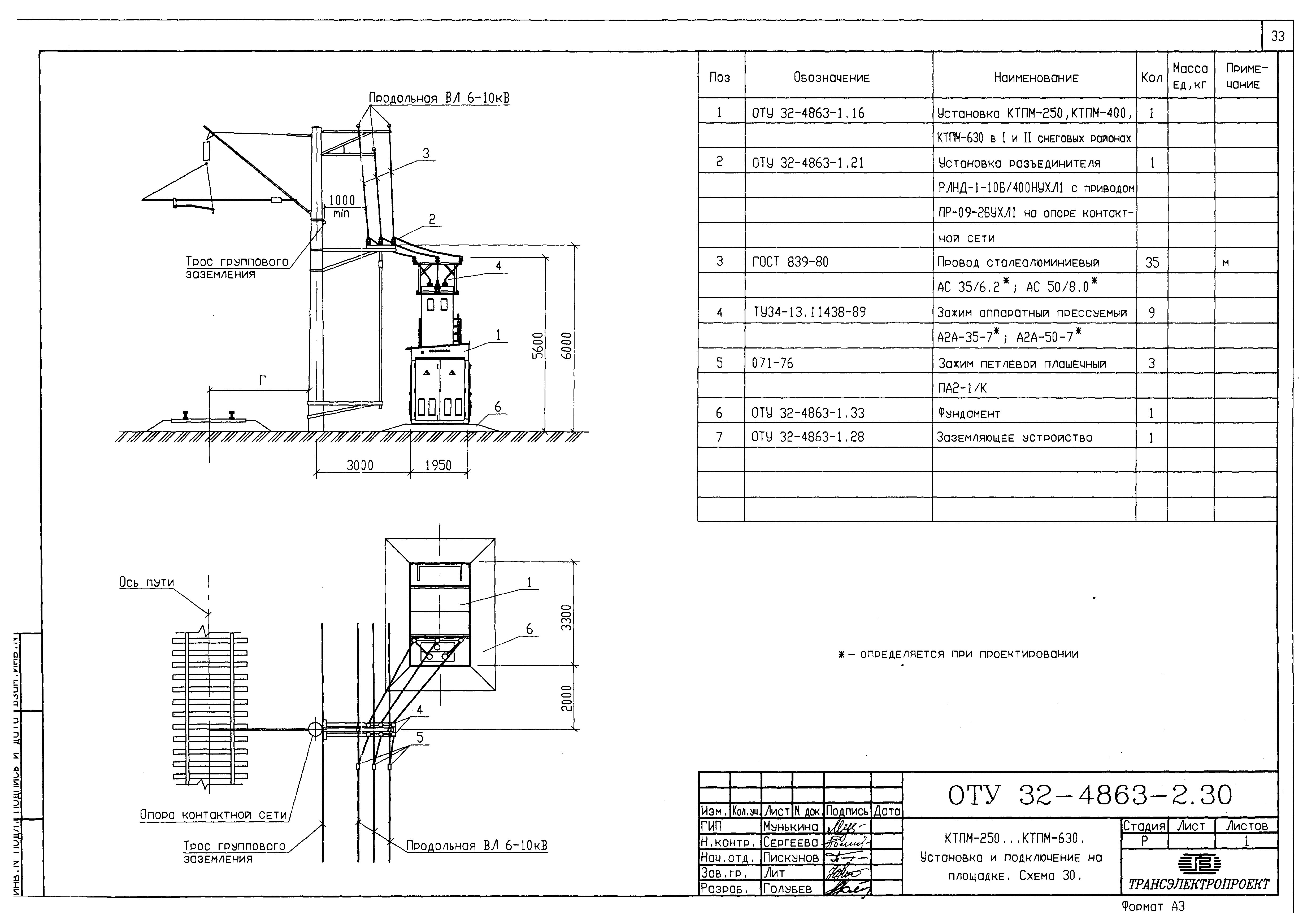
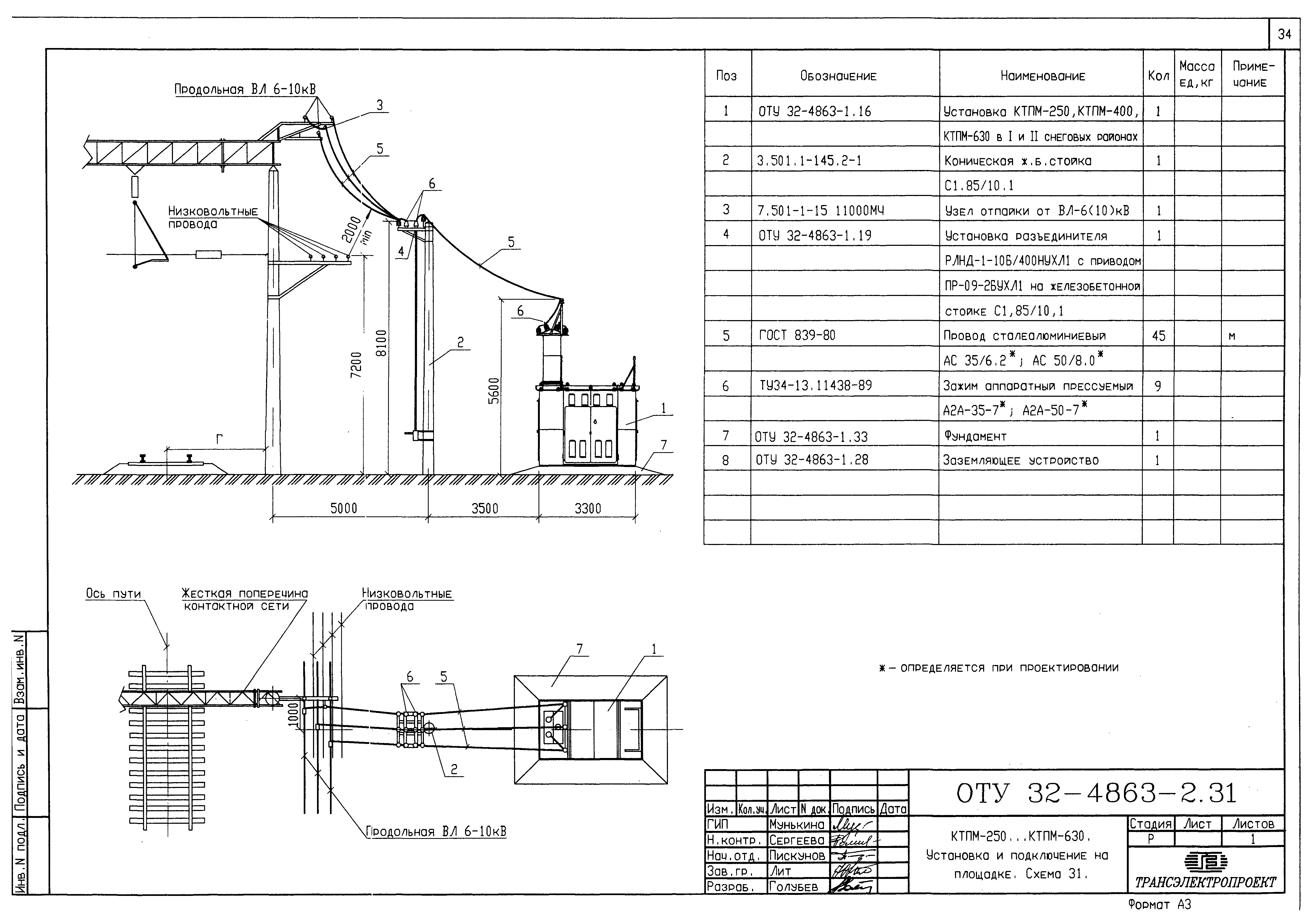
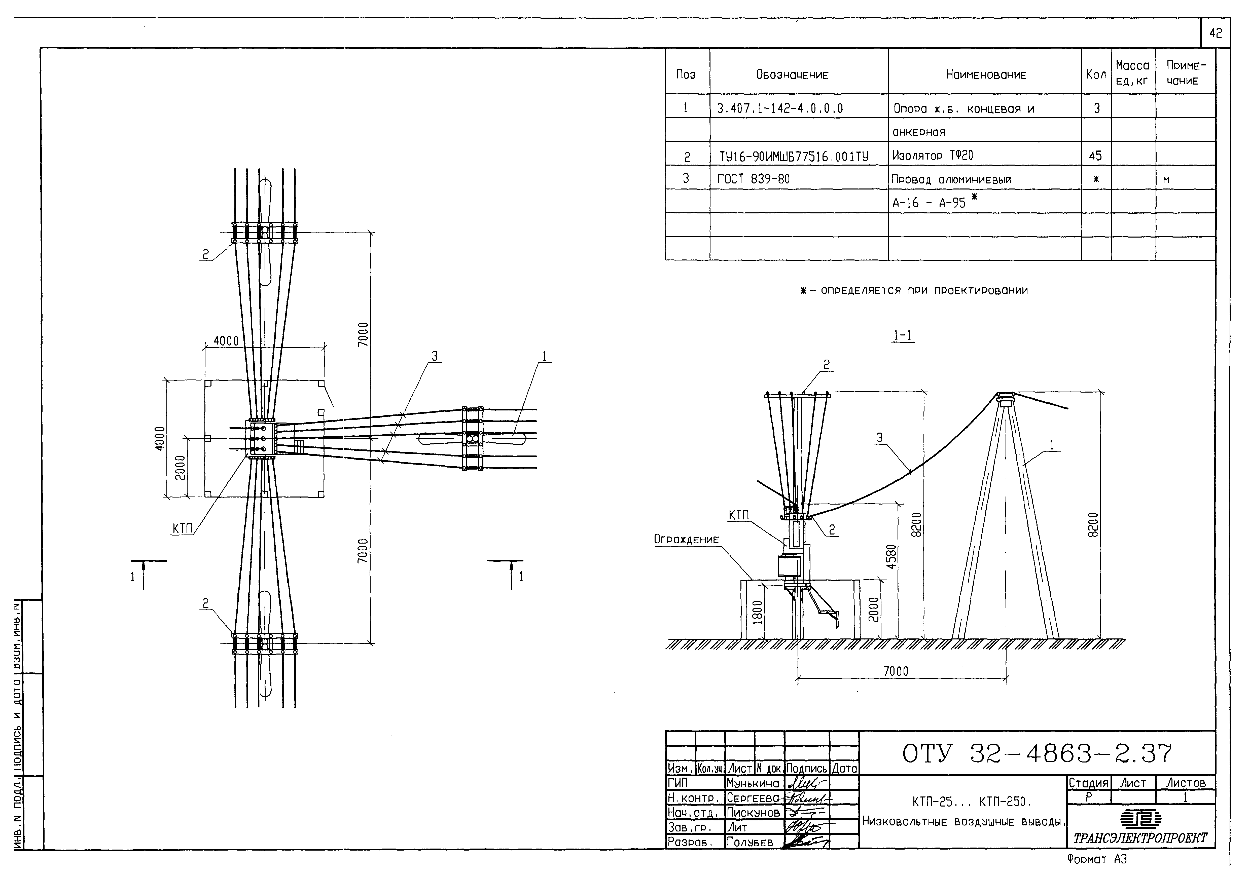
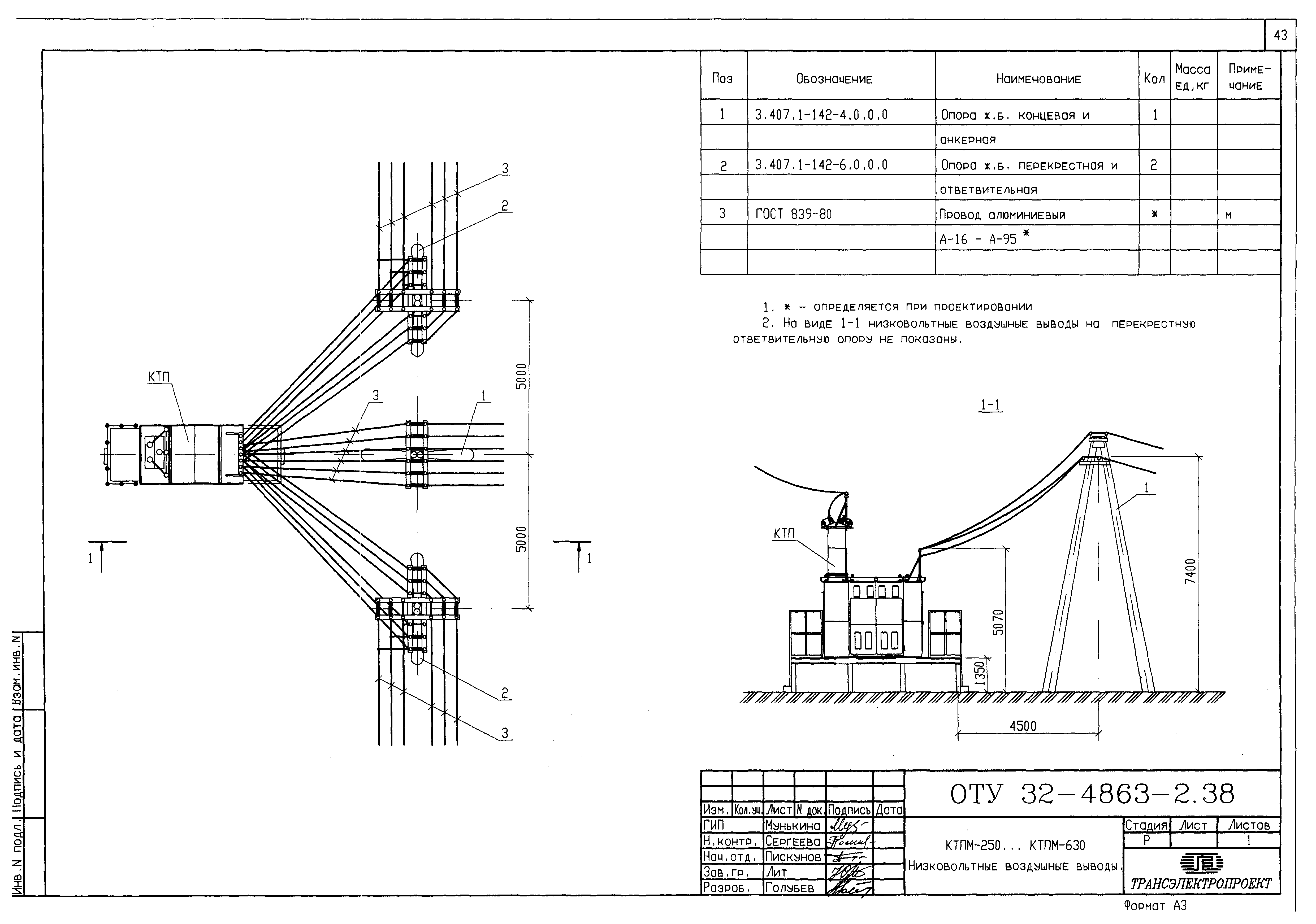
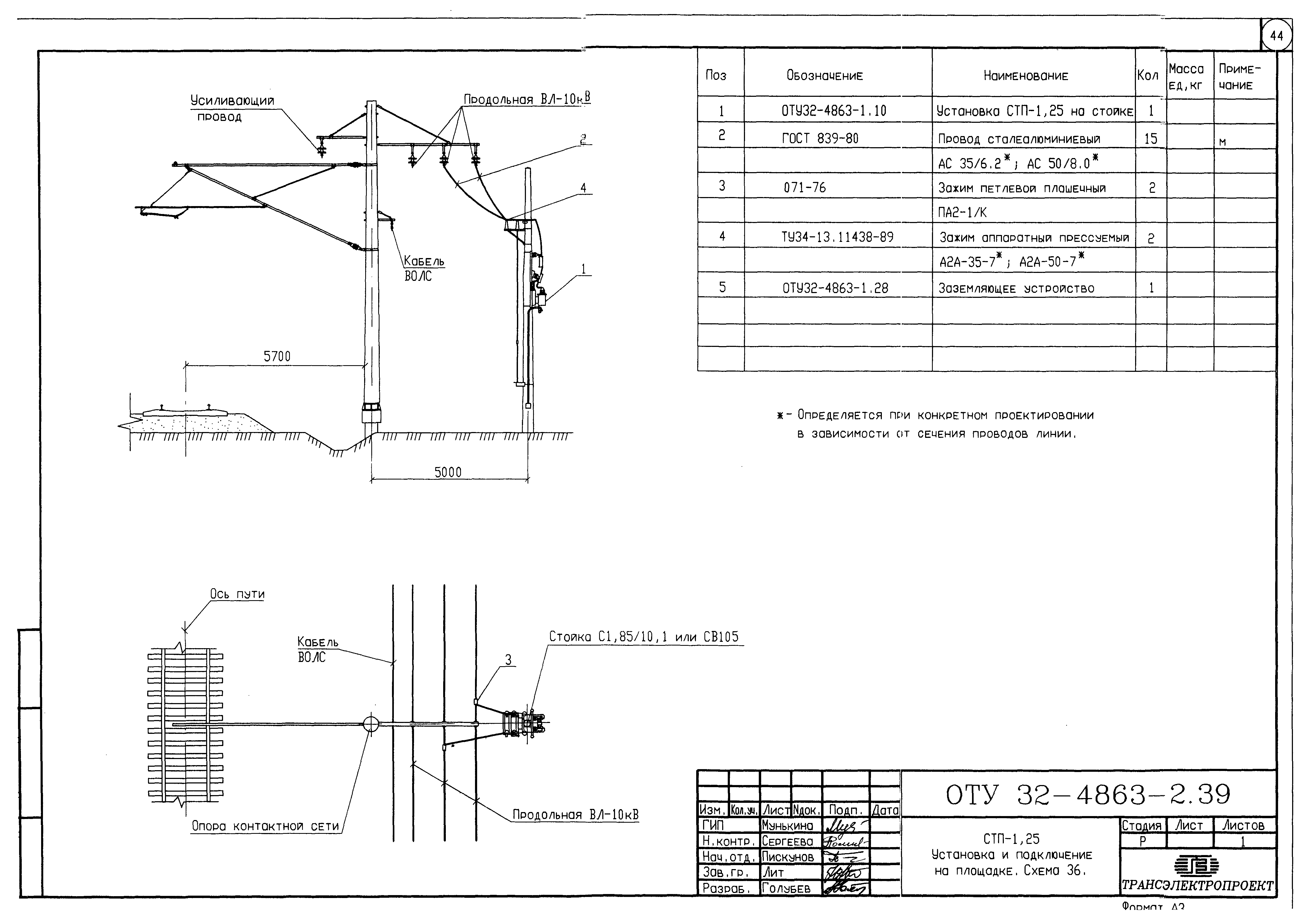
| Оглавление: | ОТУ 32-4863-2.1 СТП-1,25. Установка и подключение на площадке. Схема 1 ОТУ 32-4863-2.2 СТП-1,25. Установка и подключение на насыпи. Схема 2 ОТУ 32-4863-2.3 СТП-1,25. Установка и подключение в выемке. Схема 3 ОТУ 32-4863-2.4 СТП-1,25. Установка и подключение на площадке. Схема 4 ОТУ 32-4863-2.5 КТП-ПМ-1,25. Установка и подключение на насыпи. Схема 5 ОТУ 32-4863-2.6 КТП-ПМ-1,25. Установка и подключение на насыпи. Схема 6 ОТУ 32-4863-2.7 КТП-ПМ-1,25. Установка и подключение в выемке. Схема 7 ОТУ 32-4863-2.8 КТП-ПМ-1,25. Установка и подключение на площадке. Схема 8 ОТУ 32-4863-2.9 КТП-ПМ-1,25. Установка и подключение на площадке. Схема 9 ОТУ 32-4863-2.10 КТПМ-4, КТПМ-10. Установка и подключение на площадке. Схема 10 ОТУ 32-4863-2.11 КТПМ-4, КТПМ-10. Установка и подключение на площадке. Схема 11 ОТУ 32-4863-2.12 КТПМ-4, КТПМ-10. Установка и подключение на насыпи. Схема 12 ОТУ 32-4863-2.13 КТПМ-4, КТПМ-10. Установка и подключение в выемке. Схема 13 ОТУ 32-4863-2.14 КТПМ-4, КТПМ-10. Установка и подключение на площадке. Схема 14 ОТУ 32-4863-2.15 КТПМ-4, КТПМ-10. Установка и подключение на площадке. Схема 15 ОТУ 32-4863-2.16 ПТСЖ-25. Установка и подключение на площадке. Схема 16 ОТУ 32-4863-2.17 ПТСЖ-25. Установка и подключение на площадке. Схема 17 ОТУ 32-4863-2.18 ПТСЖ-25. Установка и подключение на насыпи. Схема 18 ОТУ 32-4863-2.19 ПТСЖ-25. Установка и подключение в выемке. Схема 19 ОТУ 32-4863-2.20 ПТСЖ-25. Установка и подключение на площадке. Схема 20 ОТУ 32-4863-2.21 КТП-25…КТП-250. Установка и подключение на площадке. Схема 21 ОТУ 32-4863-2.22 КТП-25…КТП-250. Установка и подключение на площадке. Схема 22 ОТУ 32-4863-2.23 КТП-25…КТП-250. Установка и подключение на площадке. Схема 23 ОТУ 32-4863-2.24 КТП-25…КТП-250. Установка и подключение на насыпи. Схема 24 ОТУ 32-4863-2.25 КТП-25…КТП-250. Установка и подключение в выемке. Схема 25 ОТУ 32-4863-2.26 КТП-25…КТП-250. Установка и подключение на площадке. Схема 26 ОТУ 32-4863-2.27 КТП-25…КТП-250. Установка и подключение на площадке. Схема 27 ОТУ 32-4863-2.28 КТП-25…КТП-250. Установка и подключение на площадке. Схема 28 ОТУ 32-4863-2.29 КТП-25…КТП-250. Установка и подключение на площадке. Схема 29 ОТУ 32-4863-2.30 КТПМ-250…КТПМ-630. Установка и подключение на площадке. Схема 30 ОТУ 32-4863-2.31 КТПМ-250…КТПМ-630. Установка и подключение на площадке. Схема 31 ОТУ 32-4863-2.32 КТПМ-250…КТПМ-630. Установка и подключение на площадке. Схема 32 ОТУ 32-4863-2.33 КТПМ-250…КТПМ-630. Установка и подключение на площадке. Схема 33 ОТУ 32-4863-2.34 КТПМ-250…КТПМ-630. Установка и подключение через КРУН К-112. Схема 34 ОТУ 32-4863-2.35 КРУН К-112. Установка и подключение к двухцепной линии. Схема 35 ОТУ 32-4863-2.36 КТПМ-4, КТПМ-10. Низковольтные воздушные выводы ОТУ 32-4863-2.37 КТП-25…КТП-250. Низковольтные воздушные выводы ОТУ 32-4863-2.38 КТПМ-250…КТПМ-630. Низковольтные воздушные выводы ОТУ 32-4863-2.39 СТП-1,25. Установка и подключение на площадке. Схема 36 |
| Разработан: | Трансэлектропроект МПС |
| Утверждён: | 23.07.1998 Департамент электрификации и электроснабжения МПС РФ (25) |
| Чем заменён: |
|












































