Скачать Серия ОТУ 32-4863 Выпуск 3. Изделия металлические и деревянныеДата актуализации: 01.01.2021
|
| Обозначение: | Серия ОТУ 32-4863 |
| Обозначение англ: | Series ОТУ 32-4863 |
| Статус: | заменен |
| Название рус.: | Выпуск 3. Изделия металлические и деревянные |
| Дата добавления в базу: | 01.09.2013 |
| Дата актуализации: | 01.01.2021 |
| Дата введения: | 23.07.1998 |
| Дата окончания срока действия: | 28.03.2014 |
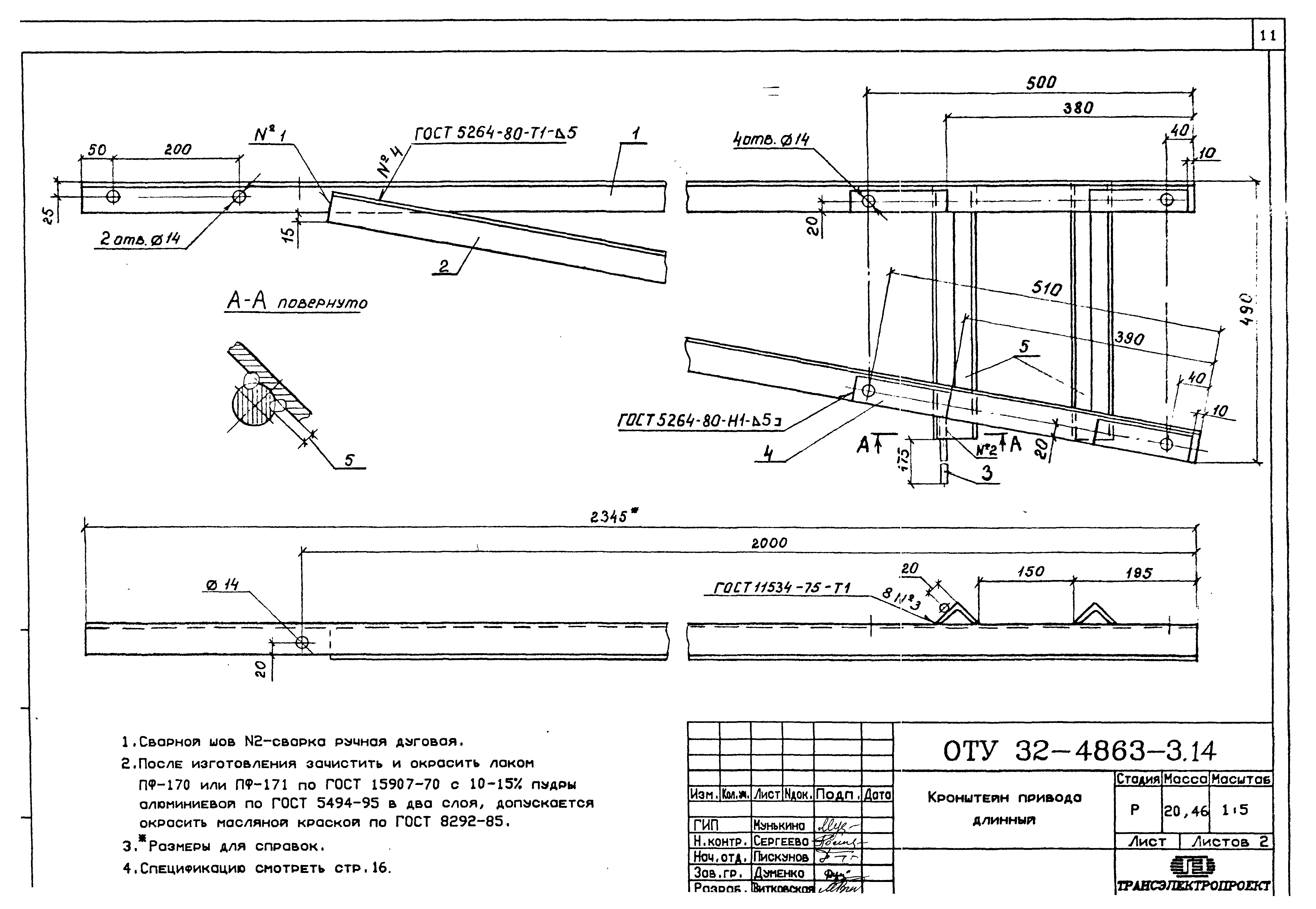
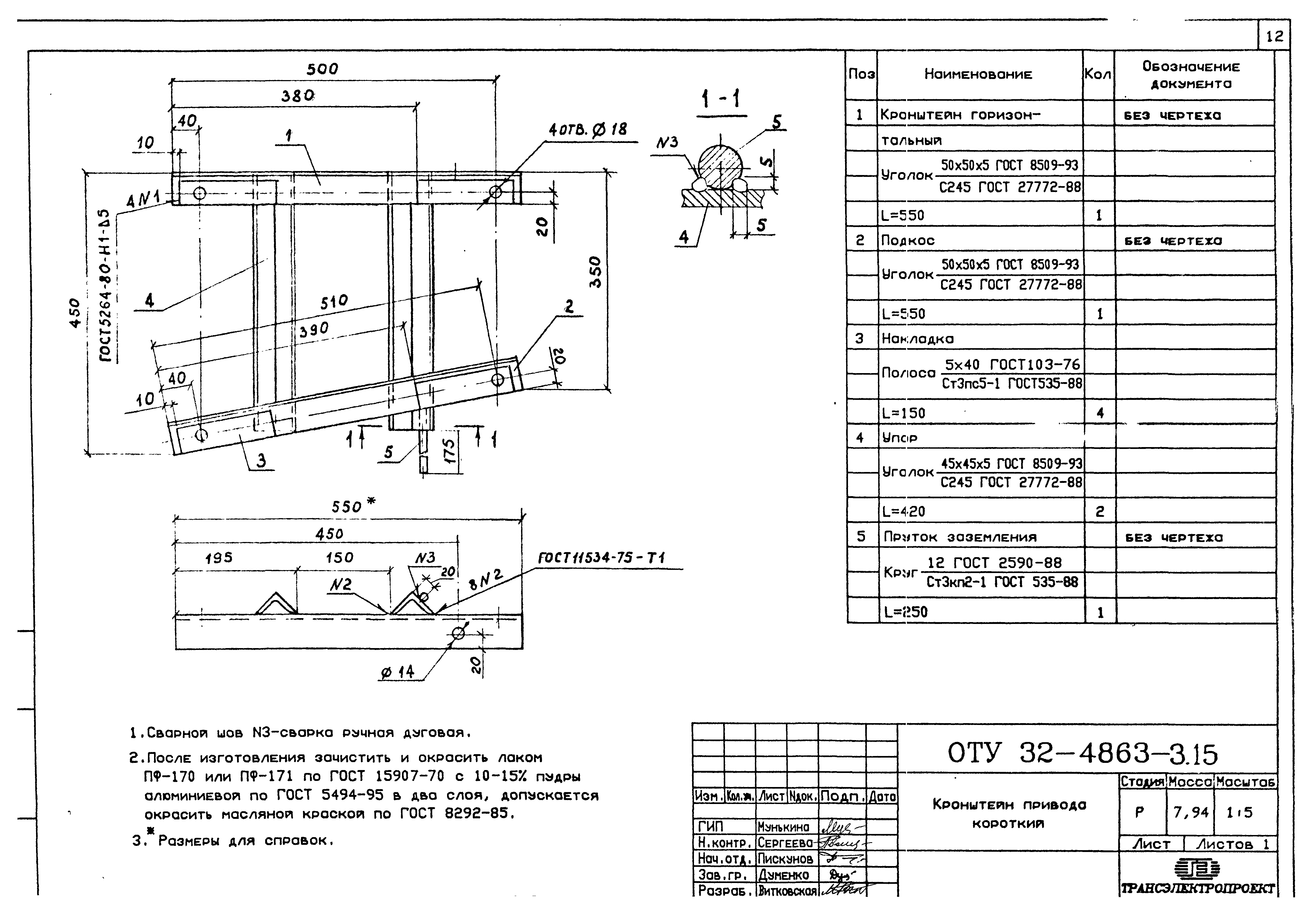
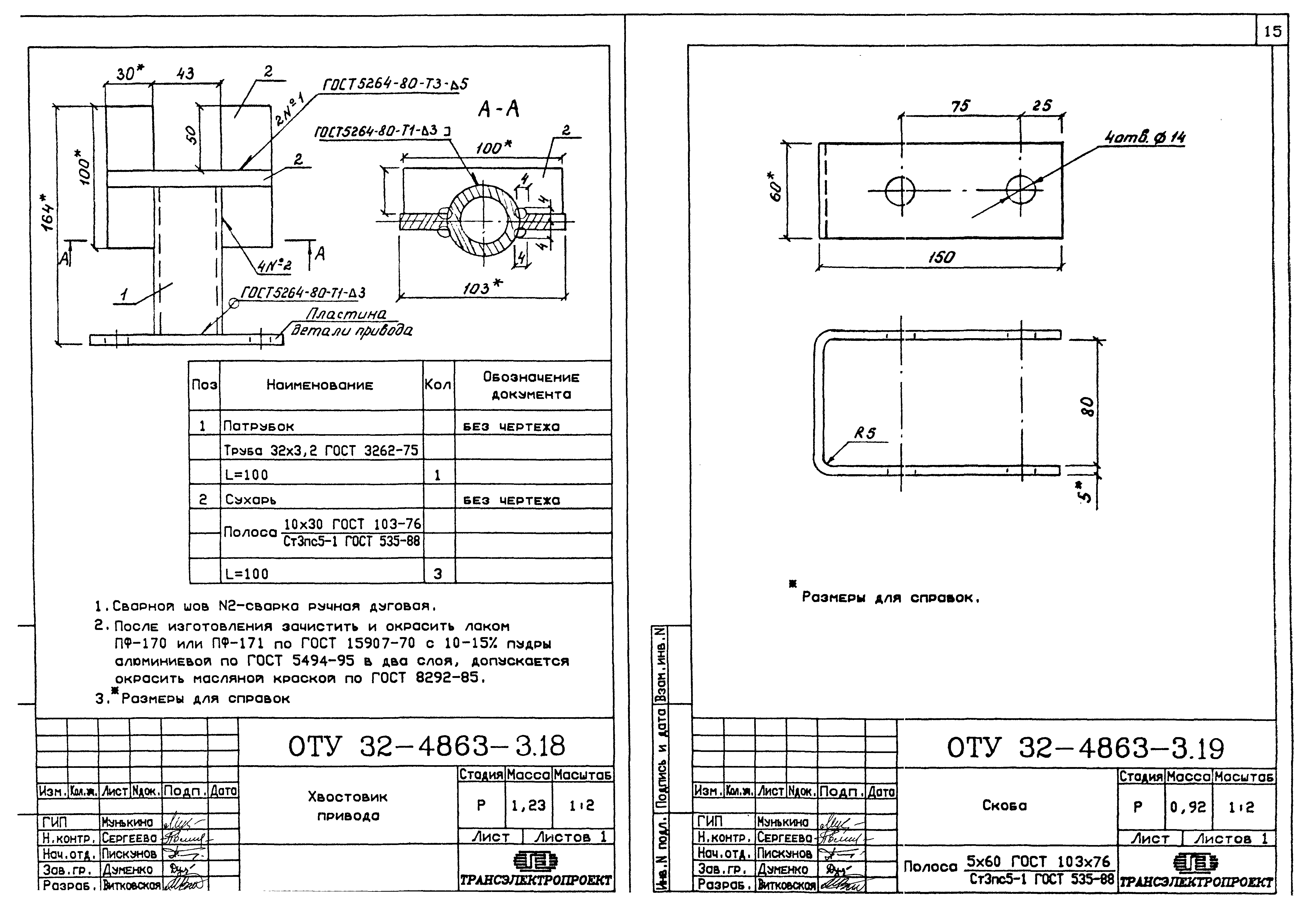
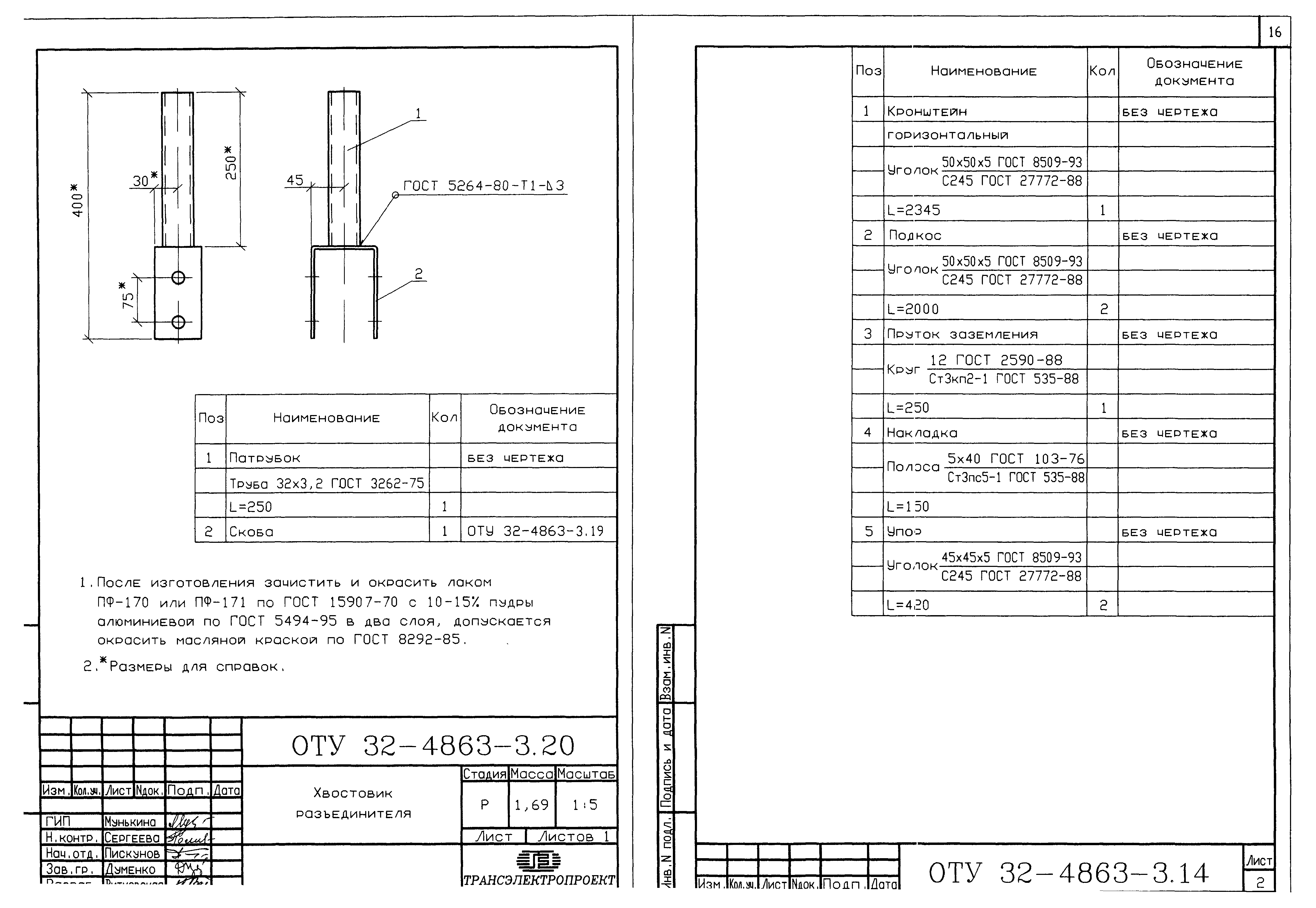
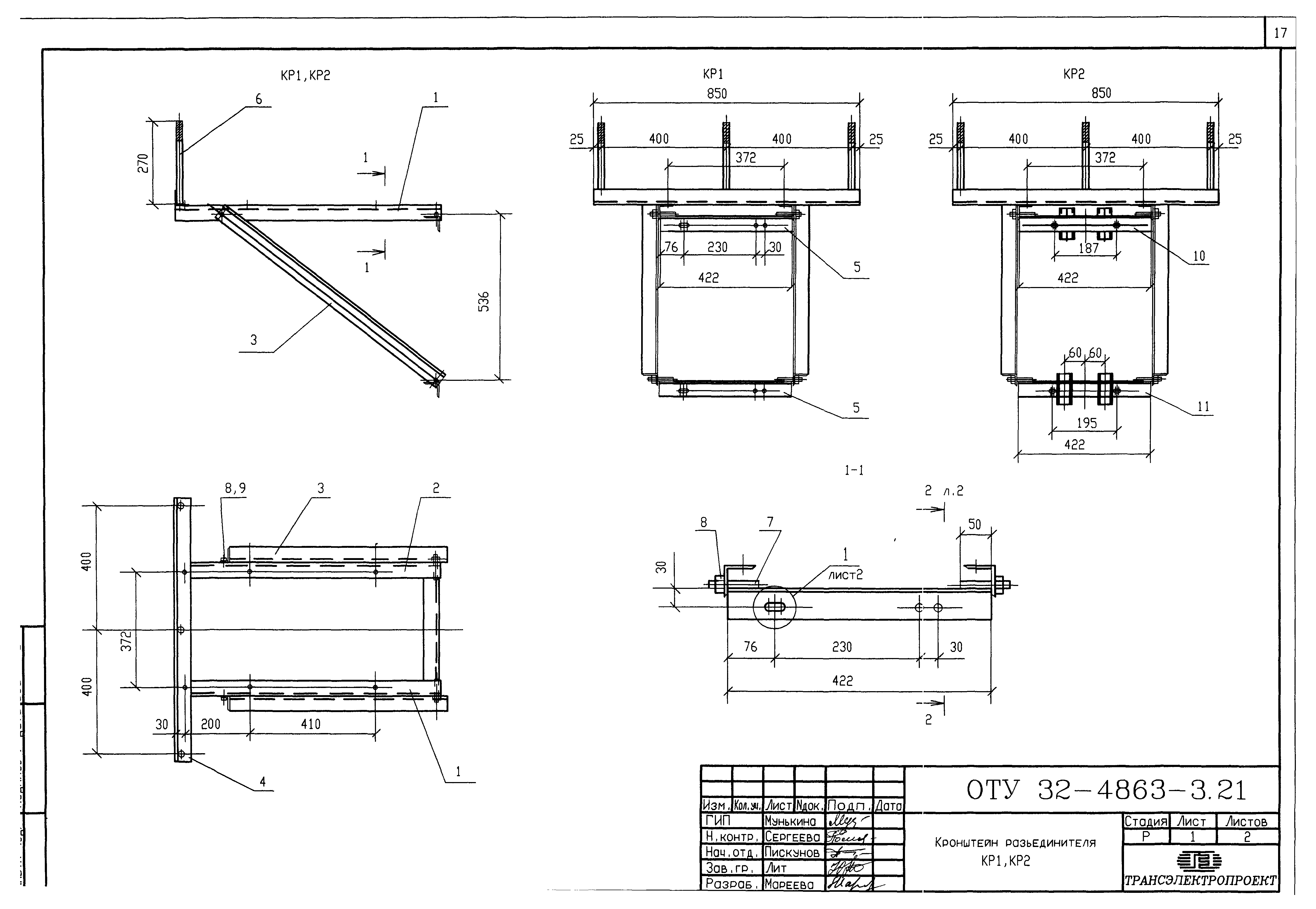
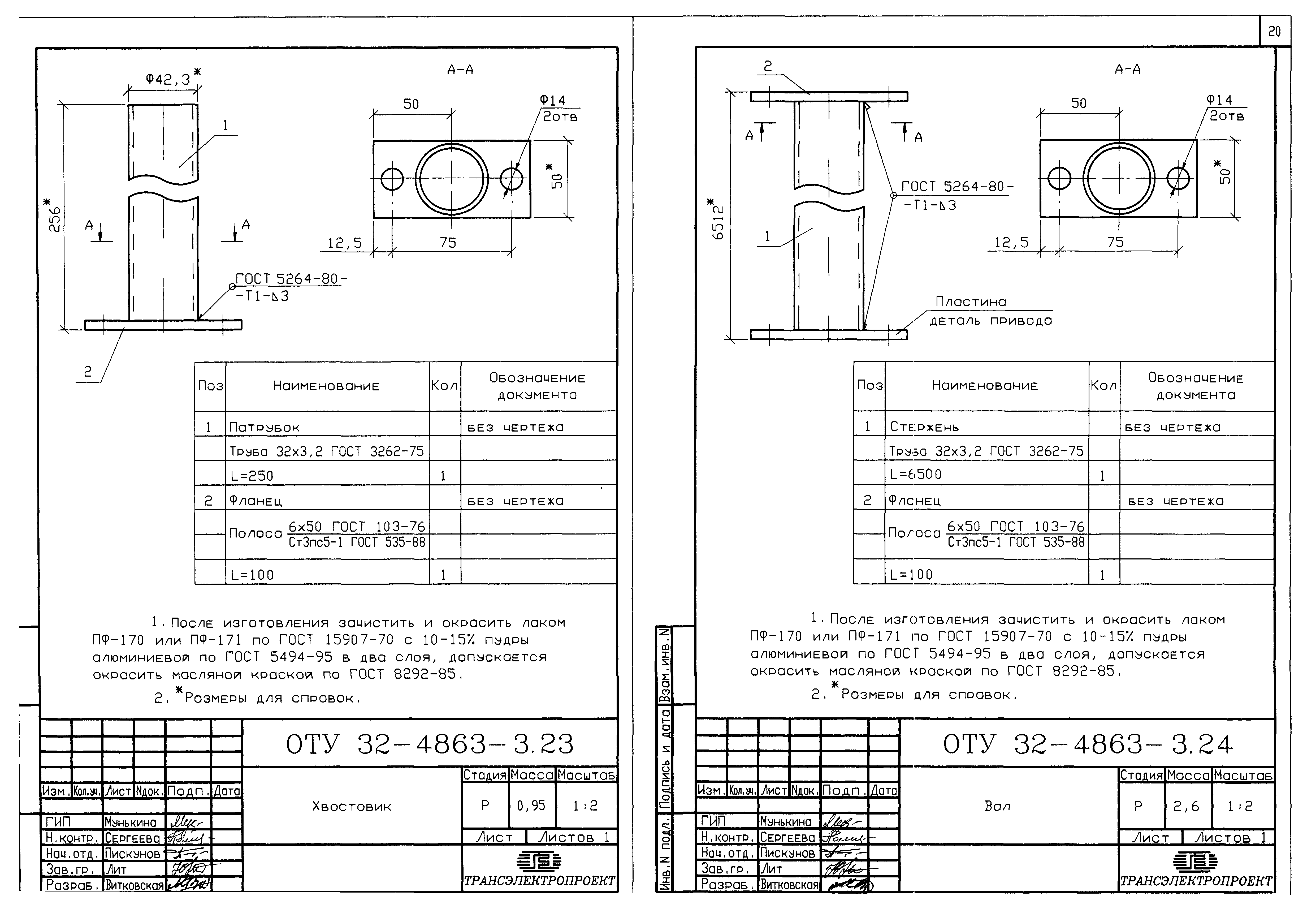
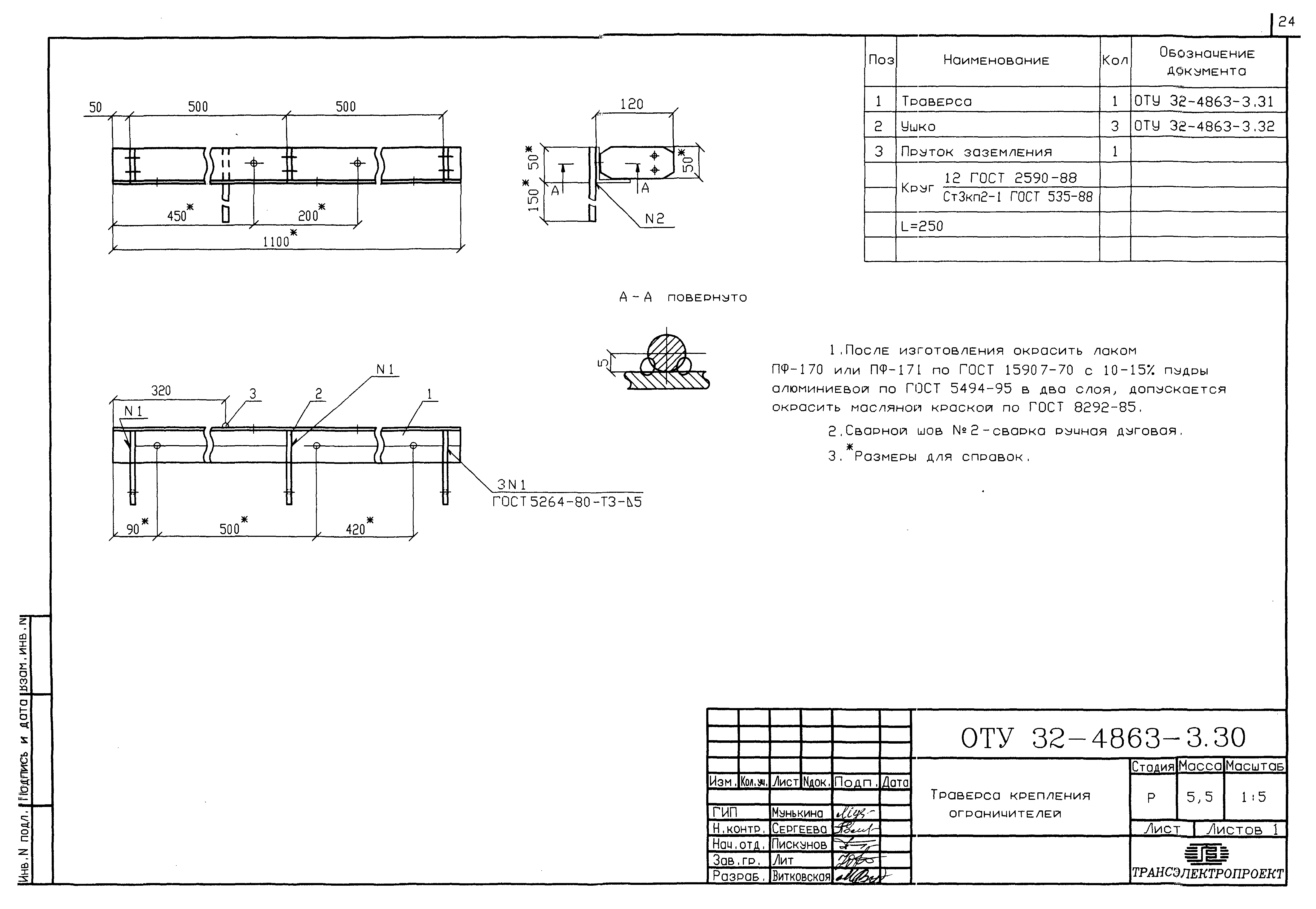
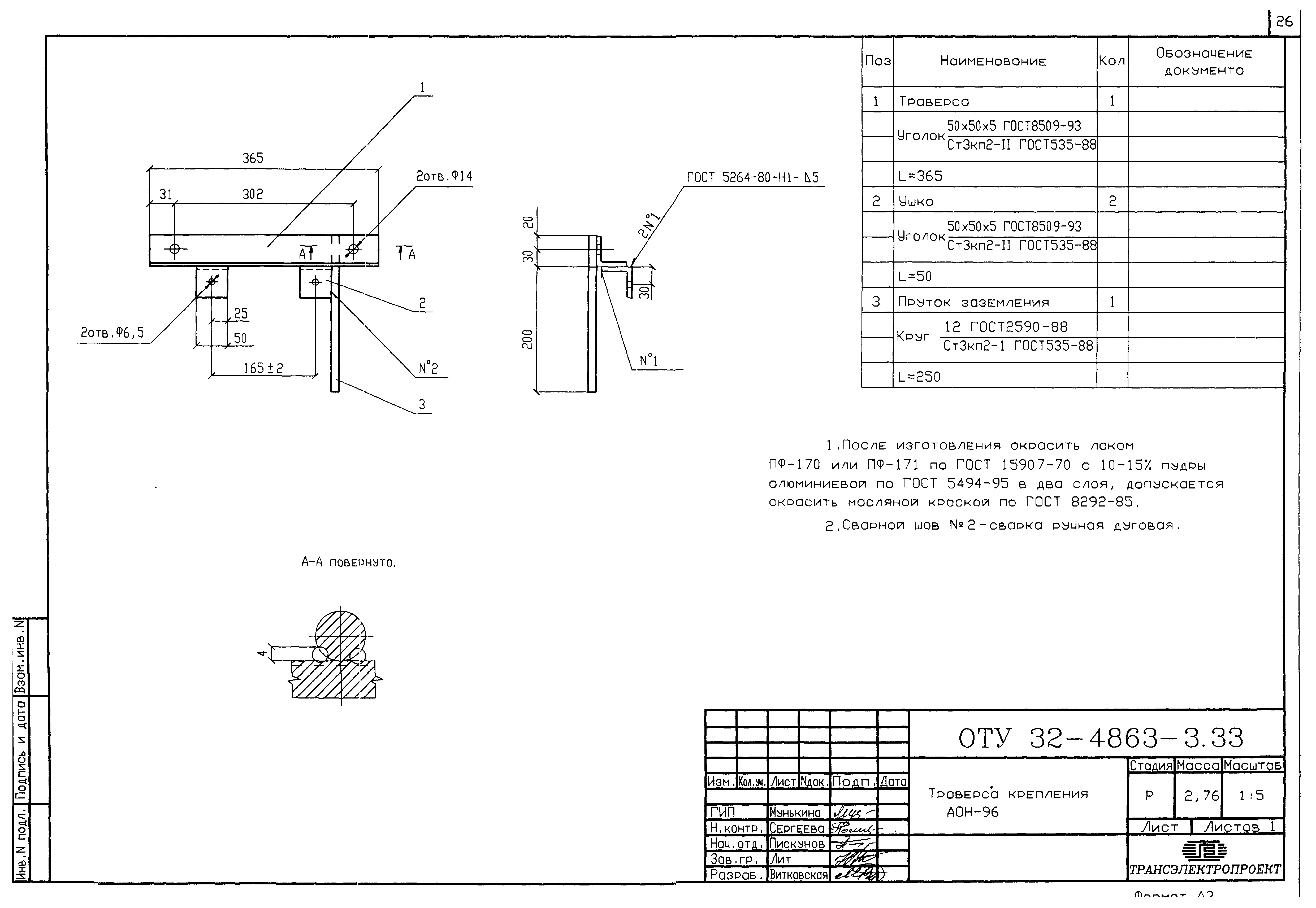
| Оглавление: | ОТУ 32-4863-3.1 Траверса горизонтальная ОТУ 32-4863-3.2 Подкос ОТУ 32-4863-3.3 Раскос ОТУ 32-4863-3.4 Клица деревянная ОТУ 32-4863-3.5 Болт специальный ОТУ 32-4863-3.6 Шайба ОТУ 32-4863-3.7 Накладка ОТУ 32-4863-3.8 Накладка ОТУ 32-4863-3.9 Скоба подстраховочная ОТУ 32-4863-3.10 Кронштейн траверсы ОТУ 32-4863-3.11 Уголок опорный ОТУ 32-4863-3.12 Уголок кронштейна ОТУ 32-4863-3.13 Кронштейн подкоса ОТУ 32-4863-3.14 Кронштейн привода длинный ОТУ 32-4863-3.15 Кронштейн привода короткий ОТУ 32-4863-3.16 Хомут ОТУ 32-4863-3.17 Вал ОТУ 32-4863-3.18 Хвостовик привода ОТУ 32-4863-3.19 Скоба ОТУ 32-4863-3.20 Хвостовик разъединителя ОТУ 32-4863-3.21 Кронштейн разъединителя КР1, КР2 ОТУ 32-4863-3.22 Уголок У1…У7 ОТУ 32-4863-3.23 Хвостовик ОТУ 32-4863-3.24 Вал ОТУ 32-4863-3.25 Хомут ОТУ 32-4863-3.26 Хомут ОТУ 32-4863-3.27 Кронштейн привода ОТУ 32-4863-3.28 Клица деревянная ОТУ 32-4863-3.29 Траверса крепления изоляторов ОТУ 32-4863-3.30 Траверса крепления ограничителя ОТУ 32-4863-3.31 Траверса ОТУ 32-4863-3.32 Ушко ОТУ 32-4863-3.33 Траверса крепления АОН-96 ОТУ 32-4863-3.34 Хомут ОТУ 32-4863-3.35 Траверса ОТУ 32-4863-3.36 Хомут |
| Разработан: | Трансэлектропроект МПС |
| Утверждён: | 23.07.1998 Департамент электрификации и электроснабжения МПС РФ (25) |
| Чем заменён: |
|




























