Скачать Типовой проект 407-3-435.90 Альбом 3. Строительные изделия (из ТП 407-3-434.90)Дата актуализации: 01.01.2021
|
| Обозначение: | Типовой проект 407-3-435.90 |
| Обозначение англ: | 407-3-435.90 |
| Статус: | не действует |
| Название рус.: | Альбом 3. Строительные изделия (из ТП 407-3-434.90) |
| Дата добавления в базу: | 01.09.2013 |
| Дата актуализации: | 01.01.2021 |
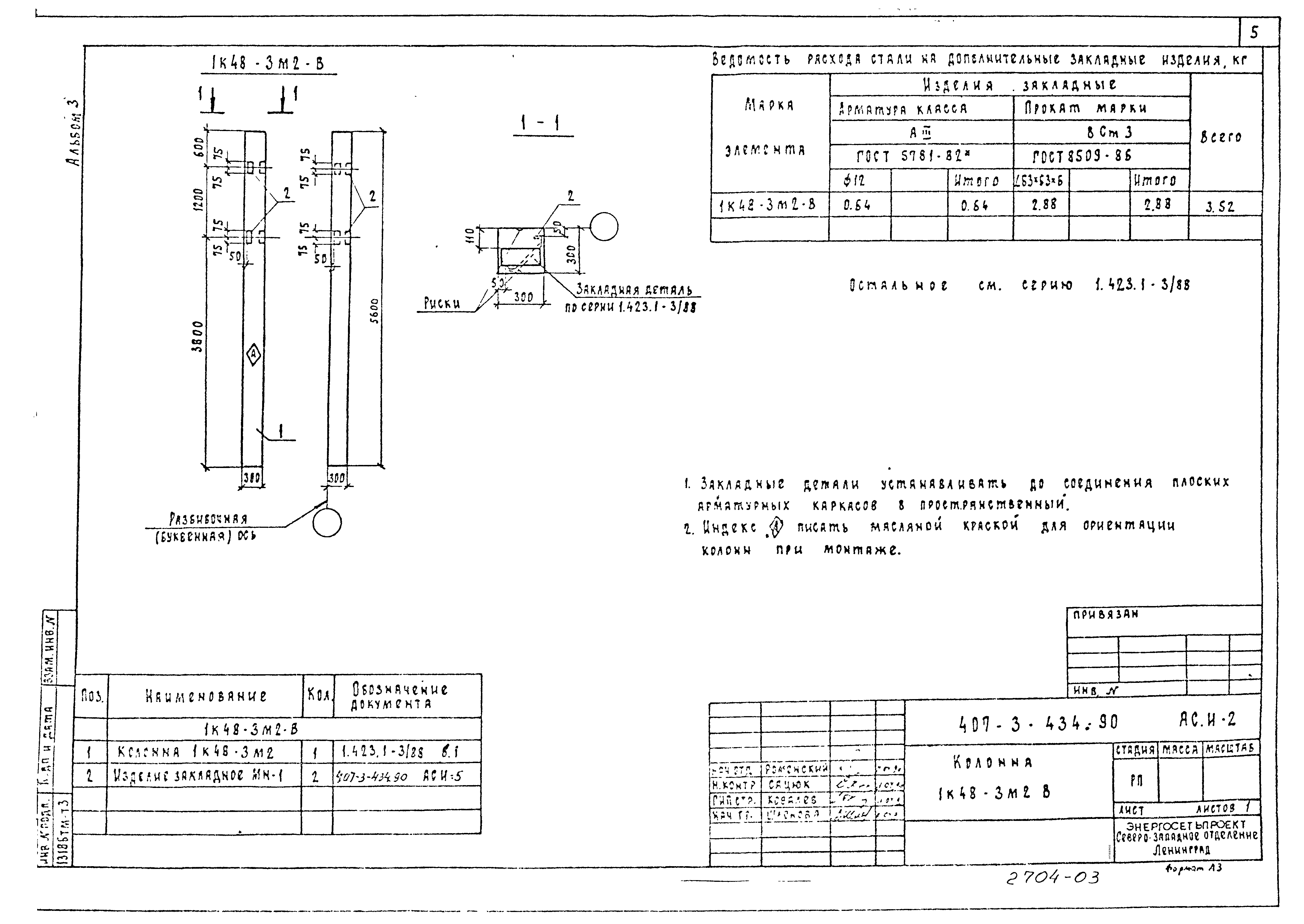
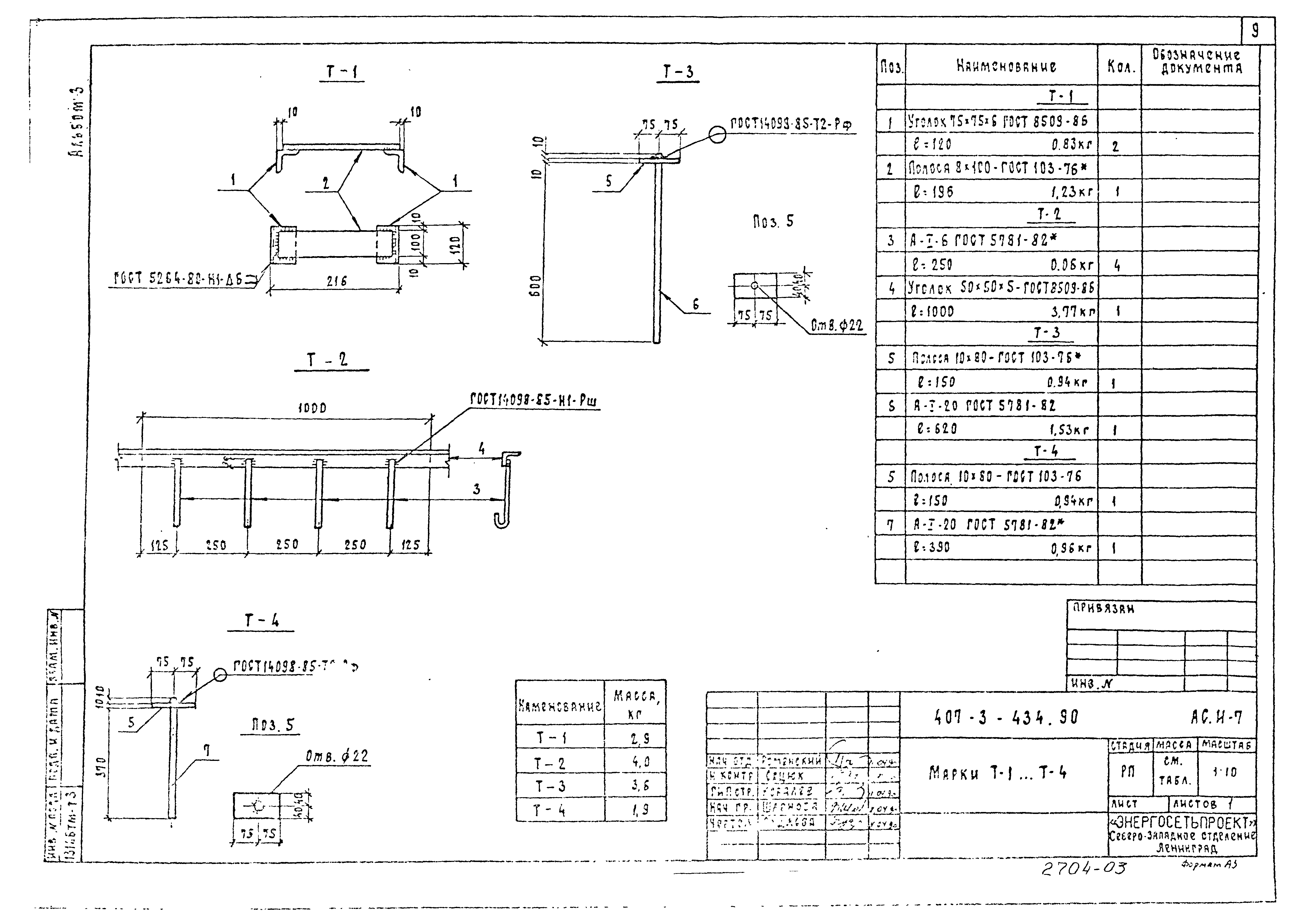
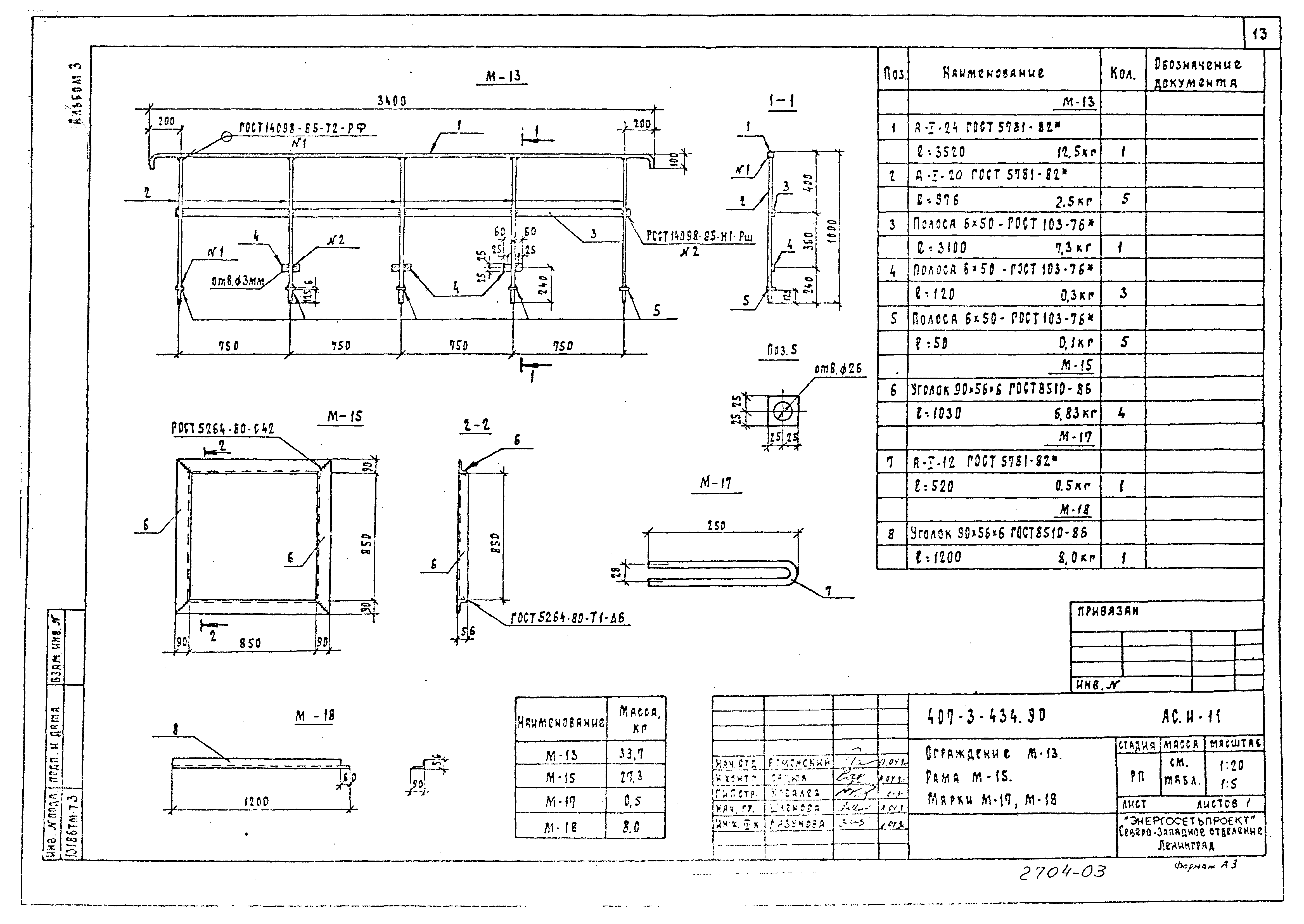
| Оглавление: | 407-3-434.90 АС.И Содержание альбома 407-3-434.90 АС.И-ТТ Технические требования 407-3-434.90 АС.И-1 Колонны 1К48-3М2-А; 1К48-3М2-Б 407-3-434.90 АС.И-2 Колонны 1К48-3М2-В 407-3-434.90 АС.И-3 Кровельная балка 1БСТ6-6АIVт-I 407-3-434.90 АС.И-4 Лотки Л9-5-I; Л9-5-II; Л9-5-III 407-3-434.90 АС.И-5 Марка МН-1 407-3-434.90 АС.И-6 Марка Т-6 407-3-434.90 АС.И-7 Марки Т-1…Т-4 407-3-434.90 АС.И-8 Марки Т-5, МК-6, МК-8 407-3-434.90 АС.И-9 Марки МК-1…МК-3 407-3-434.90 АС.И-10 Марки М-2, М-7. Кронштейны М-10, М-11 407-3-434.90 АС.И-11 Ограждение М-13. Рама М-15. Марки М-17, М-18 407-3-434.90 АС.И-12 Марка М-20. Кронштейны М-21, М-22. Рама М-23 407-3-434.90 АС.И-13 Марки М-24…М-26 |
| Разработан: | Северо-западное отделение института Энергосетьпроект |
| Утверждён: | 16.04.1990 Минэнерго СССР (USSR Minenergo 32) |
















