Скачать Типовой проект 501-7-6.87 Альбом II. Строительные изделияДата актуализации: 01.01.2021
|
| Обозначение: | Типовой проект 501-7-6.87 |
| Обозначение англ: | 501-7-6.87 |
| Статус: | не определен законодательством |
| Название рус.: | Альбом II. Строительные изделия |
| Дата добавления в базу: | 01.09.2013 |
| Дата актуализации: | 01.01.2021 |
| Дата введения: | 04.08.1986 |
| Дата окончания срока действия: | 30.06.2003 |
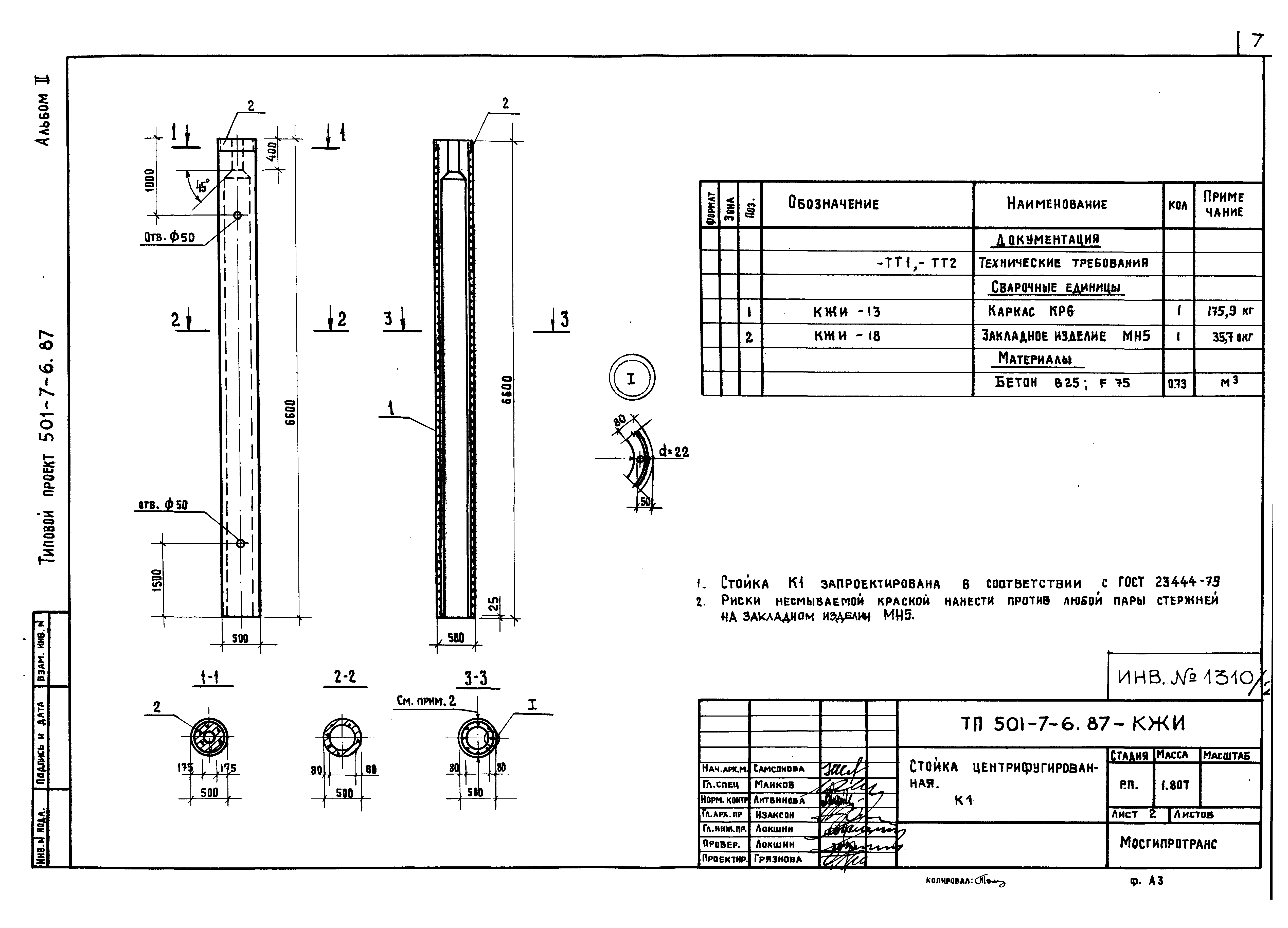
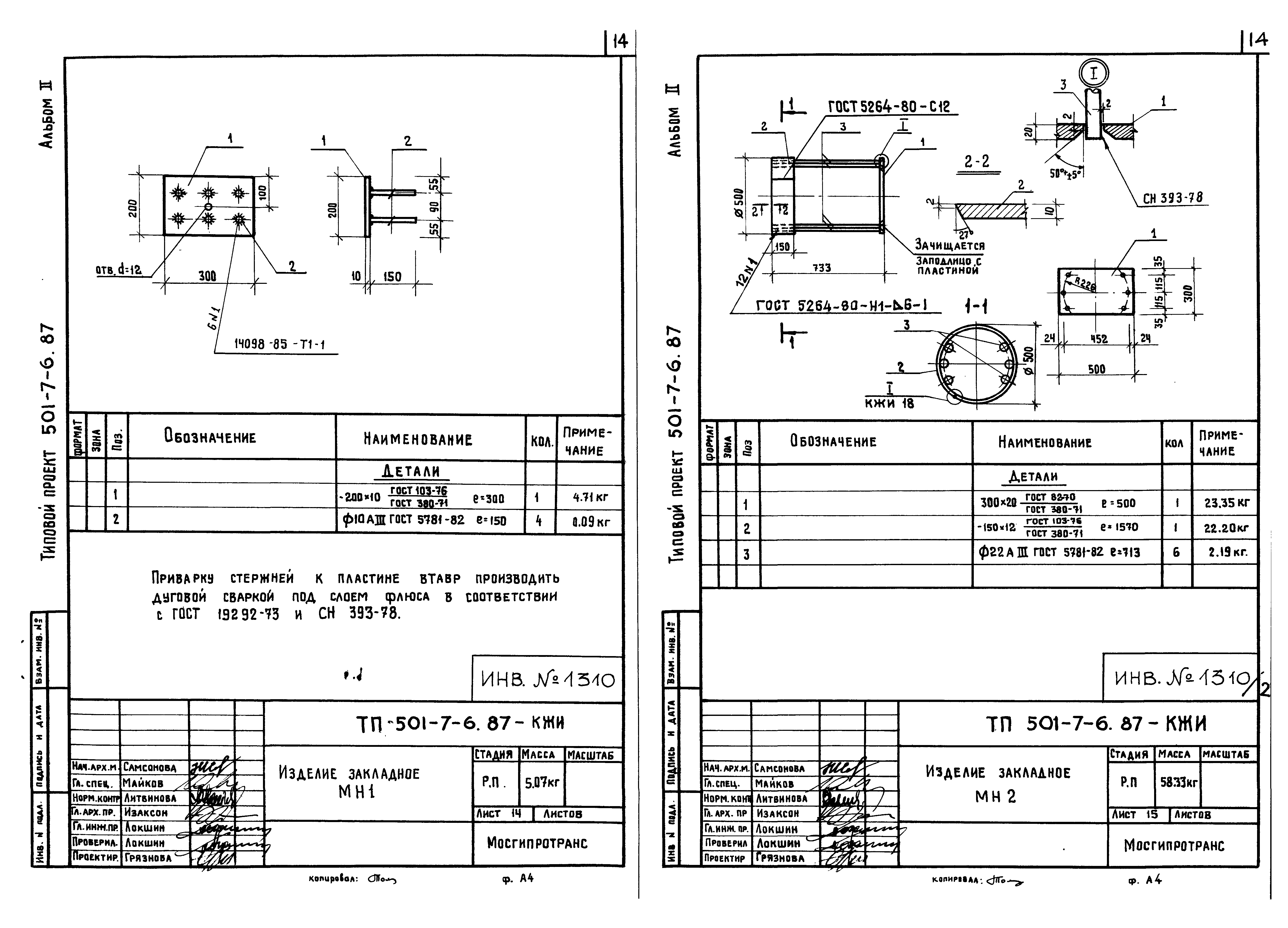
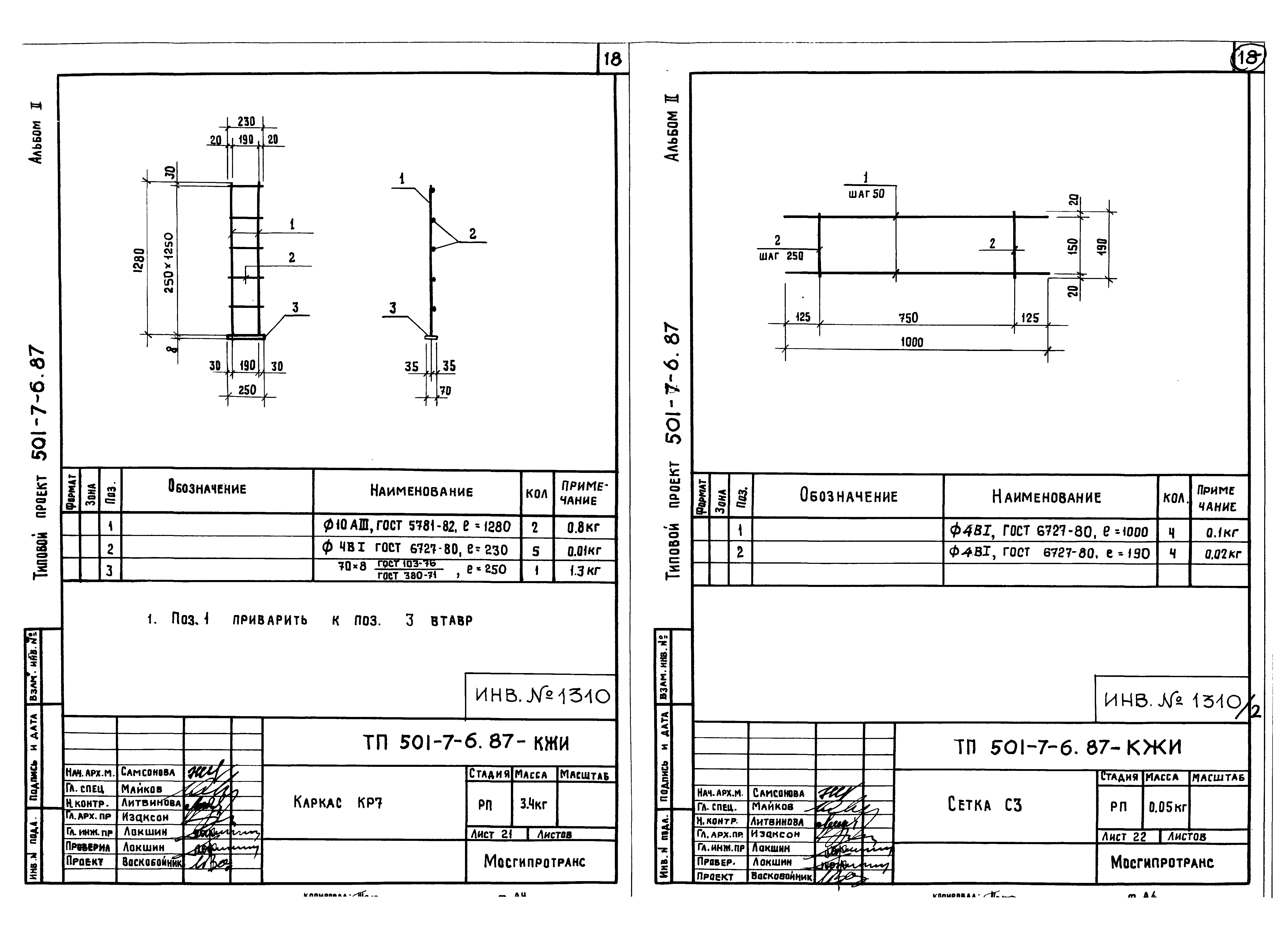
| Оглавление: | Содержание альбома II Строительные изделия Технические требования к изготовлению сборных железобетонных изделий ТТ1 Фундамент Ф1 Стойка центрифугированная К1 Ригель Р1 Ригель Р2 Технические требования к изготовлению арматурных и закладных изделий ТТ2 Сетка арматурная С1 Сетка арматурная С2 Каркас КР1 Каркас КП1 Каркас КР2 Каркас КР3 Каркас КР4 Каркас КР5 Каркас КР6 Изделие закладное МН1 Изделие закладное МН2 Изделие закладное МН3 Изделие закладное МН4 Изделие закладное МН5 Изделие закладное МН6 Изделие закладное МН7 Каркас КР7 Сетка арматурная С3 |
| Разработан: | Мосгипротранс |
| Утверждён: | 04.08.1986 МПС (Ministry of Railroads А-2950 у) |


















