Скачать Рекомендации по дуговой точечной сварке соединений элементов стальных строительных конструкцийДата актуализации: 01.01.2021 |
| Статус: | действует |
| Название рус.: | Рекомендации по дуговой точечной сварке соединений элементов стальных строительных конструкций |
| Дата добавления в базу: | 01.09.2013 |
| Дата актуализации: | 01.01.2021 |
| Область применения: | Рекомендации содержат сведения о двух вариантах дуговой точечной сварки с принудительными проплавлением и формованием нахлесточных соединений элементов стальных строительных конструкций. Рекомендации предназначены для организаций, занимающихся проектированием, изготовлением и монтажом стальных строительных конструкций. |
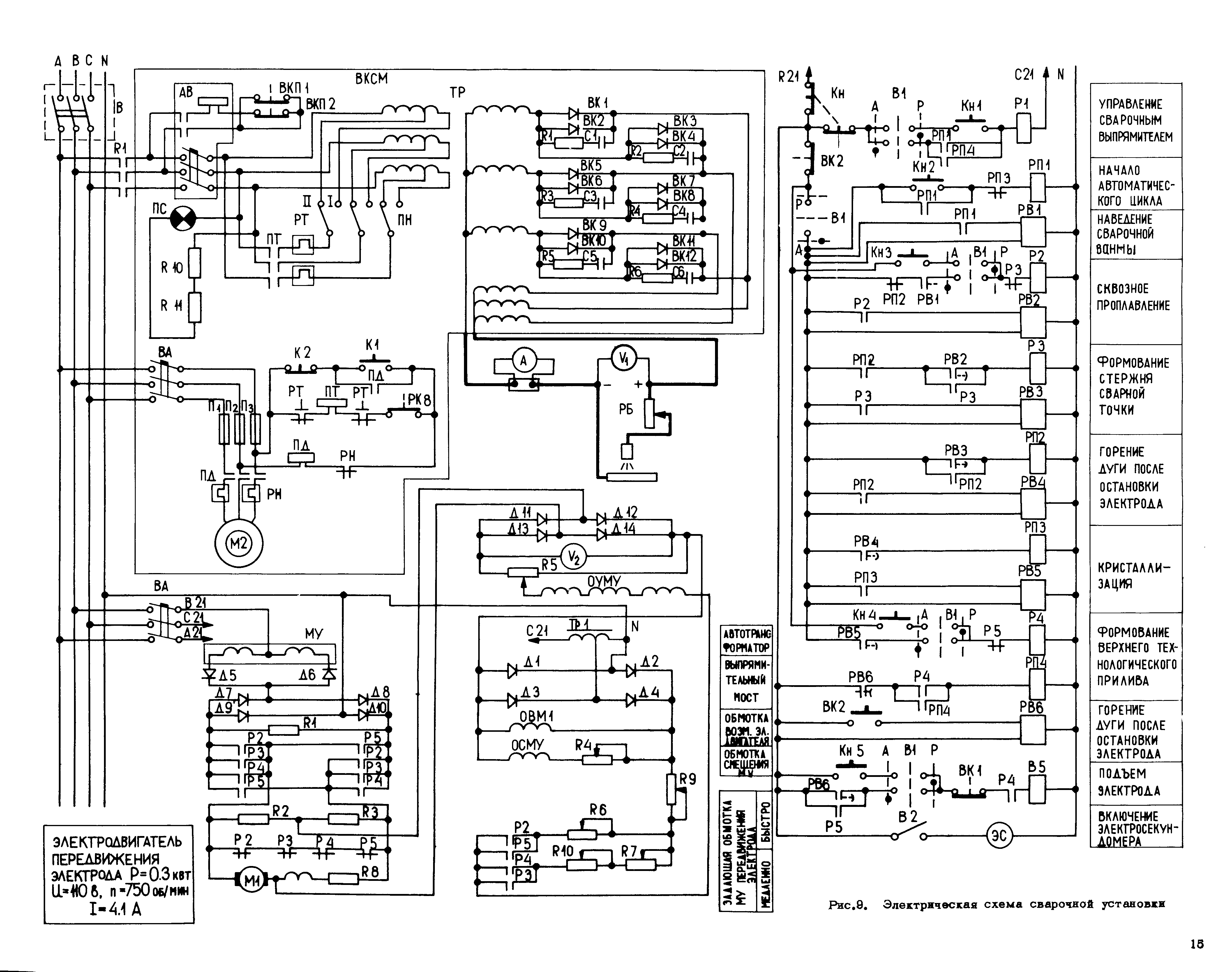
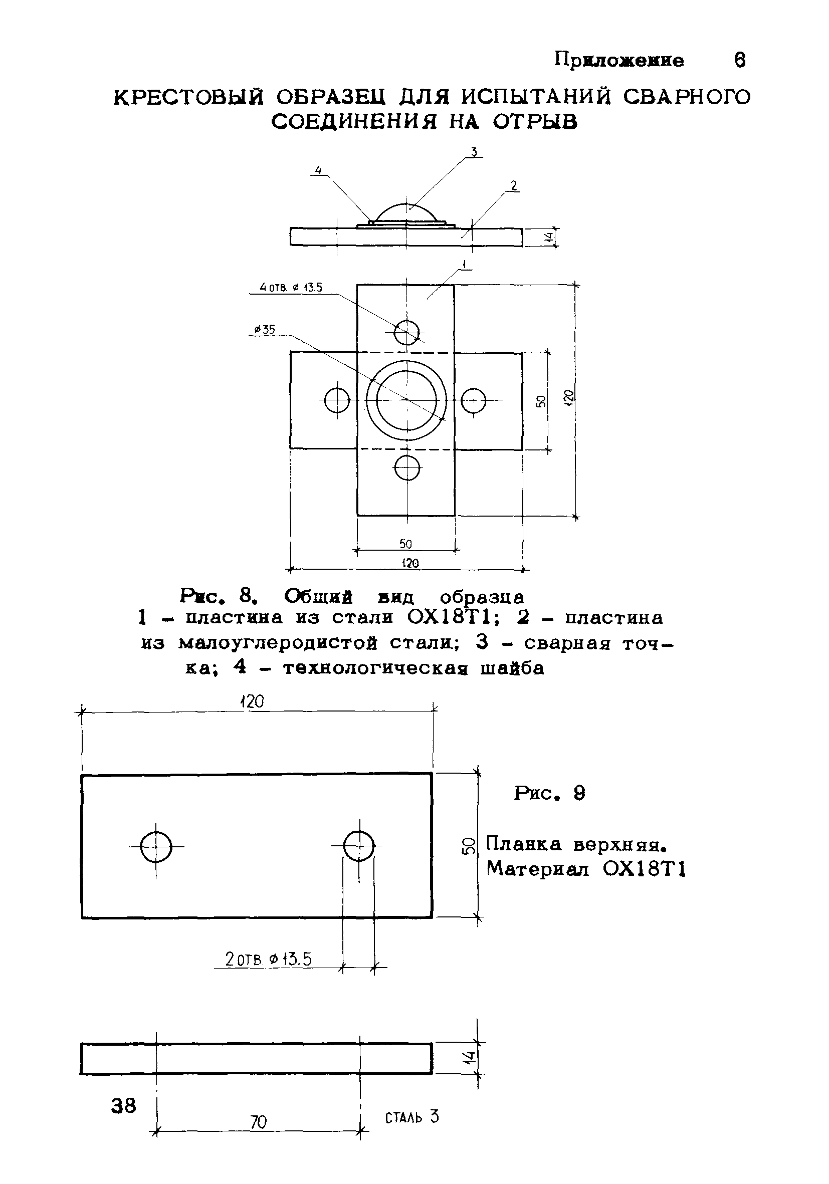
| Оглавление: | Введение 1. Общие положения Область применения Квалификация сварщиков Техника безопасности 2. Дуговая точечная сварка с принудительными сквозным проплавлением и формованием Описание процесса сварки Сварочные материалы Оборудование Подготовка к сварке Режимы сварки 3. Дуговая точечная сварка с принудительным несквозным проплавлением и формованием трудно-свариваемых разнородных сталей Особенности способа сварки Сварочные и основные материалы Оборудование и приспособления Подготовка к сварке Режимы сварки 4. Контроль качества Контроль качества сварочных материалов Пооперационный контроль при выполнении сварки Контроль качества сварных соединений Приложение 1. Описание электрической схемы лабораторной установки для дуговой точечной сварки с принудительными сквозным проплавлением и формованием Приложение 2. Приспособление для сварки ДТСПФн Приложение 3. Плоский образец для испытаний на срез растяжением соединений, выполненных сваркой ДТСПФс Приложение 4. Уголковый образец для испытаний на срез растяжением одно-, двух- и трехточечных соединений, выполненных сваркой ДТСПФс Приложение 5. Плоский образец для испытаний на срез растяжением соединений, выполненных сваркой ДТСПФн Приложение 6. Крестовый образец для испытаний сварного соединения на отрыв Приложение 7. Кондуктор для дуговой точечной сварки крестовых образцов Приложение 8. Приспособление для испытаний сварной точки на отрыв Приложение 9. Пример применения дуговой точечной сварки с принудительным несквозным проплавлением и формованием трудносвариваемой нержавеющей стали ОХ18Т1 с малоуглеродистой сталью Приложение 10. Технические требования к вновь создаваемому специализированному оборудованию для дуговой точечной сварки Приложение 11. Дефекты соединений и меры их предупреждения и исправления |
| Разработан: | ЦНИИСК им. В.А. Кучеренко |
| Утверждён: | 28.01.1981 ЦНИИСК им. В.А. Кучеренко Госстроя СССР |
| Нормативные ссылки: |
|





























































