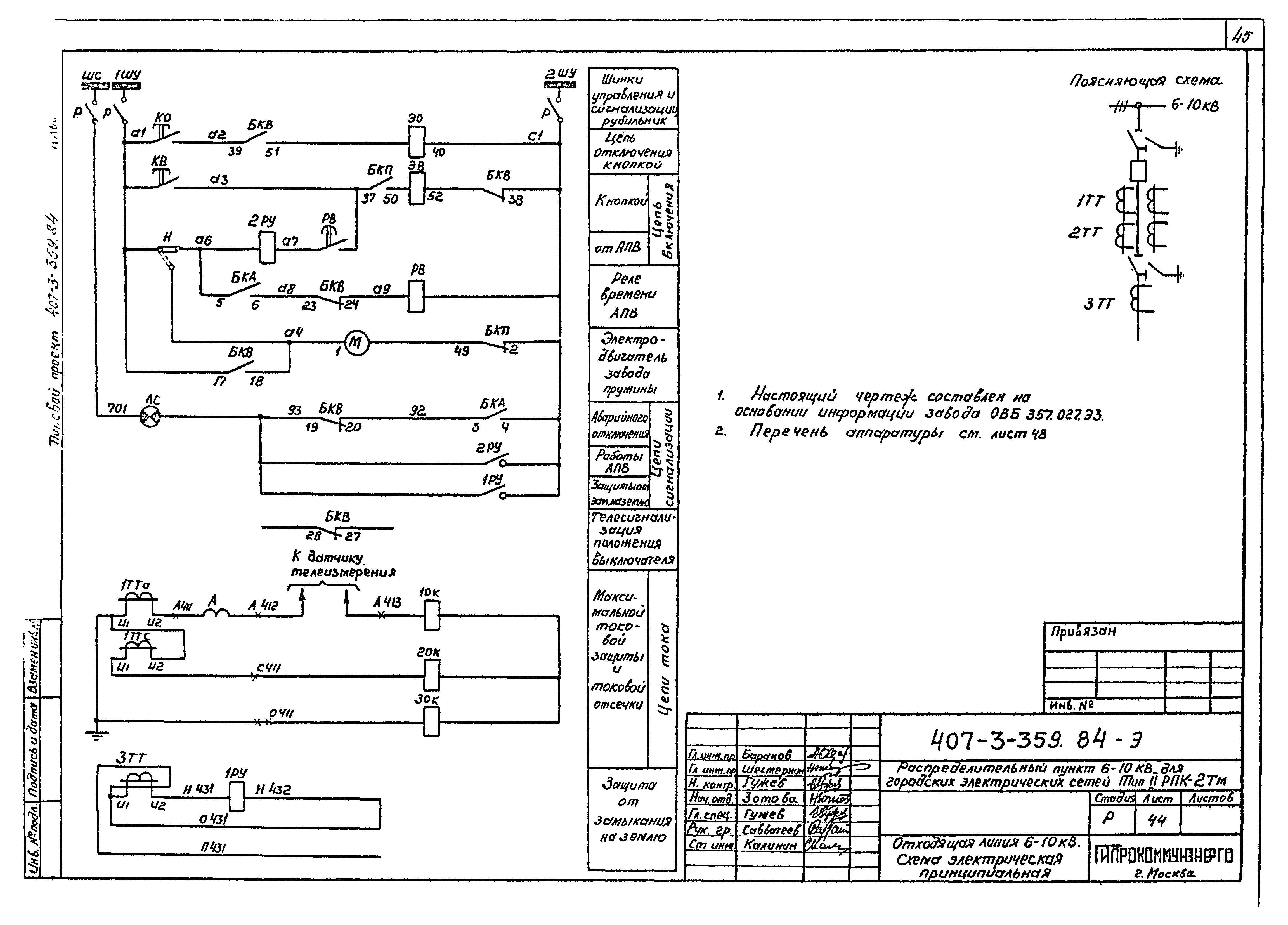
Скачать Типовой проект 407-3-359.84 Альбом I. Электротехнические чертежиДата актуализации: 01.01.2021 Типовой проект 407-3-359.84
Альбом I. Электротехнические чертежи| Обозначение: | Типовой проект 407-3-359.84 | | Обозначение англ: | 407-3-359.84 | | Статус: | не действует | | Название рус.: | Альбом I. Электротехнические чертежи | | Дата добавления в базу: | 12.02.2016 | | Дата актуализации: | 01.01.2021 | | Дата введения: | 15.10.1985 | | Дата окончания срока действия: | 01.02.1987 | | Разработан: | Гипрокоммунэнерго
| | Утверждён: | 15.06.1984 Минжилкомхоз РСФСР (Russian Federation Minzhilkomkhoz 14-тд)
| | Заменяет собой: | |
                                                      
|