Скачать Типовой проект 407-3-587.90 Альбом 2. Электротехнические чертежи (вариант со шкафами КРУ серии К-104). Строительные чертежи (вариант со шкафами КРУ серии К-104). Электротехнические чертежи (вариант со шкафами КРУ серий КМ-1М, КМ-1Ф). Строительные чертежи (вариант со шкафами КРУ серий КМ-1М, КМ-1Ф). Отопление, вентиляцияДата актуализации: 01.01.2021
|
| Обозначение: | Типовой проект 407-3-587.90 |
| Обозначение англ: | 407-3-587.90 |
| Статус: | не определен законодательством |
| Название рус.: | Альбом 2. Электротехнические чертежи (вариант со шкафами КРУ серии К-104). Строительные чертежи (вариант со шкафами КРУ серии К-104). Электротехнические чертежи (вариант со шкафами КРУ серий КМ-1М, КМ-1Ф). Строительные чертежи (вариант со шкафами КРУ серий КМ-1М, КМ-1Ф). Отопление, вентиляция |
| Дата добавления в базу: | 01.09.2013 |
| Дата актуализации: | 01.01.2021 |
| Дата введения: | 05.04.1991 |
| Дата окончания срока действия: | 30.06.2003 |
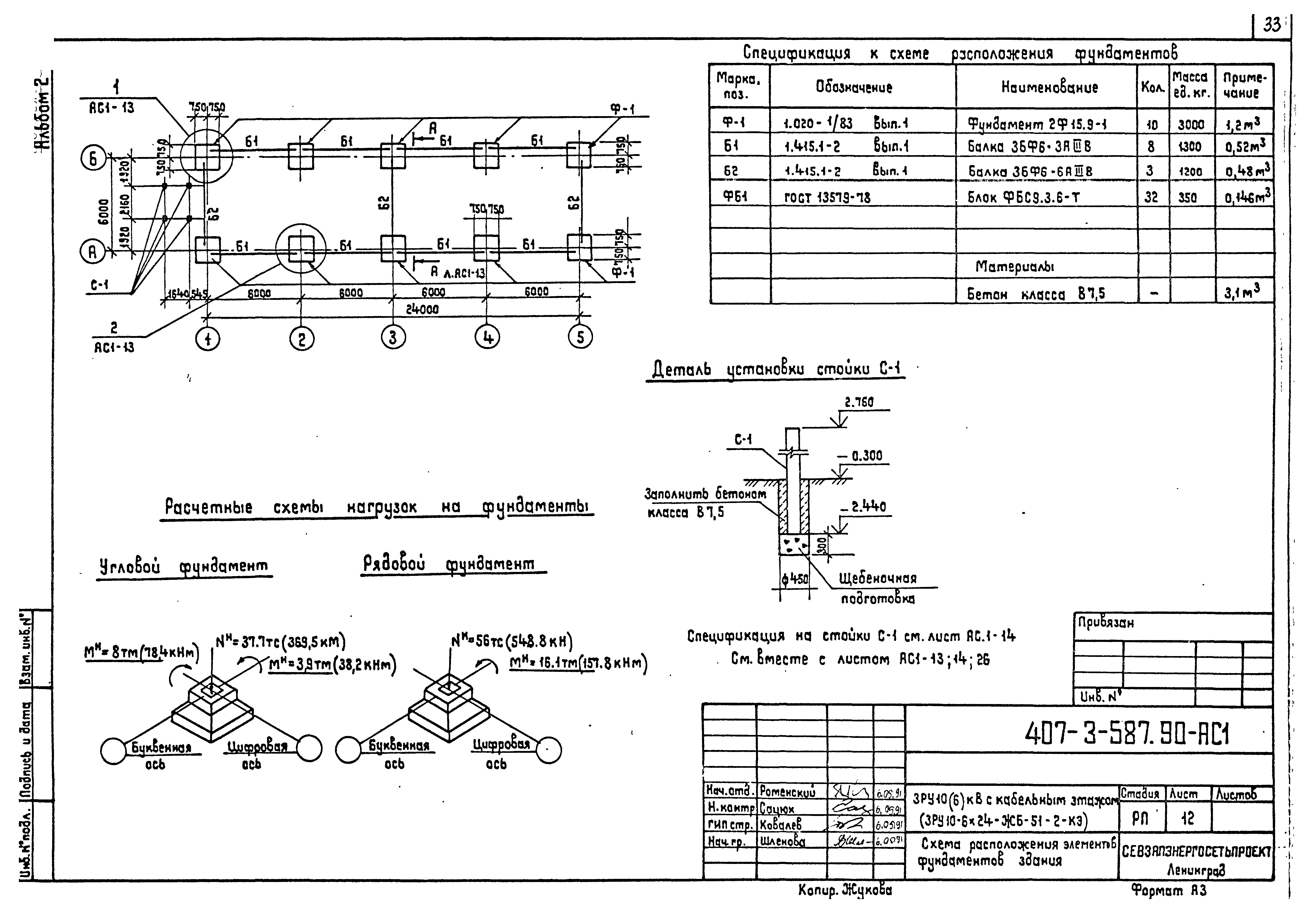
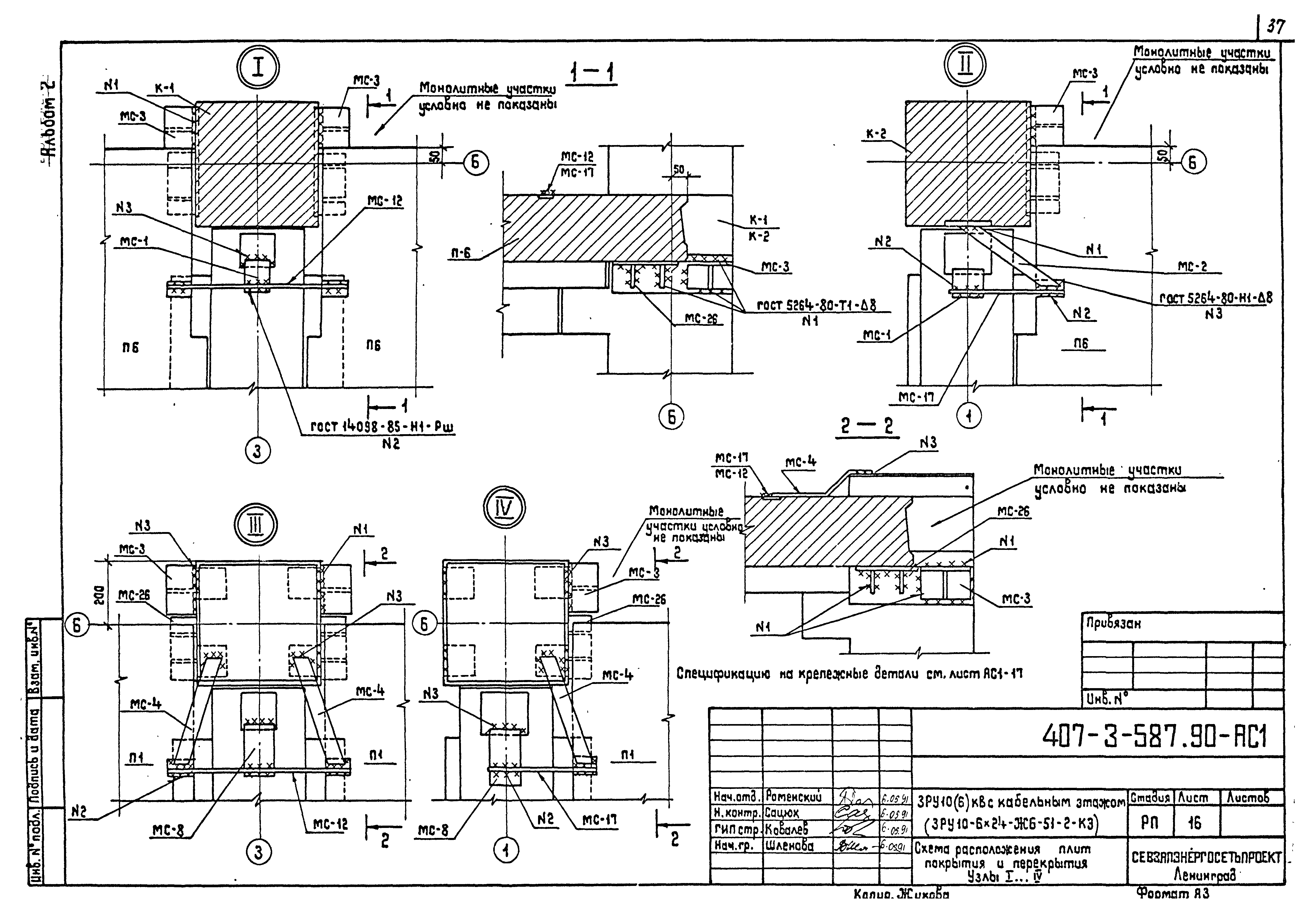
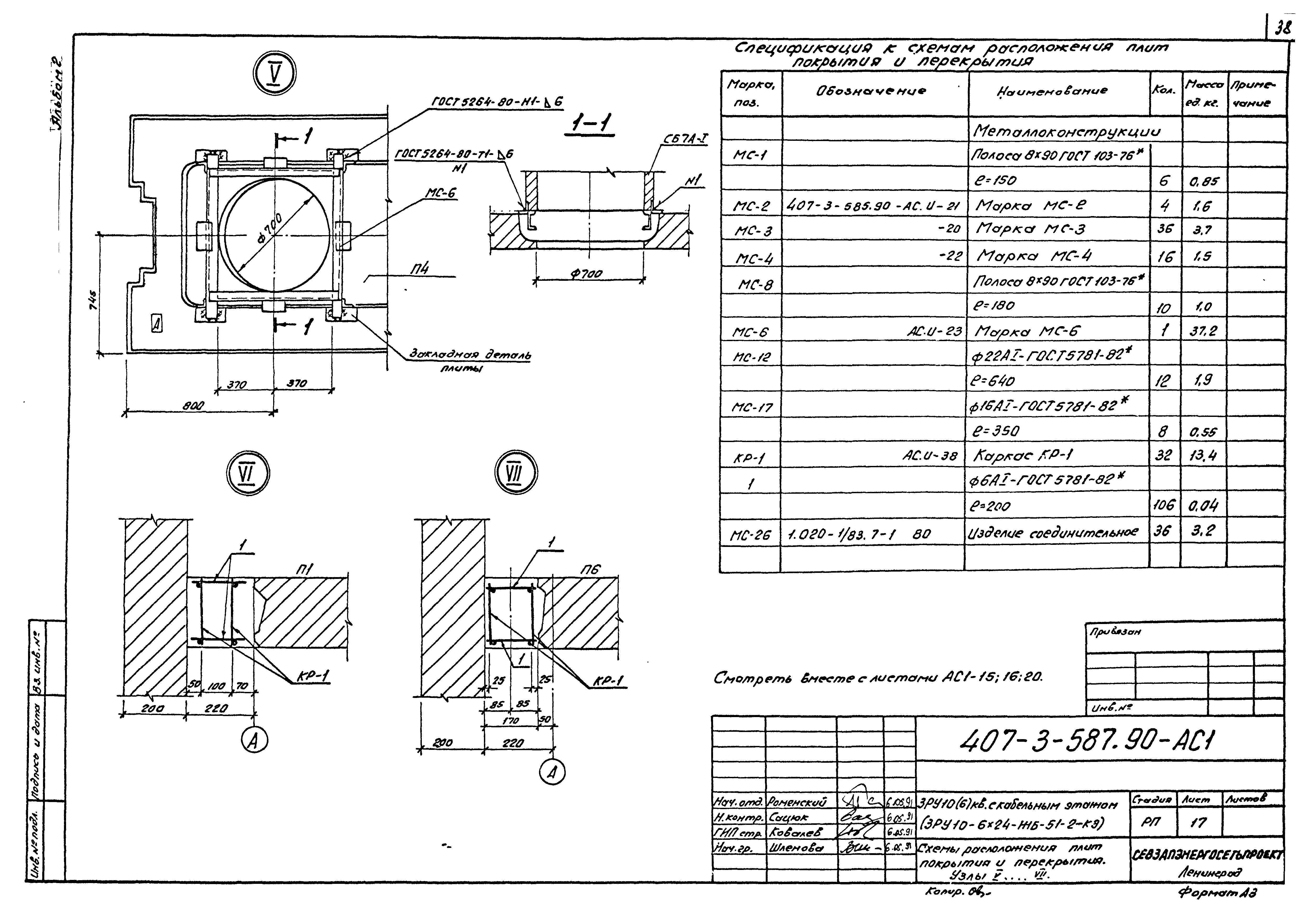
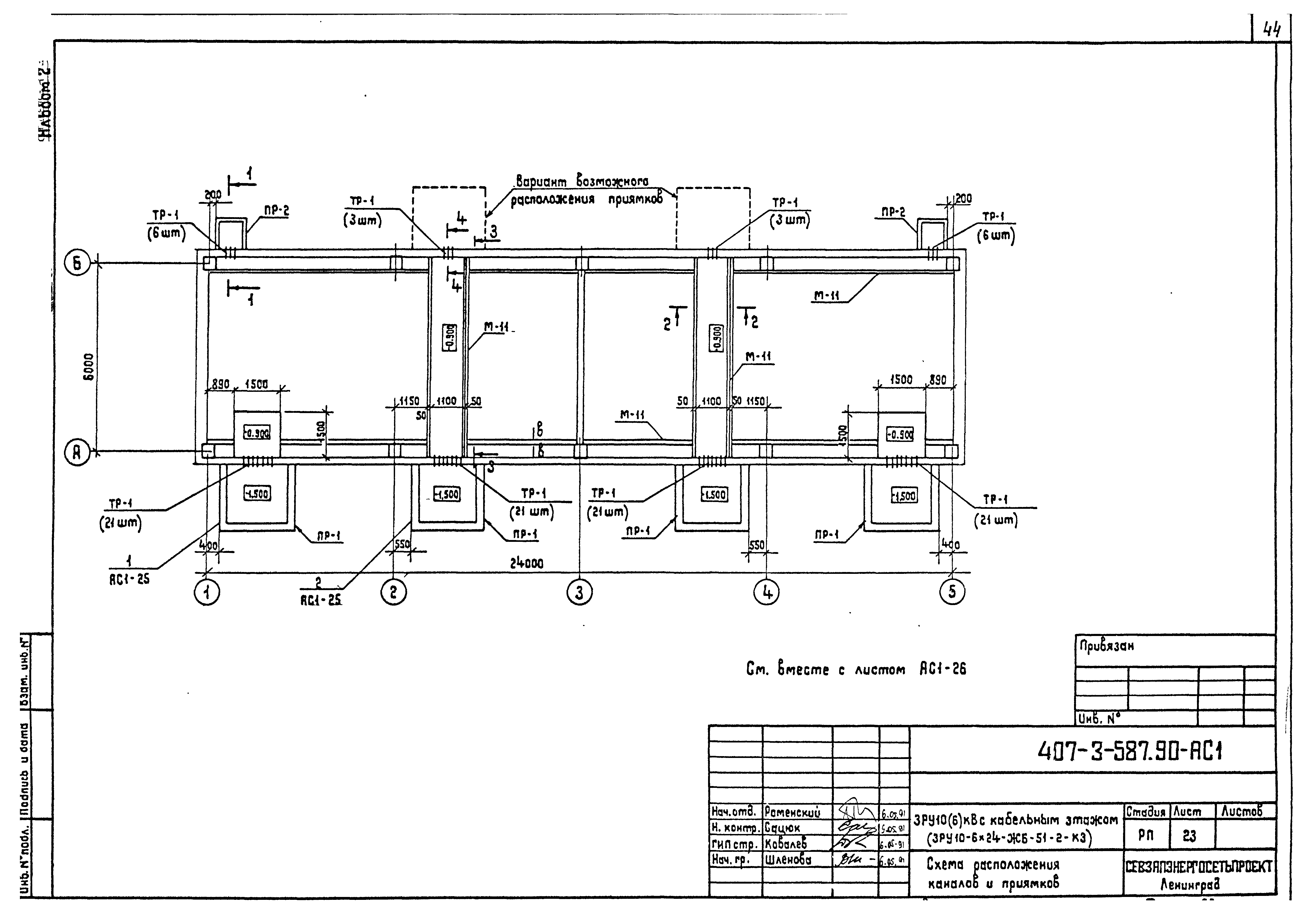
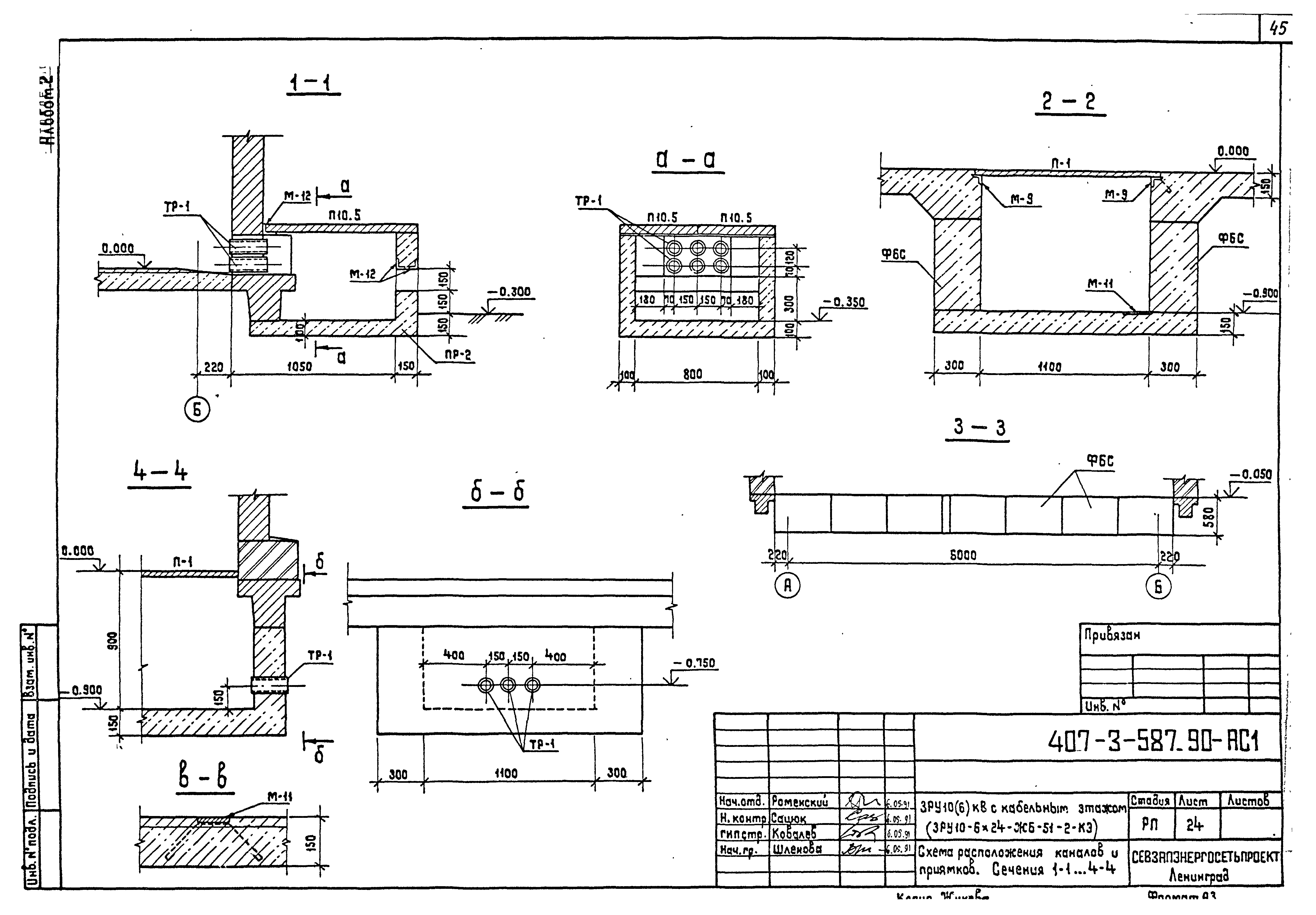
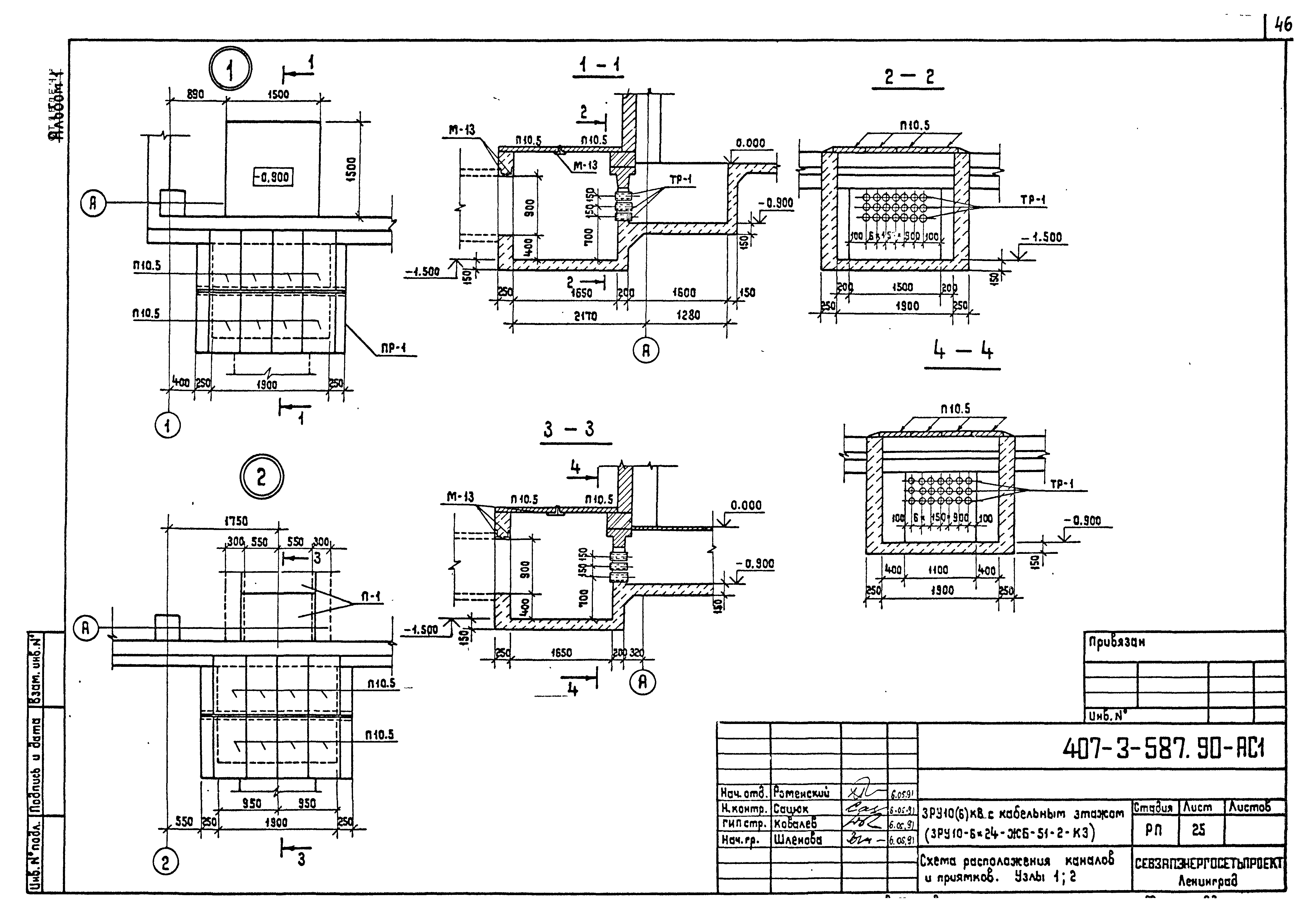
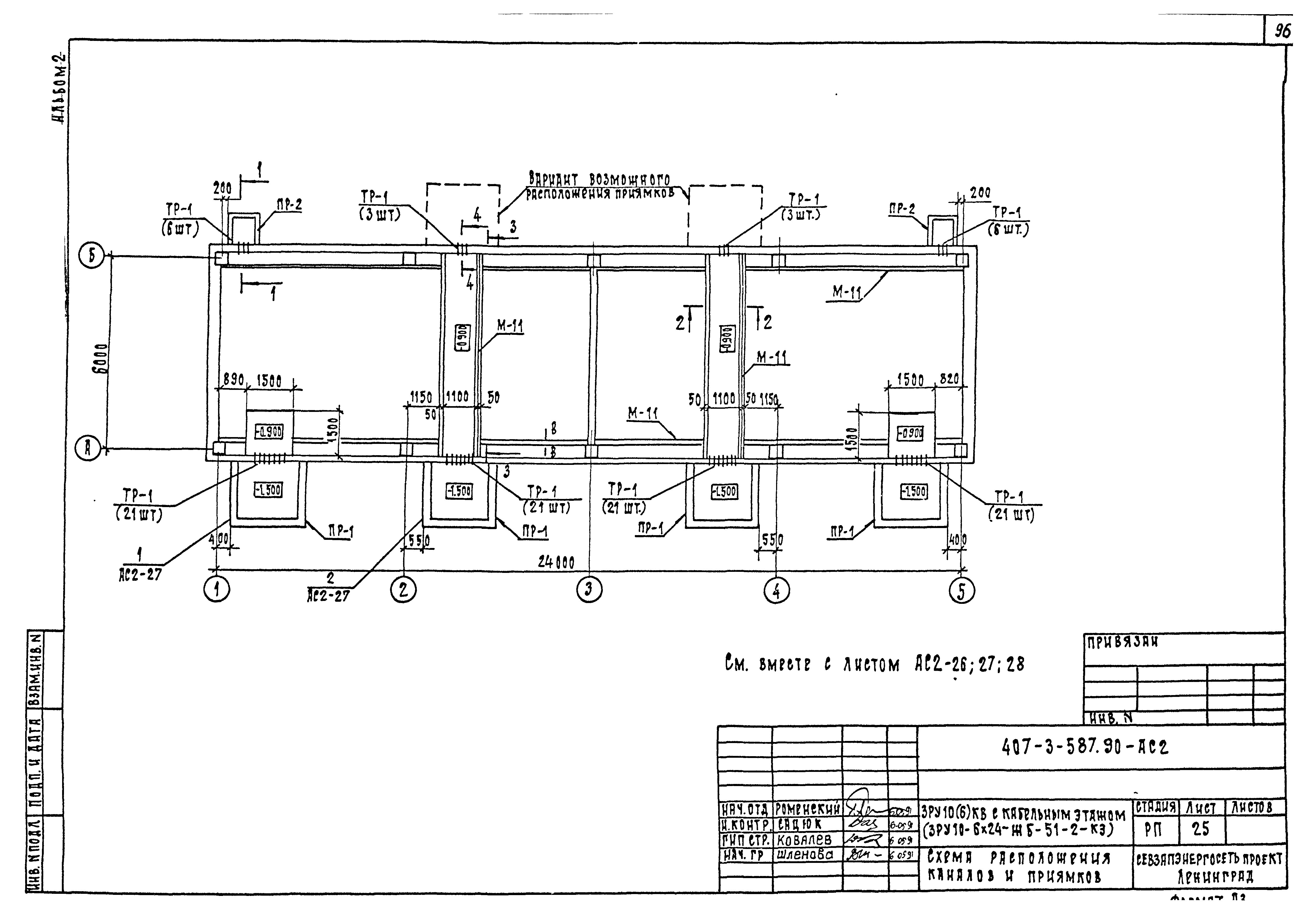
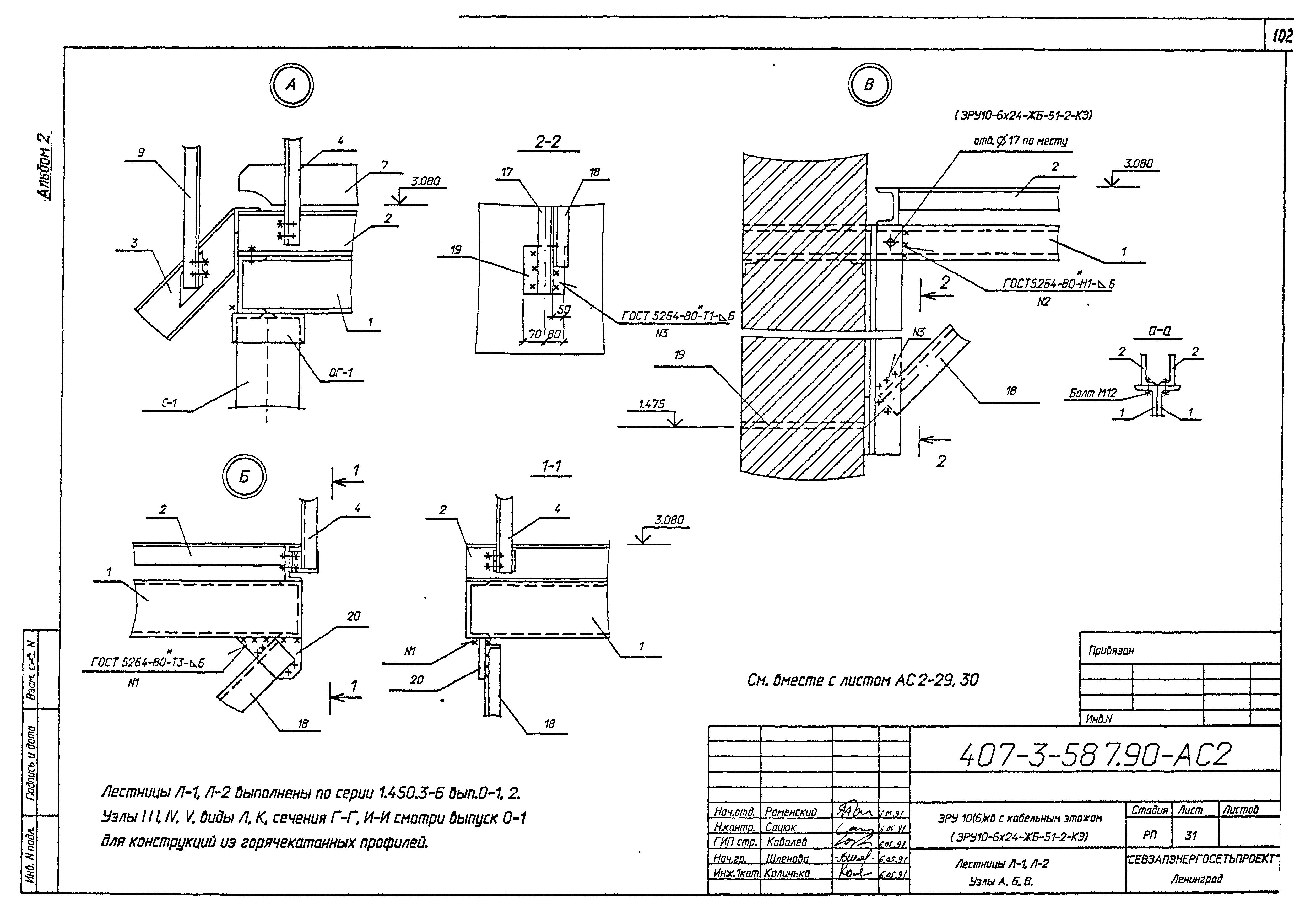
| Оглавление: | ЭП1 Электротехнические чертежи (вариант со шкафами КРУ серии К-104) Общие данные Расстановка шкафов КРУ на ток 1600 А. План, разрезы А-А, Б-Б Спецификация к листу ЭП1-3 Расстановка шкафов КРУ на ток 2600 А. План, разрезы А-А, Б-Б Спецификация к листу ЭП1-5 Освещение. Планы Ведомость узлов установки электрического оборудования Схема управления освещением и данные о групповом щитке Электрическое отопление и вентиляция Журнал силовых кабелей Установка шкафов КРУ серии К-104 Расстановка кабельных конструкций в кабельном этаже. План, разрез А-А Расстановка кабельных конструкций в кабельном этаже. Разрезы Б-Б, В-В Схема размещения датчиков пожарной сигнализации Установка шинного ввода Разводка кабелей 10 кВ Схемы заполнения шкафов КРУ АС1 Строительные чертежи (вариант со шкафами КРУ серии К-104) Общие данные План на отм. 0.000 и 3.100 Разрезы 1-1, 2-2 Фасады Фрагмент входа 1. Установка двери ДМП21-9/0,75-Б Фрагмент фасада 1 План кровли. Спецификация к фрагменту фасада 1 Архитектурные узлы А, Б, В, Г Схема расположения элементов фундаментов здания Схема расположения элементов фундаментов здания. Узлы 1…2 Схемы расположения колонн и ригелей Схемы расположения плит покрытия и перекрытия Схемы расположения плит покрытия и перекрытия. Узлы I…IV Схемы расположения плит покрытия и перекрытия. Узлы V…VII Схемы расположения стеновых панелей Схемы расположения стеновых панелей. Спецификация. Узел 1 Схемы расположения отверстий и металлоконструкций в перекрытии Схемы расположения металлоконструкций в покрытии и перекрытии Сечения 1-1…7-7 к схемам расположения металлоконструкций и отверстий в перекрытии Схема расположения каналов и приямков Схема расположения каналов и приямков. Сечения 1-1…4-4 Схема расположения каналов и приямков. Узлы 1, 2 Схема расположения плит покрытия каналов и приямков Лестница Л-1 Лестница Л-2 Лестницы Л-1, Л-2. Узлы А, Б, В Схема расположения металлоконструкций для транспортировки оборудования ЭП2 Электротехнические чертежи (вариант со шкафами КРУ серии КМ-1М, КМ-1Ф) Общие данные Расстановка шкафов КРУ на ток 1600 А. План, разрезы А-А, Б-Б Спецификация к листу ЭП2-3 Расстановка шкафов КРУ на ток 3150 А. План, разрезы А-А, Б-Б Спецификация к листу ЭП2-5 Освещение. Планы Ведомость узлов установки электрического оборудования Схема управления освещением и данные о групповом щитке Электрическое отопление и вентиляция Журнал силовых кабелей Установка шкафов КРУ серии КМ-1Ф, КМ-1М Установка проходных изоляторов Установка проходных изоляторов. Проходная доска. Детали Установка проходных изоляторов. Вариант установки ШШВ с ИПУ-10 заводского изготовления Расстановка кабельных конструкций в кабельном этаже. План, разрезы А-А, Б-Б Расстановка кабельных конструкций в кабельном этаже. Разрез В-В Схема размещения датчиков пожарной сигнализации Разводка кабелей 10 кВ Конструкция для крепления шкафа шинного ввода и шинной перемычки Схемы заполнения шкафов КРУ АС2 Строительные чертежи (вариант со шкафами КРУ серии КМ-1М, КМ-1Ф) Общие данные План на отм. 0.000 и 3.120 Разрезы 1-1, 2-2 Фасады Фрагмент входа 1. Установка двери ДМП21-9/0,75-Б Фрагмент фасада 1 План кровли. Спецификация к фрагменту фасада 1 Архитектурные узлы А, Б, В, Г Схема расположения элементов фундаментов здания Схема расположения элементов фундаментов здания. Узлы 1, 2 Схемы расположения колонн и ригелей Схемы расположения плит покрытия и перекрытия Схемы расположения плит покрытия и перекрытия. Узлы I, II Схемы расположения плит покрытия и перекрытия. Узлы III…VII Схемы расположения стеновых панелей Схемы расположения стеновых панелей. Спецификация. Узел 1 Схемы расположения отверстий и металлоконструкций в перекрытии на ток 1600 А Схемы расположения отверстий и металлоконструкций в перекрытии на ток 3150 А Схемы расположения металлоконструкций в покрытии и перекрытии Спецификация к схемам расположения металлоконструкций в покрытии и перекрытии Сечения 1-1…6-6 к схемам расположения металлоконструкций и отверстий в перекрытии Схема расположения каналов и приямков Схема расположения каналов и приямков. Сечения 1-1…4-4 Схема расположения каналов и приямков. Узлы 1, 2 Схема расположения плит покрытия каналов и приямков Лестница Л-1 Лестница Л-2 Лестницы Л-1, Л-2. Узлы А, Б, В Схема расположения металлоконструкций для транспортировки оборудования ОВ Отопление и вентиляция Общие данные План на отм. 0.000. Разрез 1-1 План на отм. 3.120. Разрез 2-2 Установка 1-ой и 4-х электропечей. Рама для установки 1-ой и 4-х электропечей Установка 2-х и 3-х электропечей. Рама для установки 2-х и 3-х электропечей |
| Разработан: | Институт Севзапэнергосетьпроект |
| Утверждён: | 05.04.1991 Минэнерго СССР (USSR Minenergo 6) |
| Заменяет собой: |













































































































