Скачать Л8-175.000 Блок подвески с муфтойДата актуализации: 01.01.2021
|
| Обозначение: | Л8-175.000 |
| Обозначение англ: | Л8-175.000 |
| Статус: | не установлен срок действия |
| Название рус.: | Блок подвески с муфтой |
| Дата добавления в базу: | 01.09.2013 |
| Дата актуализации: | 01.01.2021 |
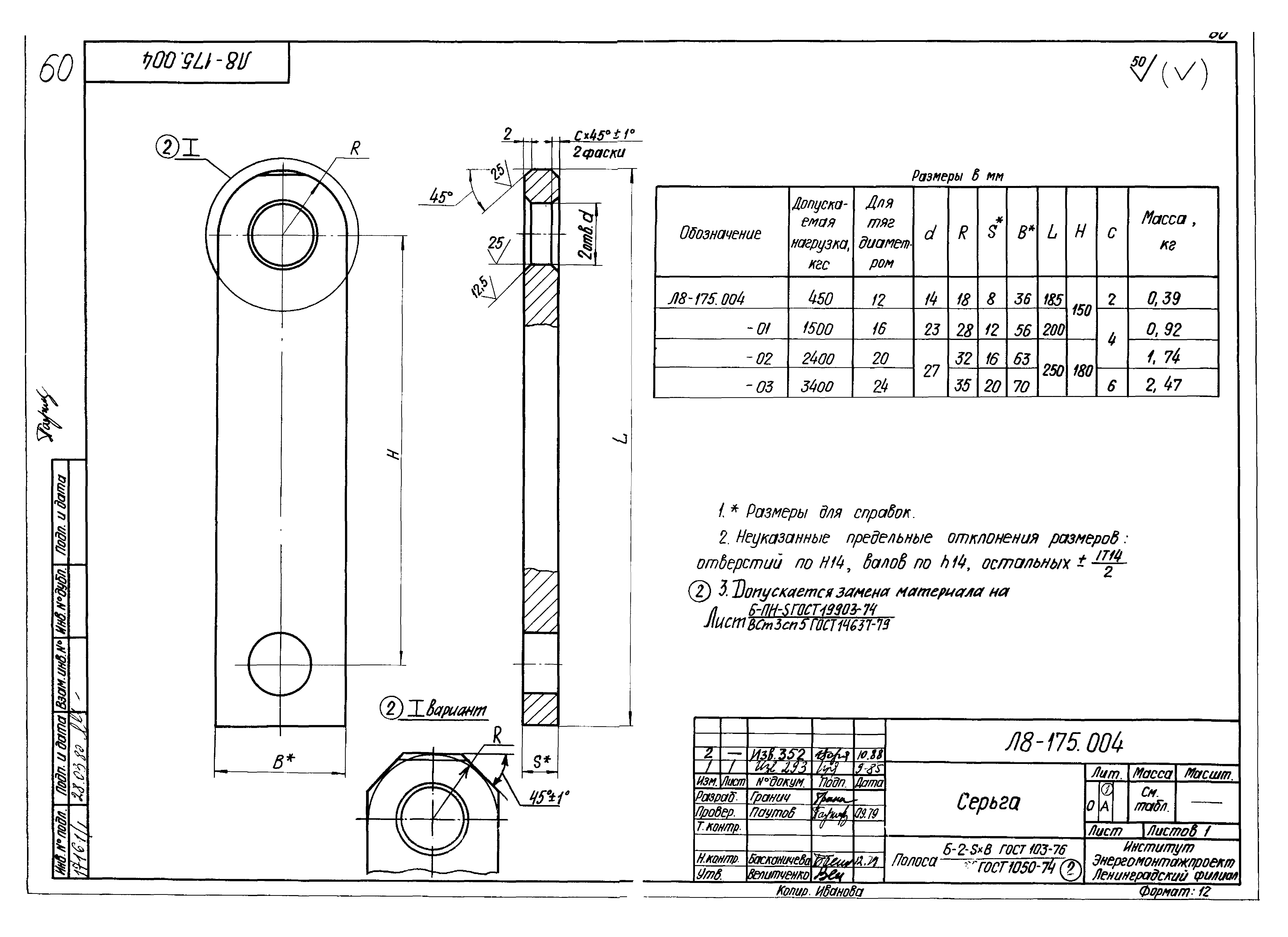
| Оглавление: | Блок подвески с муфтой. Сборочный чертеж Л8-175.000СБ Муфта Л8-175.001 Проушина Л8-175.003 Серьга Л8-175.004 Плавник Л8-175.005 Муфта сварная Л8-175.100 Муфта сварная. Сборочный чертеж Л8-175.100СБ Бобышка Л8-175.101 Полоса Л8-175.102 |
| Разработан: | Институт Энергомонтажпроект |
| Утверждён: | Институт Энергомонтажпроект |


















