Скачать Типовой проект 901-9-18.87 Альбом III. Строительные изделияДата актуализации: 01.01.2021
|
| Обозначение: | Типовой проект 901-9-18.87 |
| Обозначение англ: | 901-9-18.87 |
| Статус: | не определен законодательством |
| Название рус.: | Альбом III. Строительные изделия |
| Дата добавления в базу: | 01.10.2014 |
| Дата актуализации: | 01.01.2021 |
| Дата введения: | 29.09.1987 |
| Дата окончания срока действия: | 30.06.2003 |
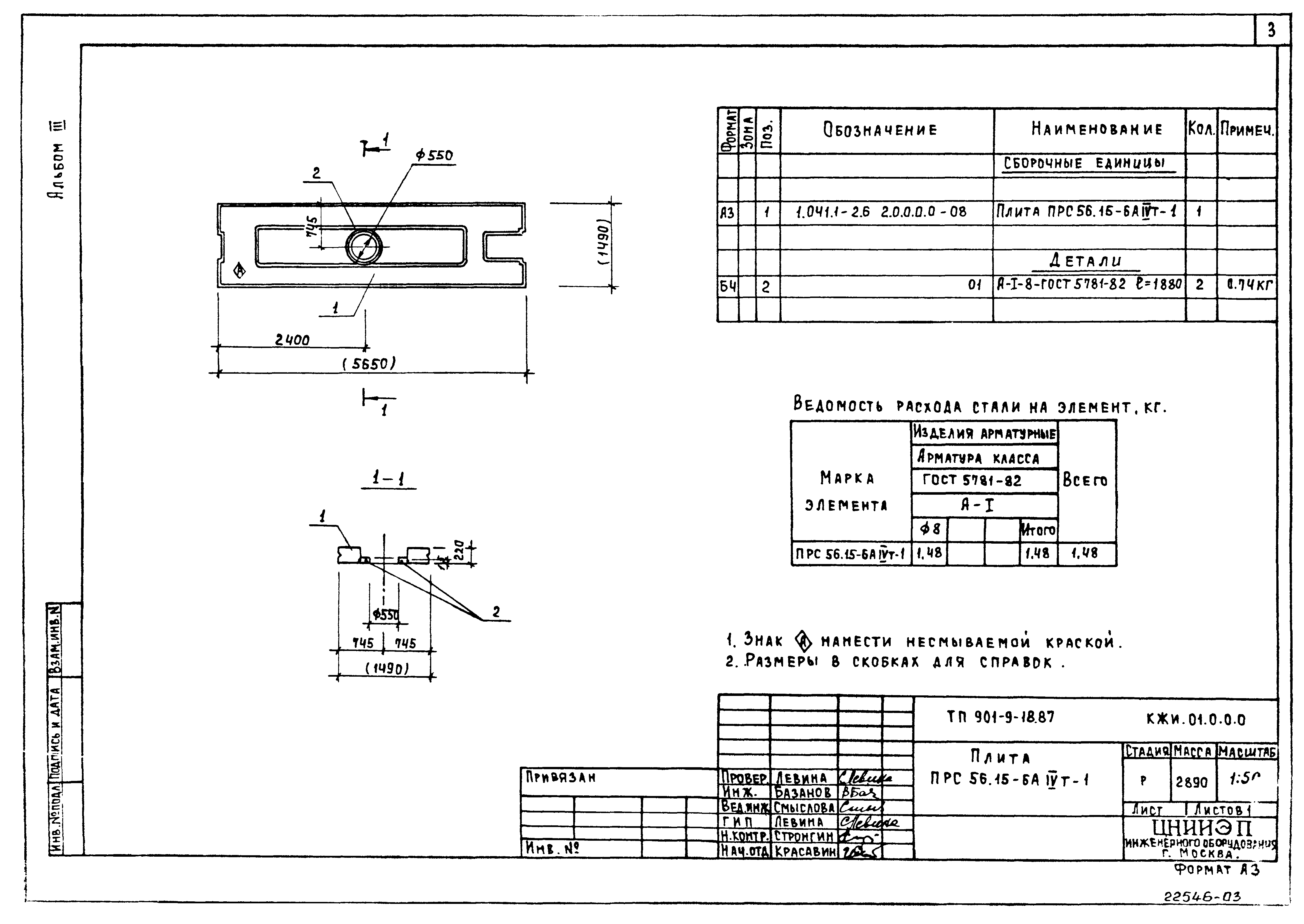
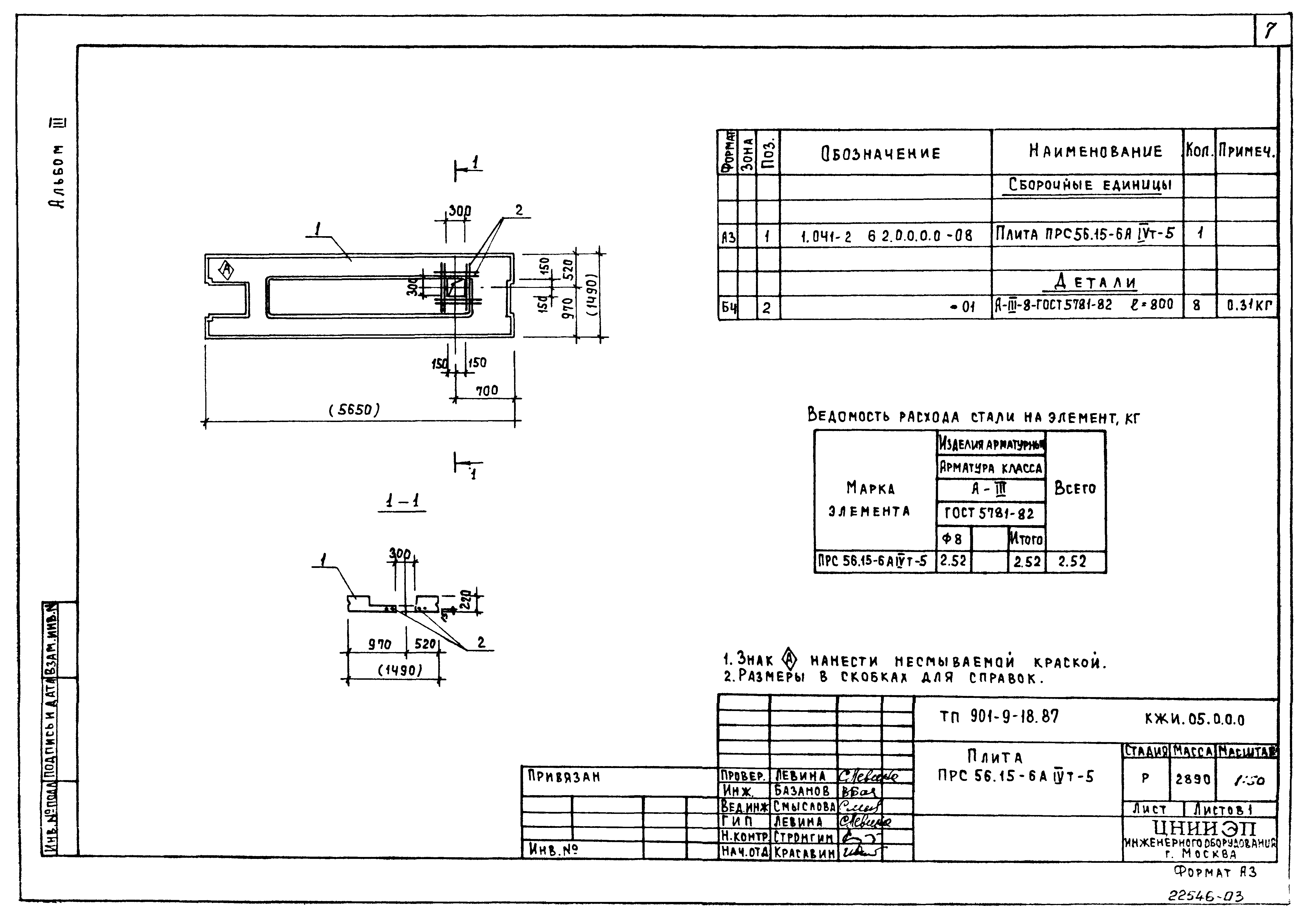
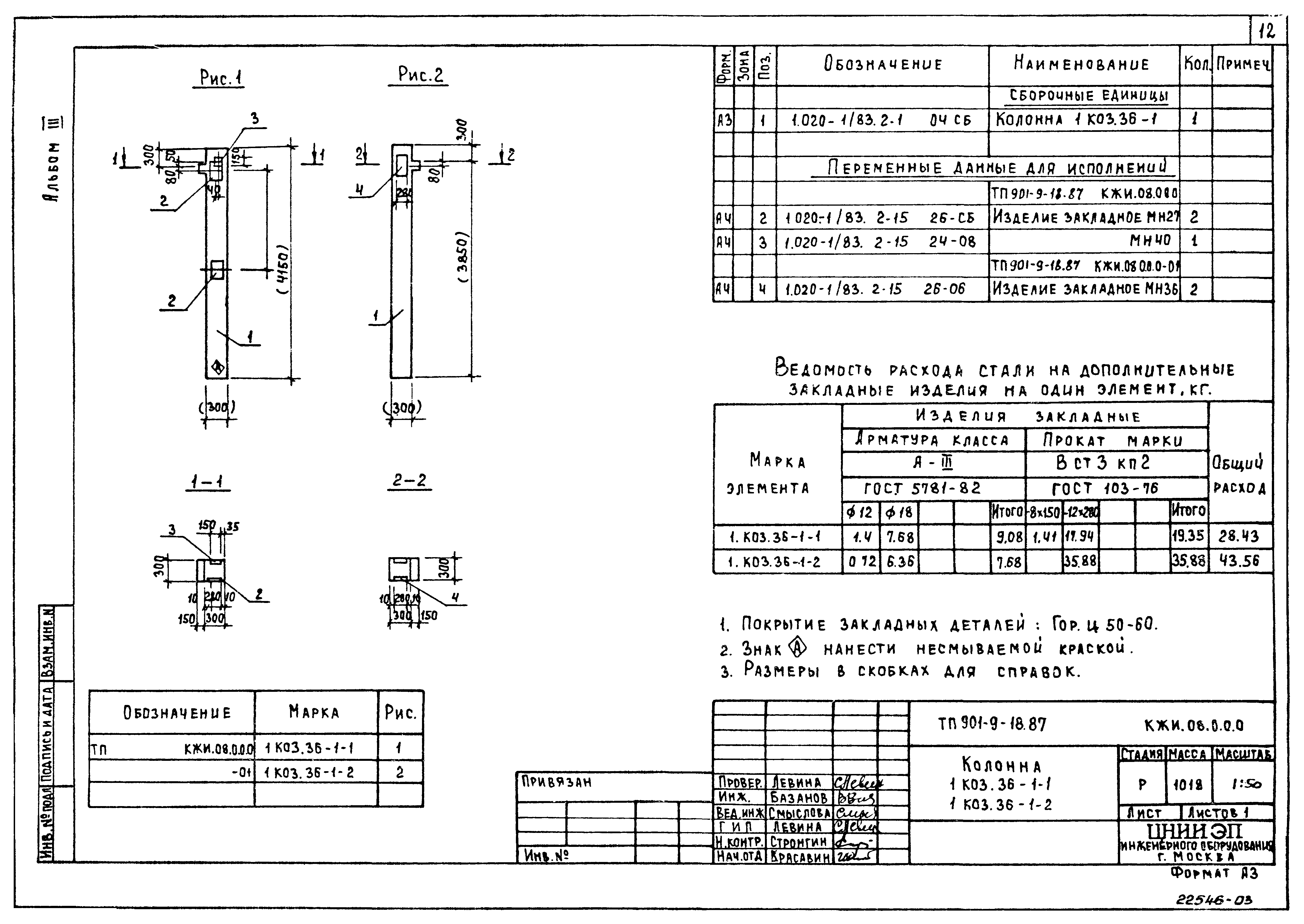
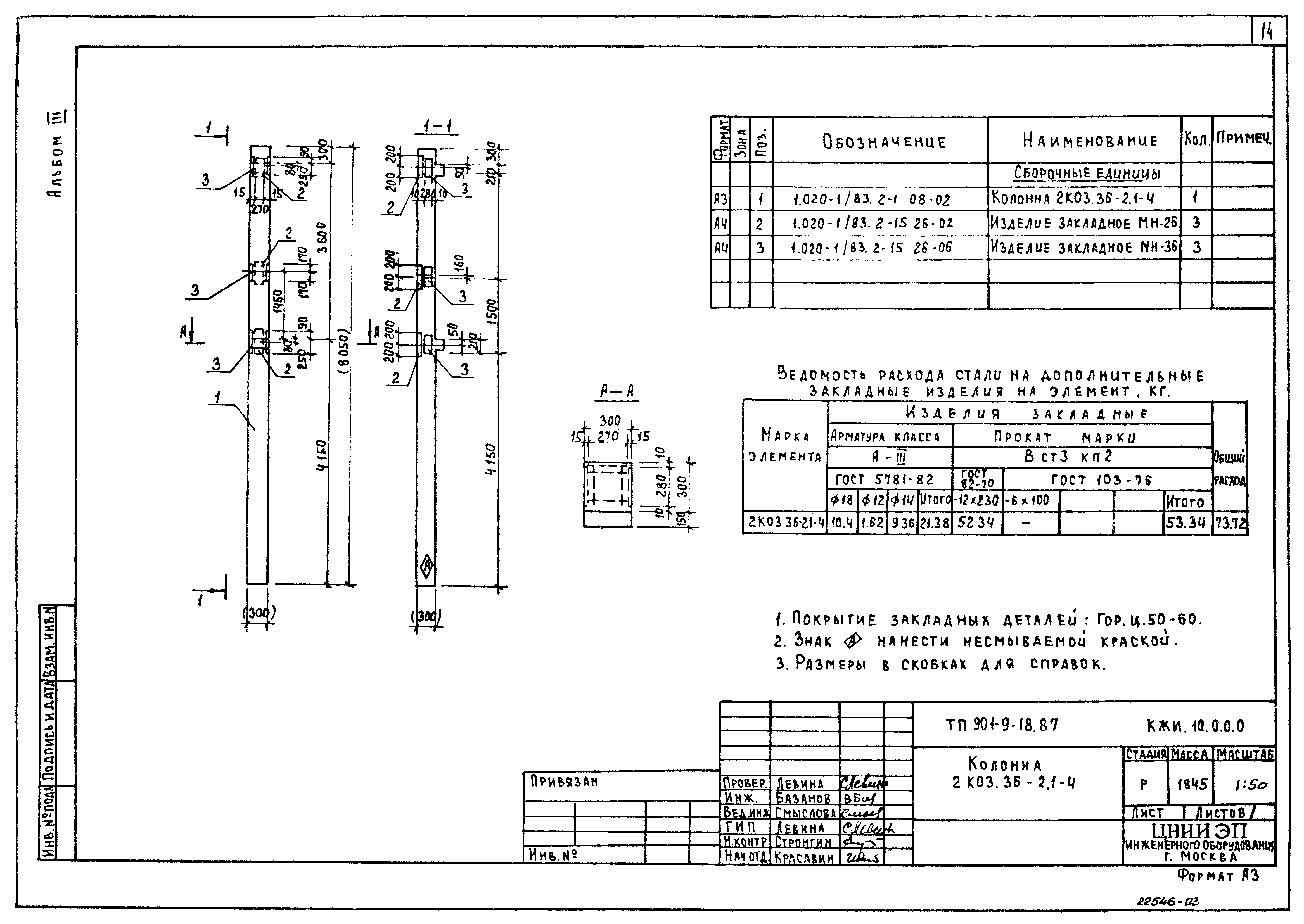
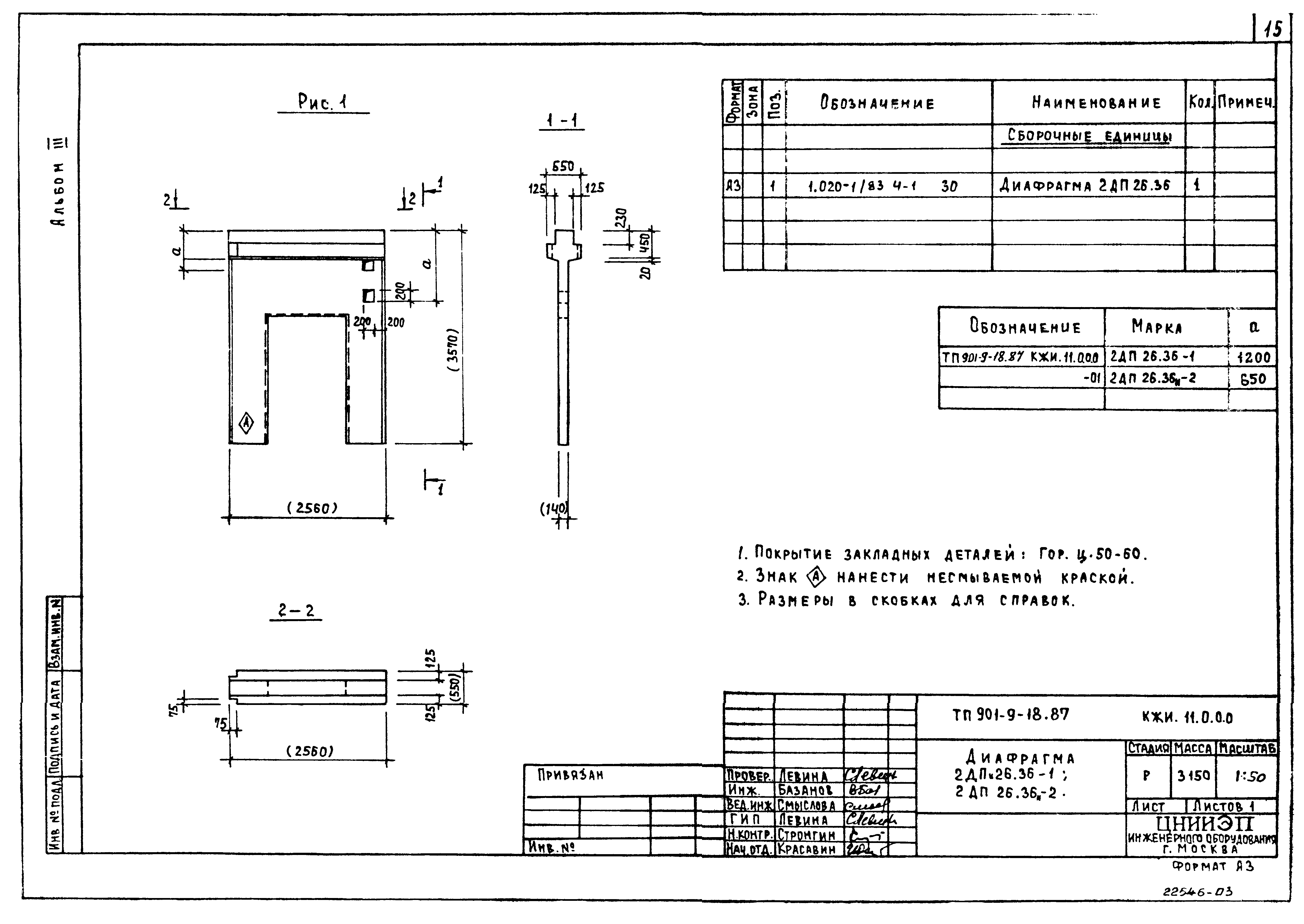
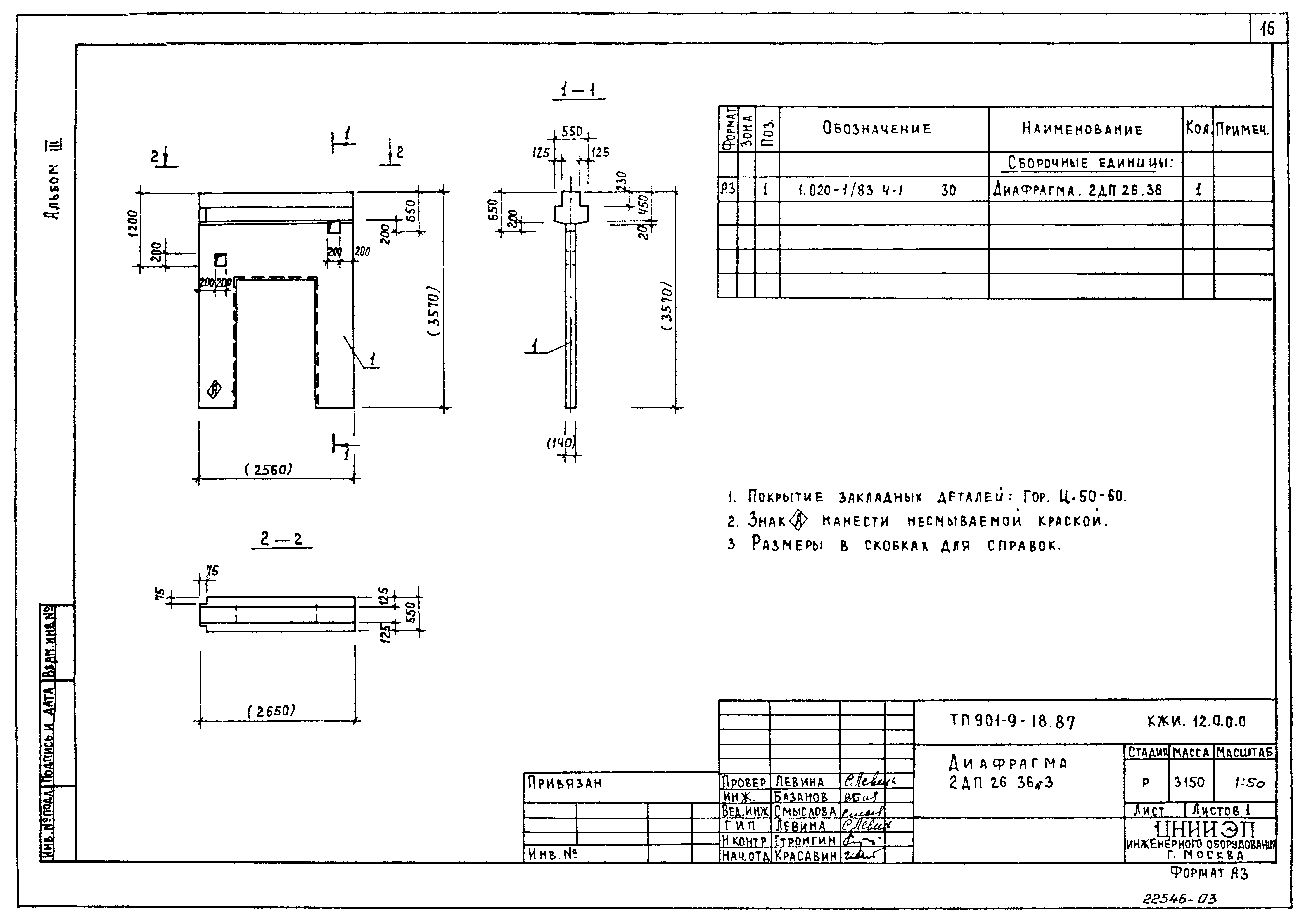
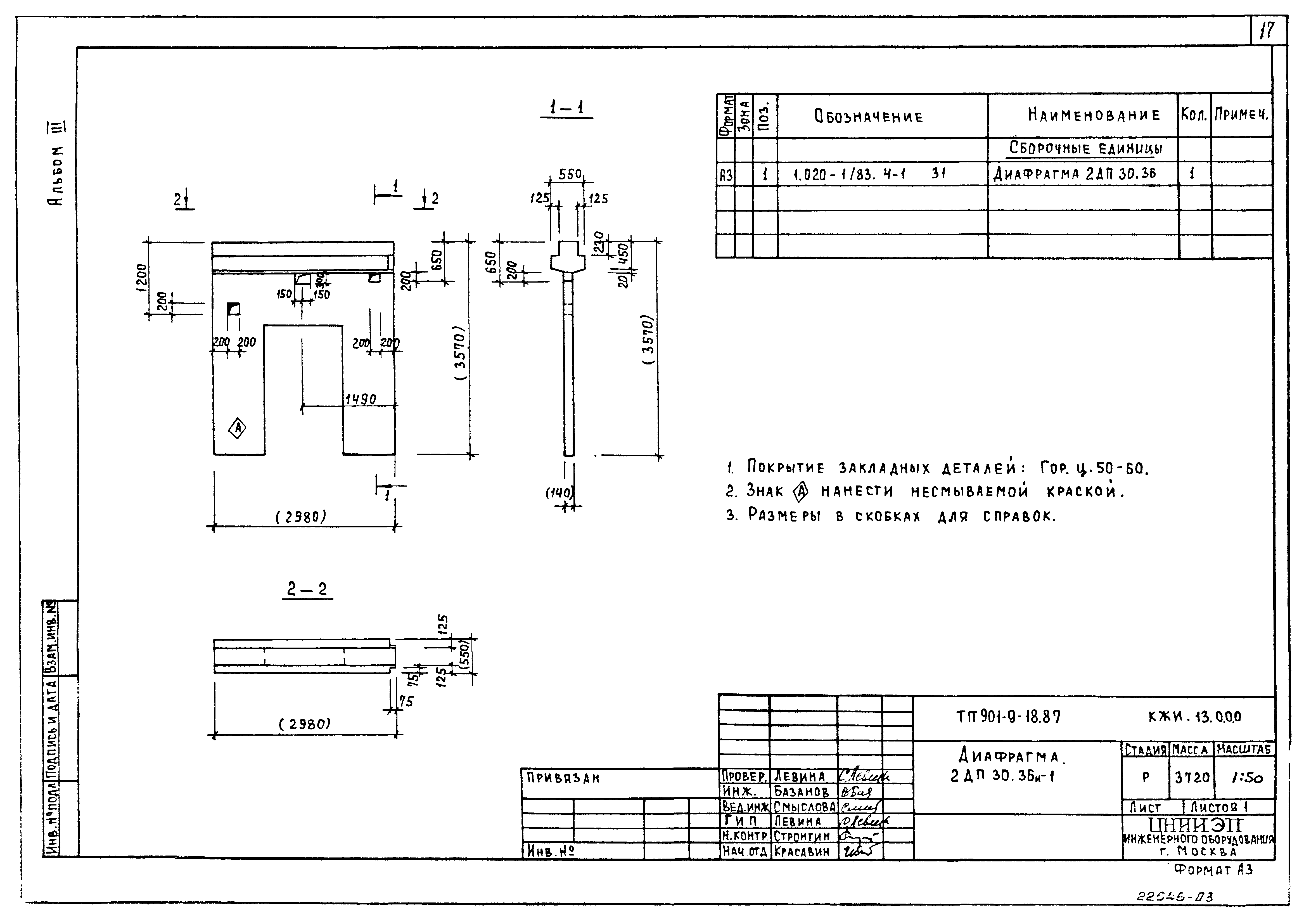
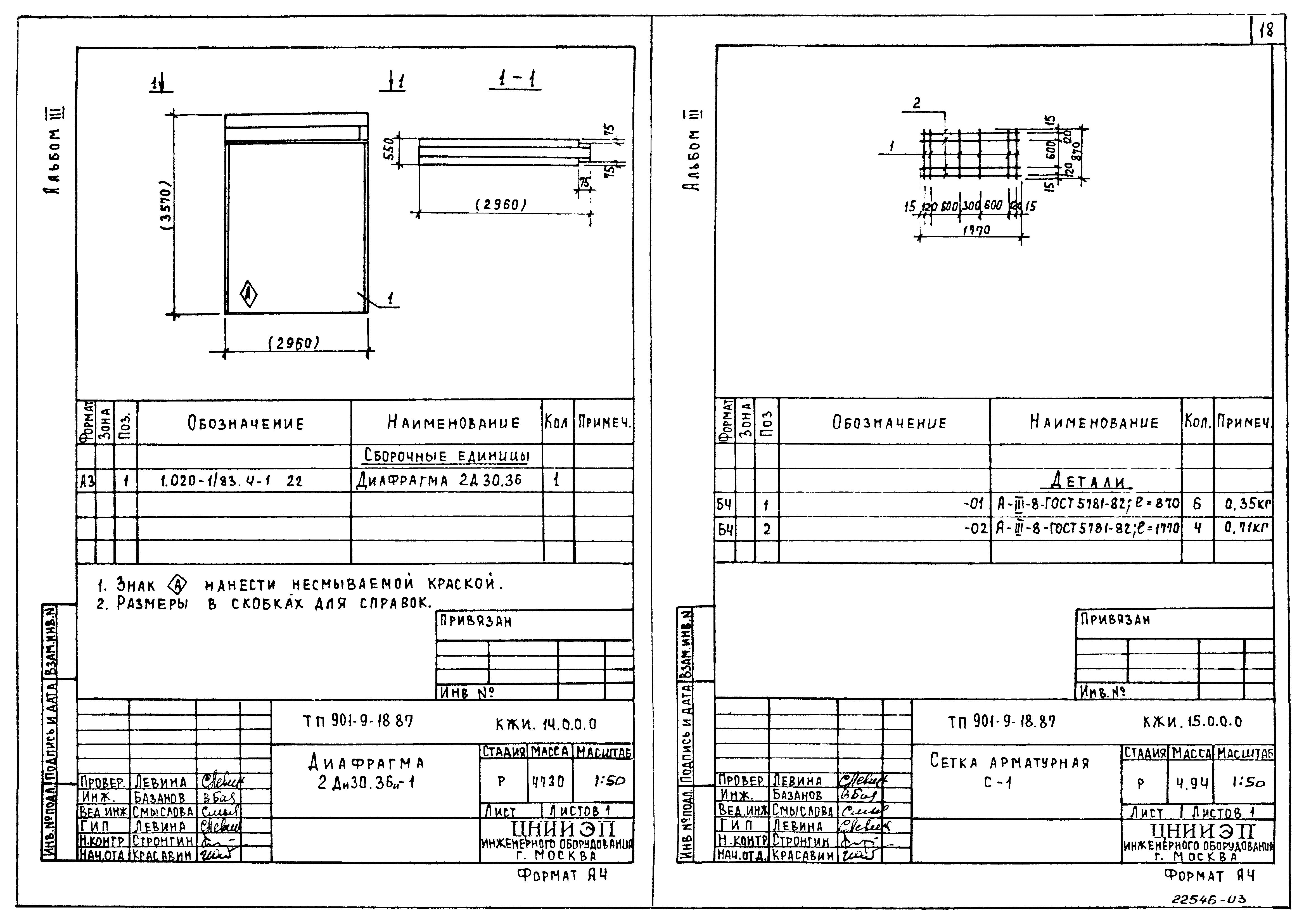
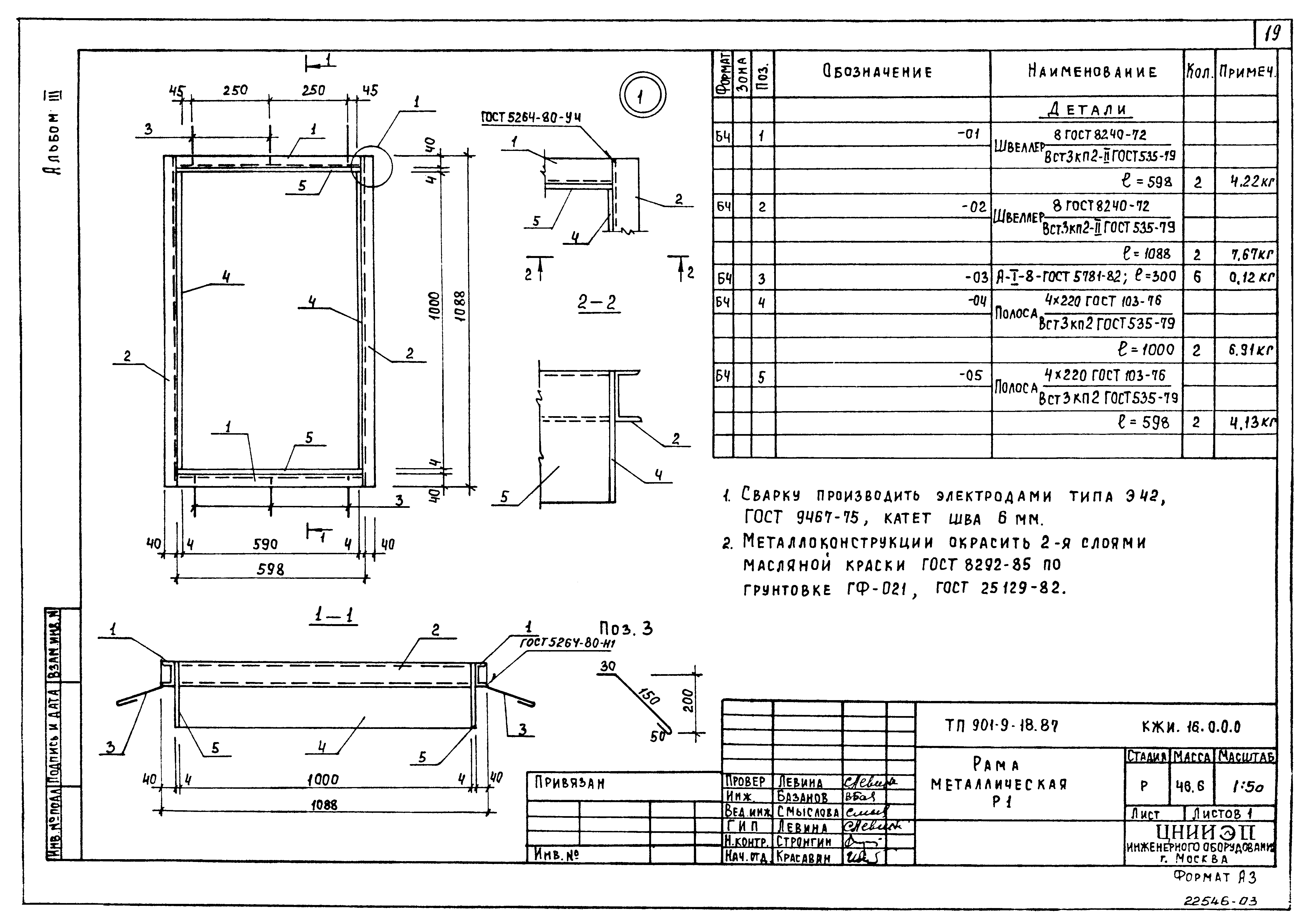
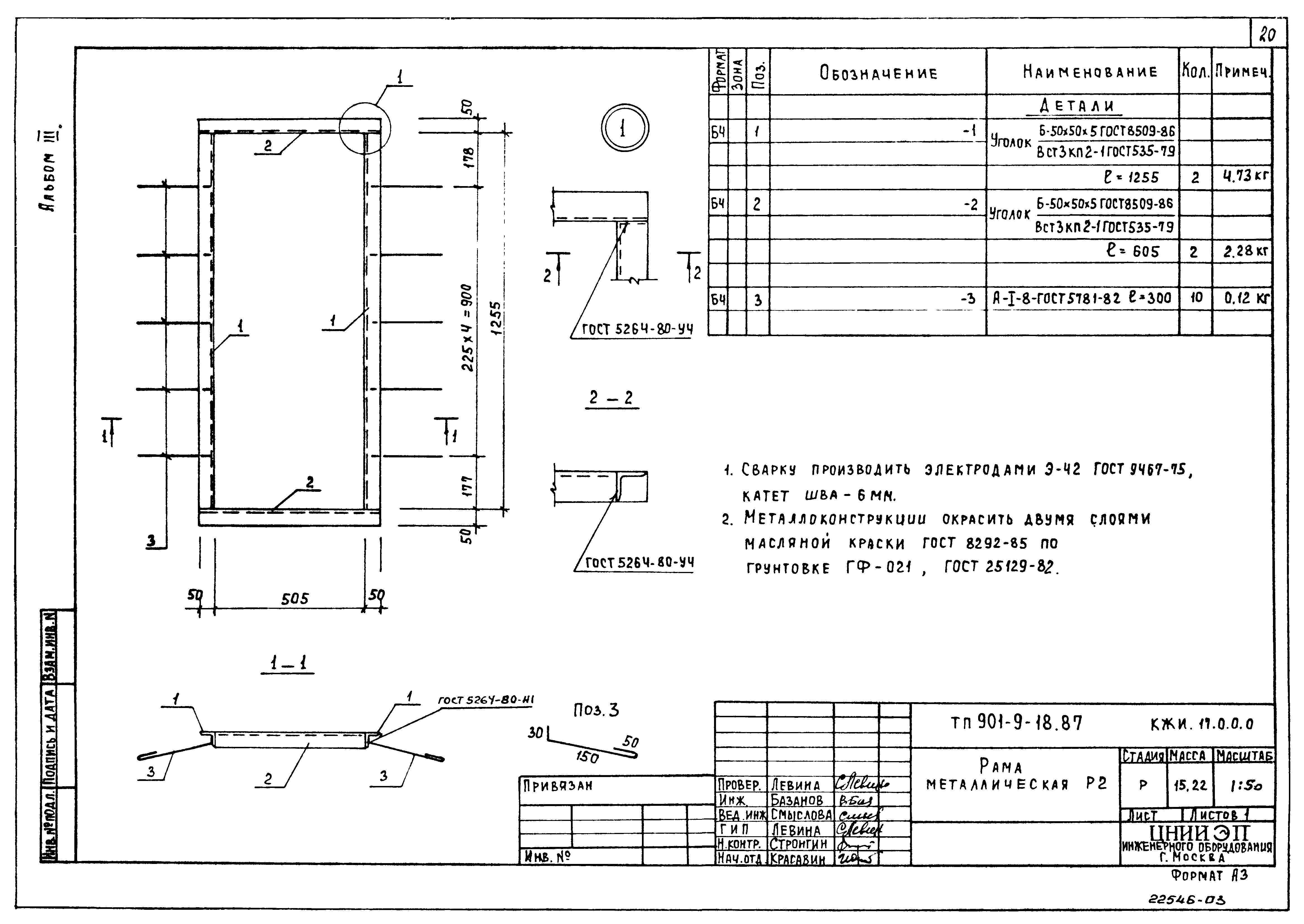
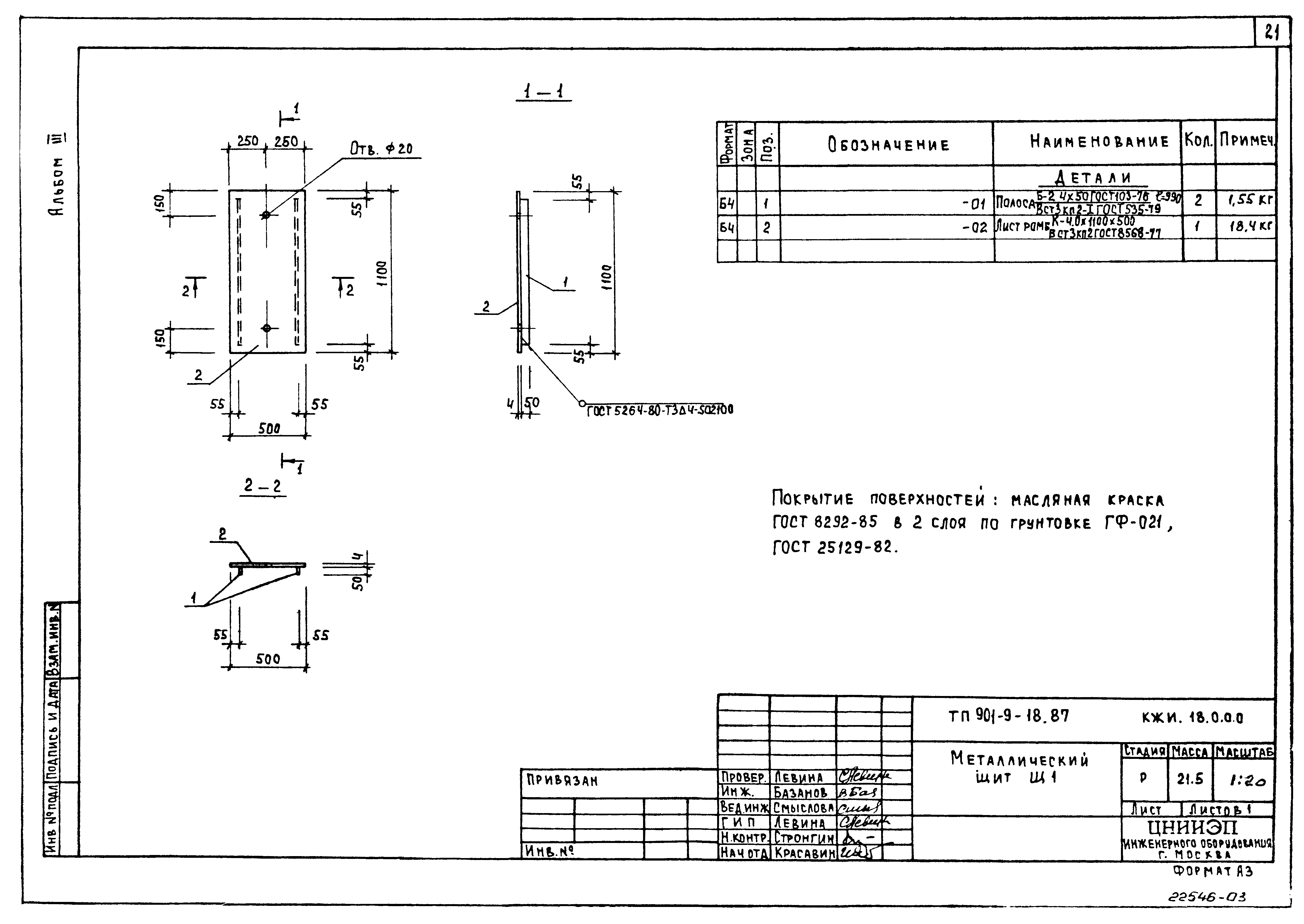
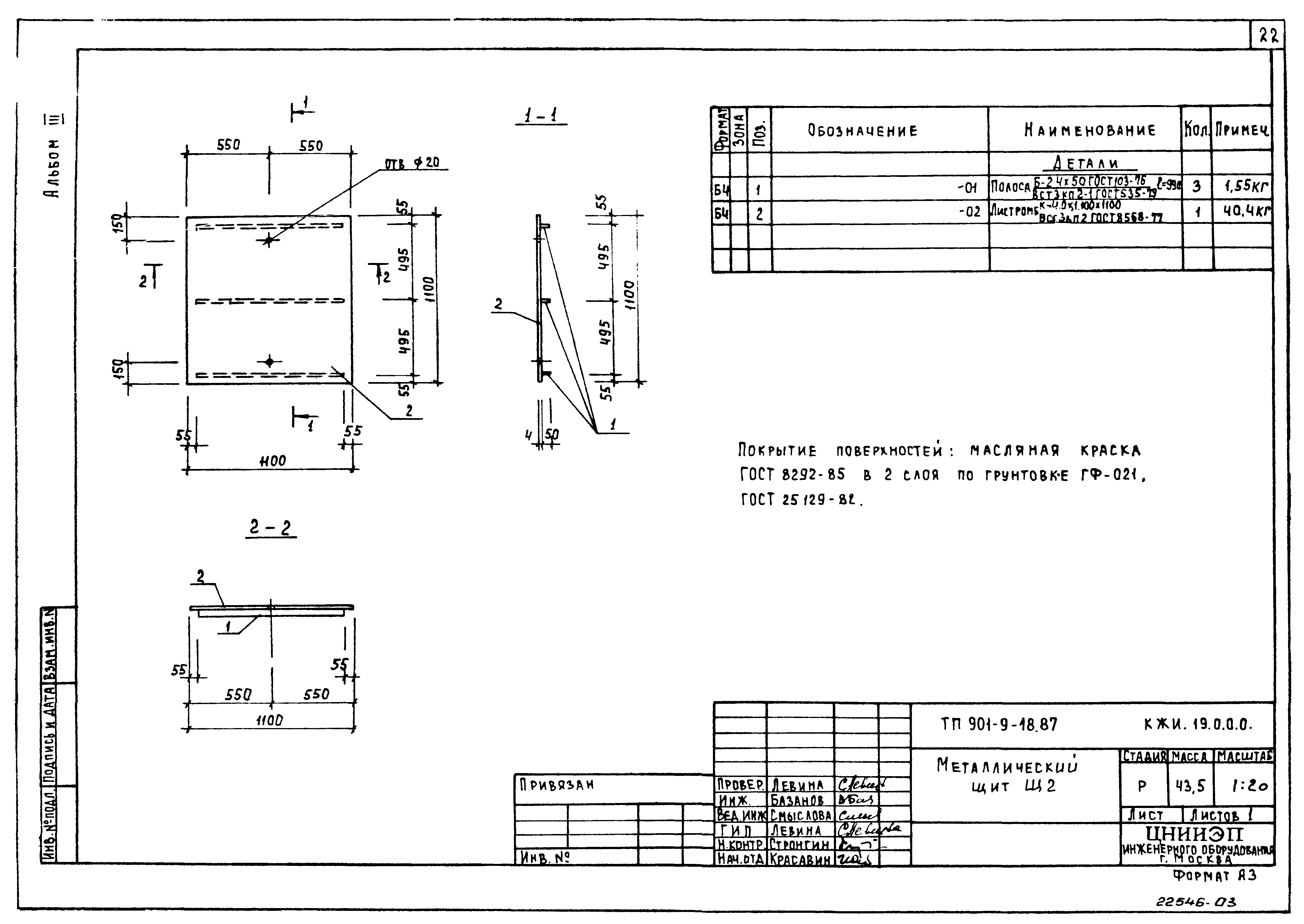
| Оглавление: | ТП 901-9-18.87 КЖИ.01.0.0.0 Плита ПРС56.15-6АIVТ-1 ТП 901-9-18.87 КЖИ.02.0.0.0 Плита ПРС56.15-6АIVТ-2 ТП 901-9-18.87 КЖИ.03.0.0.0 Плита ПРС56.15-6АIVТ-3 ТП 901-9-18.87 КЖИ.04.0.0.0 Плита ПРС56.15-6АIVТ-4 ТП 901-9-18.87 КЖИ.05.0.0.0 Плита ПРС56.15-6АIVТ-5 ТП 901-9-18.87 КЖИ.06.0.0.0 Колонна 2КО3.36-2.1-1 - 2КО3.36-2.1-3; 2КО3.36-2.2-1; 2КО3.36-2.2-2 ТП 901-9-18.87 КЖИ.07.0.0.0 Колонна 2К3.36-2-1; 2К3.36-2-2 ТП 901-9-18.87 КЖИ.08.0.0.0 Колонна 2КО3.36-1-1; 2КО3.36-1-2 ТП 901-9-18.87 КЖИ.09.0.0.0 Колонна 2КД3.36-2.4-1; 2КД3.36-2.4-2 ТП 901-9-18.87 КЖИ.10.0.0.0 Колонна 2КО3.36-2.1-4 ТП 901-9-18.87 КЖИ.11.0.0.0 Диафрагма 2ДП26.36-1; 2ДП26.32-2 ТП 901-9-18.87 КЖИ.12.0.0.0 Диафрагма 2ДП26.36-3 ТП 901-9-18.87 КЖИ.13.0.0.0 Диафрагма 2ДП30.36-1 ТП 901-9-18.87 КЖИ.14.0.0.0 Диафрагма 2Д30.36н-1 ТП 901-9-18.87 КЖИ.15.0.0.0 Сетка арматурная С1 ТП 901-9-18.87 КЖИ.16.0.0.0 Рама металлическая Р1 ТП 901-9-18.87 КЖИ.17.0.0.0 Рама металлическая Р2 ТП 901-9-18.87 КЖИ.18.0.0.0 Щит металлический Щ-1 ТП 901-9-18.87 КЖИ.19.0.0.0 Щит металлический Щ-2 ТП 901-9-18.87 КЖИ.20.0.0.0 Жалюзийная решетка ЖР1 |
| Разработан: | ЦНИИЭП инженерного оборудования |
| Утверждён: | 13.02.1985 Госгражданстрой (Gosgrazhdanstroy 43) |
| Заменяет собой: |
|























