Скачать Часть II Книга 1. Задвижки из цветных металлов и титановых сплавов, серого и ковкого чугуна; затворы; клапаны герметическиеДата актуализации: 01.01.2021 Часть II
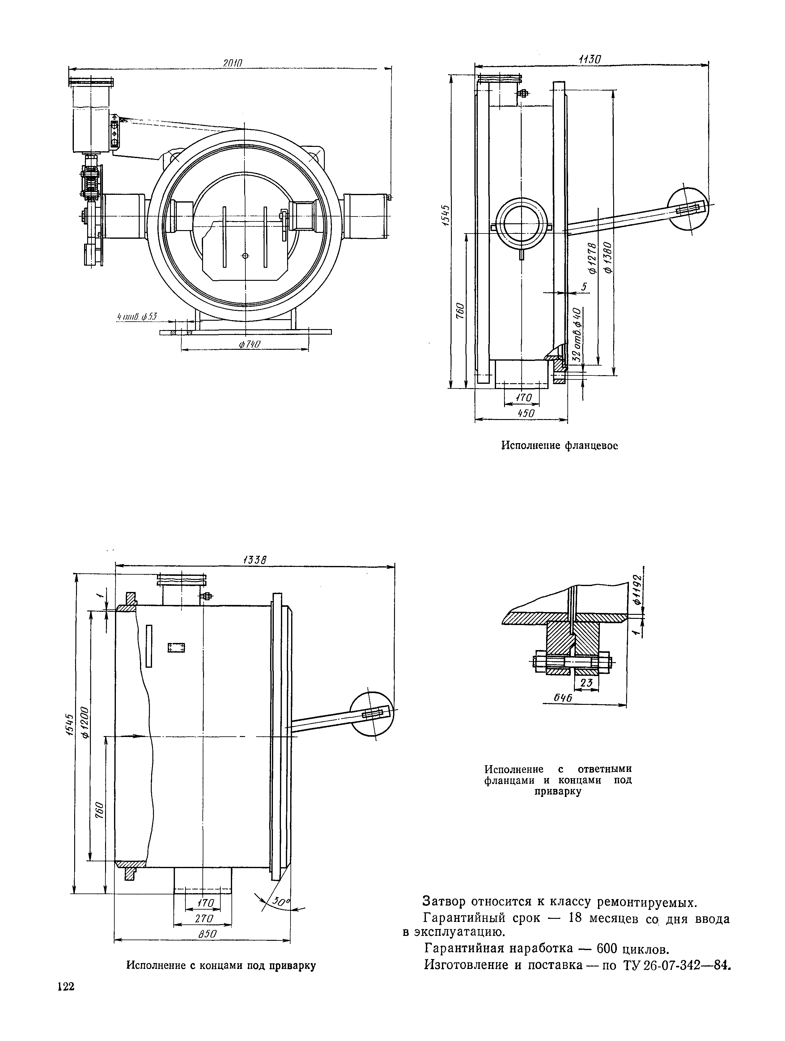
Книга 1. Задвижки из цветных металлов и титановых сплавов, серого и ковкого чугуна; затворы; клапаны герметические| Обозначение: | Часть II | | Обозначение англ: | Часть II | | Статус: | действует | | Название рус.: | Книга 1. Задвижки из цветных металлов и титановых сплавов, серого и ковкого чугуна; затворы; клапаны герметические | | Дата добавления в базу: | 01.09.2013 | | Дата актуализации: | 01.01.2021 | | Дата введения: | 01.07.1989 | | Область применения: | Каталог содержит описание серийно изготовляемых задвижек и затворов, клапанов герметических. Каталог предназначен для инженерно-технических работников проектных организаций, проектирующих предприятий, на которых применяют промышленную трубопроводную арматуру; предприятий, изготавливающих и эксплуатирующих эту арматуру, а также работников плановых и сбытовых организаций. | | Оглавление: | Введение Общие сведения Задвижки Задвижки из цветных металлов и титановых сплавов Задвижки из серого и ковкого чугуна Коэффициент сопротивления для задвижек Затворы Затворы из цветных металлов Затворы из серого и ковкого чугуна Затворы из углеродистой и коррозионно-стойкой сталей Коэффициент сопротивления для затворов Клапаны герметические Клапаны герметические Приложение 1. Опросный лист Приложение 2. Перечень основных ГОСТов на задвижки, затворы и клапаны герметические | | Разработан: | ЦКБА ЦИНТИхимнефтемаш
| | Утверждён: | ЦКБА
| | Издан: | ЦИНТИХИМНЕФТЕМАШ (1989 г. )
| | Нормативные ссылки: |   ГОСТ 5632-72 «Стали высоколегированные и сплавы коррозионно-стойкие, жаростойкие и жаропрочные. Марки»  ГОСТ 15150-69 «Машины, приборы и другие технические изделия. Исполнения для различных климатических районов. Категории, условия эксплуатации, хранения и транспортирования в части воздействия климатических факторов внешней среды»  ГОСТ 12.2.063-81 «Система стандартов безопасности труда. Арматура промышленная трубопроводная. Общие требования безопасности» ГОСТ 5762-74 «Задвижки на условное давление Ру <= 25 МПа (250 кгс/см кв.). Общие технические условия»  ГОСТ 12815-80 «Фланцы арматуры, соединительных частей и трубопроводов на Ру от 0,1 до 20,0 МПа (от 1 до 200 кгс/см кв.). Типы. Присоединительные размеры и размеры уплотнительных поверхностей»  ГОСТ 12817-80 «Фланцы литые из серого чугуна на Ру от 0,1 до 1,6 МПа (от 1 до 16 кгс/см2). Конструкция и размеры»  ГОСТ 12818-80 «Фланцы литые из ковкого чугуна на Ру от 1,6 до 4,0 МПа (от 16 до 40 кгс/см2). Конструкция и размеры»  ГОСТ 12819-80 «Фланцы литые стальные на Ру от 1,6 до 20,0 МПа (от 16 до 200 кгс/см2). Конструкция и размеры»  ГОСТ 12821-80 «Фланцы стальные приварные встык на Ру от 0,1 до 20,0 МПа (от 1 до 200 кгс/см2). Конструкция и размеры»  ГОСТ 12822-80 «Фланцы стальные свободные на приварном кольце на Ру от 0,1 до 2,5 МПа (от 1 до 25 кгс/см2). Конструкция и размеры»  ГОСТ 9698-86 «Задвижки. Основные параметры»  ГОСТ 12521-89 «Затворы дисковые. Основные параметры»  ГОСТ 26304-84 «Арматура промышленная трубопроводная для экспорта. Общие технические условия»  ГОСТ 3706-93 «Задвижки. Строительные длины» ГОСТ 6527-68 «Концы муфтовые с трубной цилиндрической резьбой. Размеры»  ГОСТ 9399-81 «Фланцы стальные резьбовые на Ру 20-100 МПа (200-1000 кгс/см2). Технические условия» ГОСТ 9400-81 «Концы присоединительные резьбовые для арматуры, соединительных частей и трубопроводов под линзовое уплотнение на Ру 20-100 МПа (200-1000 кгс/см.кв.). Размеры» ГОСТ 9544-75 «Арматура трубопроводная запорная. Нормы герметичности затворов» ГОСТ 9833-73 «Кольца резиновые уплотнительные круглого сечения для гидравлических и пневматических устройств. Конструкция и размеры»  ГОСТ 380-71 «Сталь углеродистая обыкновенного качества. Марки и общие технические требования»
|
                                                                                                                                               
|