Скачать Типовой проект 902-2-477.89 Альбом 4. ИзделияДата актуализации: 01.01.2021
|
| Обозначение: | Типовой проект 902-2-477.89 |
| Обозначение англ: | 902-2-477.89 |
| Статус: | не определен законодательством |
| Название рус.: | Альбом 4. Изделия |
| Дата добавления в базу: | 01.09.2013 |
| Дата актуализации: | 01.01.2021 |
| Дата введения: | 28.09.1989 |
| Дата окончания срока действия: | 30.06.2003 |
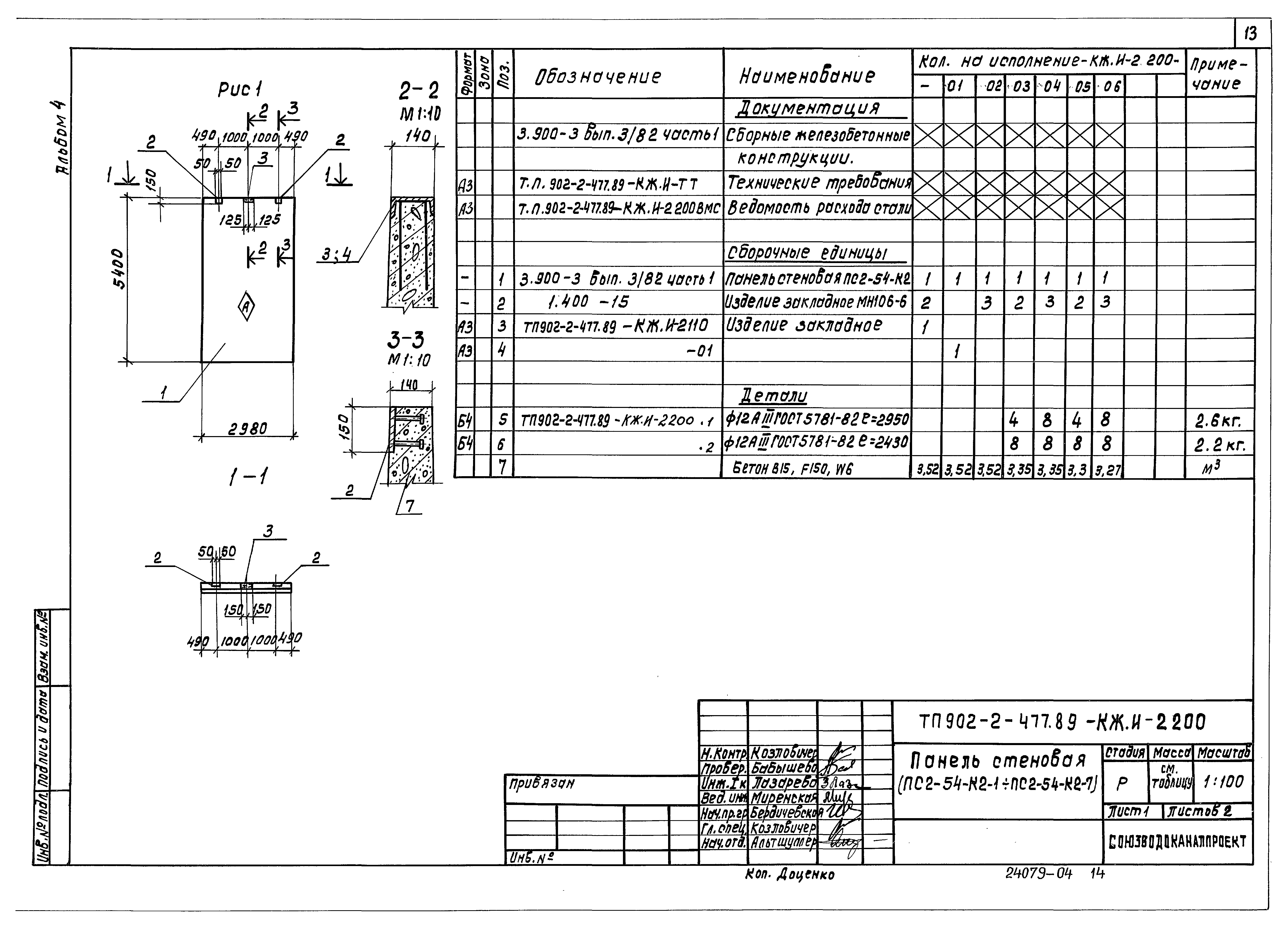
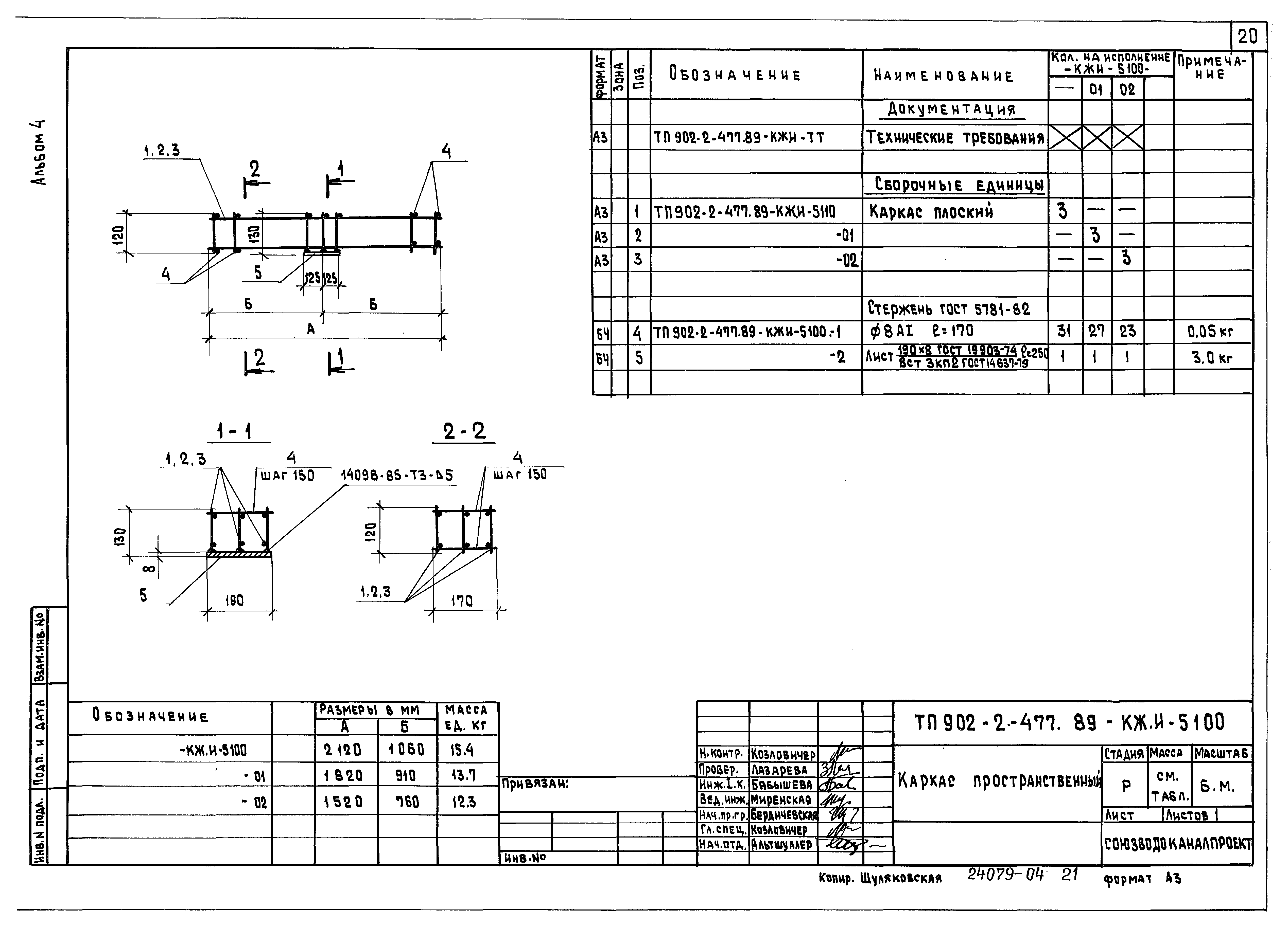
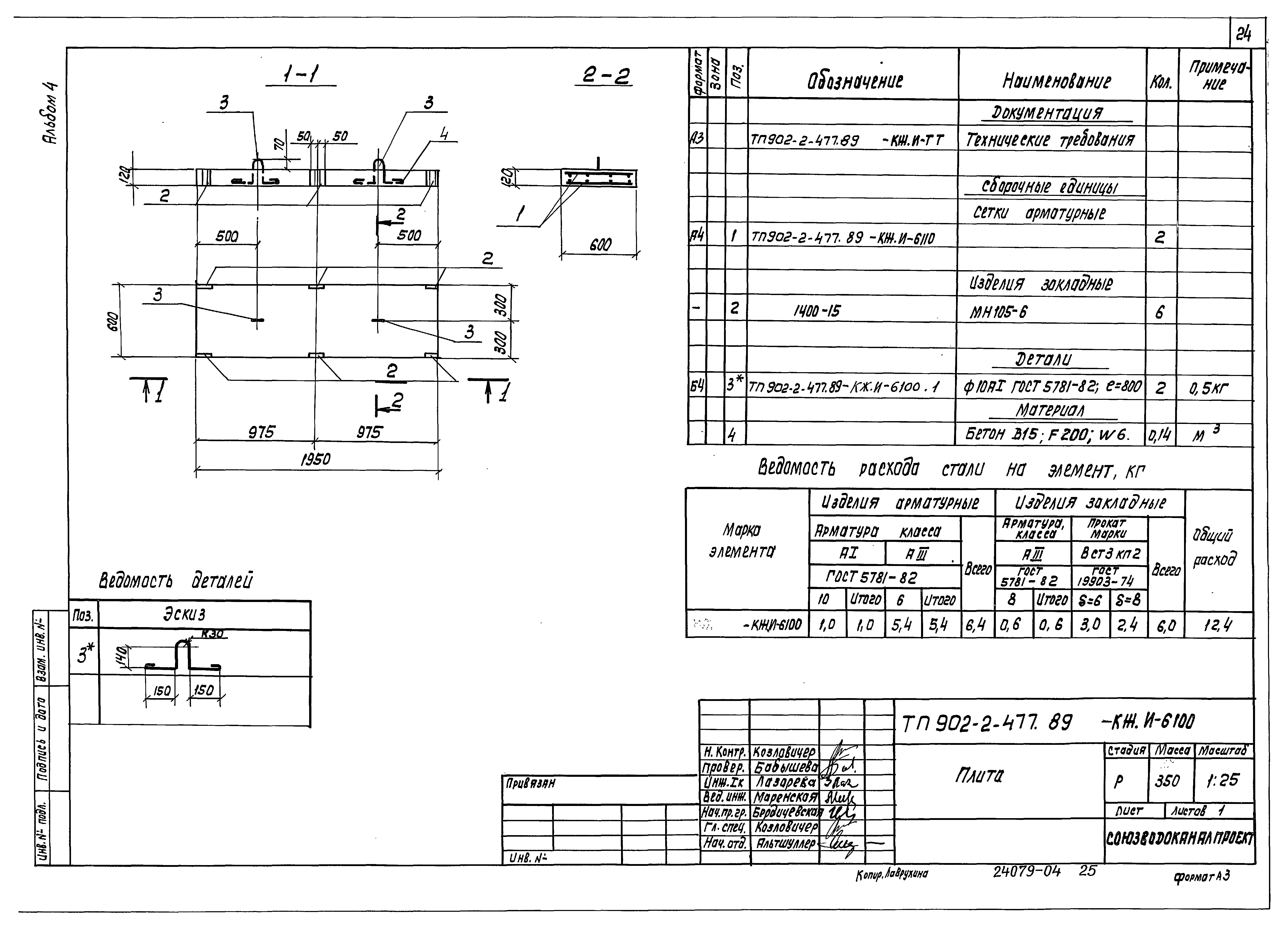
| Оглавление: | Содержание альбома Технические требования Каркас пространственный Каркас плоский Сетка арматурная Каркас плоский Стеновые панели Изделие закладное Сетка арматурная Изделие закладное Панель стеновая Ведомость расхода стали на дополнительные закладные изделия. Стеновые панели Балки Каркас пространственный Каркас плоский Балки Каркас пространственный Каркас плоский Плиты Сетки арматурные Плита Сетка арматурная Лотки Соединительные детали Ограждение металлическое |
| Разработан: | Союзводоканалпроект Проектхимзащита Минмонтажспецстроя СССР |
| Утверждён: | 28.09.1989 Союзводоканалпроект (Soyuzvodokanalproject 86) |
| Заменяет собой: |
|






























