Скачать Типовой проект 414-2-55.94 Альбом 9. Нестандартизированное оборудованиеДата актуализации: 01.01.2021
|
| Обозначение: | Типовой проект 414-2-55.94 |
| Обозначение англ: | 414-2-55.94 |
| Статус: | не определен законодательством |
| Название рус.: | Альбом 9. Нестандартизированное оборудование |
| Дата добавления в базу: | 01.09.2013 |
| Дата актуализации: | 01.01.2021 |
| Дата введения: | 21.12.1994 |
| Дата окончания срока действия: | 30.06.2003 |
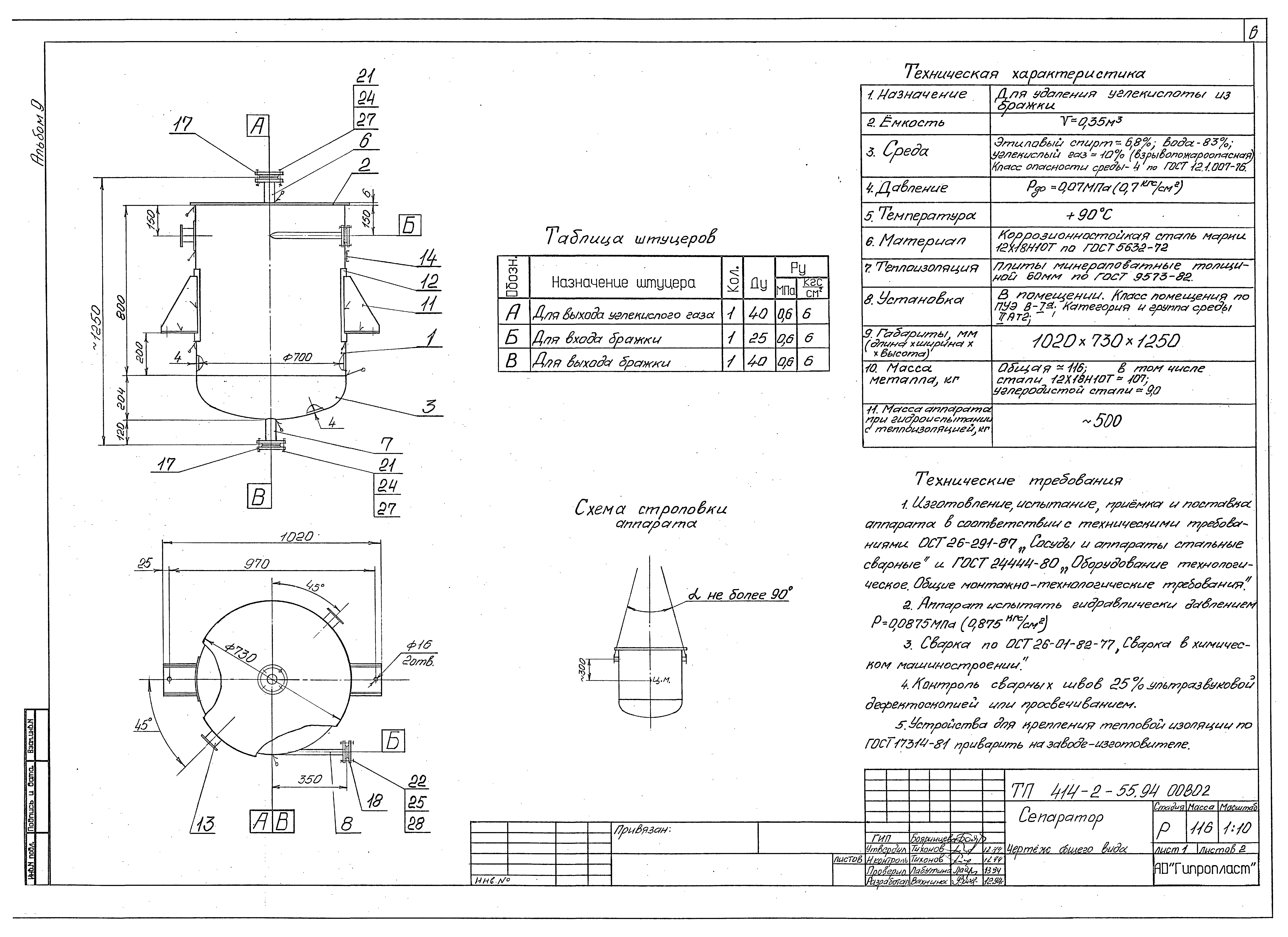
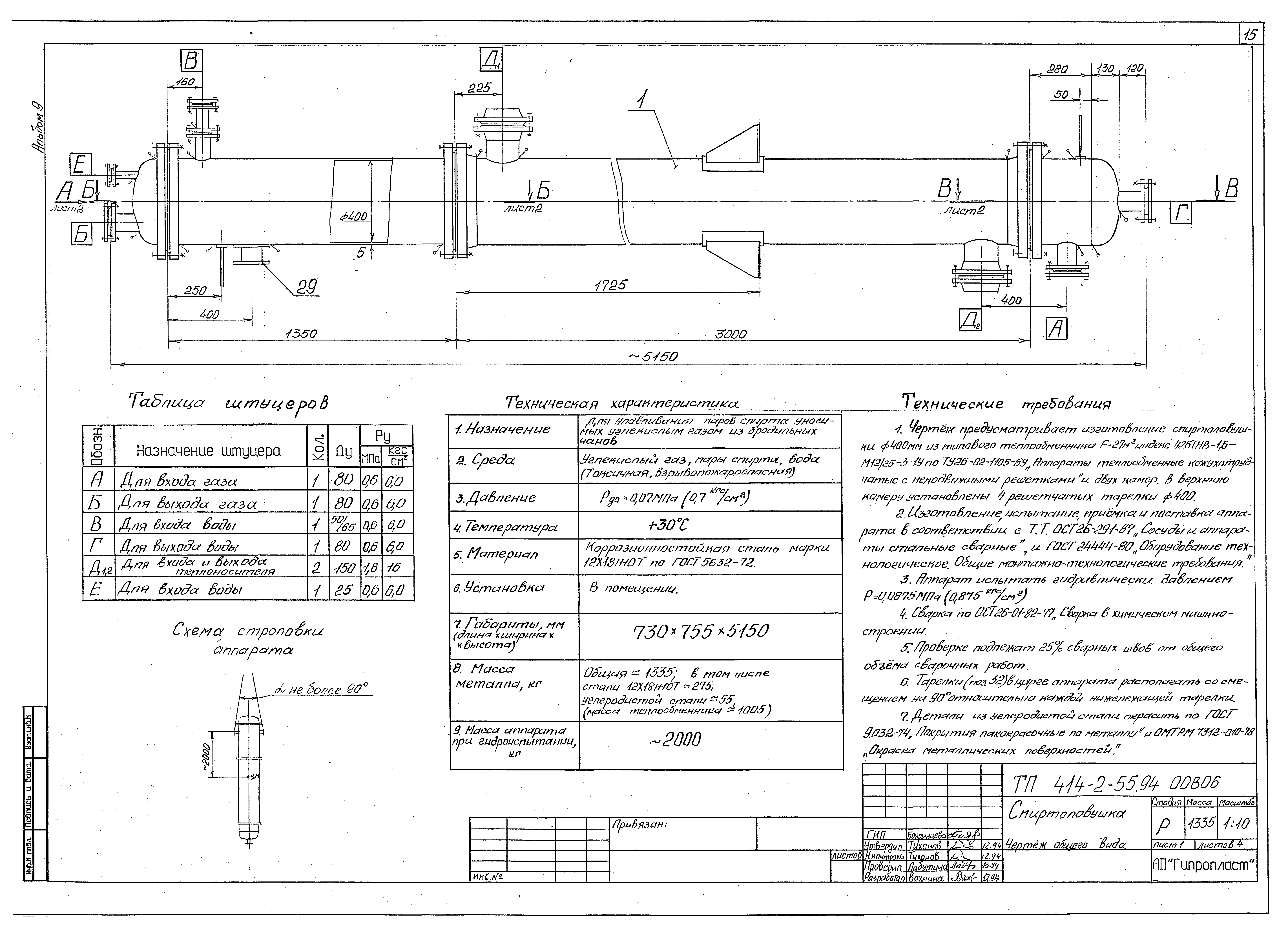
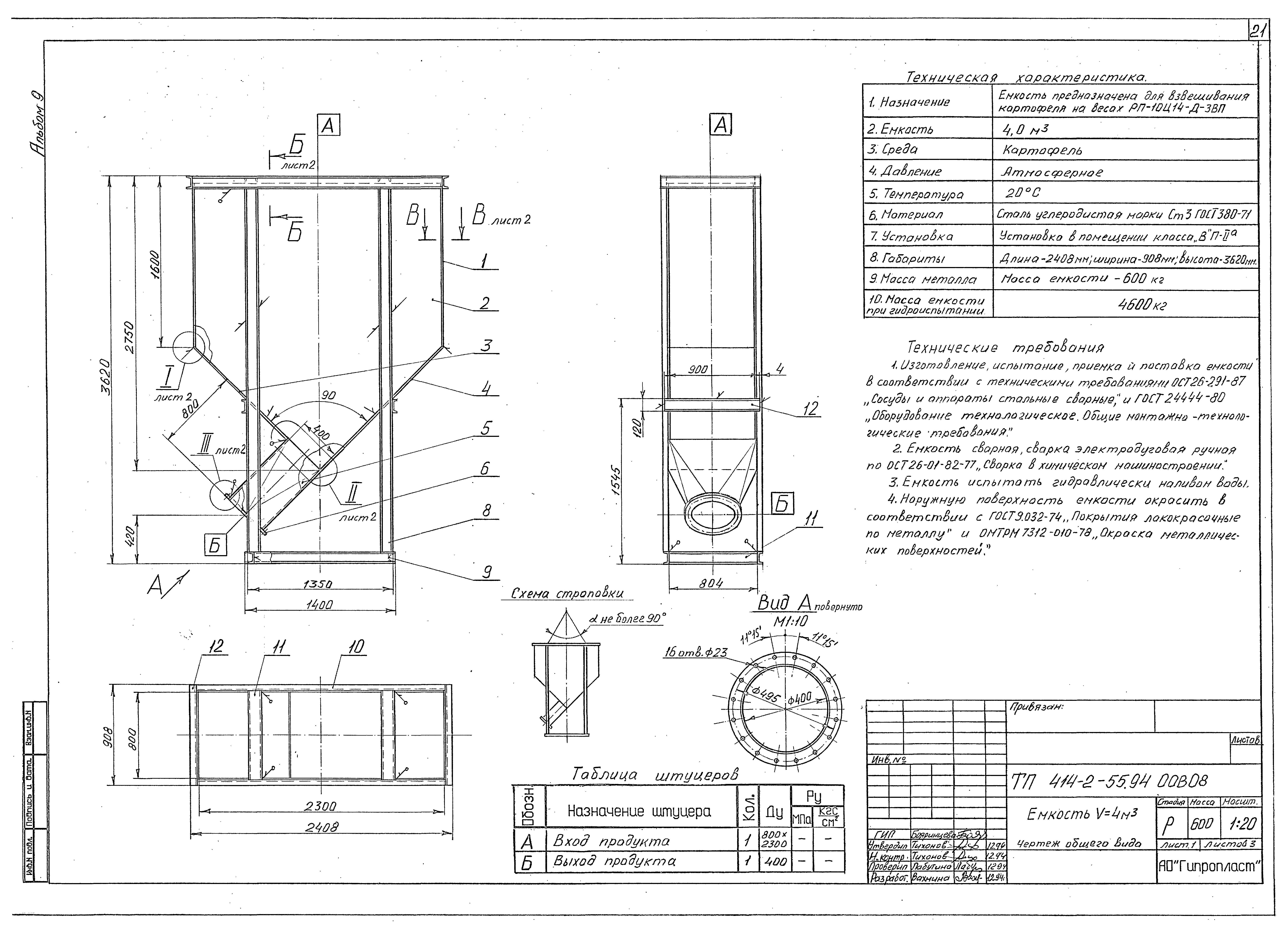
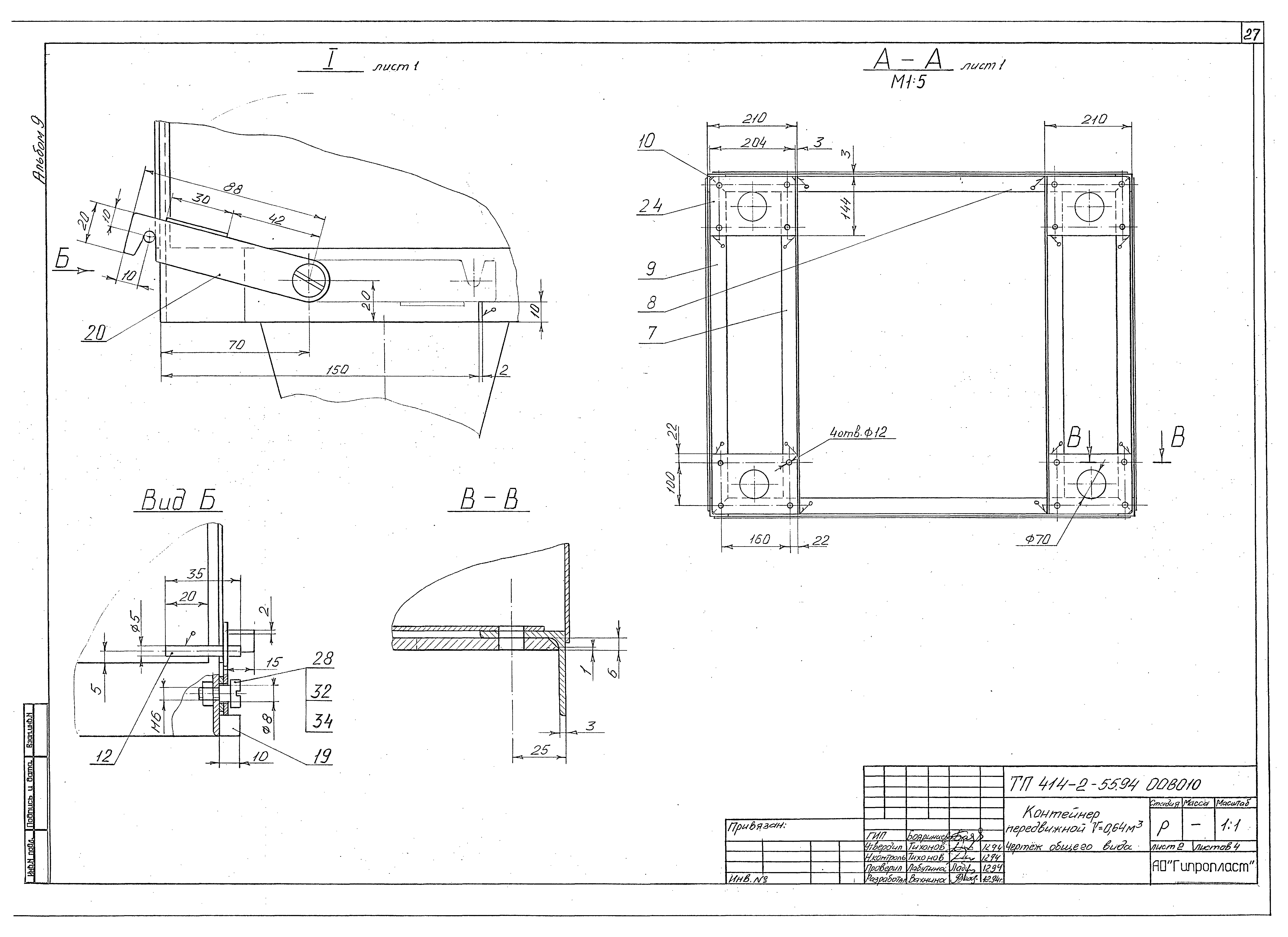
| Оглавление: | Циклон "мокрый" Сепаратор Маслопромыватель Газоотделитель V = 0,063 куб. м Газоотделитель V = 0,01 куб. м Спиртоловушка Теплообменник "труба в трубе" Емкость V = 4 куб. м Емкость V = 2,5 куб. м Контейнер передвижной V = 0,64 куб. м Ловушка (дооборудование) Осахариватель (дооборудование) Бродильный чан (дооборудование) Сборник (дооборудование) V = 0,1 куб. м Расширитель |
| Разработан: | Гипропласт Минхимнефтепрома СССР |
| Утверждён: | 16.12.1994 Роскомхимнефтепром (Roskomkhimnefteprom 09/1-11-122) |









































