Скачать Типовой проект 264-12-318.92 Альбом 2. Часть 2. Конструкции железобетонныеДата актуализации: 01.01.2021
|
| Обозначение: | Типовой проект 264-12-318.92 |
| Обозначение англ: | 264-12-318.92 |
| Статус: | не определен законодательством |
| Название рус.: | Альбом 2. Часть 2. Конструкции железобетонные |
| Дата добавления в базу: | 01.10.2014 |
| Дата актуализации: | 01.01.2021 |
| Дата введения: | 17.09.1992 |
| Дата окончания срока действия: | 30.06.2003 |
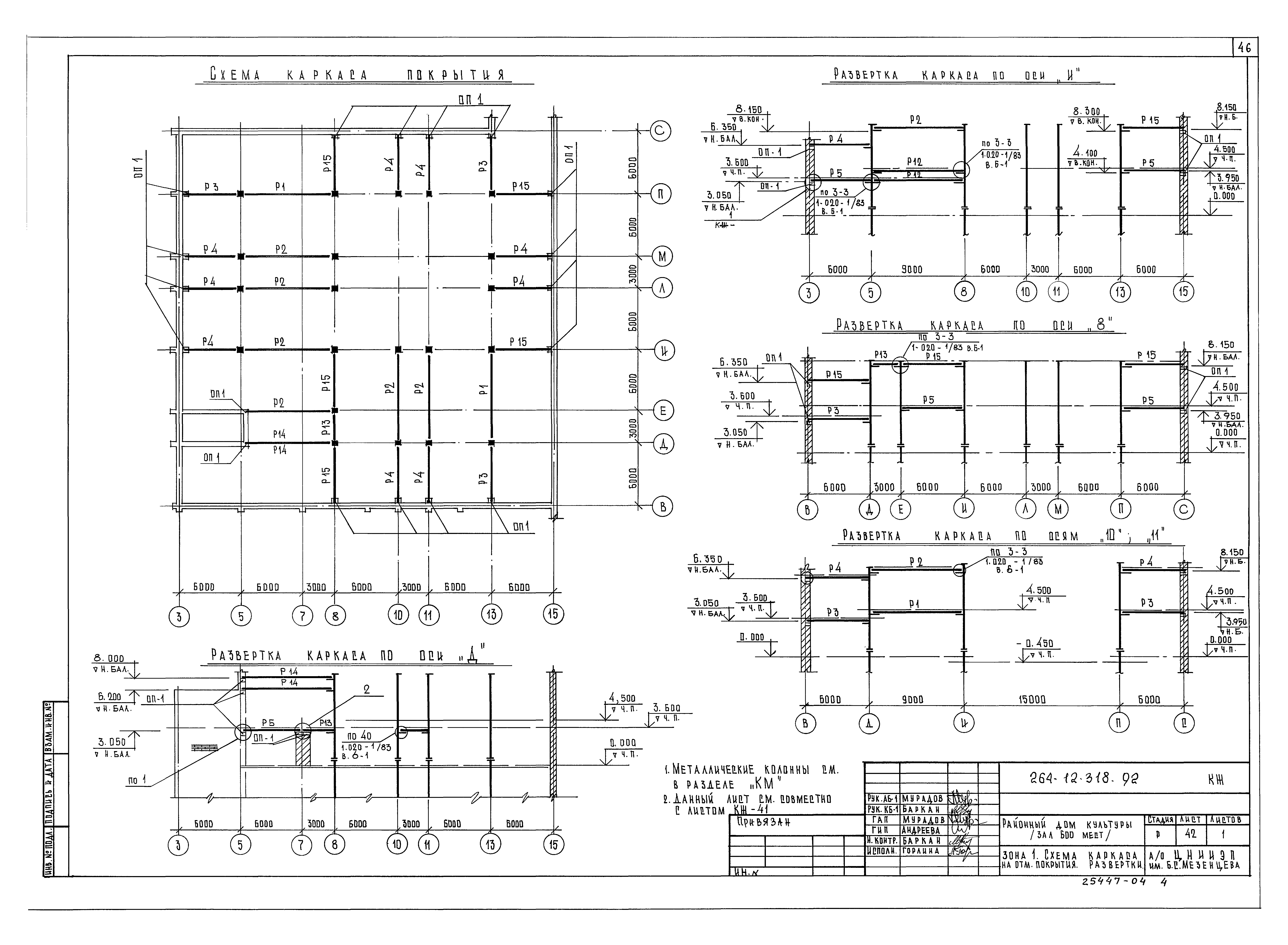
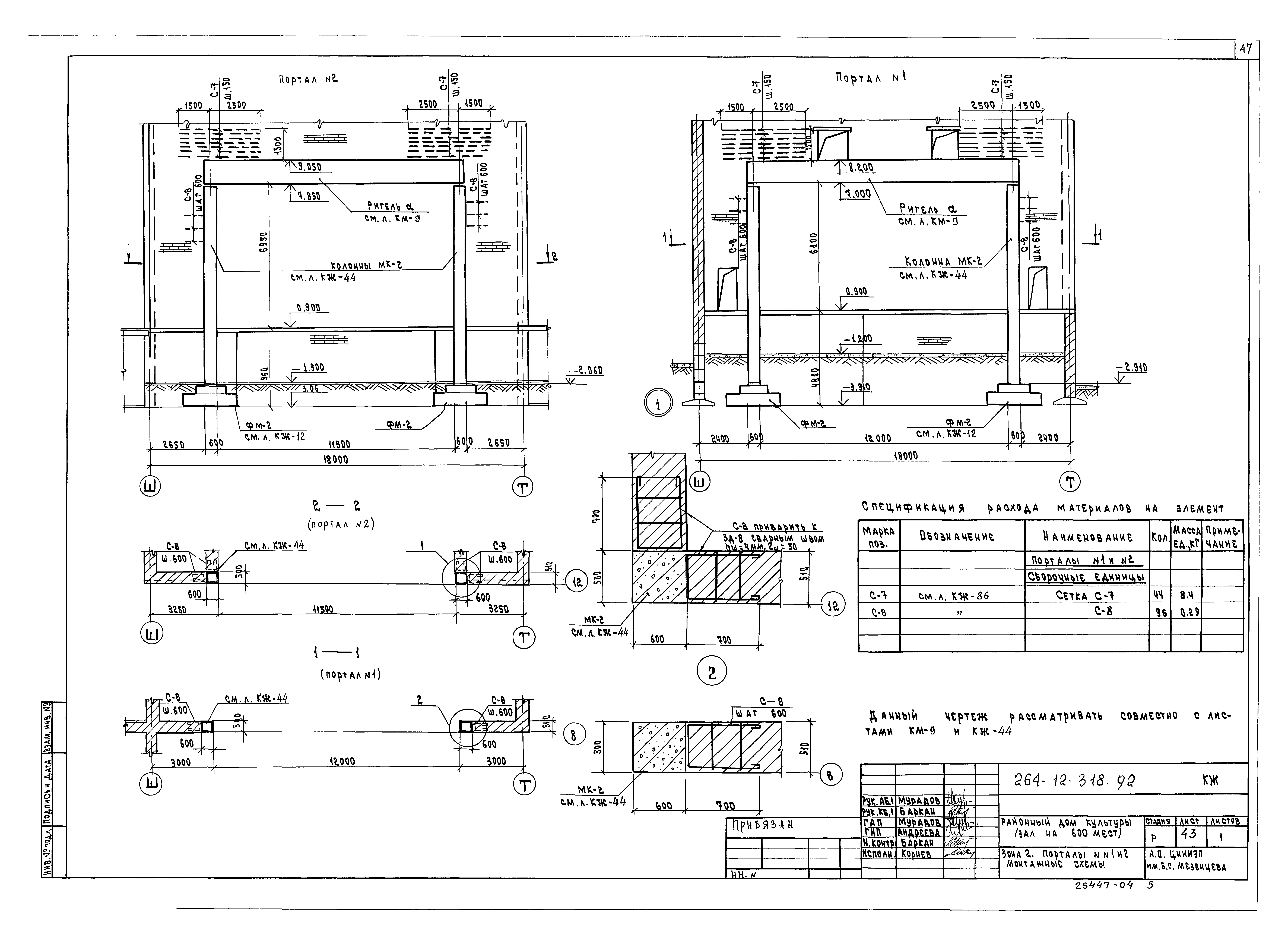
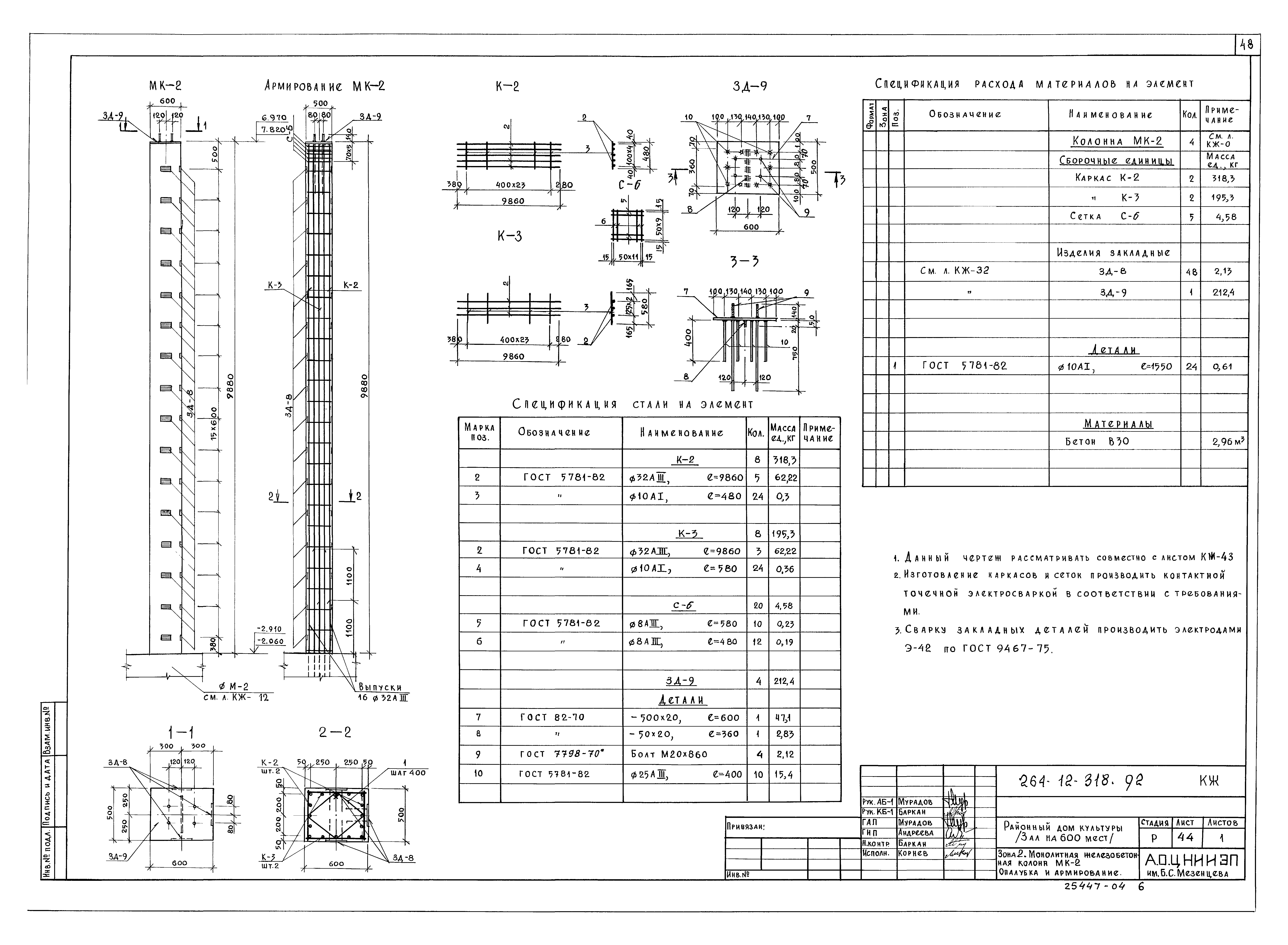
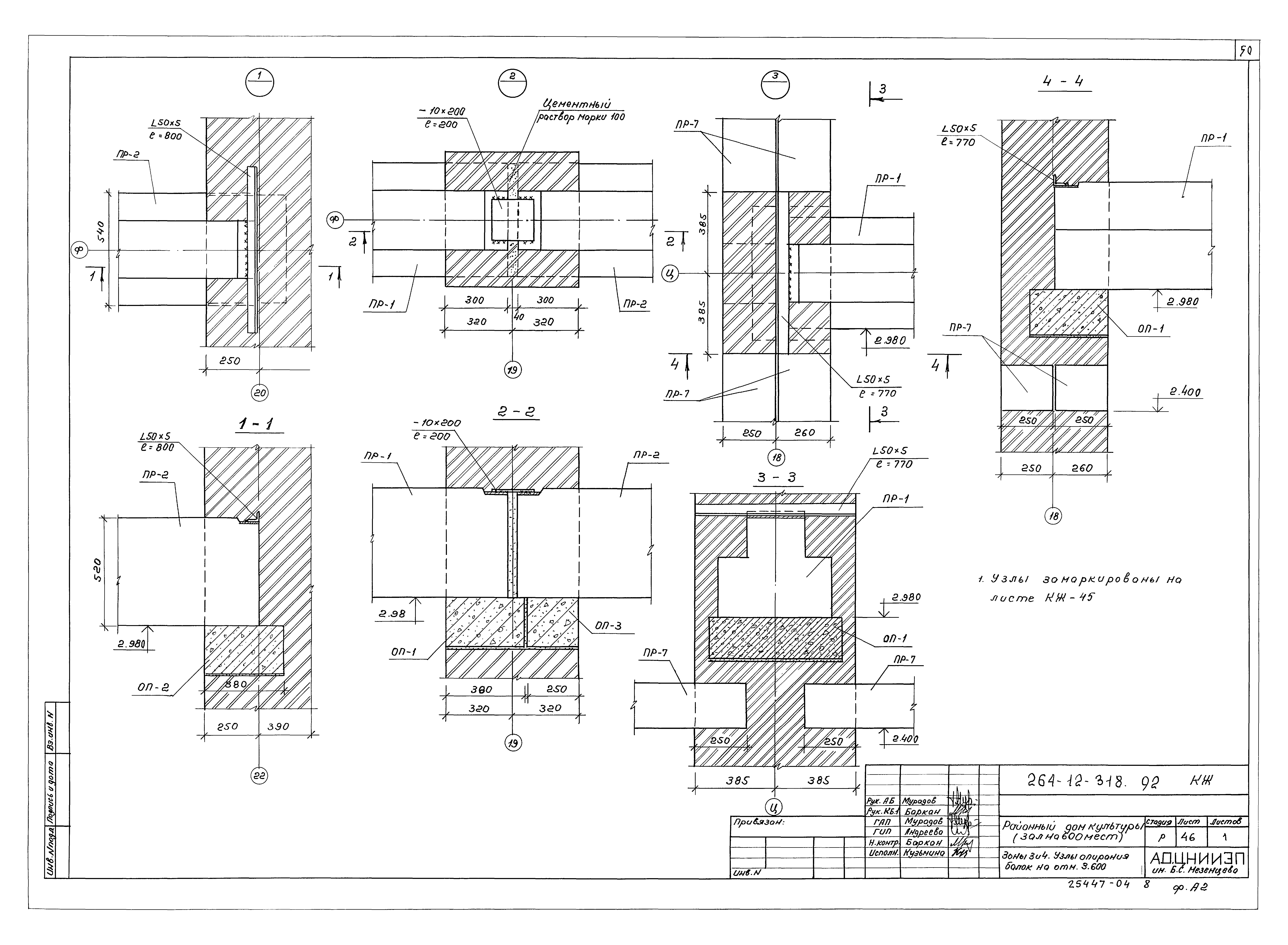
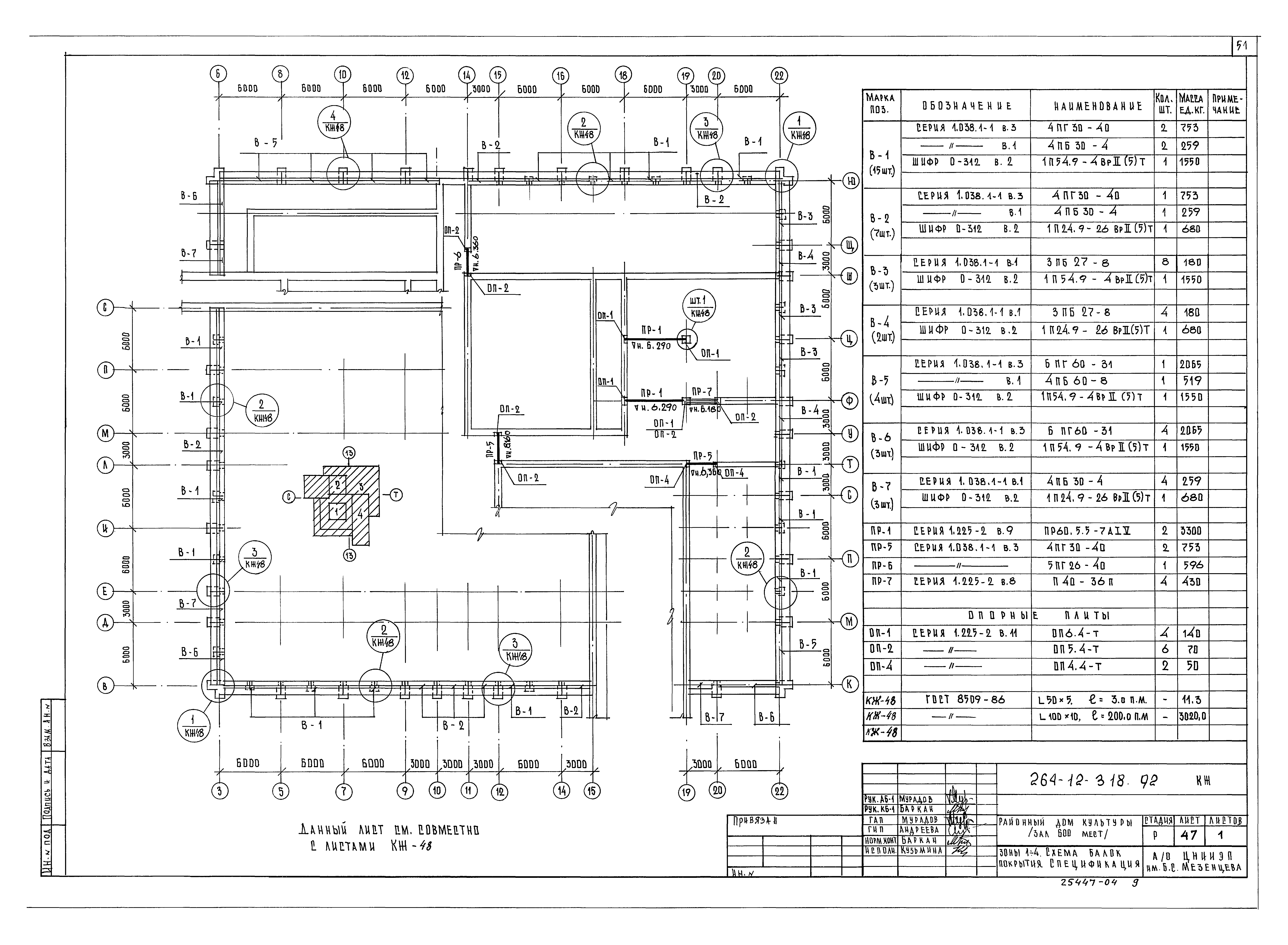
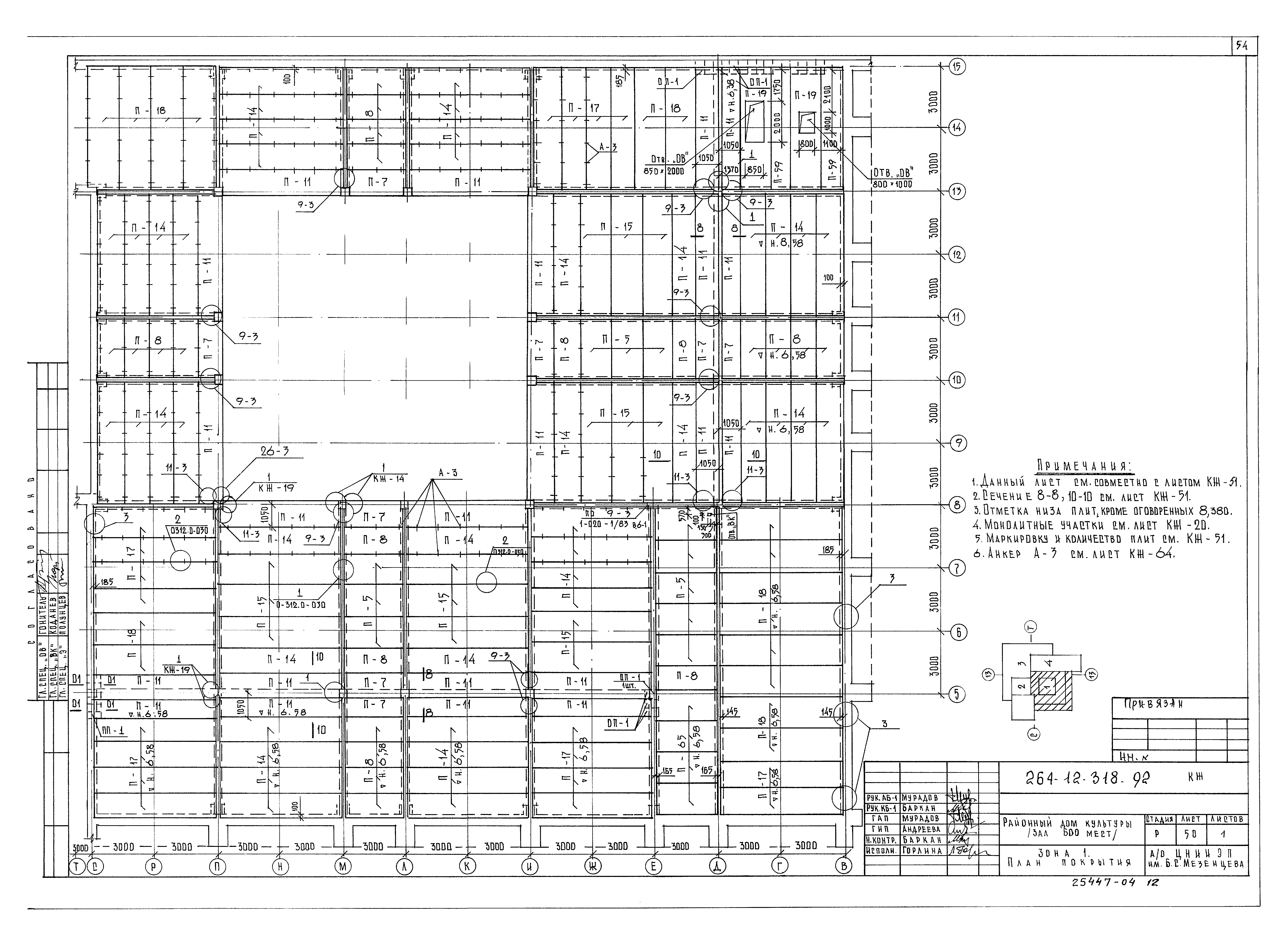
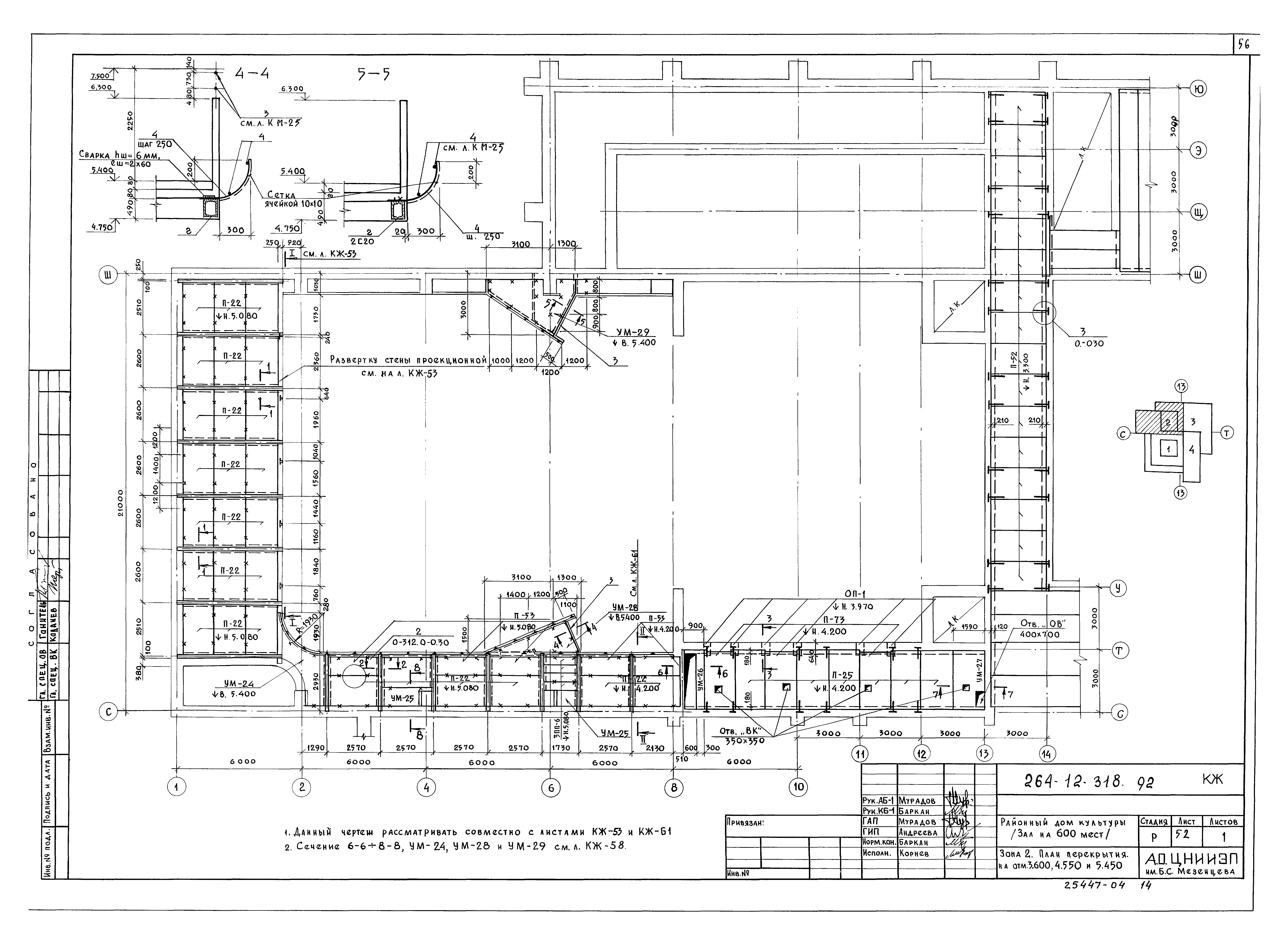
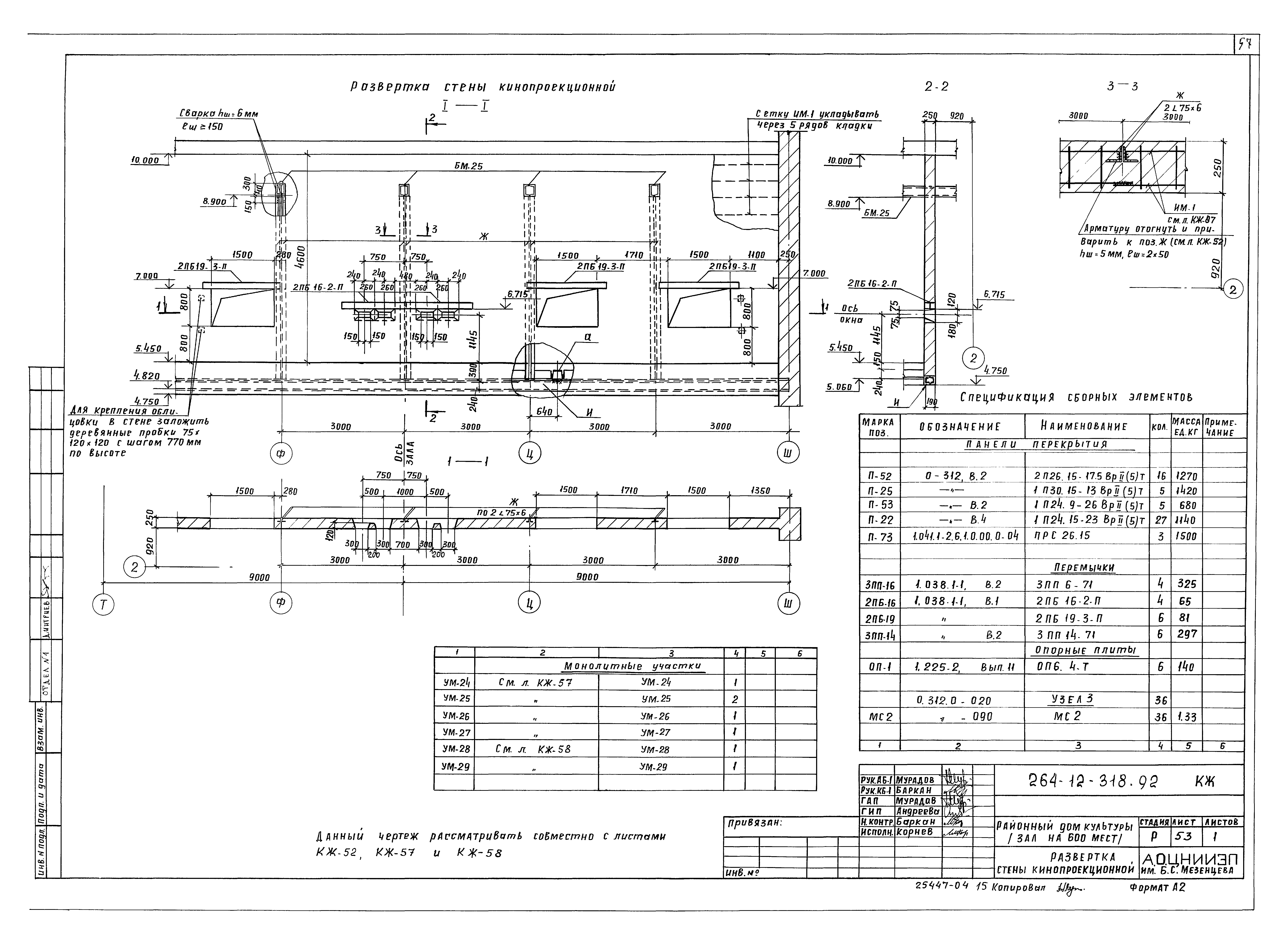
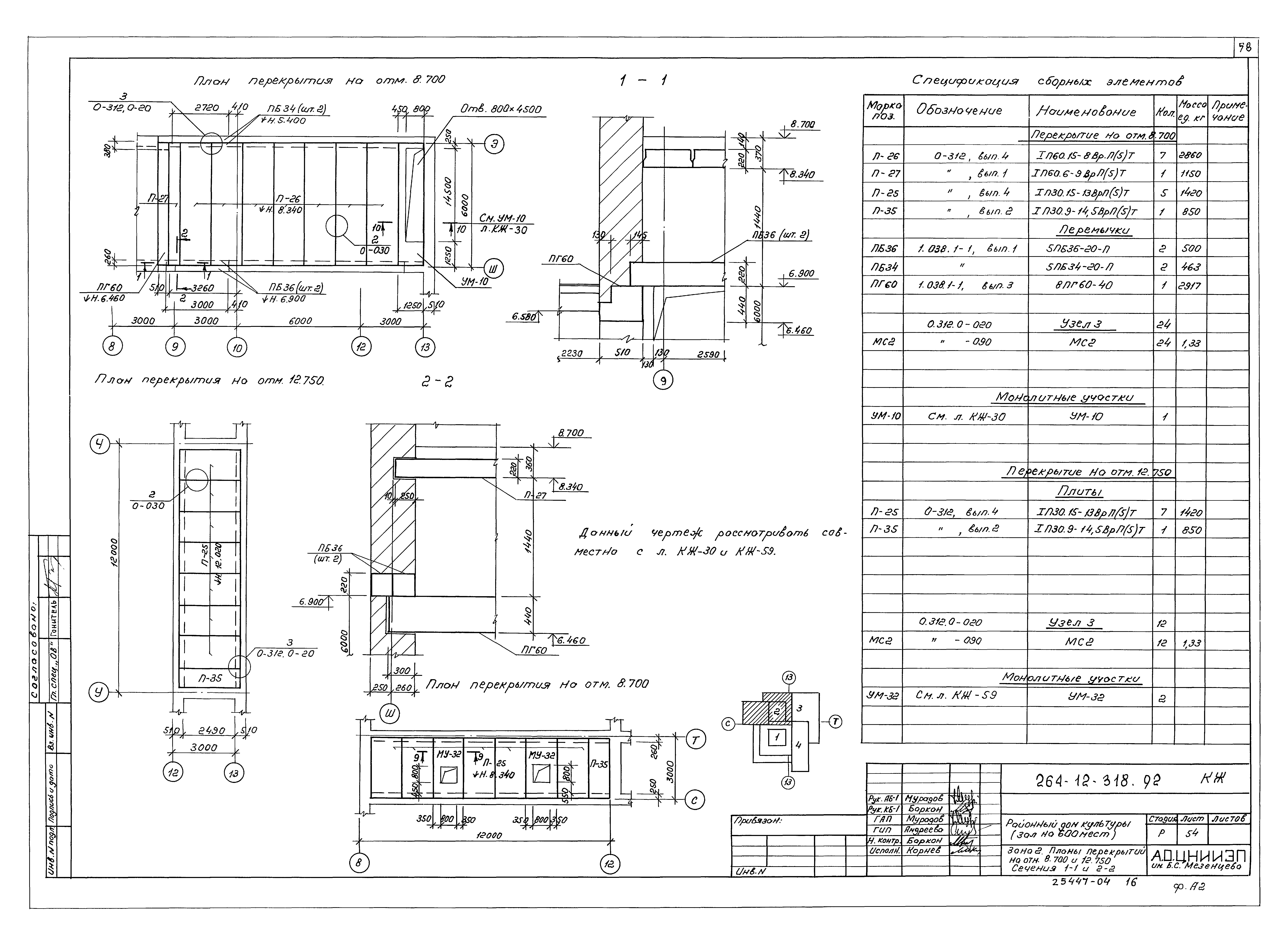
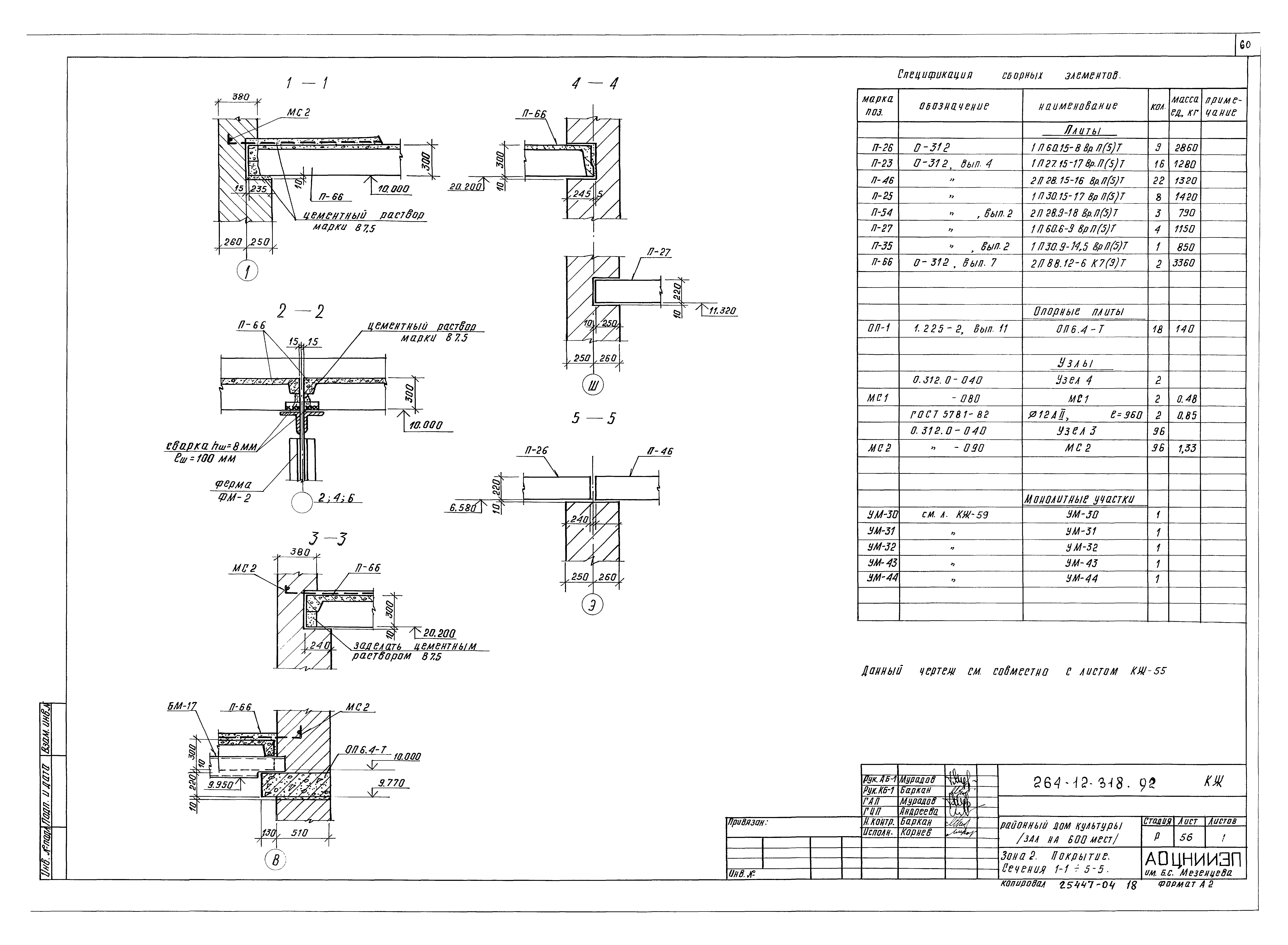
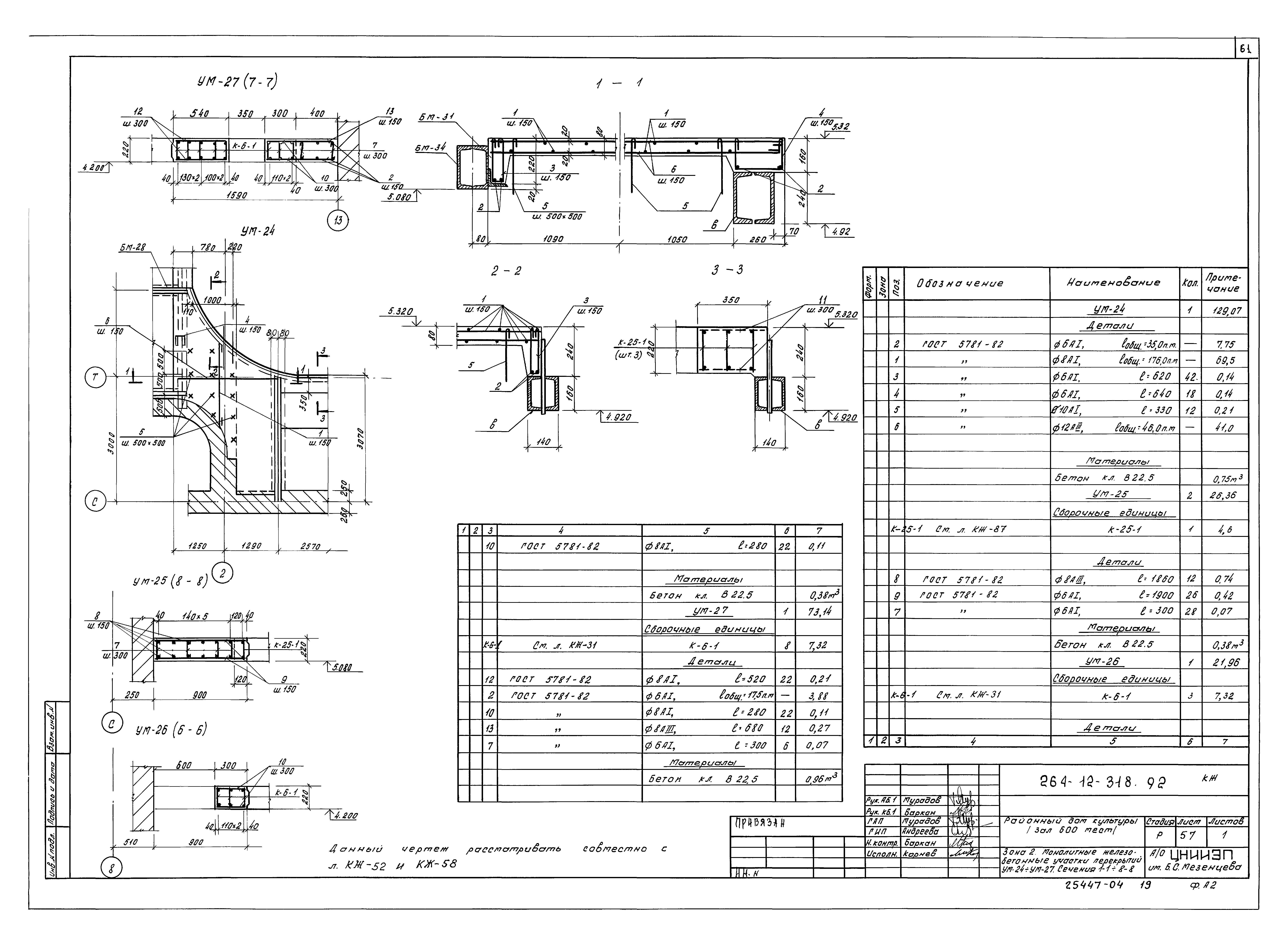
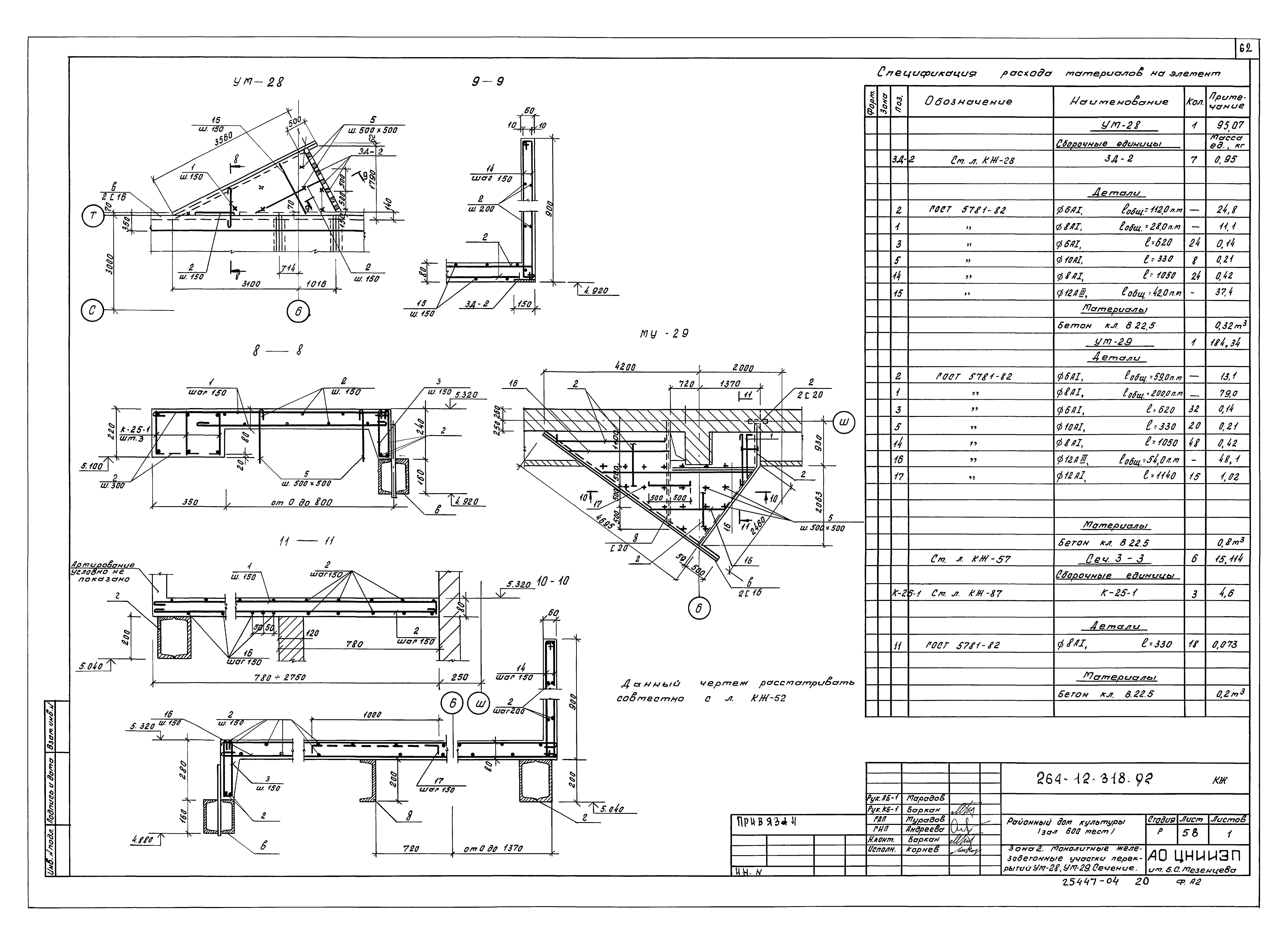
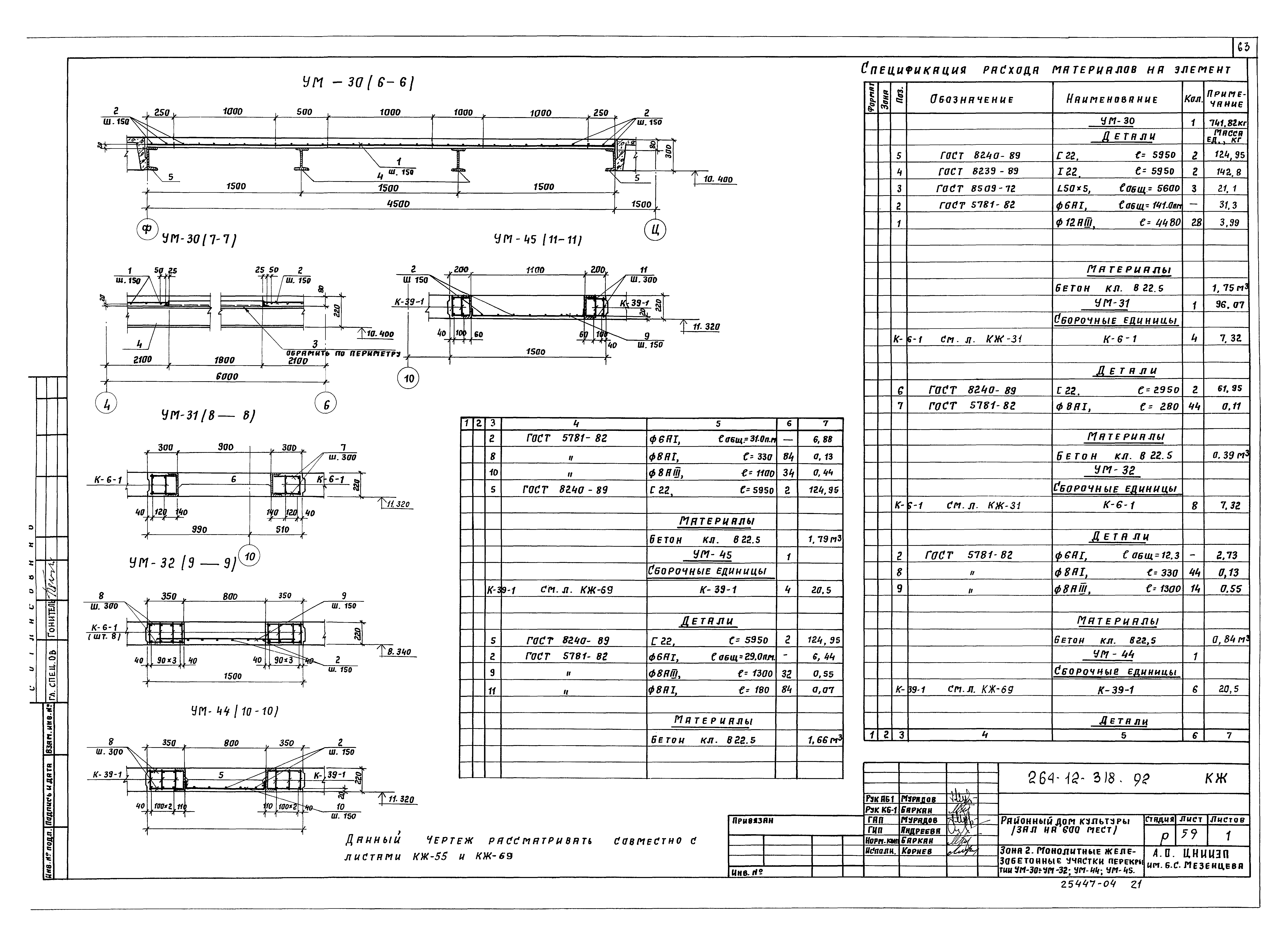
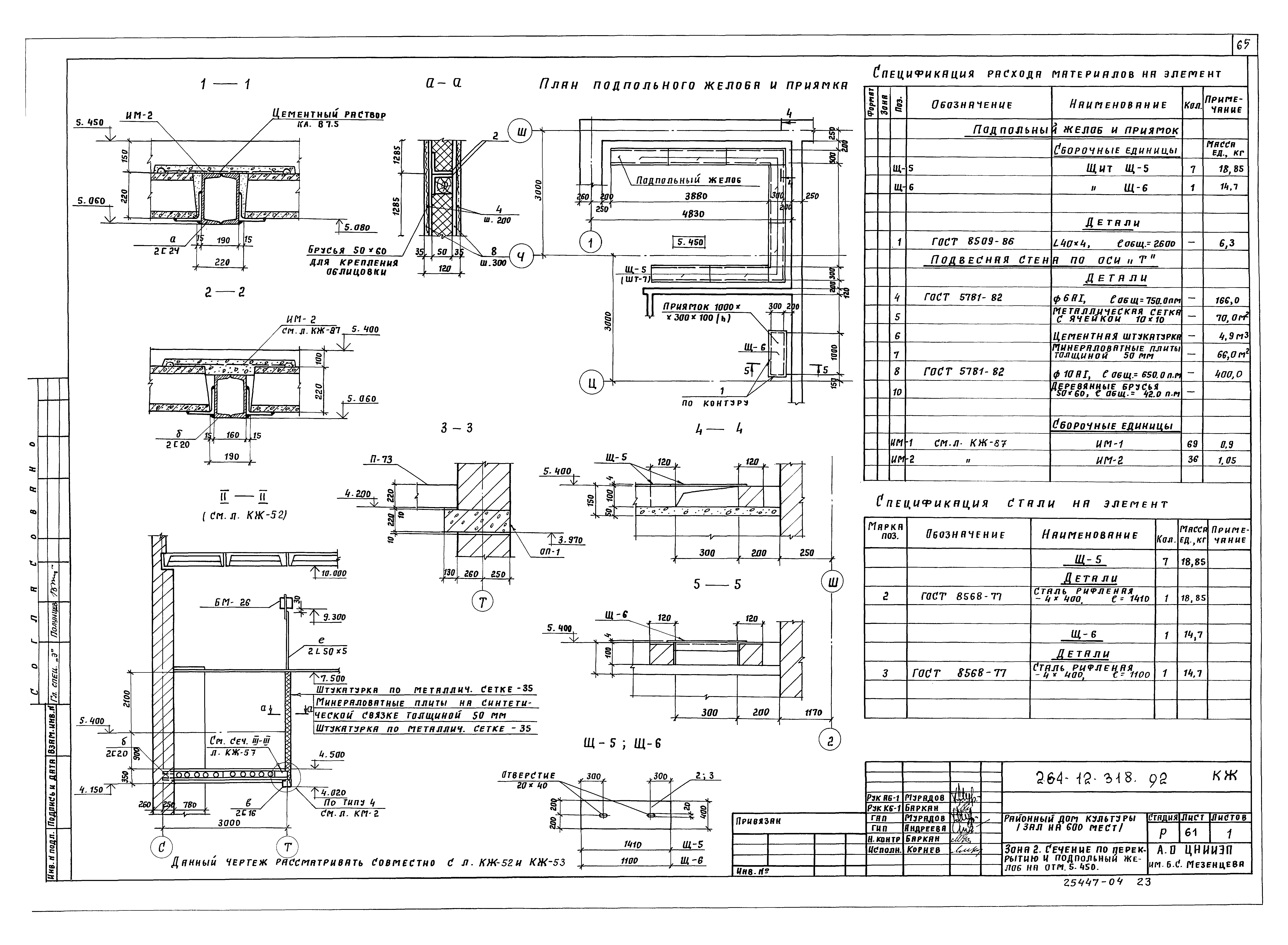
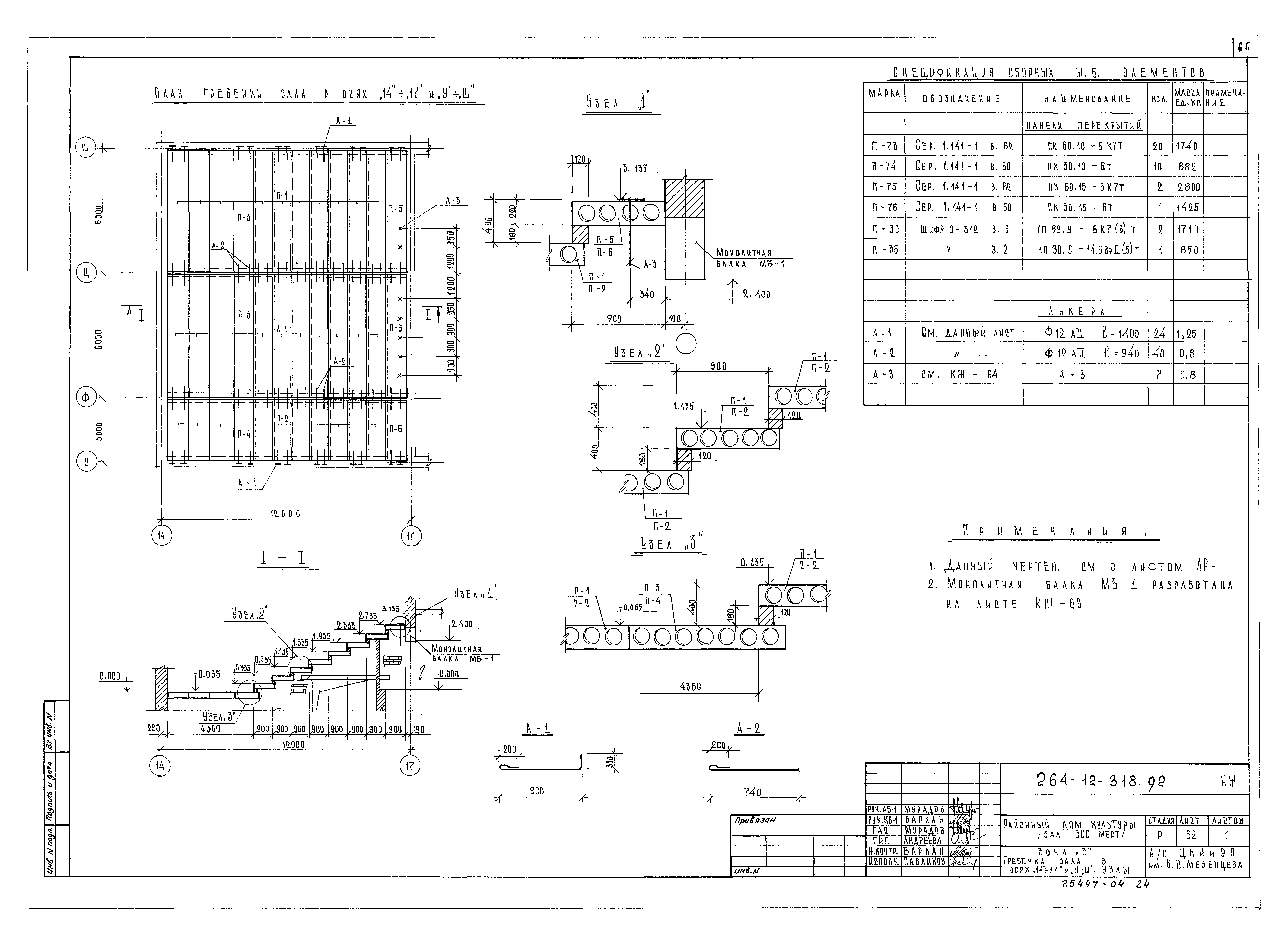
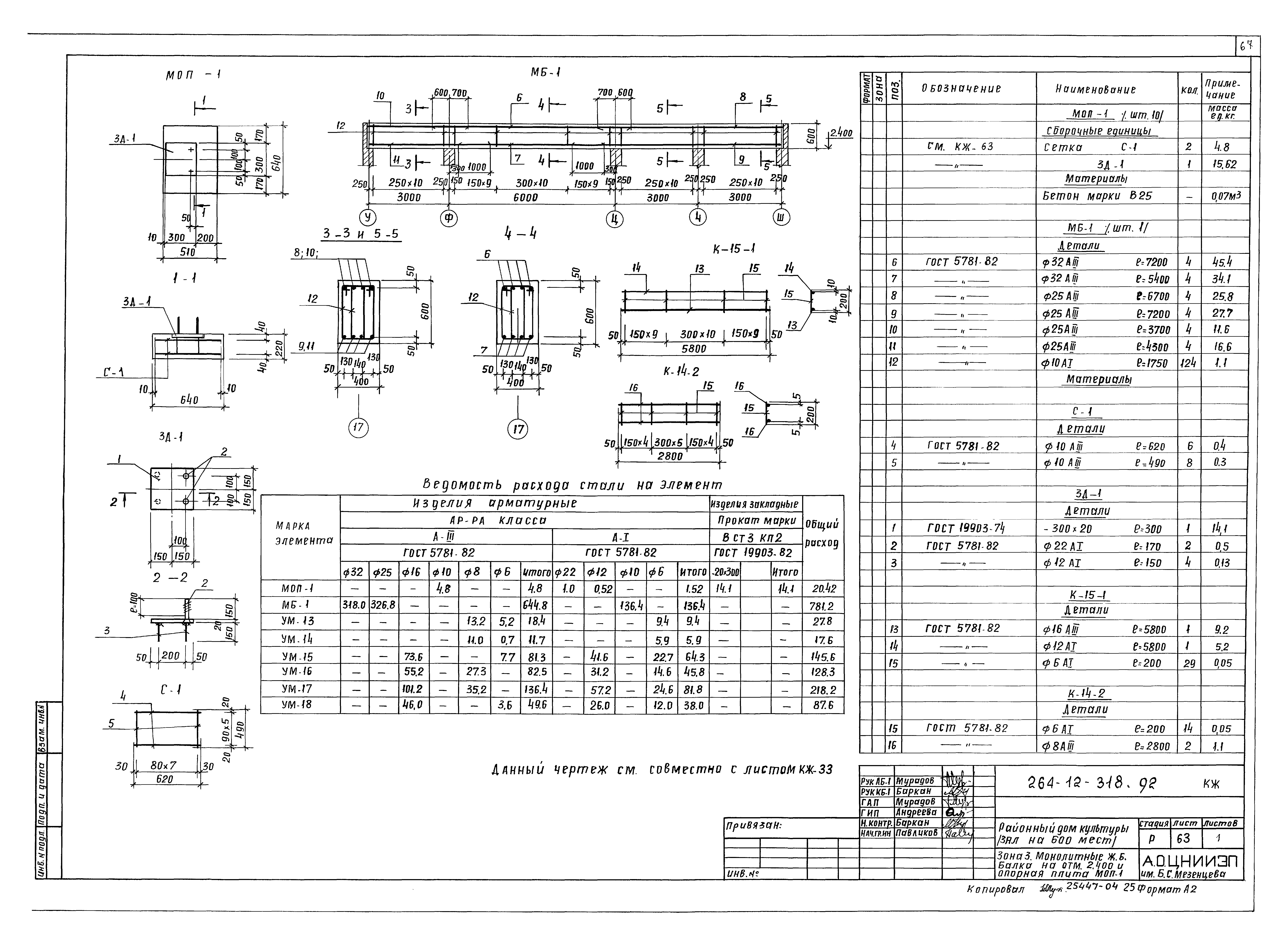
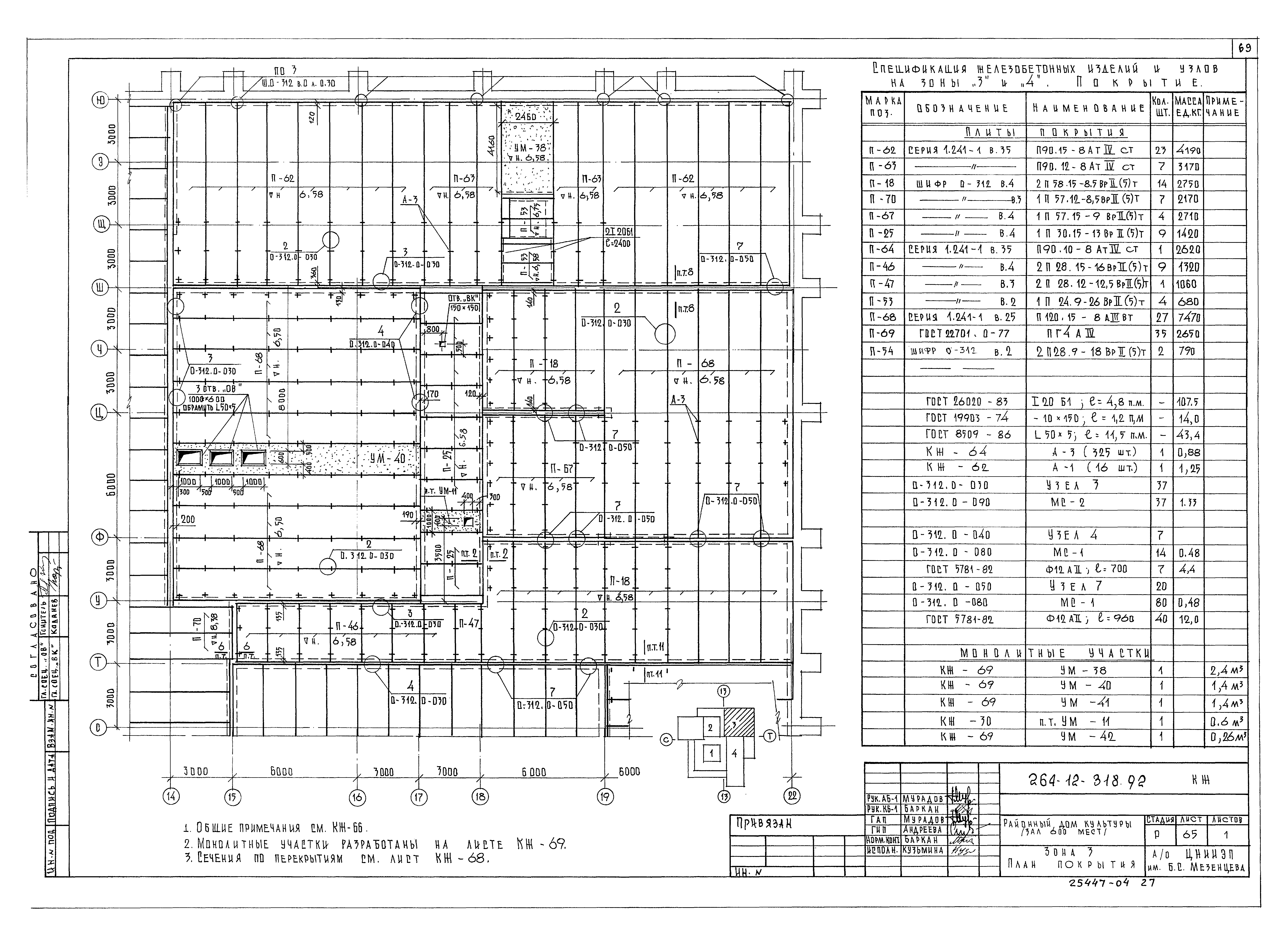
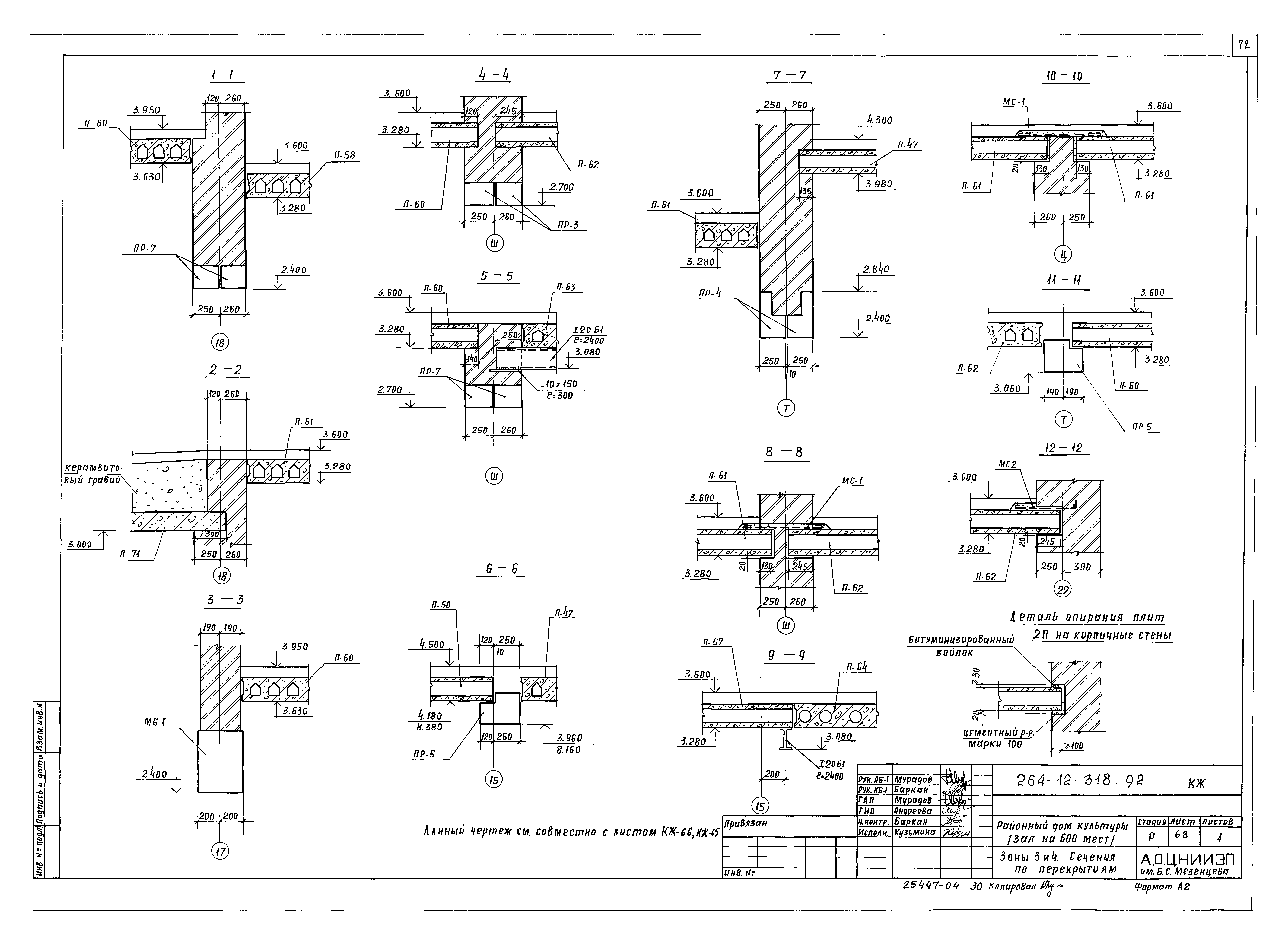
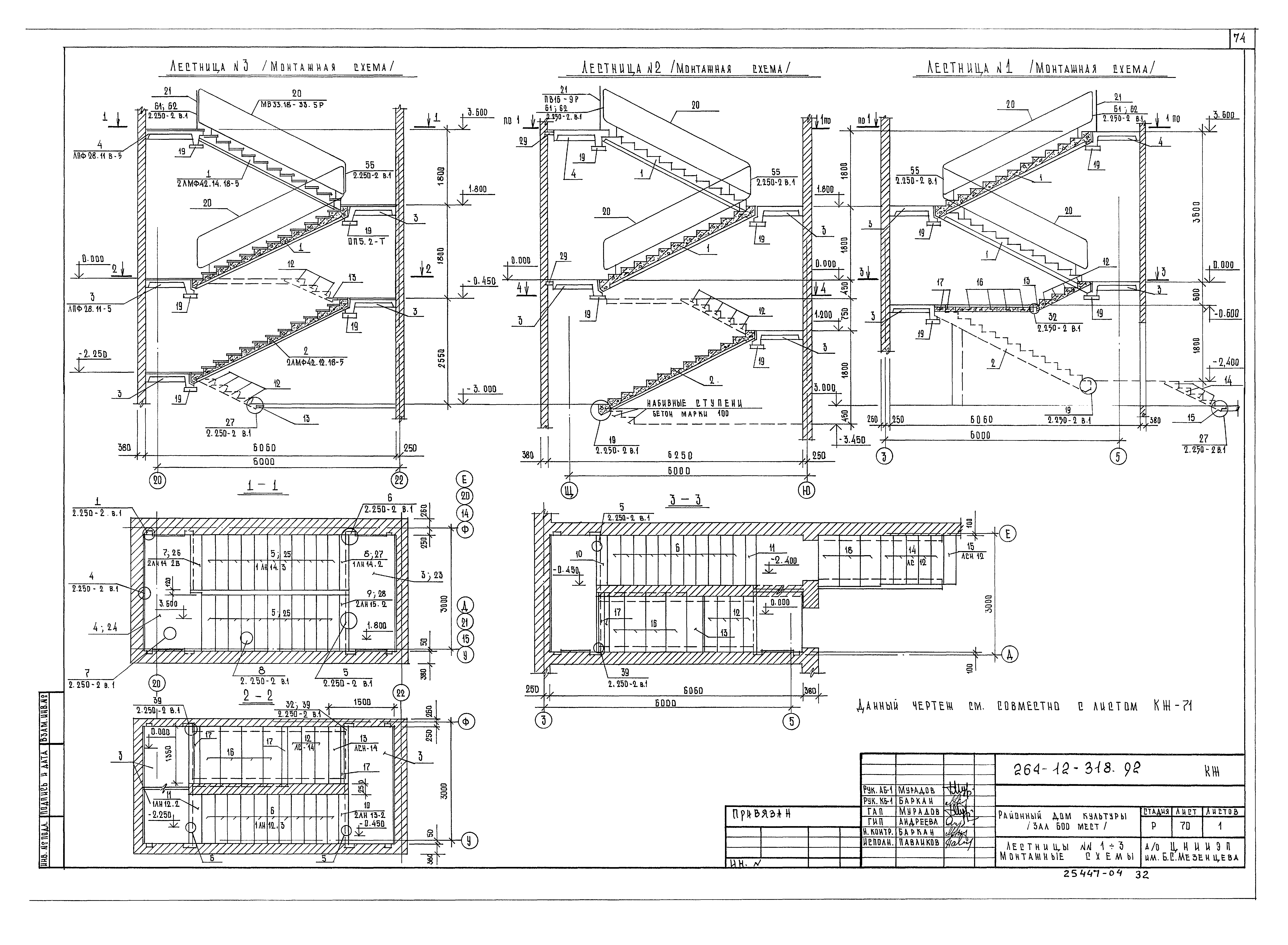
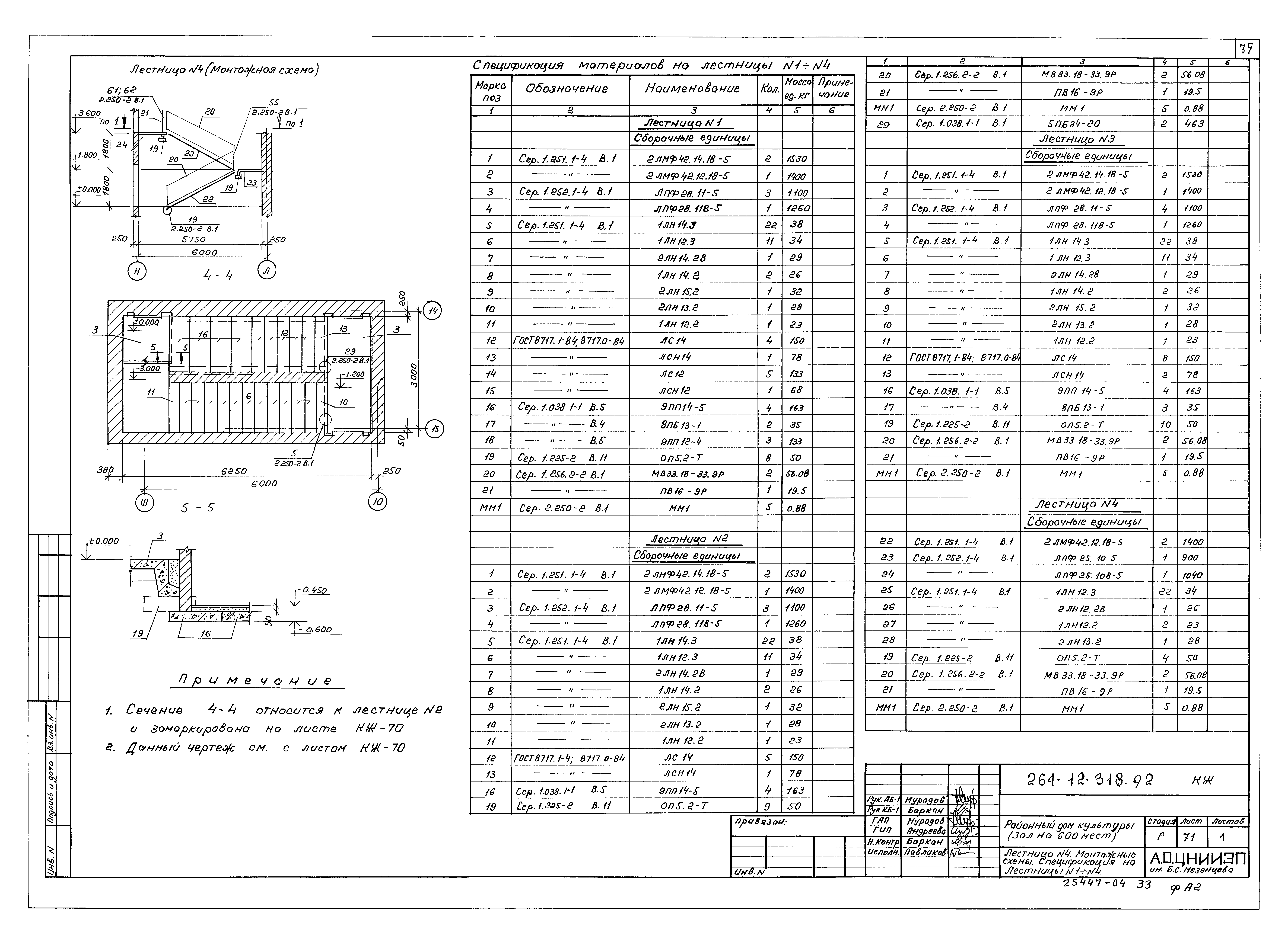
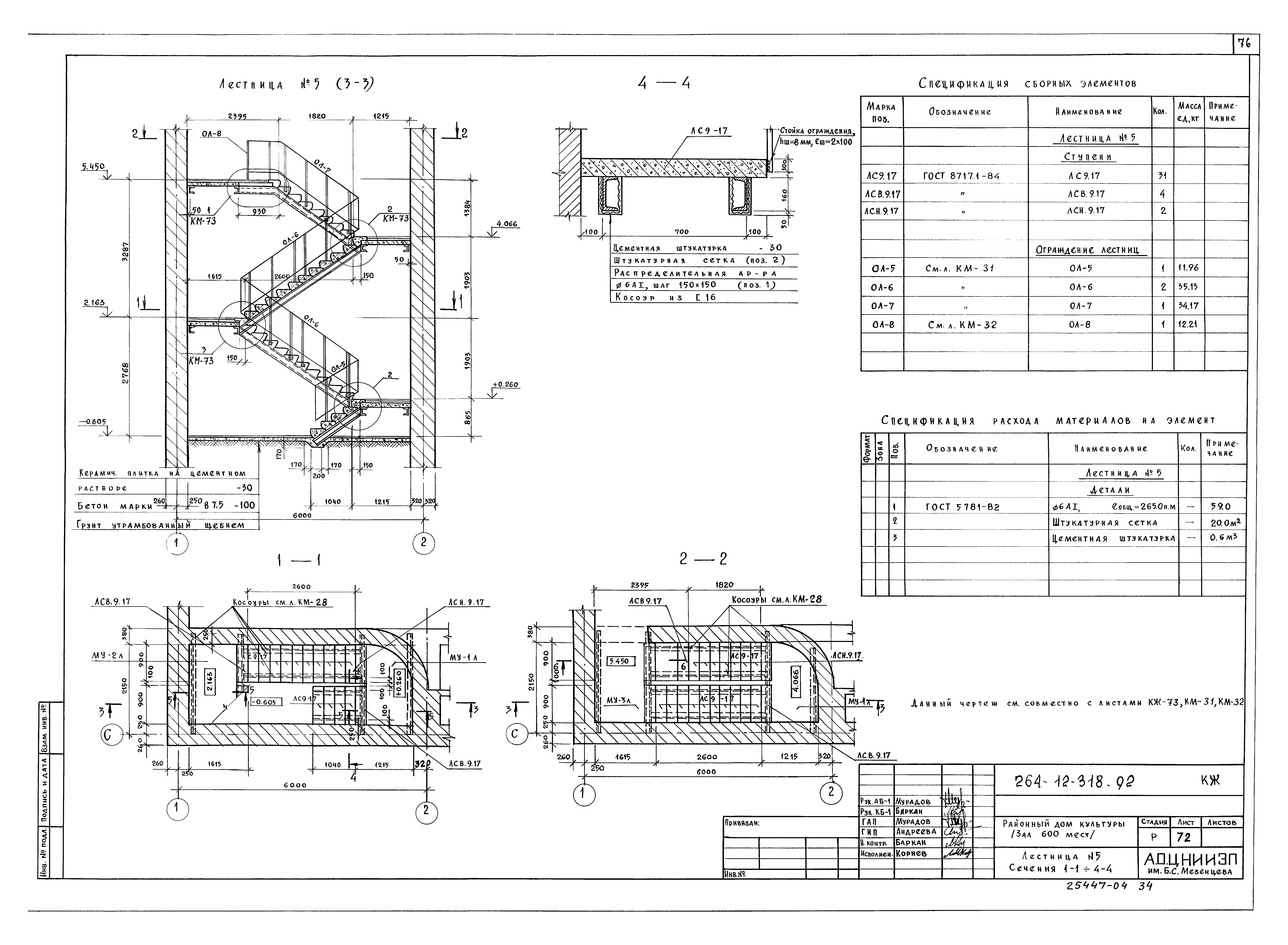
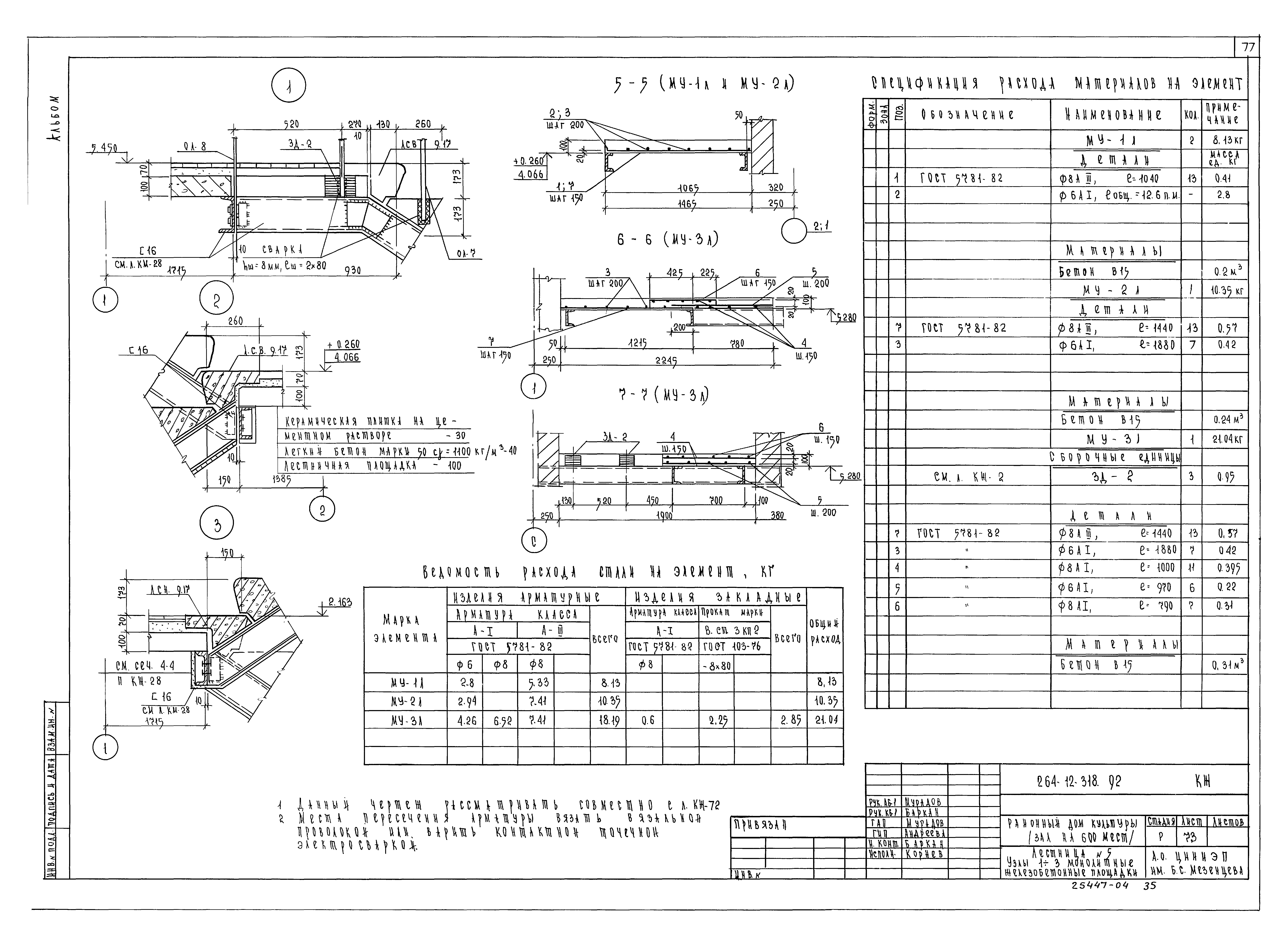
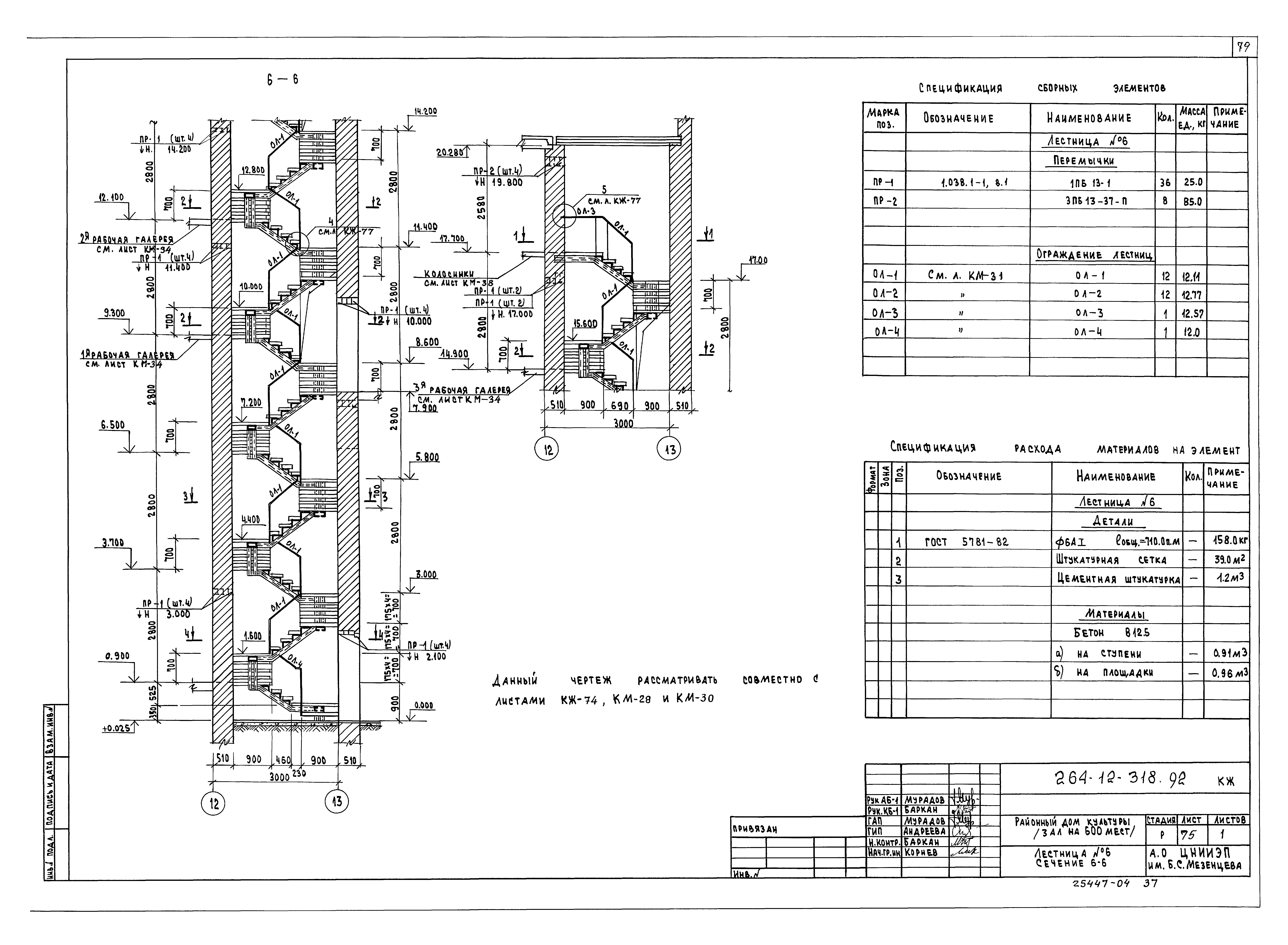
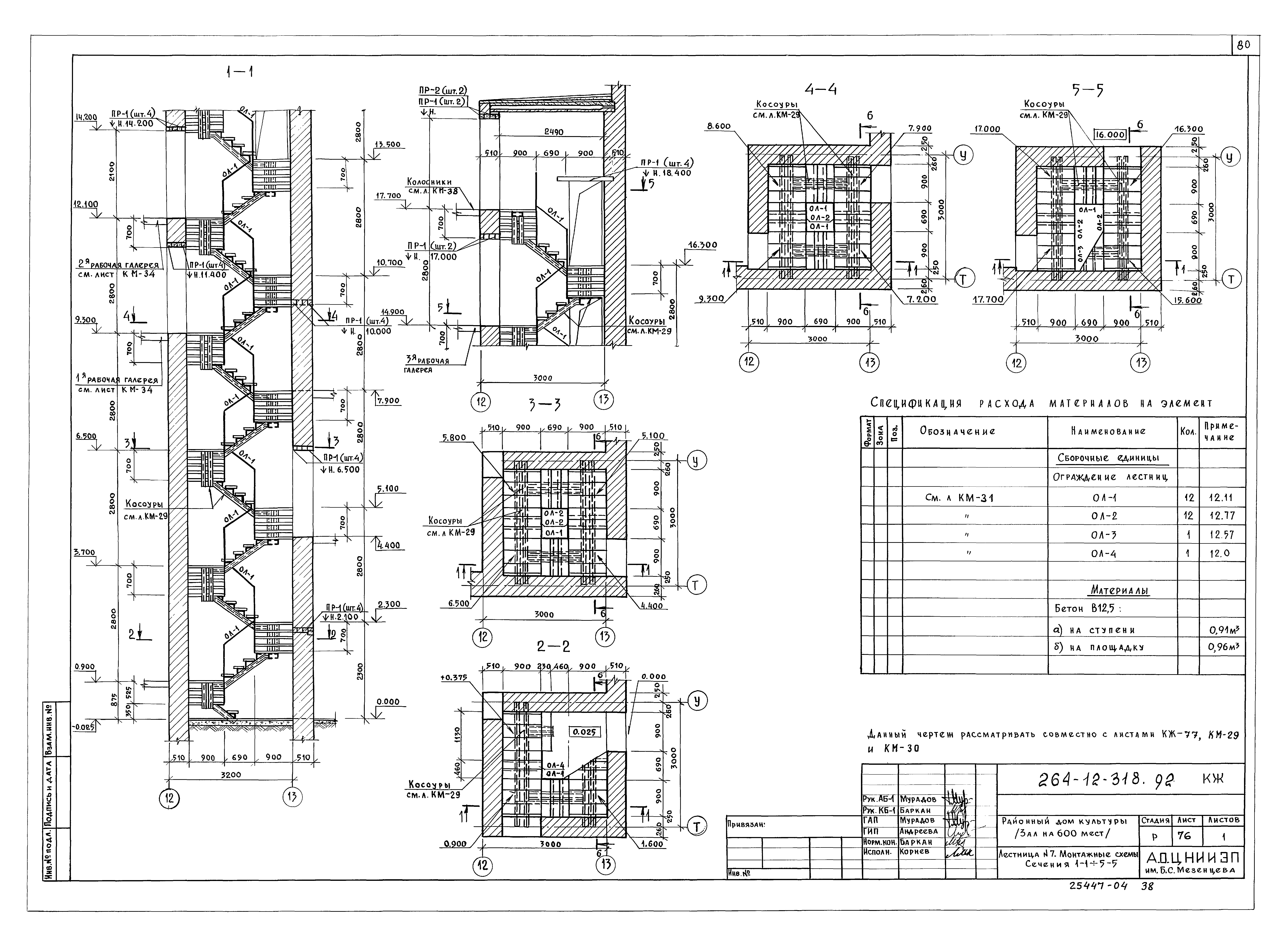
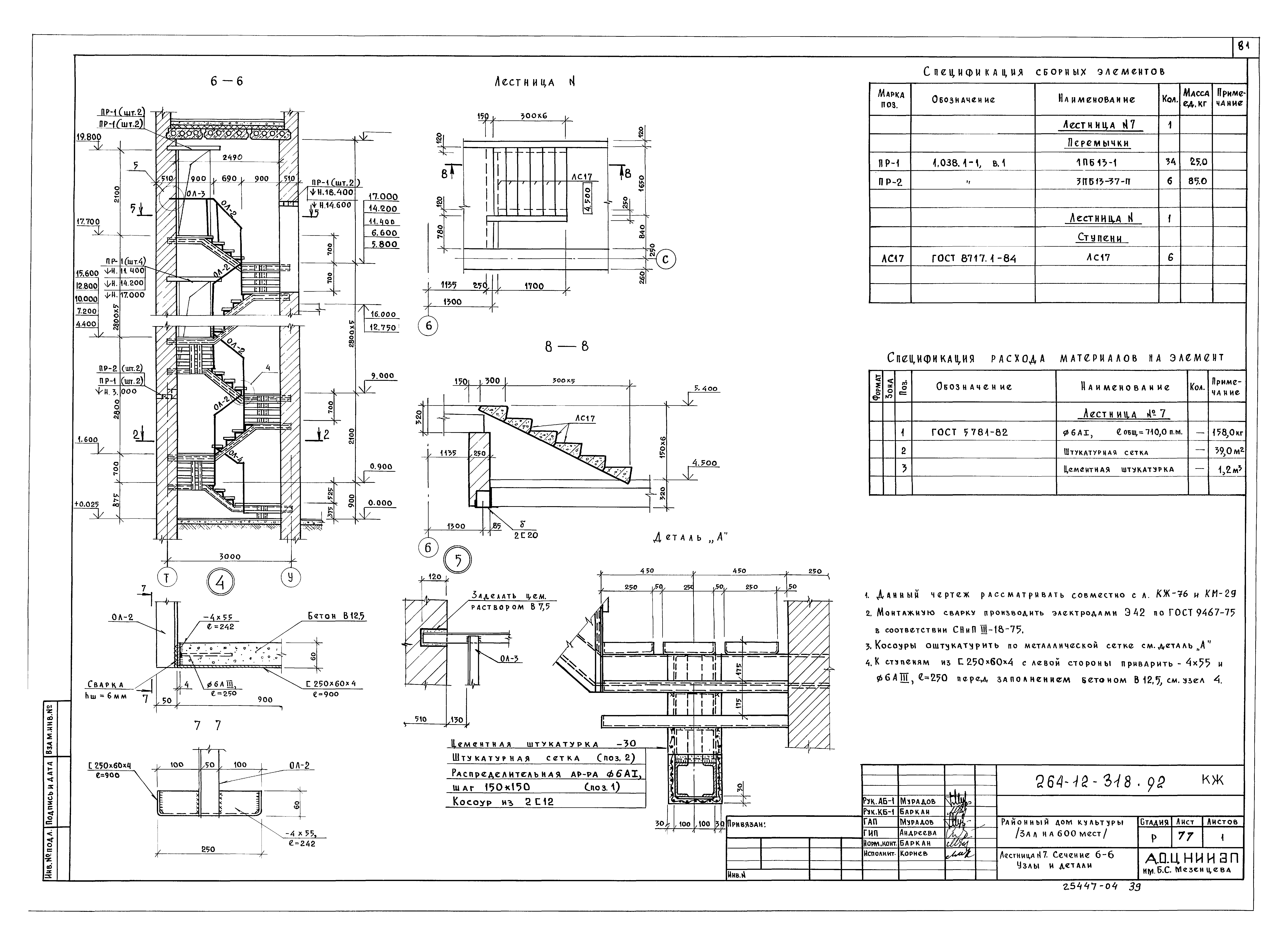
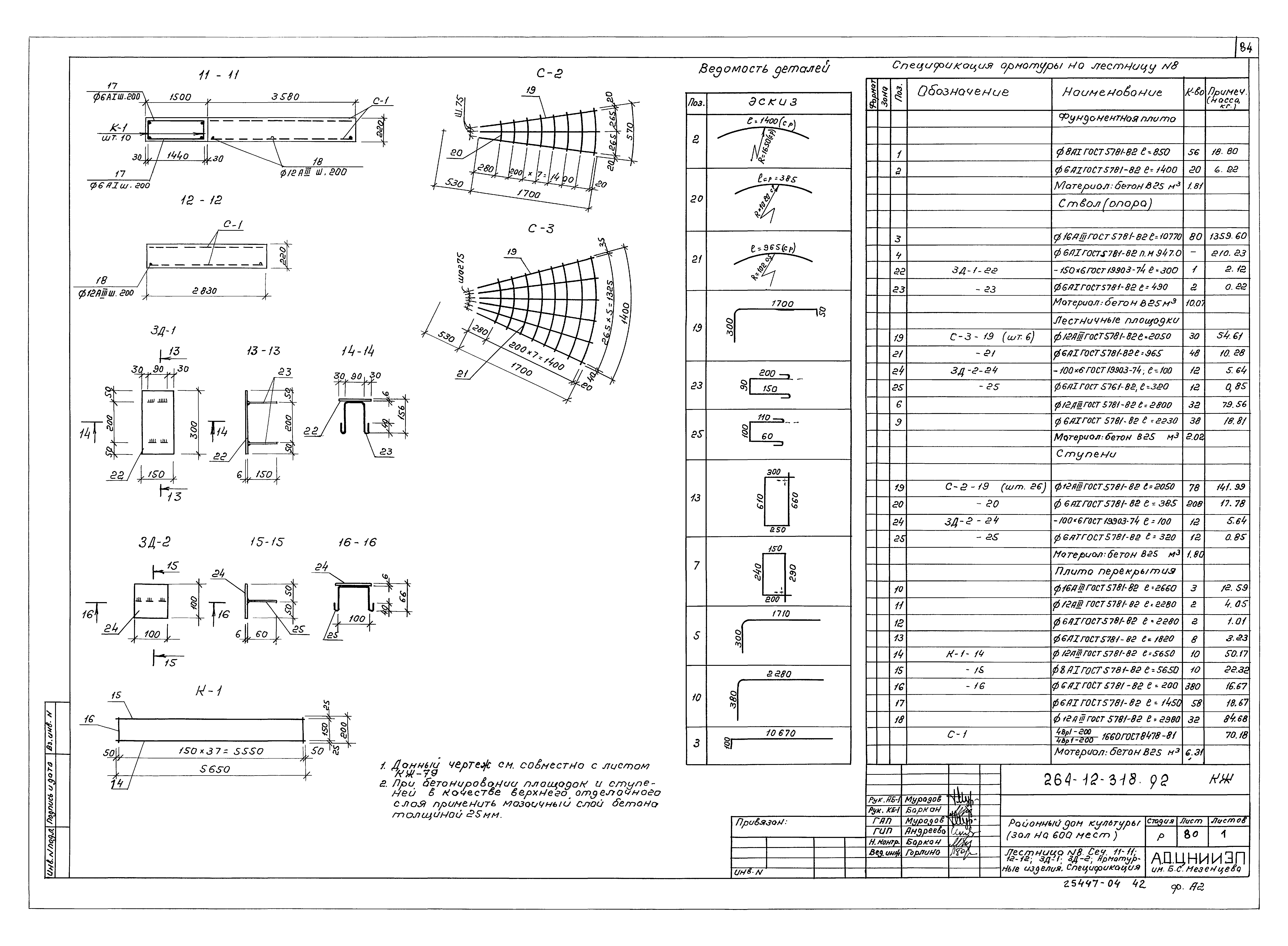
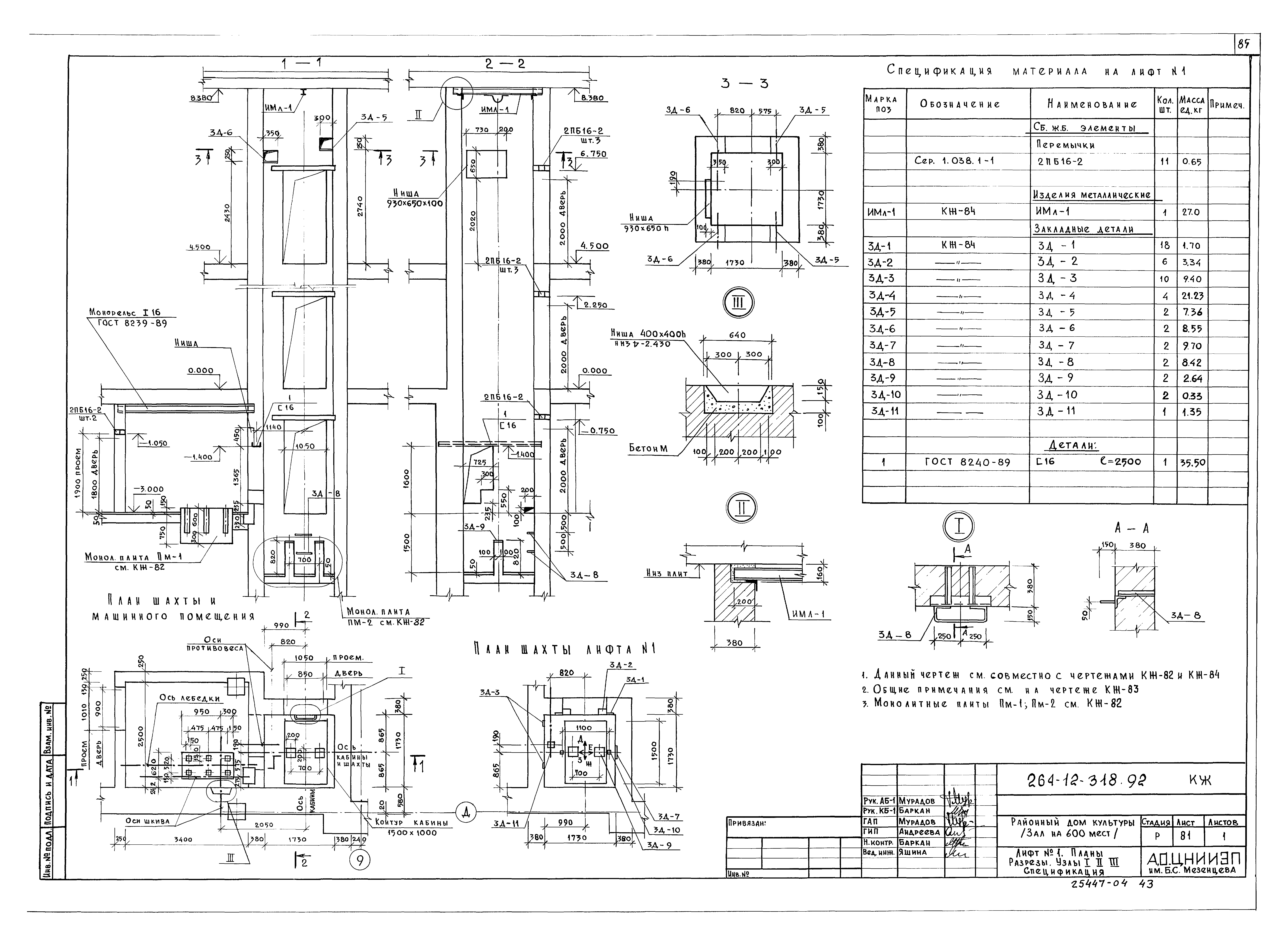
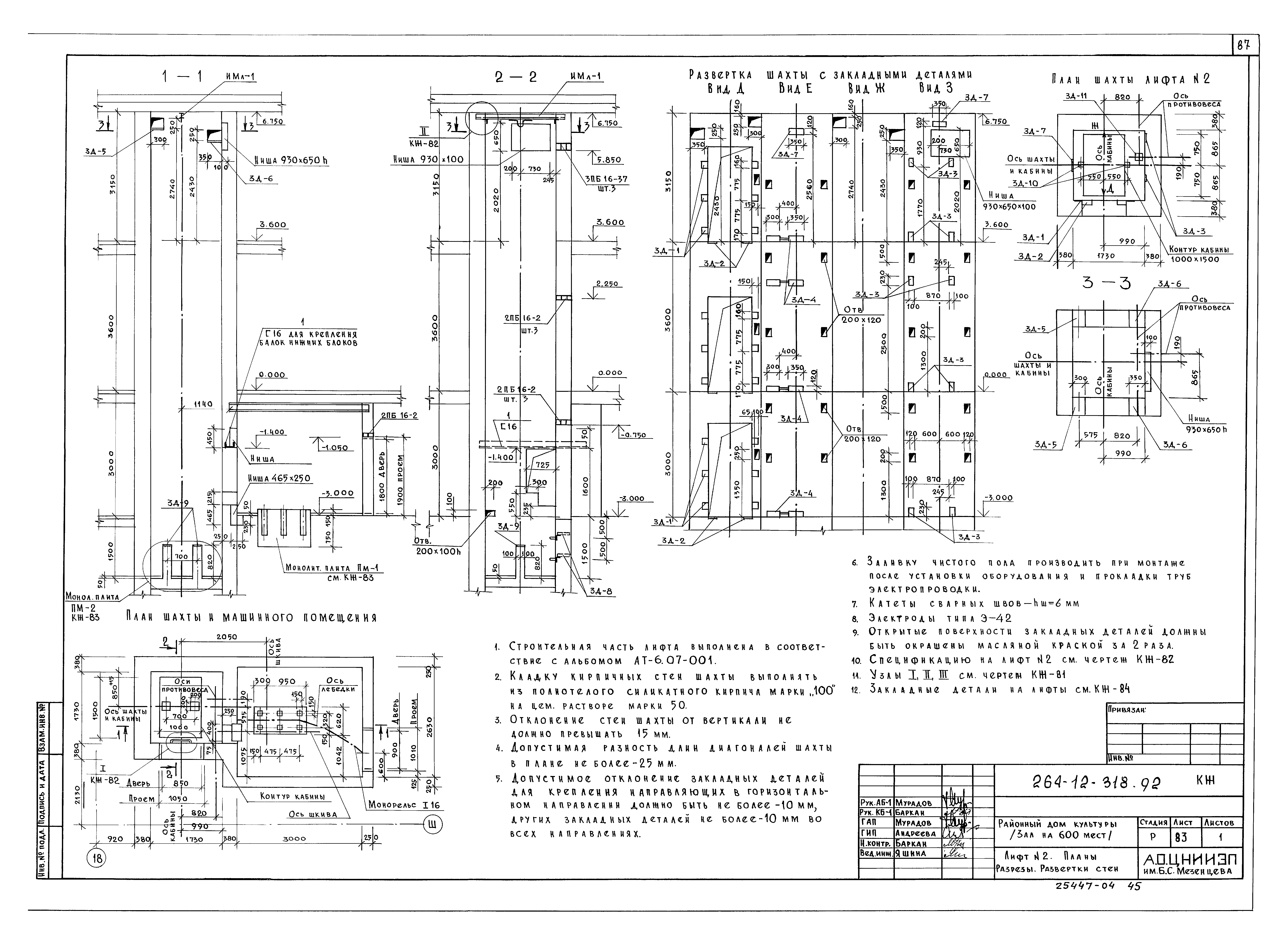
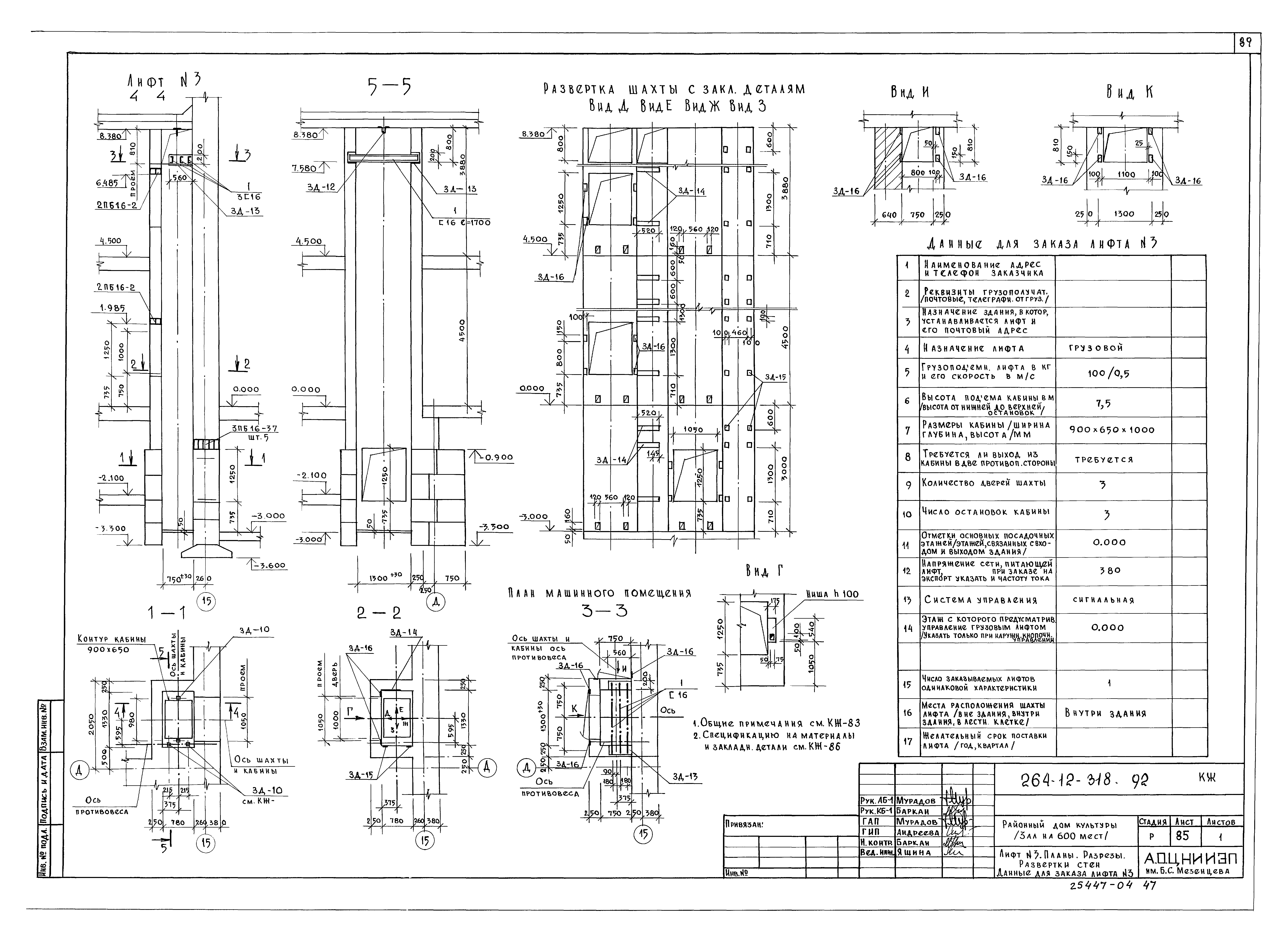
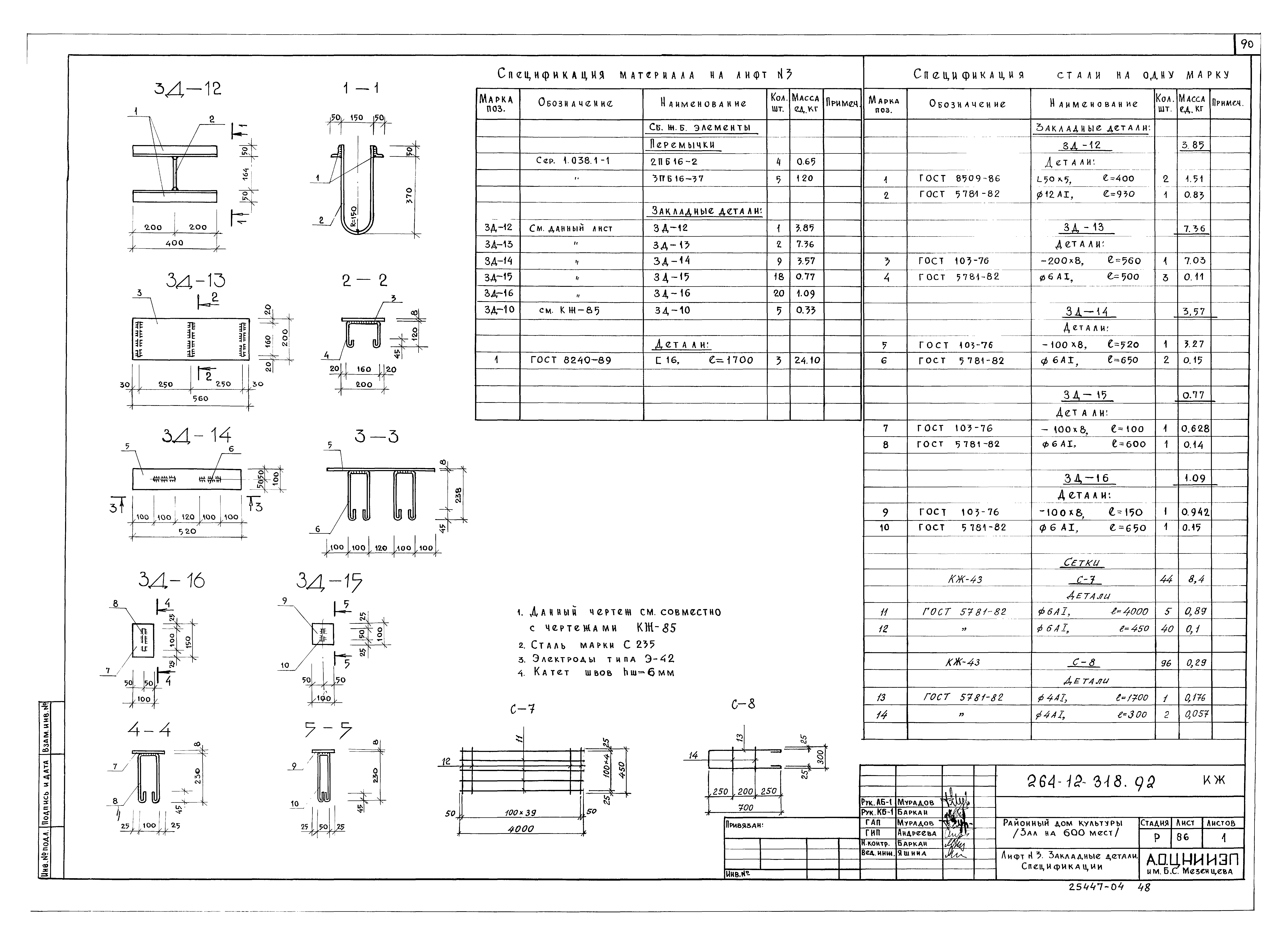
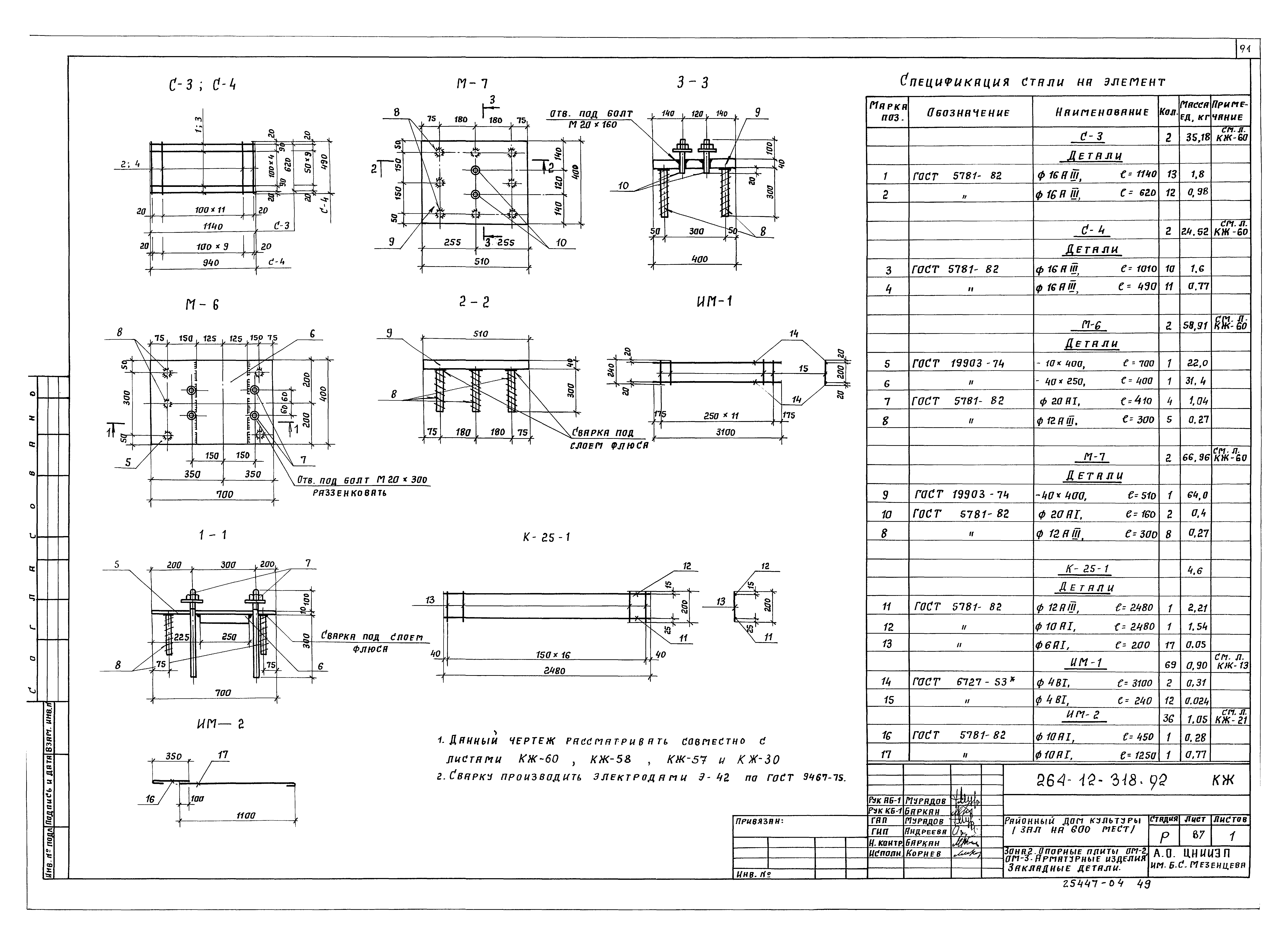
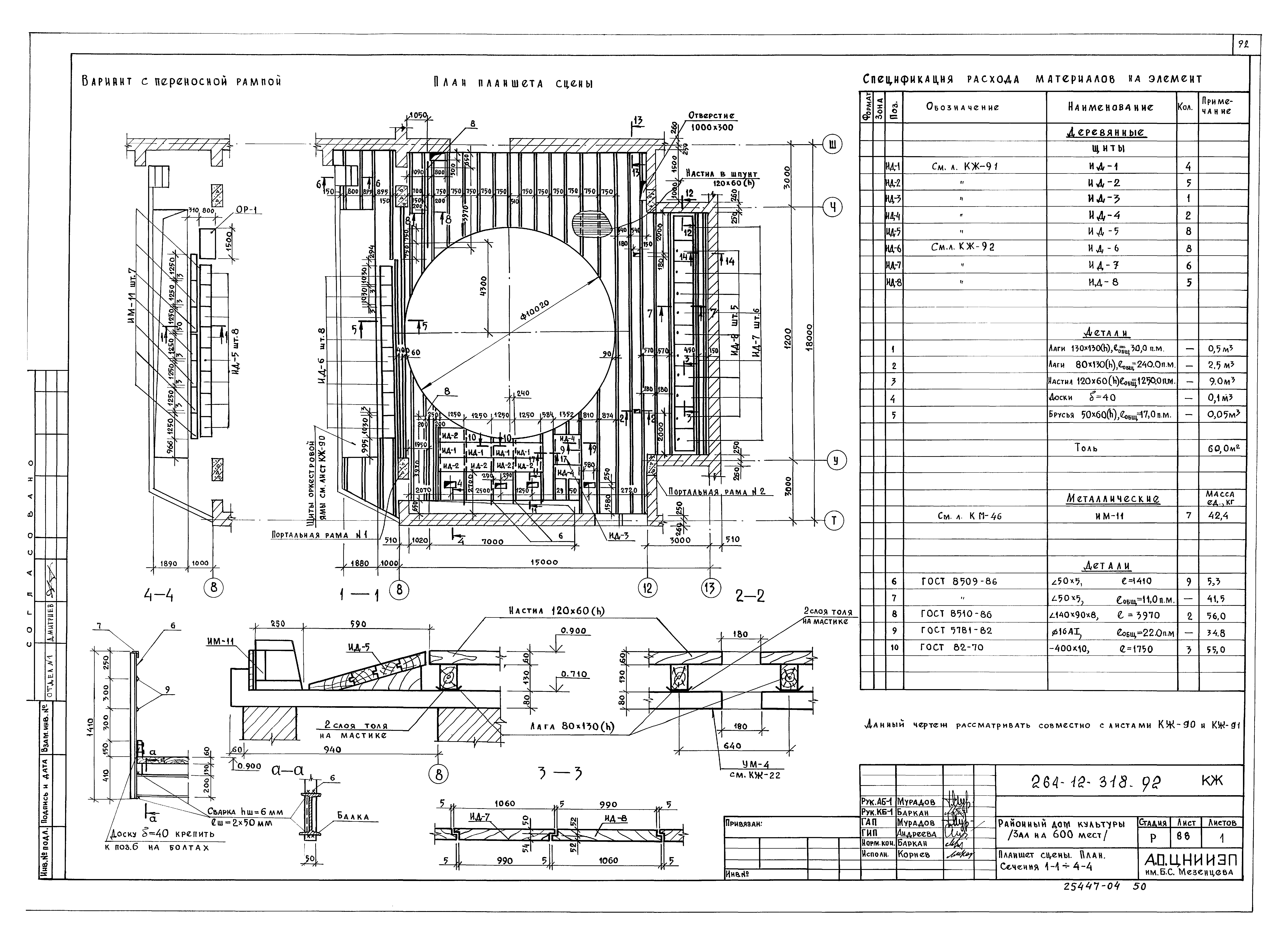
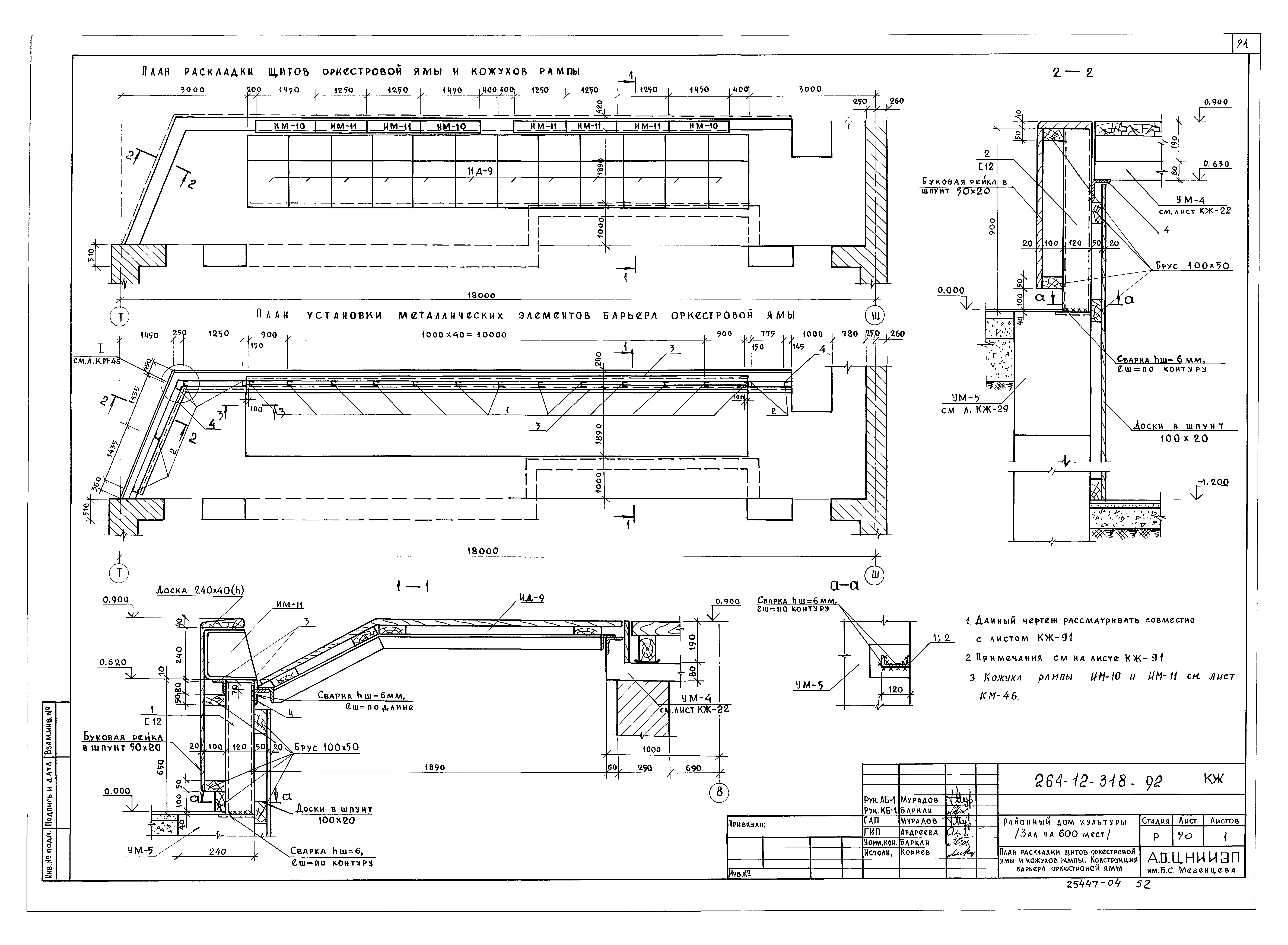
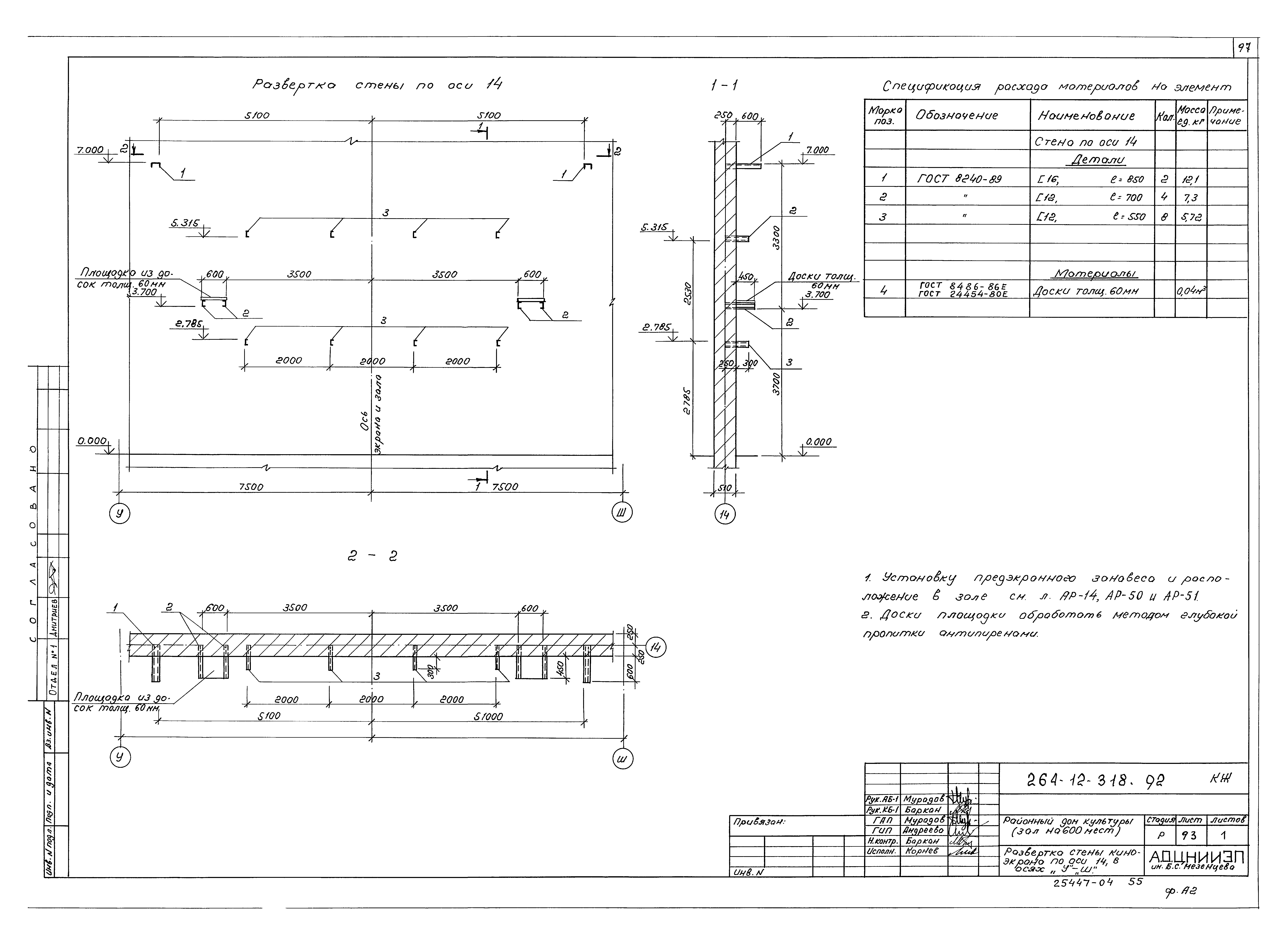
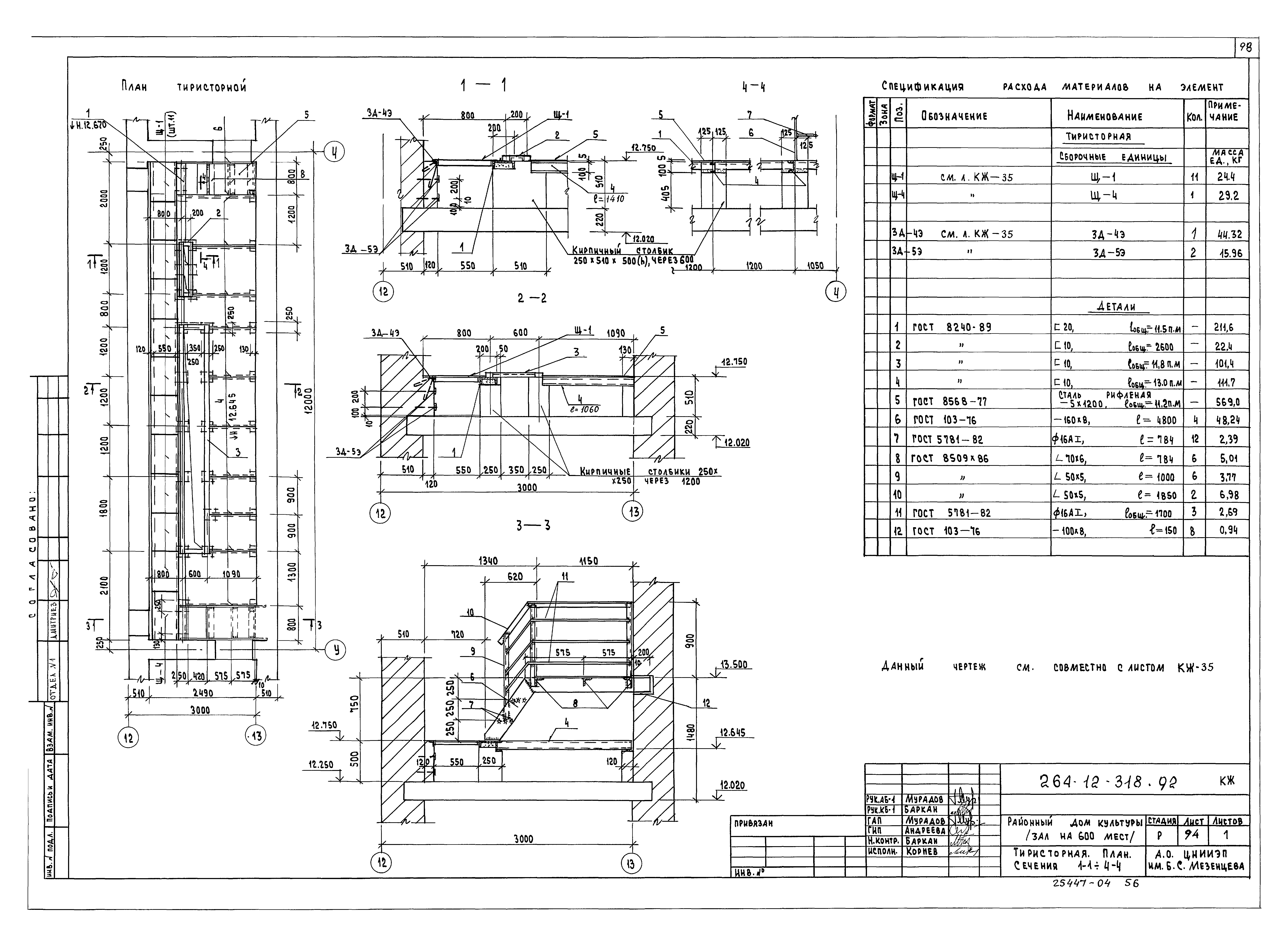
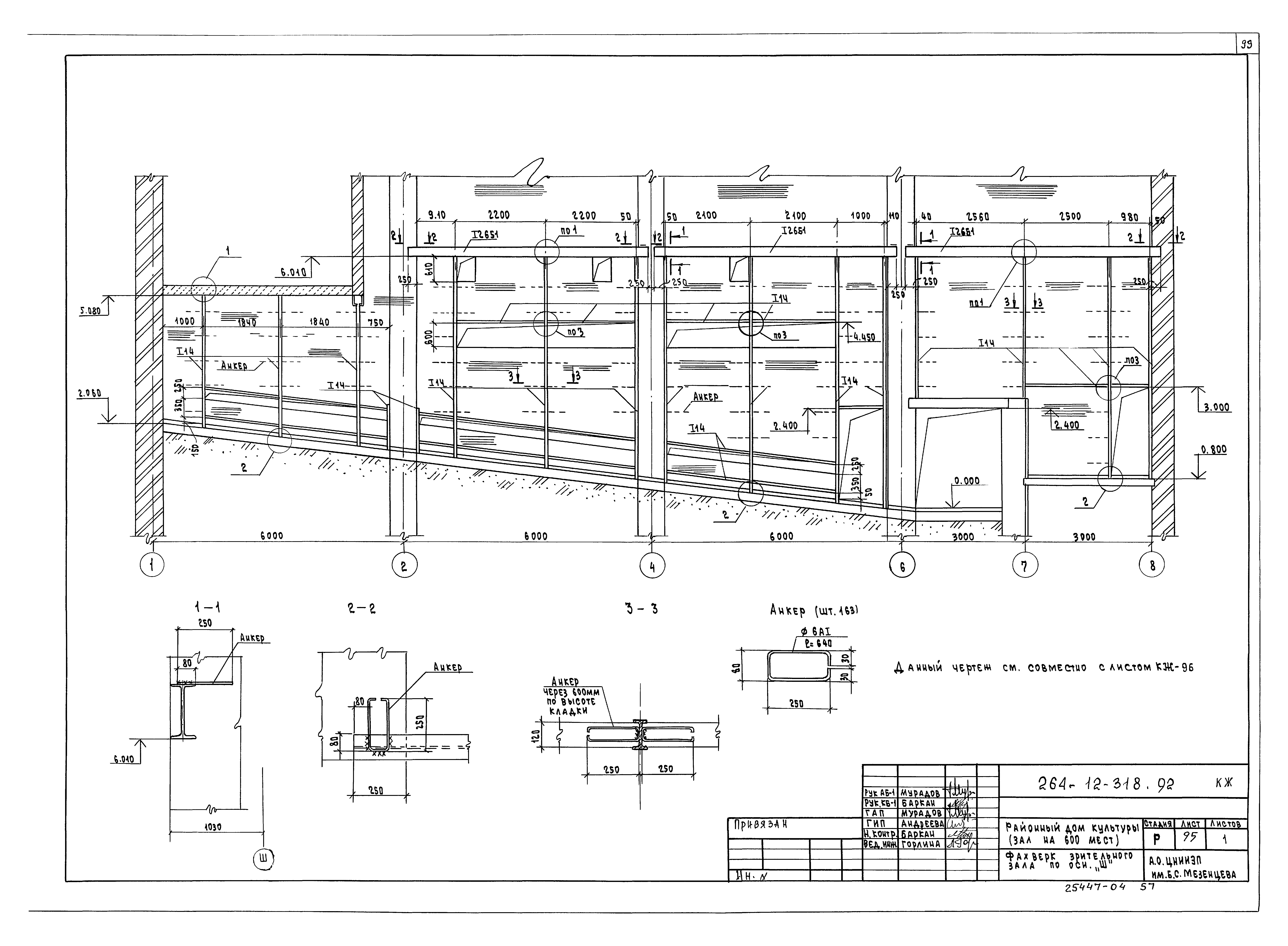
| Оглавление: | Конструкции железобетонные (продолжение) Зона 1. Схема каркаса на отм. 3.600 и 4.500. Спецификация Зона 1. Схема каркаса на отм. Покрытия. Развертки Зона 2. Порталы №№1 и 2. Монтажные схемы Зона 2. Монолитная железобетонная колонна МК-2. Опалубка и армирование Зоны 3 и 4. Схема балок на отм. 3.600. Спецификация Зоны 3 и 4. Узлы опирания балок на отм. 3.600 Зоны 1 - 4. Схема балок покрытия. Спецификация Зоны 1 - 4. Узлы балок покрытия Зона 1. План перекрытия на отм. 3.600; 4.500 Зона 1. План покрытия Зона 1. Сечения 7-7 - 11-11 Зона 2. План перекрытия на отм. 3.600; 4.550 и 4.450 Развертка стены кинопроекционной Зона 2. Планы перекрытий на отм. 8.700 и 12.750. Сечения 1-1 и 2-2 Зона 2. План покрытия на отм. 6.580; 10.000; 15.630; 20.200 Зона 2. Покрытие. Сечения 1-1 - 5-5 Зона 2. Монолитные железобетонные участки перекрытий УМ-24 - УМ-27. Сечения 1-1 - 8-8 Зона 2. Монолитные железобетонные участки перекрытий УМ-28, УМ-29. Сечения Зона 2. Монолитные железобетонные участки перекрытий УМ-30 - УМ-32, УМ-44, УМ-45 Зона 2. Опорные плиты ОМ-2, ОМ-3. Ведомость расхода стали на УМ-24 - УМ-32 Зона 2. Сечения по перекрытию и подпольный желоб на отм. 5.450 Зона 3. Гребенка зала в осях "14 - 17"; "У" - "Ш". Узлы Зона 3. Монолитная железобетонная балка на отм. 2.400 и опорная плита МОП-1 Зона 3. План перекрытия на отм. 3.600 Зона 3. План покрытия Зона 4. План перекрытия на отм. 3.600 Зона 4. План покрытия Зоны 3 и 4. Сечения по перекрытиям Зоны 3 и 4. Монолитные железобетонные участки перекрытий УМ-33 - УМ-42 Лестницы №№1 - 3. Монтажные схемы Лестница №4. Монтажная схема. Спецификация на лестницы №1 - 4 Лестница №5. Сечения 1-1 - 4-4 Лестница №5. Узлы 1 - 3. Монолитные железобетонные площадки Лестница №6. Монтажная схема. Сечения 1-1 - 5-5 Лестница №6. Сечение 6-6 Лестница №7. Монтажные схемы. Сечения 1-1 - 5-5 Лестница №7. Сечение 6-6. Узлы и детали Развертка стены по оси "Ш" в осях "8 - 12". Узлы с "А" - "Д". Лестницы площадки №3 Лестница №8. Опалубочно-арматурный чертеж. Сечения с 1-1 по 10-10. Узел 1 Лестница №8. Сечения 11-11, 12-12, ЗД-1, ЗД-2. Арматурные изделия. Спецификация Лифт №1. Планы, разрезы. Узлы I, II, III. Спецификация Лифт №1. Развертки стен. Данные для заказа лифтов №№1, 2. Спецификация на лифт №2 Лифт №2. Планы, разрезы, развертки стен Лифты №1, 2. Закладные детали Лифт №3. Планы, разрезы, развертки стен. Данные для заказа лифта №3 Лифт №3. Закладные детали. Спецификация Зона 2. Опорные плиты ОМ-2, ОМ-3. Арматурные изделия, закладные детали Планшет сцены. План. Сечения 1-1 - 4-4 Планшет сцены. Сечения 5-5 - 14-14 План раскладки щитов оркестровой ямы и кожухов рампы. Конструкция барьера оркестровой ямы Деревянные щиты ИД-1 - ИД-5, ИД-9 Деревянные щиты ИД-6 - ИД-8 Развертка стены киноэкрана по оси 14 в осях "У - Ш" Тиристорная. План. Сечения 1-1 - 4-4 Фахверк зрительного зала по оси "Ш" Фахверк зрительного зала по оси "С". Спецификация Ведомость типов перемычек Спецификация перемычек |
| Разработан: | ЦНИИЭП им. Б.С. Мезенцева Госкомархитектуры |
| Утверждён: | 29.11.1991 Госкомархитектура (2-129) |



























































