Скачать Типовой проект 264-12-318.92 Альбом 6. Пояснительная записка. Автоматизация сантехустройствДата актуализации: 01.01.2021
|
| Обозначение: | Типовой проект 264-12-318.92 |
| Обозначение англ: | 264-12-318.92 |
| Статус: | не определен законодательством |
| Название рус.: | Альбом 6. Пояснительная записка. Автоматизация сантехустройств |
| Дата добавления в базу: | 01.10.2014 |
| Дата актуализации: | 01.01.2021 |
| Дата введения: | 17.09.1992 |
| Дата окончания срока действия: | 30.06.2003 |
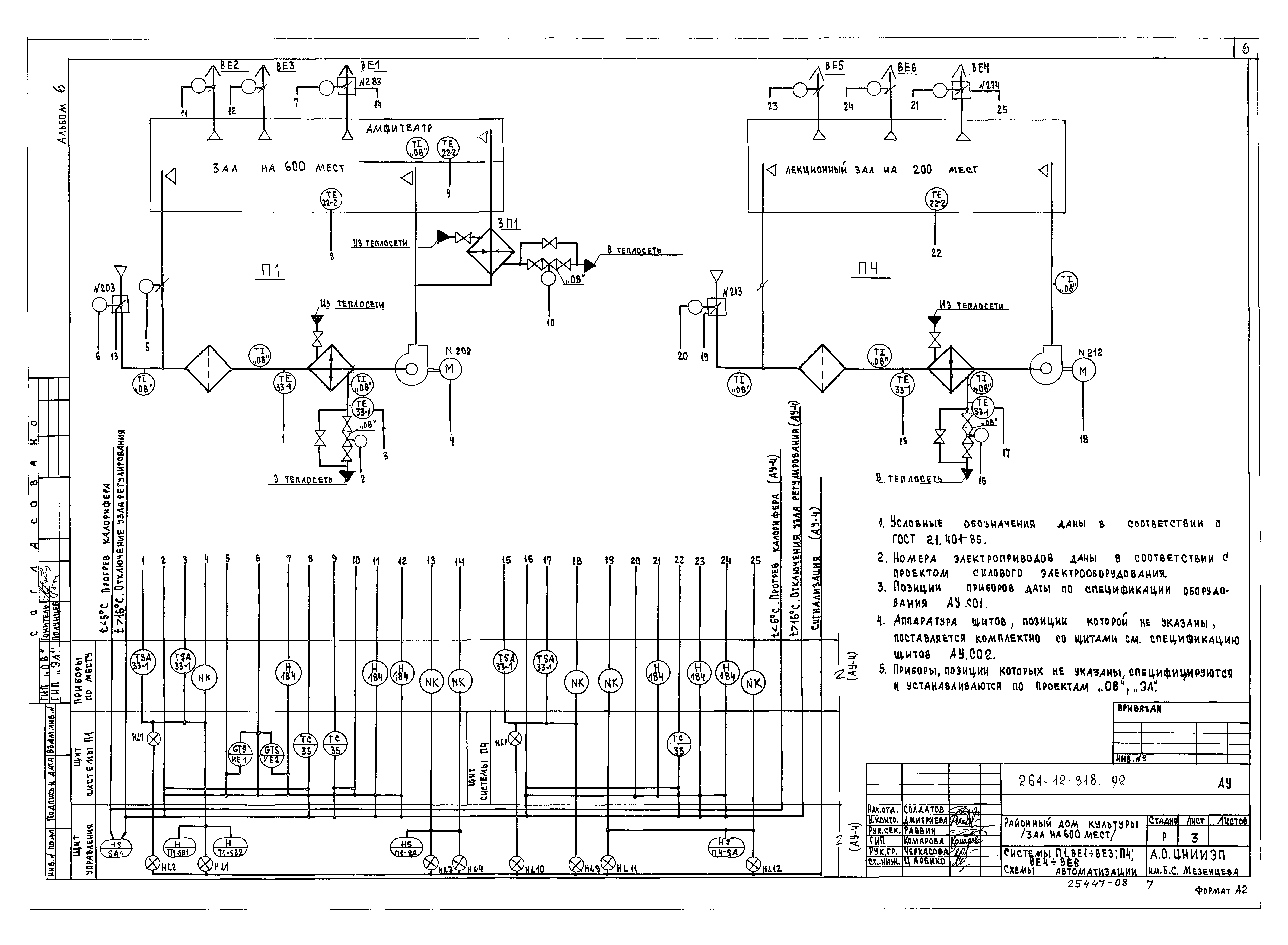
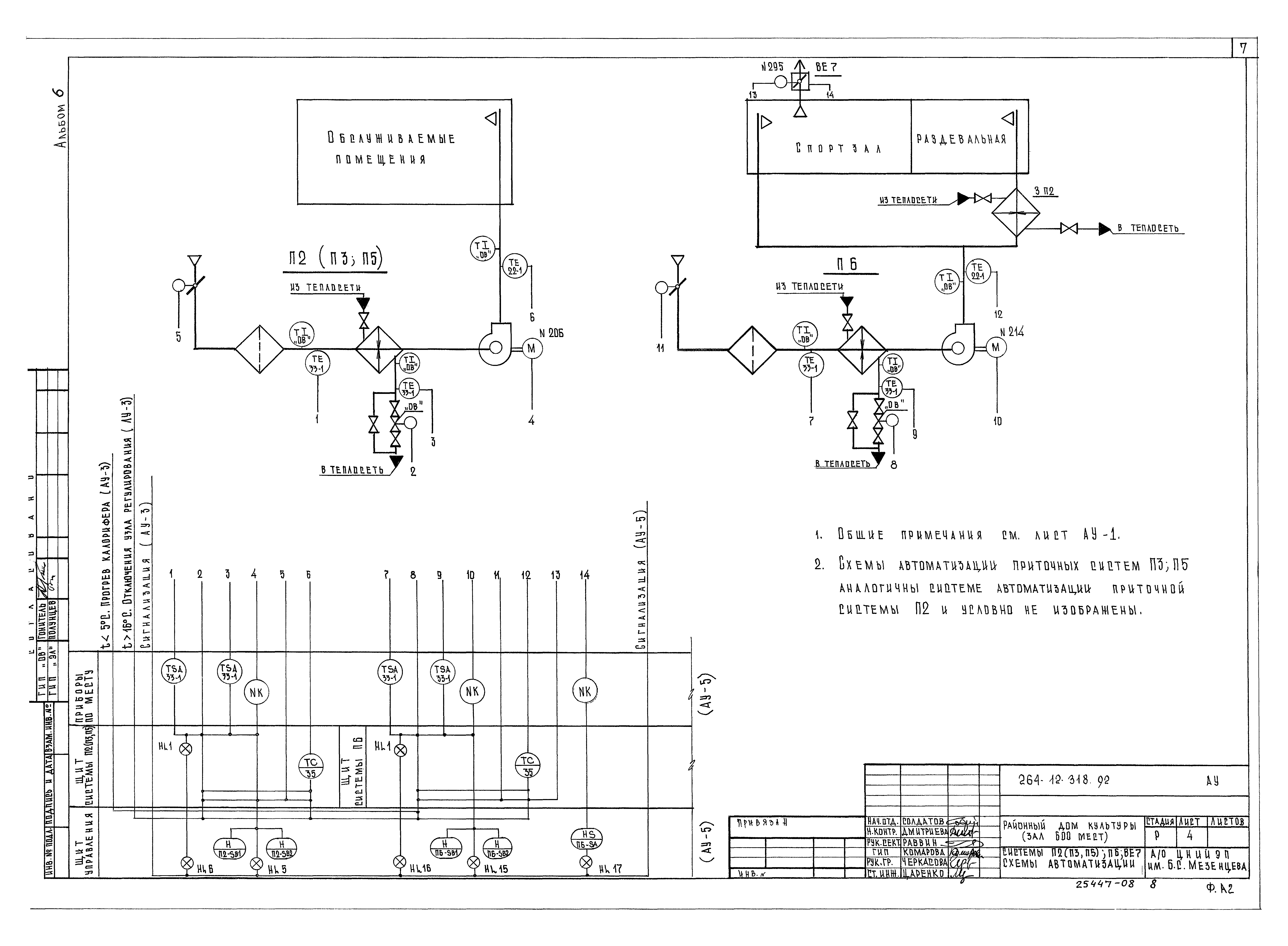
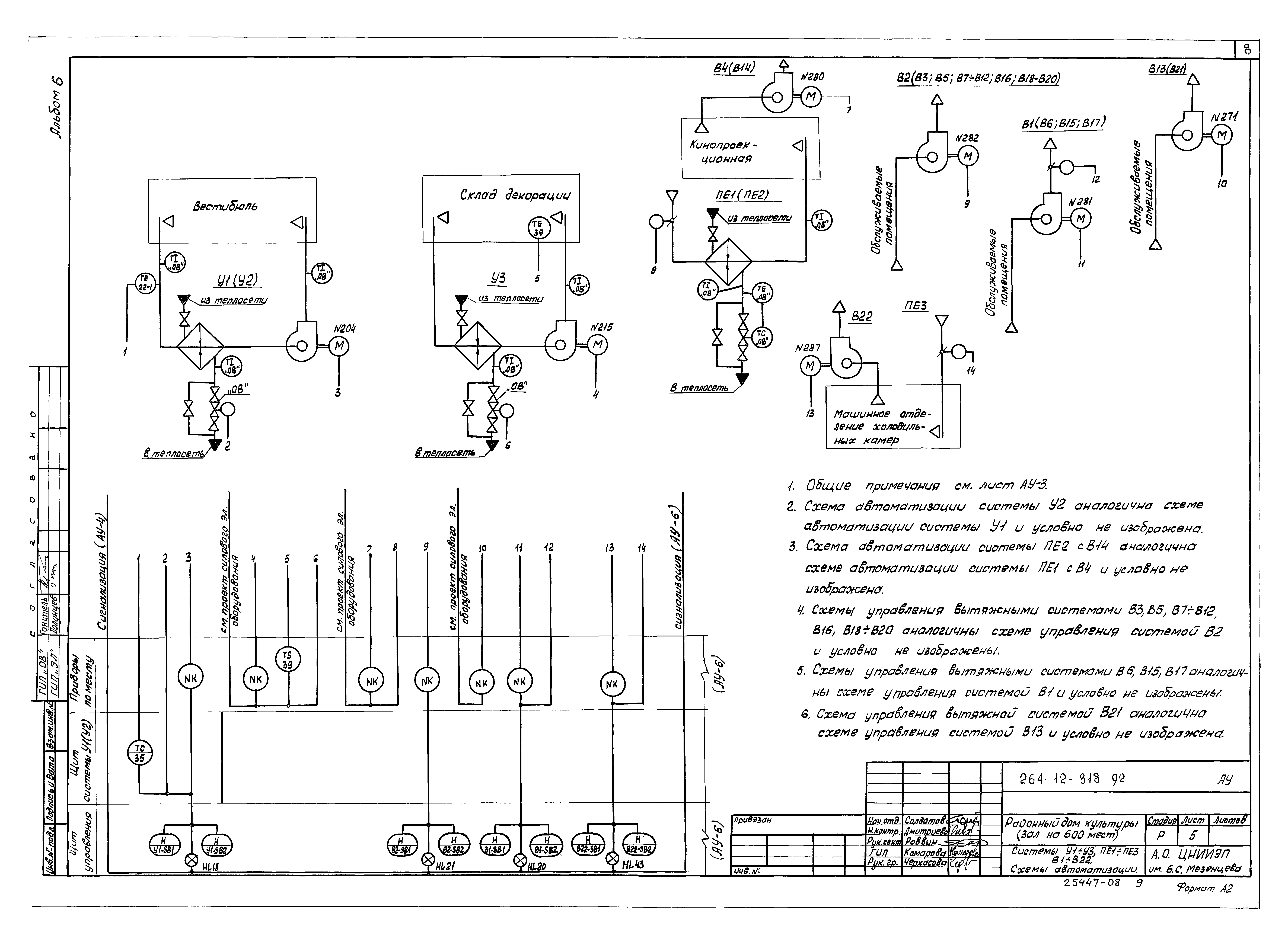
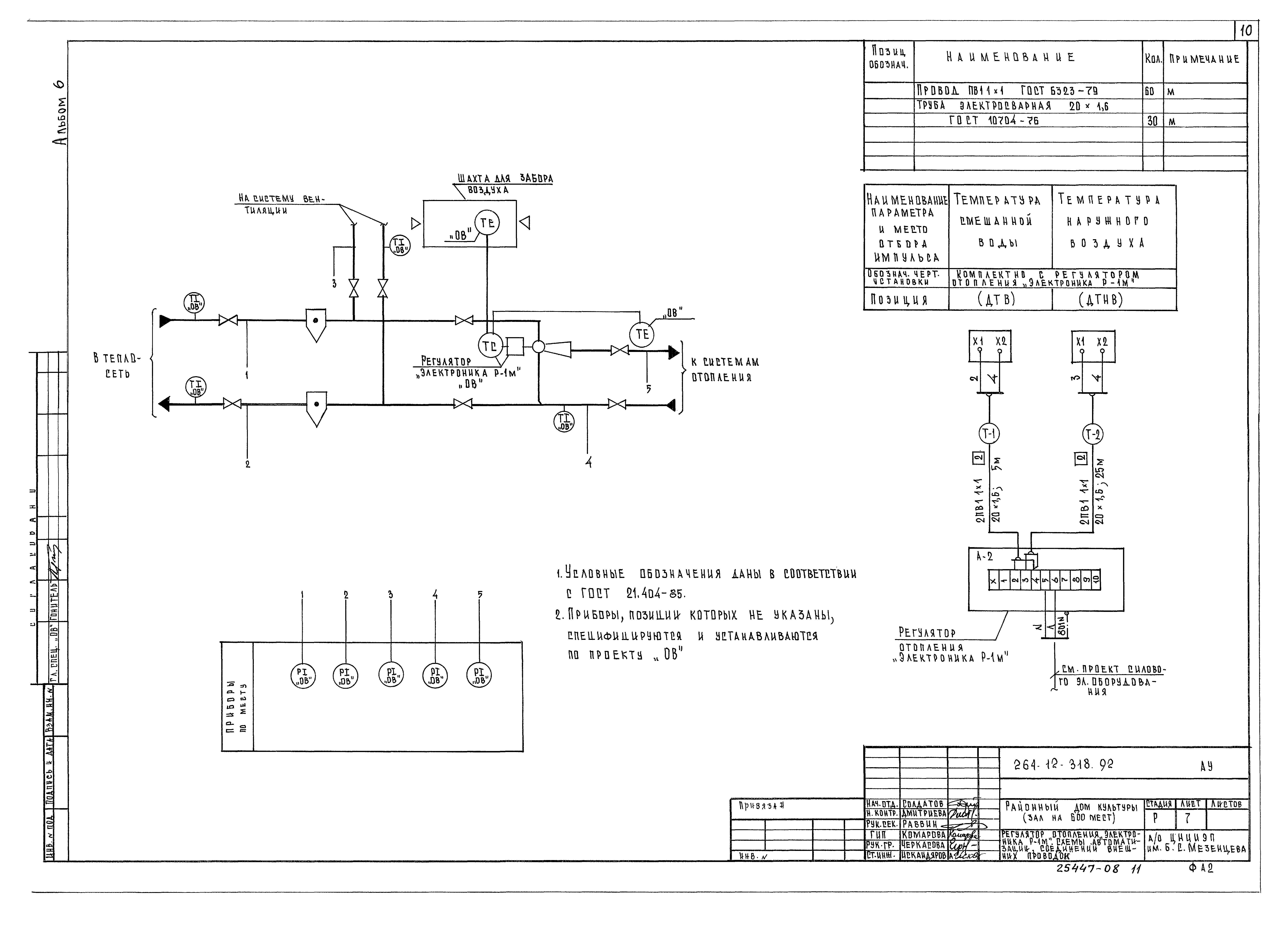
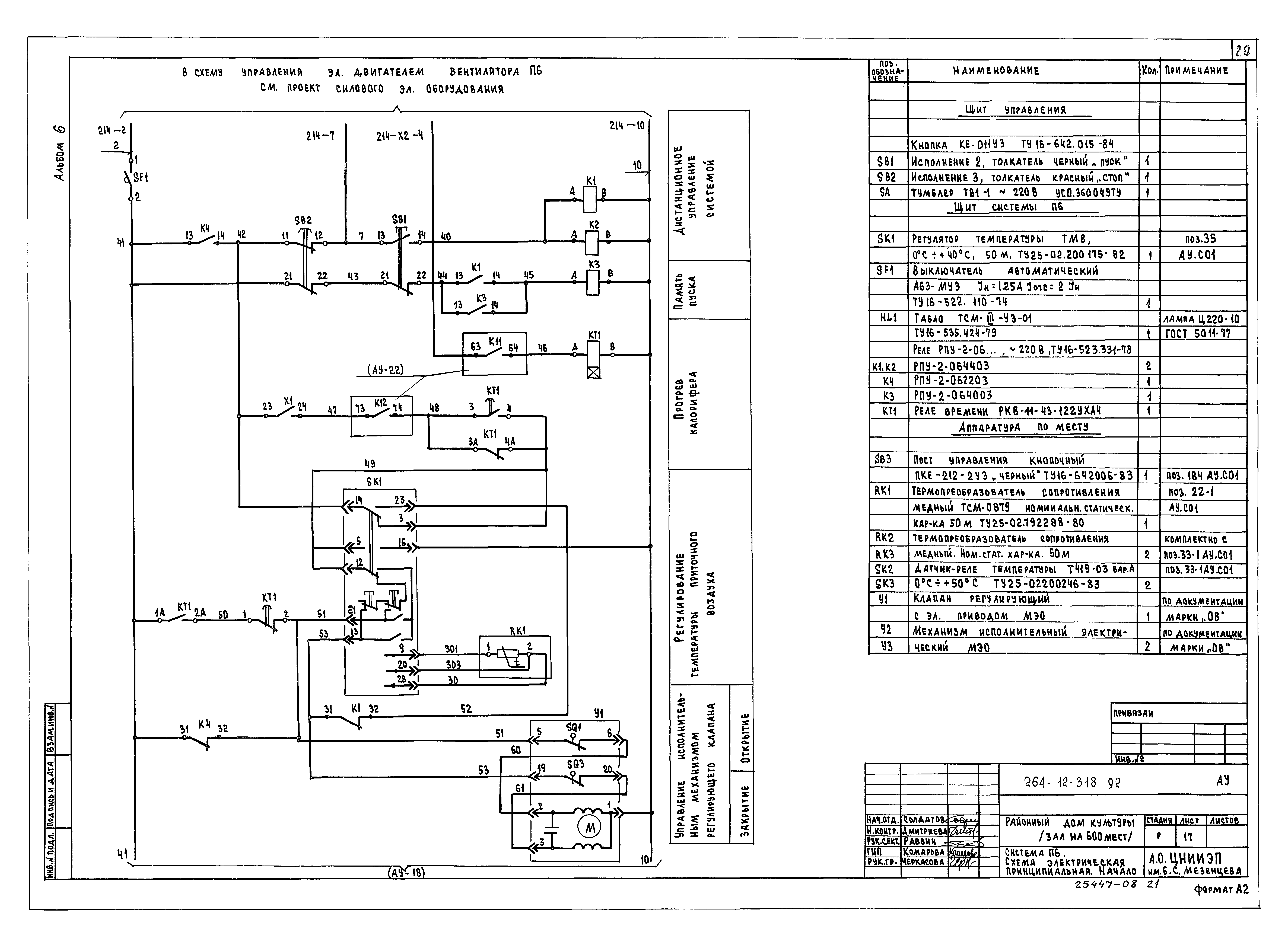
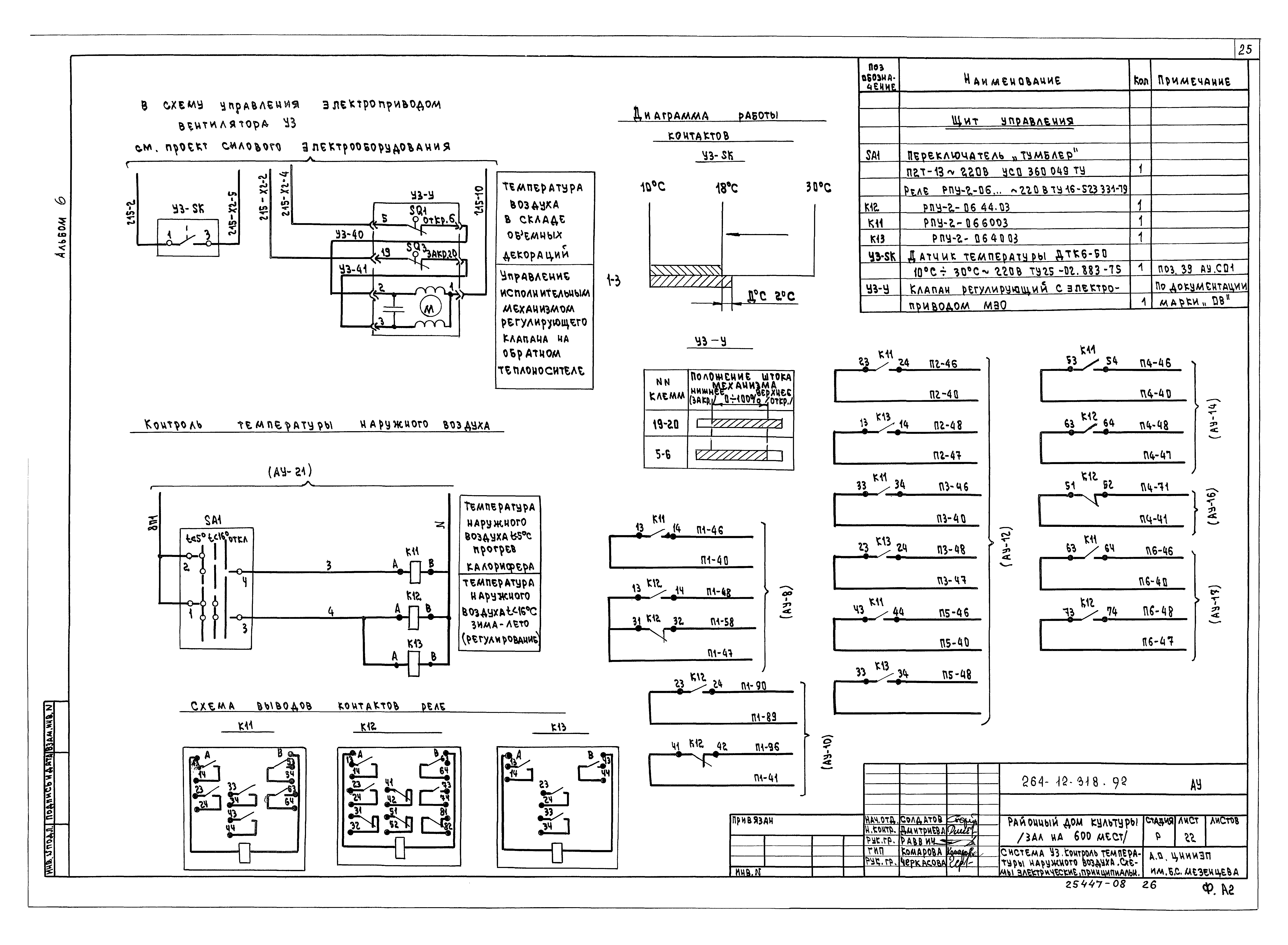
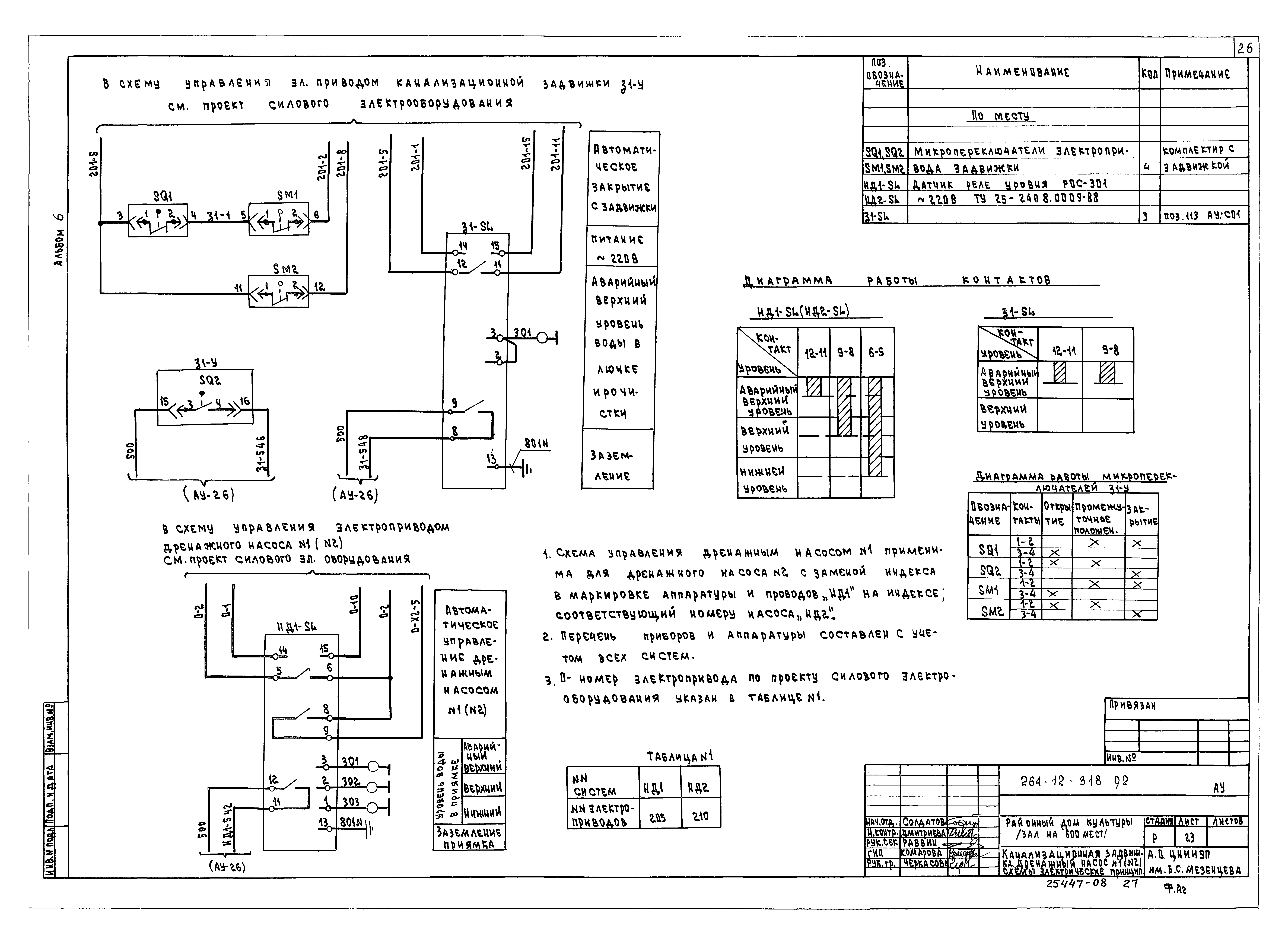
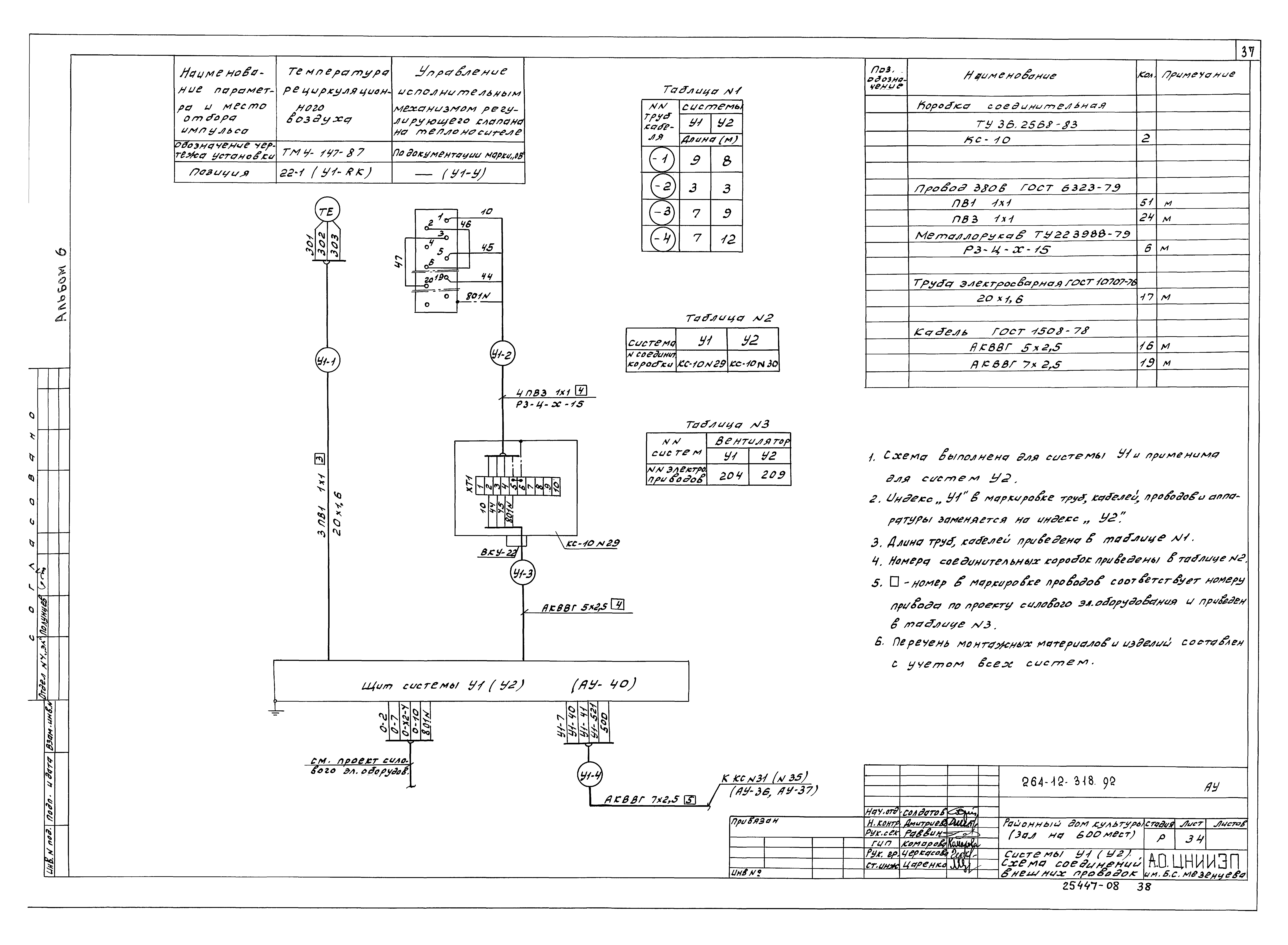
| Оглавление: | Пояснительная записка Общие данные Системы П1, ВЕ1 - ВЕ3, П4, ВЕ4 - ВЕ6. Схемы автоматизации Системы П2 (П3, П5), П6, ВЕ7. Схемы автоматизации Системы У1 - У3, ПЕ1 - ПЕ3, В1 - В22. Схемы автоматизации Холодильная машина. Дренажный насос. Канализационная задвижка. Схемы автоматизации Регулятор отопления "Электроника Р-1М". Схемы автоматизации, соединений внешних проводок Система П1. Схема электрическая принципиальная Система П2 (П3, П5). Схема электрическая принципиальная Система П4. Схема электрическая принципиальная Система П6. Схема электрическая принципиальная Система У1 (У2). Схема электрическая принципиальная Системы В1, В4, В6, В14, В15, В17, В22. Схемы электрические принципиальные Системы В2, В3, В5, В7 - В12, В16, В18 - В20. Электропитание. Схемы электрические принципиальные Система У3. Контроль температуры наружного воздуха. Схемы электрические принципиальные Канализационная задвижка. Дренажный насос №1 (№2). Схемы электрические принципиальные Щит управления. Сигнализация. Схема электрическая принципиальная Щит системы П1. Схема соединений внешних проводок Щит системы П2 (П3, П5). Схема соединений внешних проводок Щит системы П4. Схема соединений внешних проводок Щит системы П6. Схема соединений внешних проводок Щит системы У1 (У2). Схема соединений внешних проводок Дренажный насос №1 (№2). Системы В1, В6, В15, В17. Схемы соединений внешних проводок Щит управления. Схема соединений внешних проводок Холодильная машина №1. Тип МВВЧ-1-2. Схема соединений внешних проводок Щиты систем П1, П2 (П3, П5). Схемы подключения внешних проводок Щиты систем П4, П6, У1 (У2). Схемы подключения внешних проводок Щит управления. Схема подключения внешних проводок Зона "1". Венткамера №1. План расположения Зона "1". Подвал. План расположения Зона "2". Подвал. План расположения Зона "2". Фрагменты планов 1-го, 2-го этажей. Планы расположения Зона "3". Венткамера №2. Фрагмент плана на отм. 3.600. Планы расположения Зона "3". Подвал. План расположения Зона "4". Подвал. Пищевые холодильные камеры. Планы расположения Зона "4". Фрагменты планов на отм. 0.000; 3.600. Планы расположения |
| Разработан: | ЦНИИЭП им. Б.С. Мезенцева Госкомархитектуры |
| Утверждён: | 29.11.1991 Госкомархитектура (2-129) |




















































