Скачать Типовой проект 264-12-318.92 Альбом 11. Электромонтажные изделияДата актуализации: 01.01.2021
|
| Обозначение: | Типовой проект 264-12-318.92 |
| Обозначение англ: | 264-12-318.92 |
| Статус: | не определен законодательством |
| Название рус.: | Альбом 11. Электромонтажные изделия |
| Дата добавления в базу: | 01.10.2014 |
| Дата актуализации: | 01.01.2021 |
| Дата введения: | 17.09.1992 |
| Дата окончания срока действия: | 30.06.2003 |
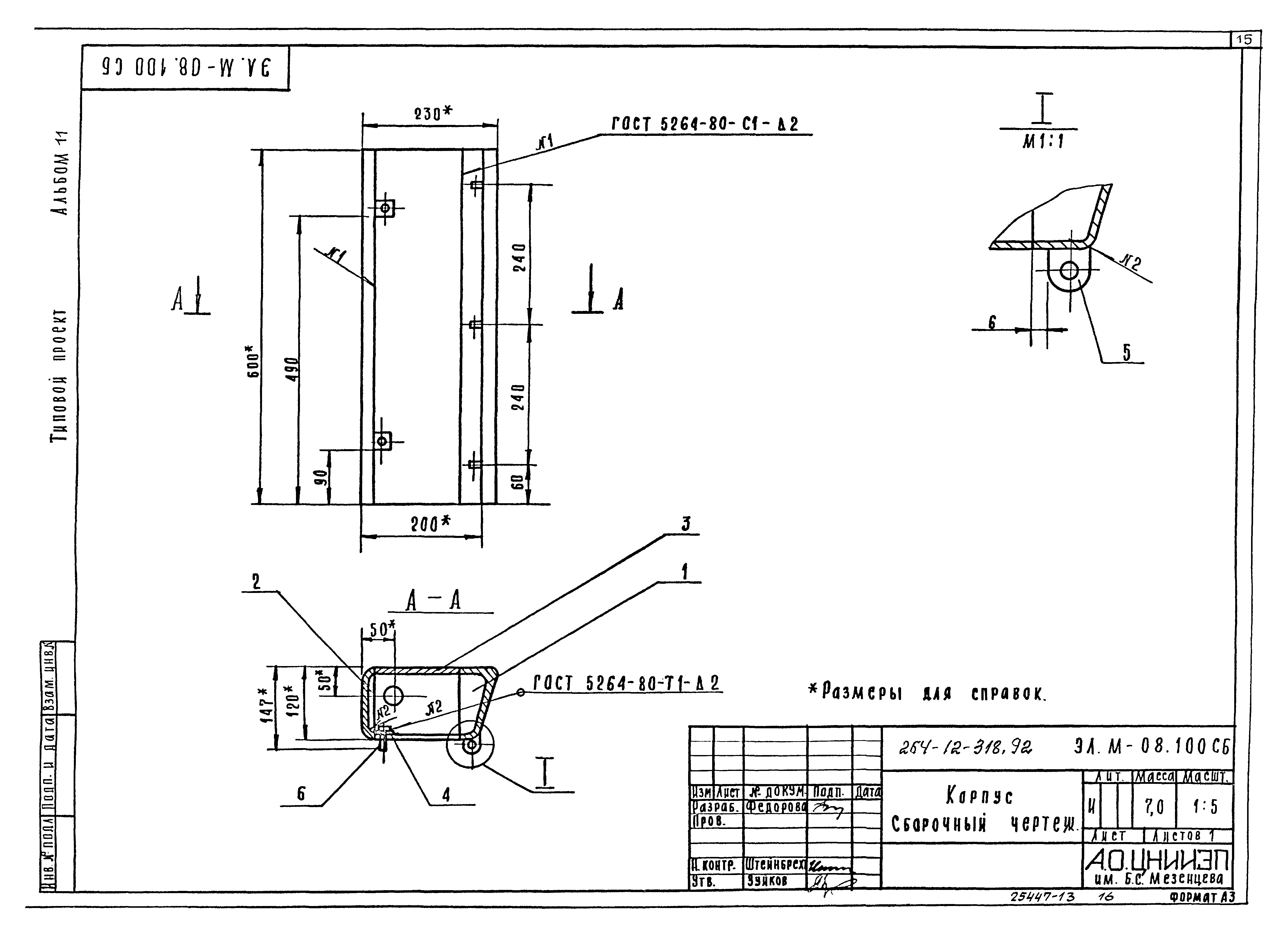
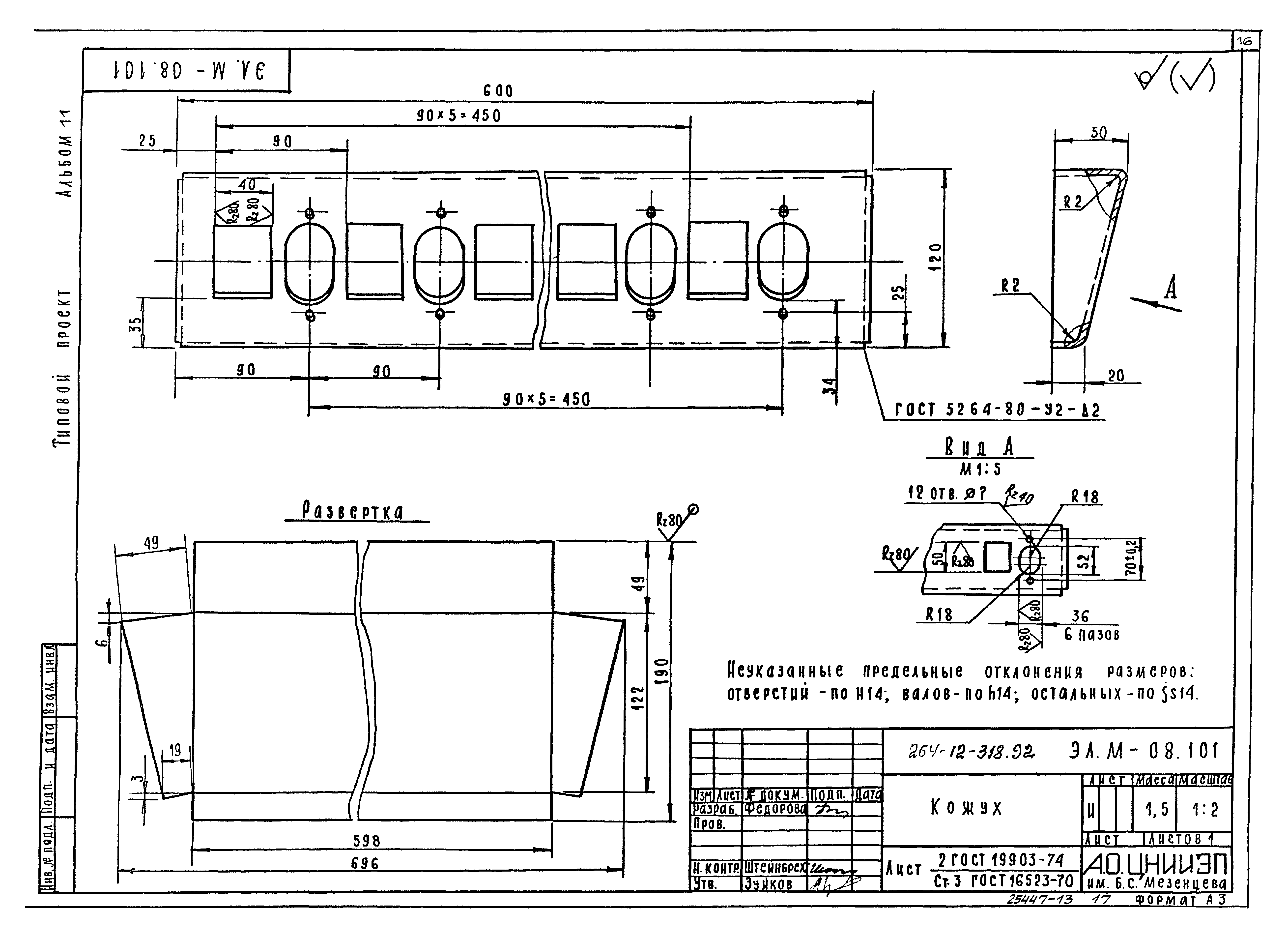
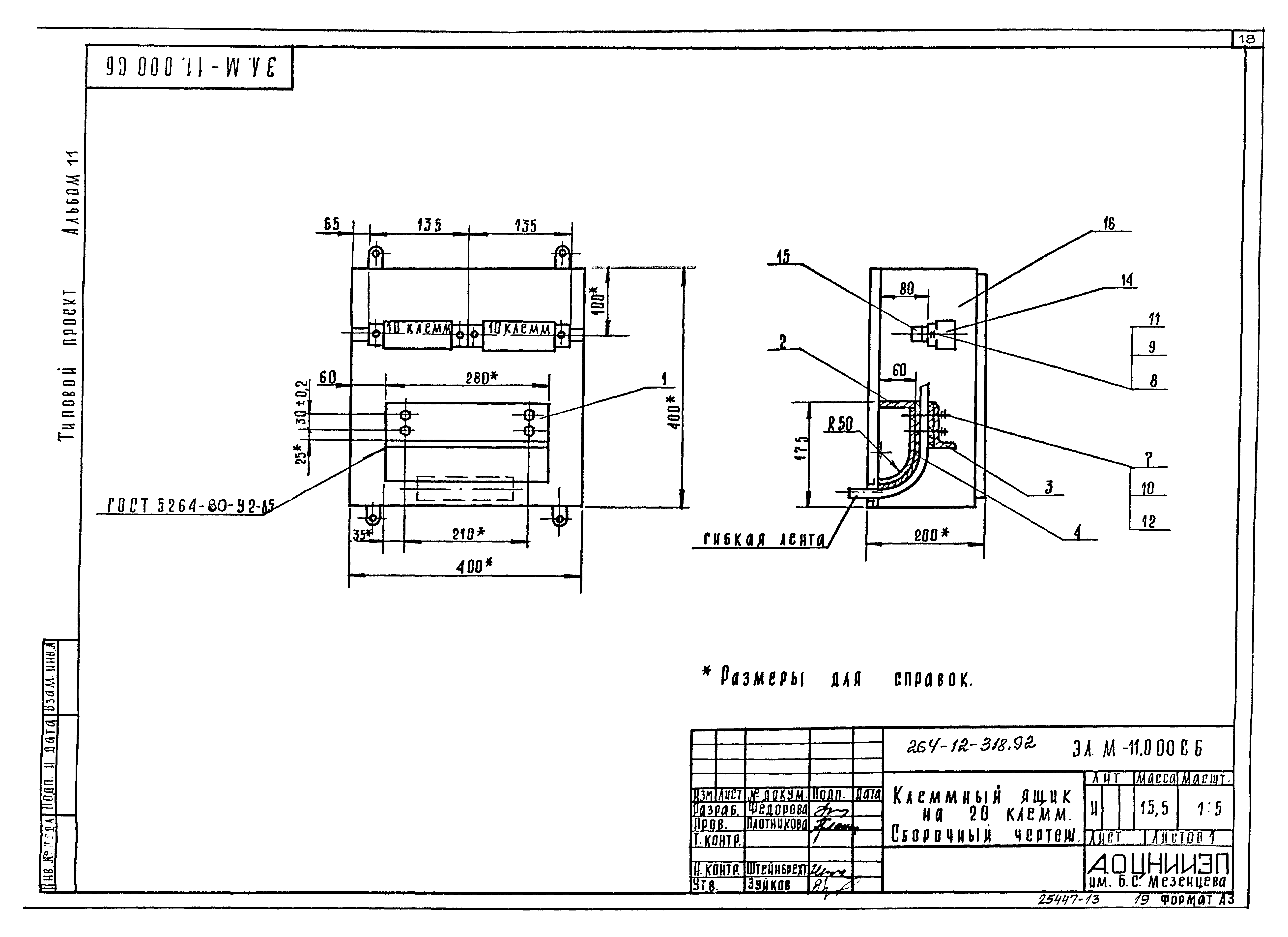
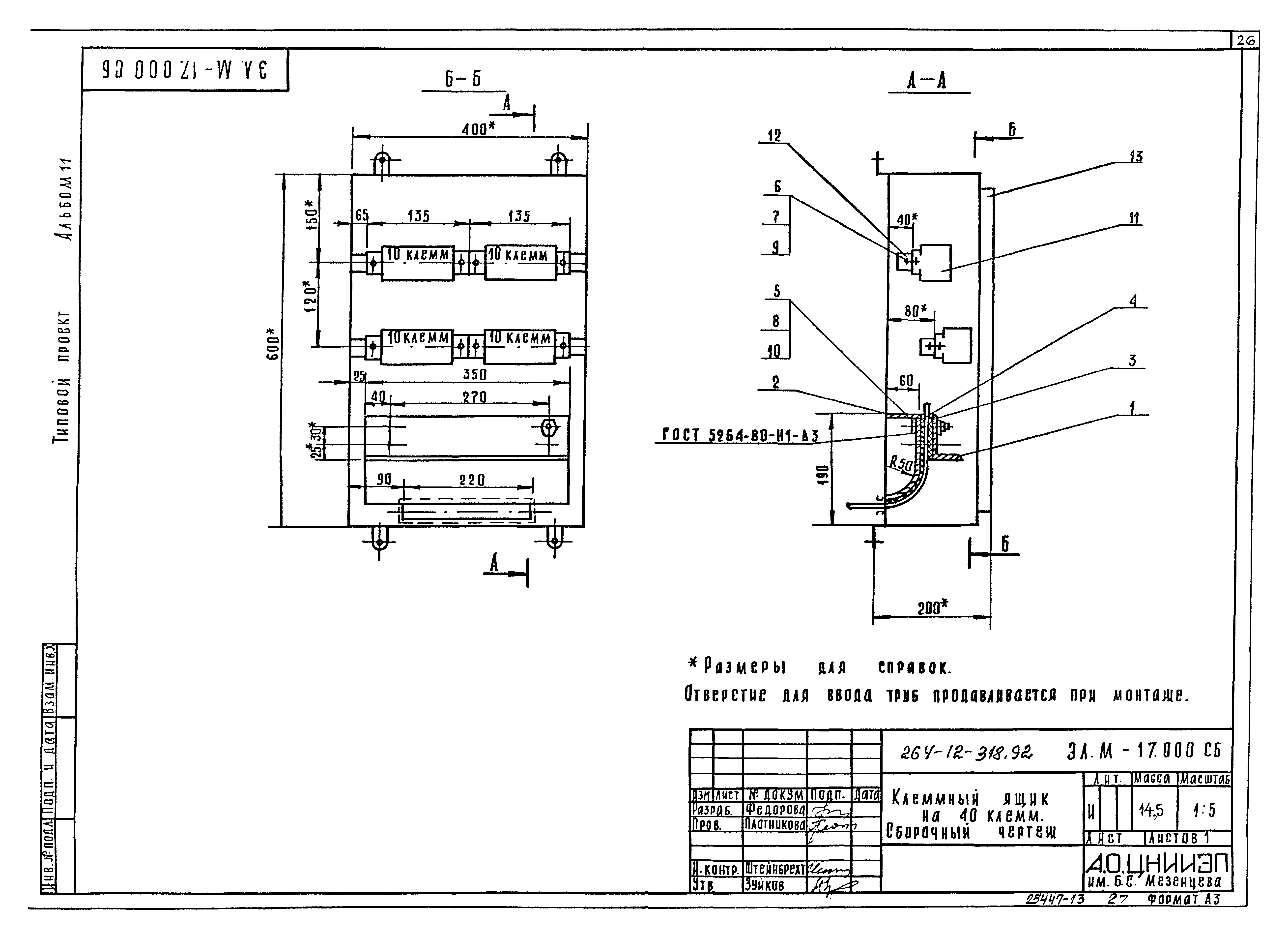
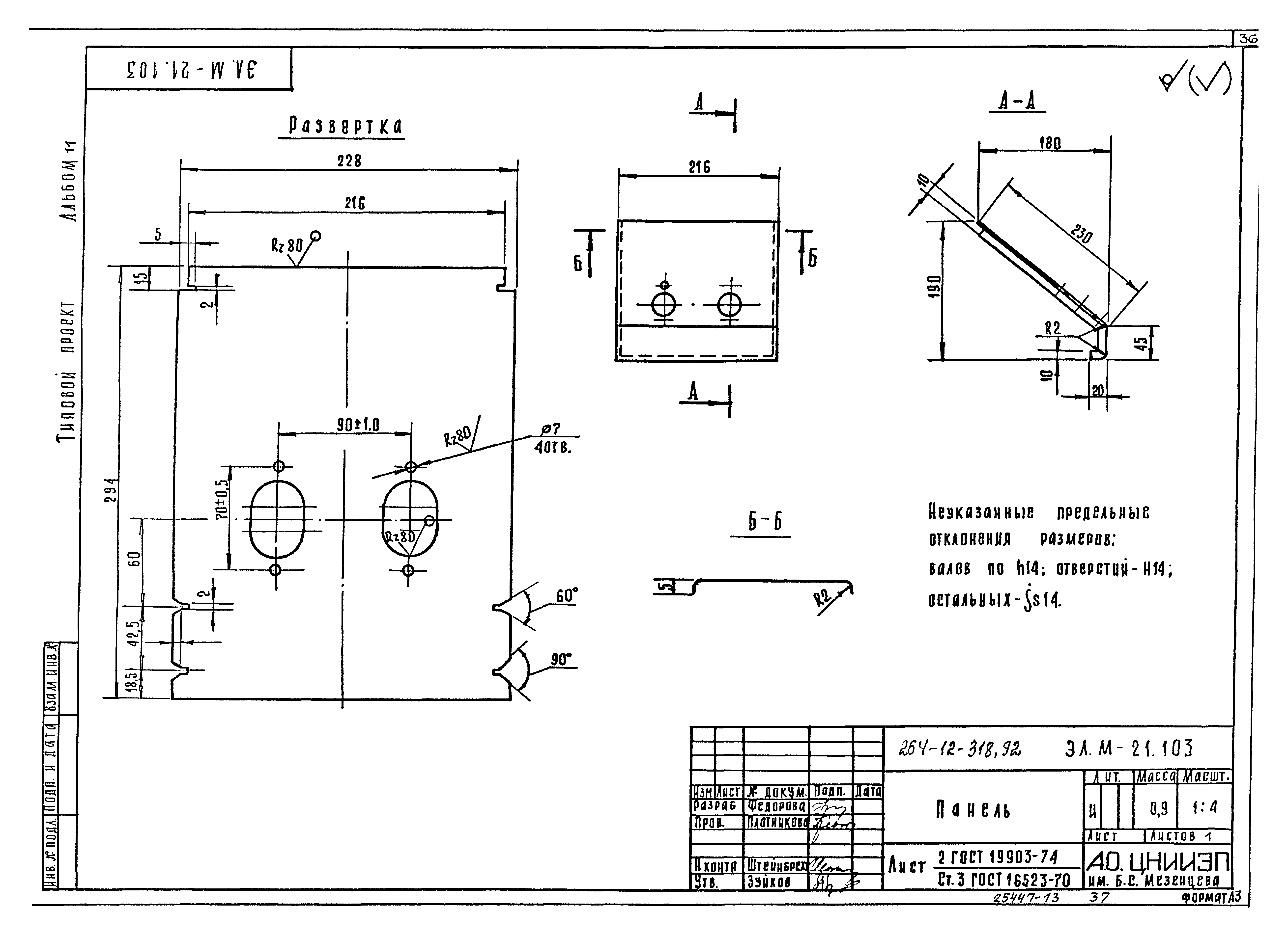
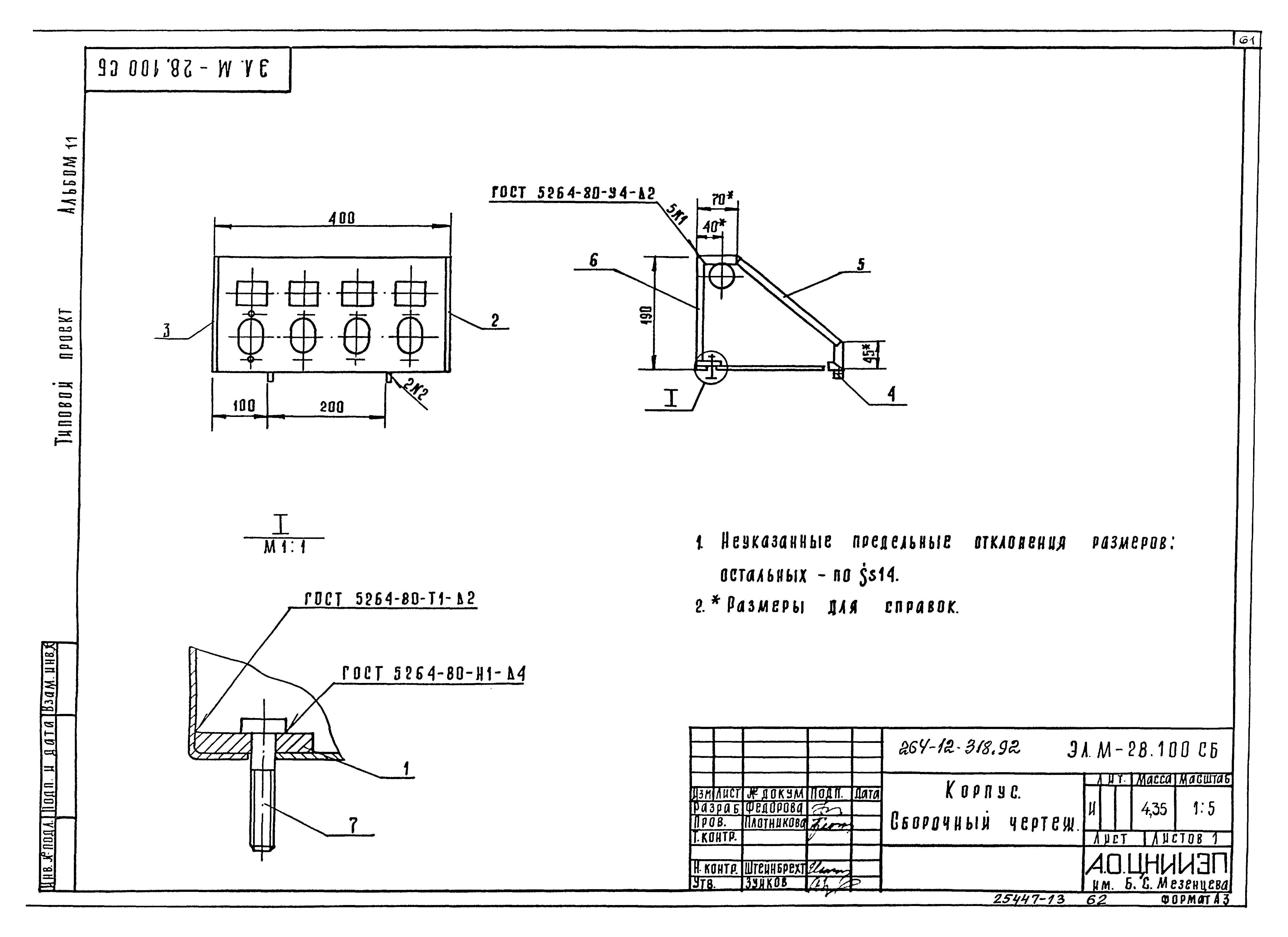
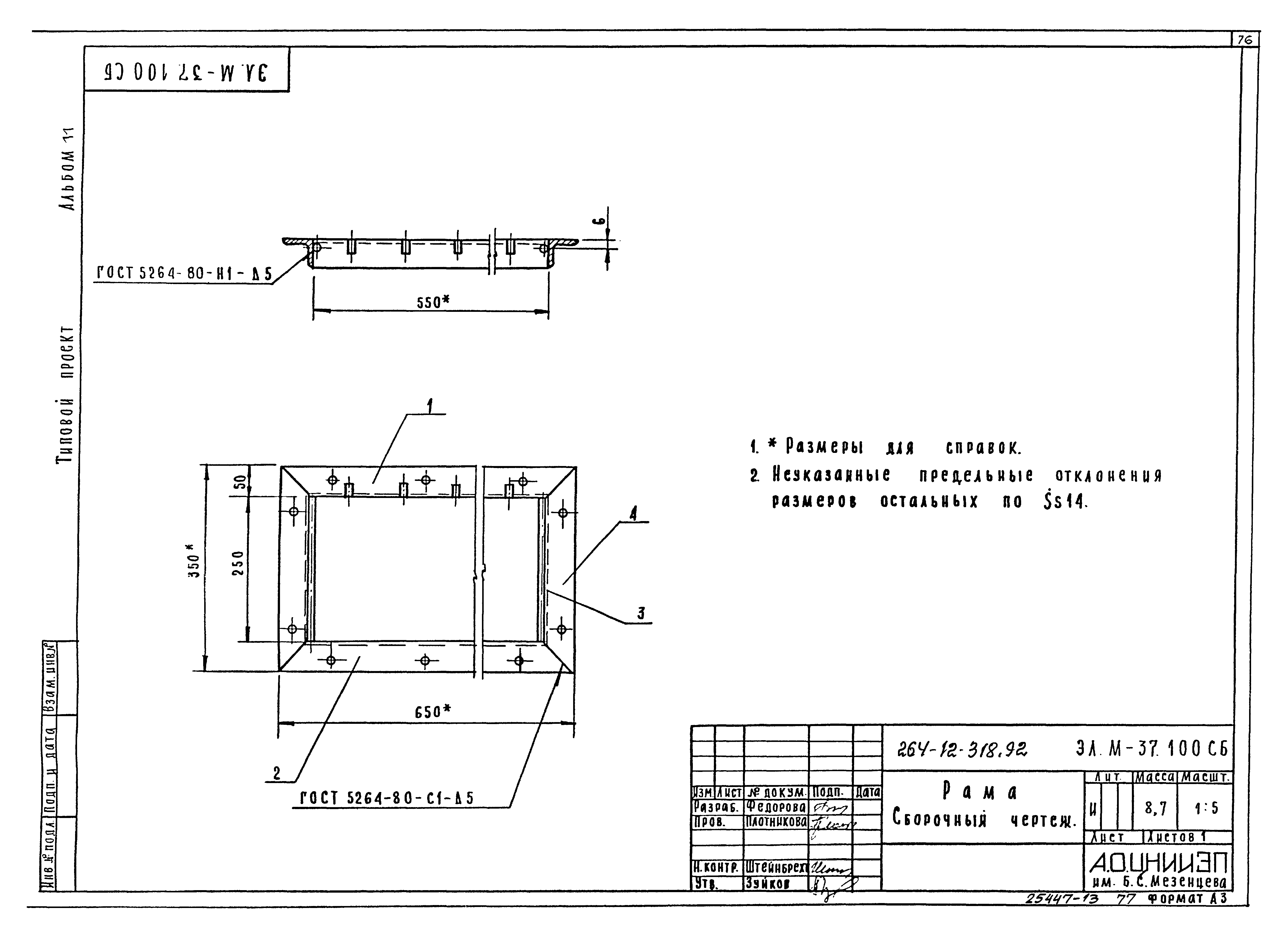
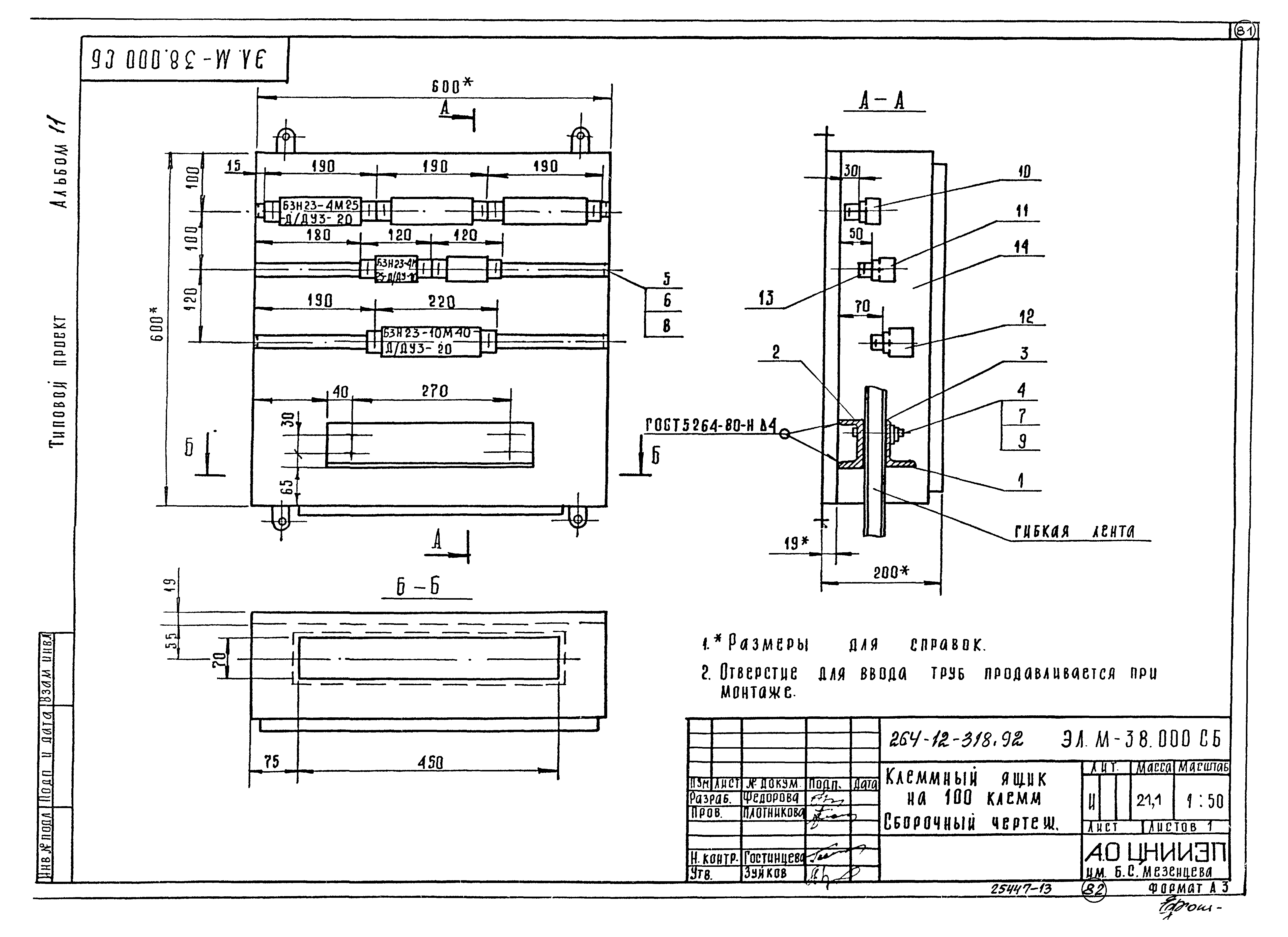
| Оглавление: | Содержание альбома ЭЛ.М-07.000 Штепсельная коробка ШКГ-4 ЭЛ.М-07.100 Корпус ЭЛ.М-07.000СБ Штепсельная коробка ШКГ-4. Сборочный чертеж ЭЛ.М-07.100СБ Корпус. Сборочный чертеж ЭЛ.М-07.101 Кожух ЭЛ.М-06.102 Стенка левая ЭЛ.М-06.001 Дверца ЭЛ.М-06.002 Ушко ЭЛ.М-06.003 Ось ЭЛ.М-06.103 Стенка задняя ЭЛ.М-06.104 Планка запорная ЭЛ.М-22.001 Прижим ЭЛ.М-08.000 Штепсельная коробка ШКГ-6 ЭЛ.М-08.100 Корпус ЭЛ.М-08.000СБ Штепсельная коробка ШКГ-6. Сборочный чертеж ЭЛ.М-08.100СБ Корпус. Сборочный чертеж ЭЛ.М-08.101 Кожух ЭЛ.М-11.000 Клеммный ящик на 20 клемм ЭЛ.М-11.000СБ Клеммный ящик на 20 клемм. Сборочный чертеж ЭЛ.М-11.001 Планка ЭЛ.М-11.002 Скоба ЭЛ.М-12.000 Клеммный ящик на 20 клемм ЭЛ.М-12.001 Планка ЭЛ.М-12.000СБ Клеммный ящик на 20 клемм. Сборочный чертеж ЭЛ.М-16.000 Клеммный ящик на 40 клемм ЭЛ.М-16.000СБ Клеммный ящик на 40 клемм. Сборочный чертеж ЭЛ.М-16.001 Планка ЭЛ.М-16.002 Планка ЭЛ.М-17.000 Клеммный ящик на 40 клемм ЭЛ.М-17.001 Скоба ЭЛ.М-17.000СБ Клеммный ящик на 40 клемм. Сборочный чертеж ЭЛ.М-19.000 Штепсельная коробка 1ЯПКР ЭЛ.М-19.001 Скоба ЭЛ.М-19.000СБ Штепсельная коробка 1ЯПКР. Сборочный чертеж ЭЛ.М-20.000 Кронштейн для крепления трансформатора ЭЛ.М-20.001 Косынка ЭЛ.М-20.000СБ Кронштейн для крепления трансформатора. Сборочный чертеж ЭЛ.М-21.000 Коробка штепсельная КШС-2 ЭЛ.М-21.100 Корпус ЭЛ.М-21.000СБ Коробка штепсельная КШС-2. Сборочный чертеж ЭЛ.М-21.100СБ Корпус. Сборочный чертеж ЭЛ.М-21.101 Стенка задняя ЭЛ.М-21.102 Стенка боковая ЭЛ.М-21.103 Панель ЭЛ.М-21.104 Ушко ЭЛ.М-21.201 Корыто ЭЛ.М-21.200 Крышка ЭЛ.М-21.200СБ Крышка. Сборочный чертеж ЭЛ.М-22.000 Кронштейн для установки клеммных ящиков ЭЛ.М-22.000СБ Кронштейн для установки клеммных ящиков. Сборочный чертеж ЭЛ.М-22.100 Металлоконструкция ЭЛ.М-22.100СБ Металлоконструкция. Сборочный чертеж ЭЛ.М-22.101 Укос ЭЛ.М-22.103 Консоль ЭЛ.М-25.000 Клеммный ящик на 20 клемм ЭЛ.М-29.000 Штепсельная коробка 2ЯПКР (3ЛПКР) ЭЛ.М-25.000СБ Клеммный ящик на 20 клемм. Сборочный чертеж ЭЛ.М-26.000 Лючок в планшете для штепсельной коробки 4ШТС-40 ЭЛ.М-26.100 Рама ЭЛ.М-26.000СБ Лючок в планшете для штепсельной коробки 4ШТС-40. Сборочный чертеж ЭЛ.М-26.100СБ Рама. Сборочный чертеж ЭЛ.М-26.101 Уголок ЭЛ.М-26.102 Уголок ЭЛ.М-26.103 Уголок ЭЛ.М-26.201 Крышка ЭЛ.М-26.200 Крышка ЭЛ.М-26.202 Петля ЭЛ.М-26.200СБ Крышка. Сборочный чертеж ЭЛ.М-27.000 Лючок в планшете для штепсельной коробки КР-3-25 ЭЛ.М-27.100 Рама ЭЛ.М-27.000СБ Лючок в планшете для штепсельной коробки КР-3-25. Сборочный чертеж ЭЛ.М-27.100СБ Рама. Сборочный чертеж ЭЛ.М-27.101 Уголок ЭЛ.М-27.102 Уголок ЭЛ.М-27.200 Крышка ЭЛ.М-27.200СБ Крышка. Сборочный чертеж ЭЛ.М-27.201 Крышка ЭЛ.М-27.202 Петля ЭЛ.М-28.000 Коробка штепсельная ШКП-4 ЭЛ.М-28.100 Корпус ЭЛ.М-28.000СБ Коробка штепсельная ШКП-4. Сборочный чертеж ЭЛ.М-28.100СБ Корпус. Сборочный чертеж ЭЛ.М-28.101 Панель ЭЛ.М-28.102 Стенка задняя ЭЛ.М-28.200 Крышка ЭЛ.М-28.201 Корыто ЭЛ.М-28.200СБ Крышка. Сборочный чертеж ЭЛ.М-29.000СБ Штепсельная коробка 2ЯПКР (3ЯПКР). Сборочный чертеж ЭЛ.М-36.000 Коробка штепсельная ШКП-6 ЭЛ.М-36.100 Корпус ЭЛ.М-36.000СБ Коробка штепсельная ШКП-6. Сборочный чертеж ЭЛ.М-36.100СБ Корпус. Сборочный чертеж ЭЛ.М-36.101 Панель ЭЛ.М-36.102 Стенка задняя ЭЛ.М-36.200 Крышка ЭЛ.М-36.201 Корыто ЭЛ.М-36.200СБ Крышка. Сборочный чертеж ЭЛ.М-37.000 Лючок в планшете для штепсельной коробки ШКП-6 ЭЛ.М-37.100 Рама ЭЛ.М-37.000СБ Лючок в планшете для штепсельной коробки ШКП-6. Сборочный чертеж ЭЛ.М-37.100СБ Рама. Сборочный чертеж ЭЛ.М-37.101 Уголок ЭЛ.М-37.102 Уголок ЭЛ.М-37.200 Крышка ЭЛ.М-37.201 Крышка ЭЛ.М-37.200СБ Крышка. Сборочный чертеж ЭЛ.М-38.000 Клеммный ящик на 100 клемм ЭЛ.М-38.000СБ Клеммный ящик на 100 клемм. Сборочный чертеж |
| Разработан: | ЦНИИЭП им. Б.С. Мезенцева Госкомархитектуры |
| Утверждён: | 29.11.1991 Госкомархитектура (2-129) |

















































































