Скачать Типовой проект 903-1-198 Альбом 4.2. Водоподготовительная установка. Автоматизация. Электротехническая часть. Связь и сигнализация (вариант установки котлов КВ-ГМ-100 и ДЕ-25-14ГМ)Дата актуализации: 01.01.2021
|
| Обозначение: | Типовой проект 903-1-198 |
| Обозначение англ: | 903-1-198 |
| Статус: | действует |
| Название рус.: | Альбом 4.2. Водоподготовительная установка. Автоматизация. Электротехническая часть. Связь и сигнализация (вариант установки котлов КВ-ГМ-100 и ДЕ-25-14ГМ) |
| Дата добавления в базу: | 01.10.2014 |
| Дата актуализации: | 01.01.2021 |
| Дата введения: | 01.01.1983 |
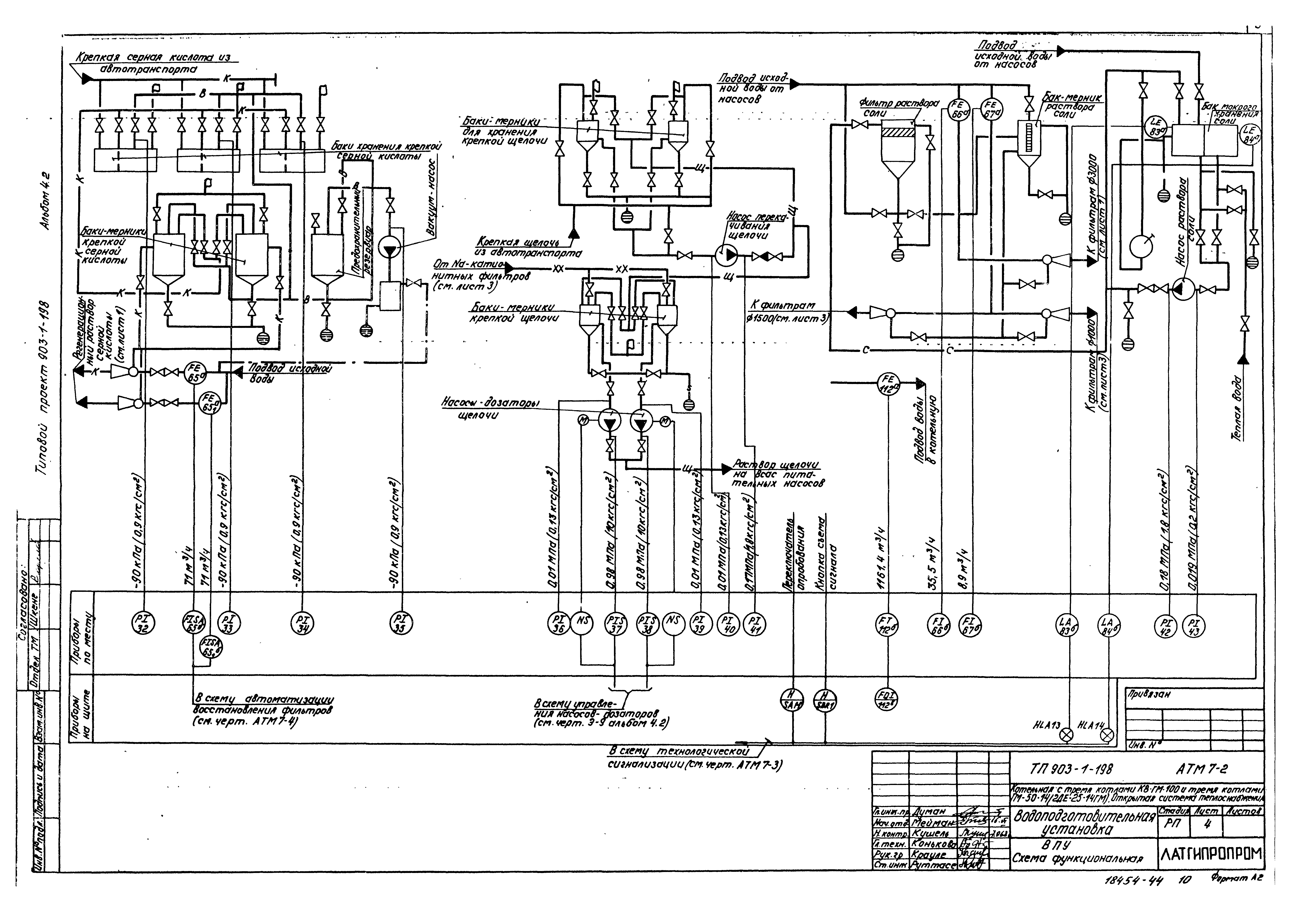
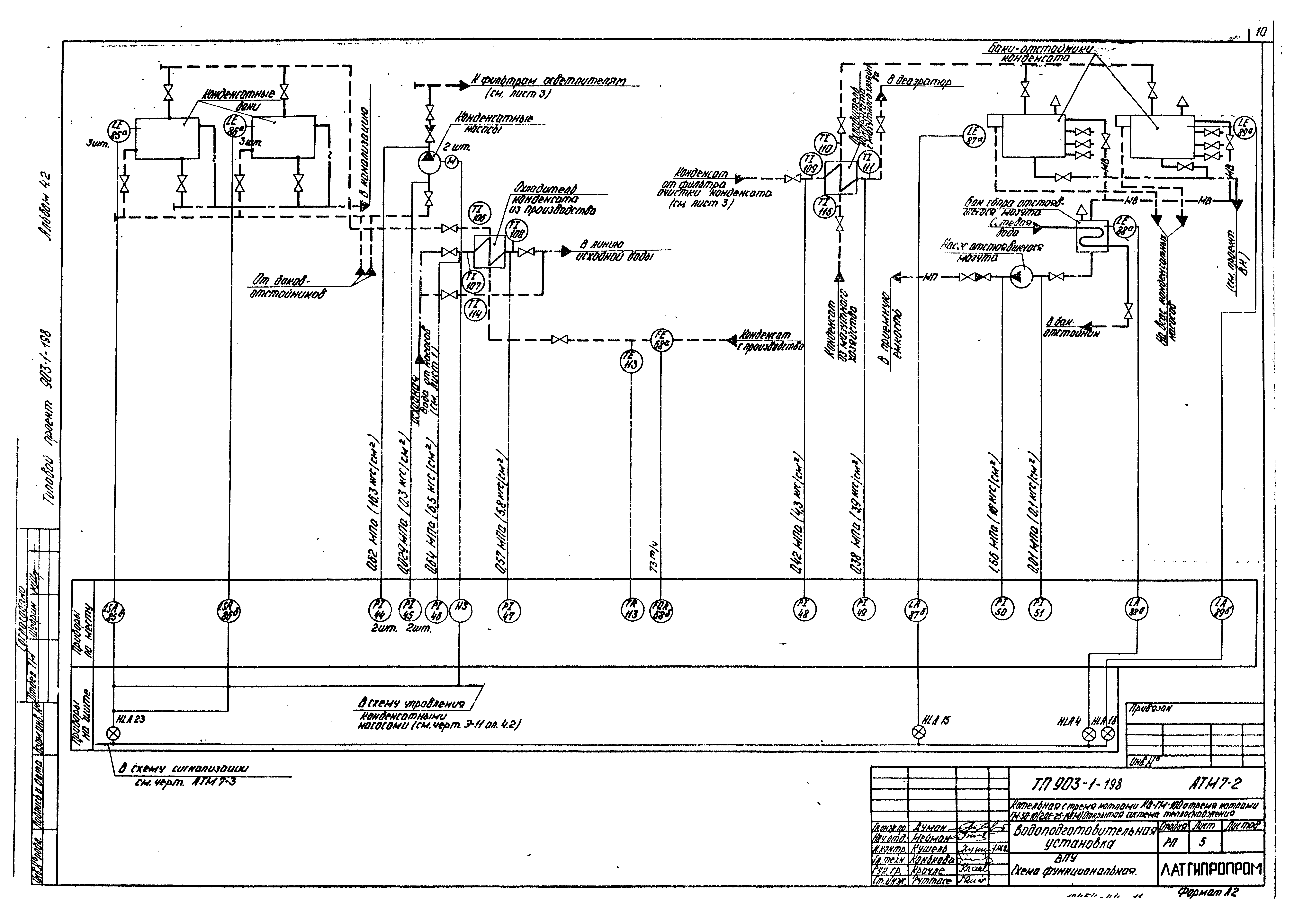
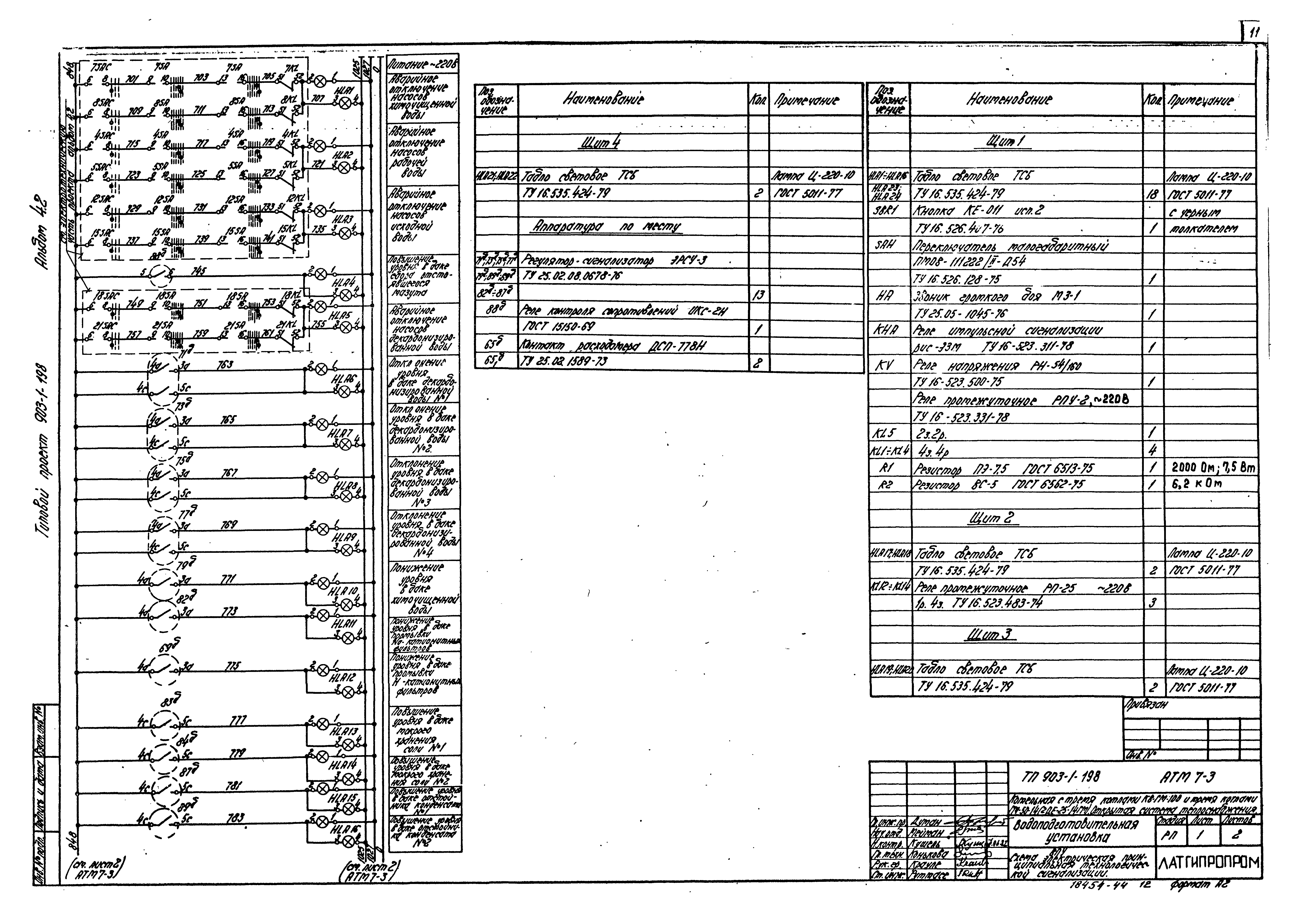
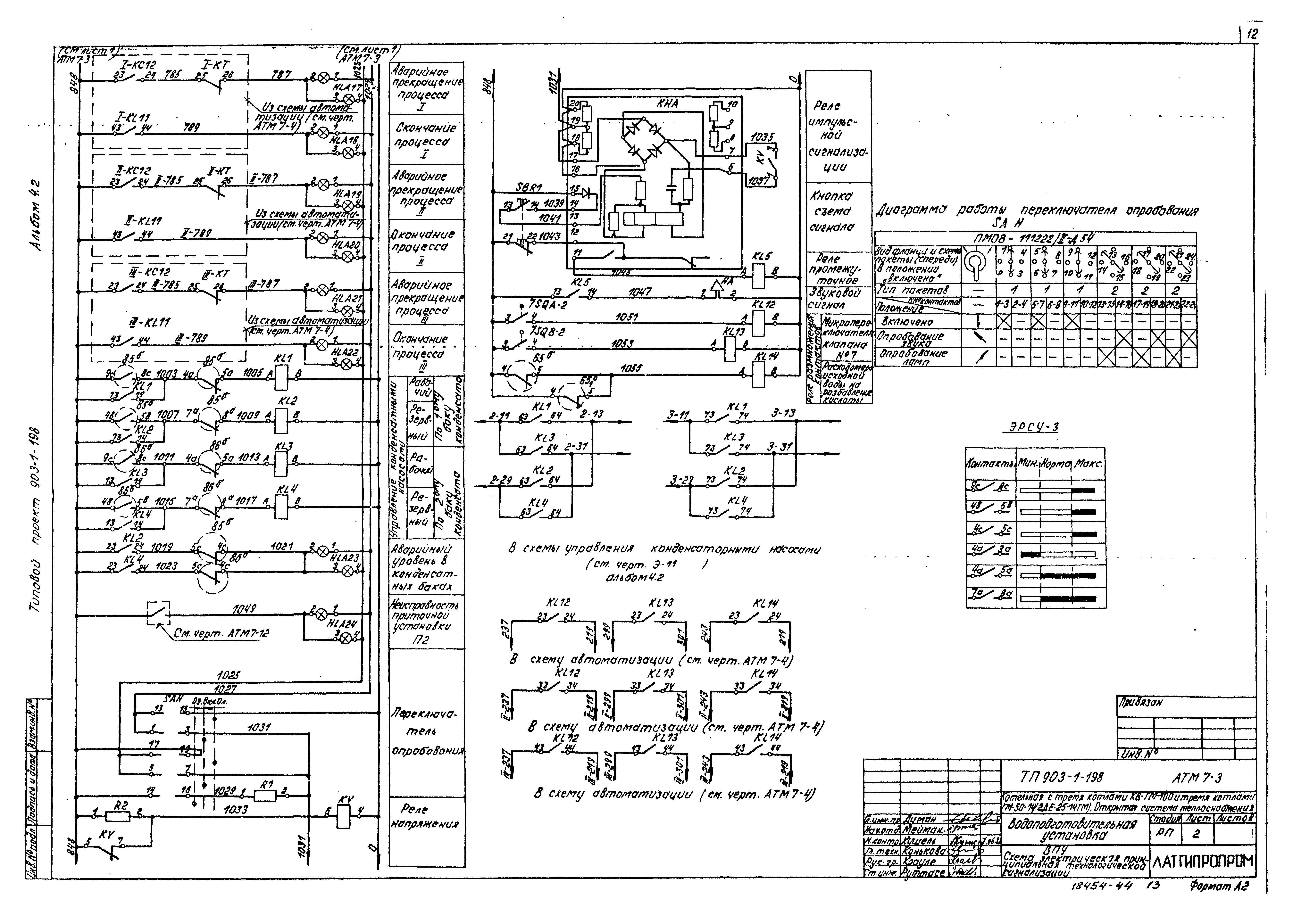
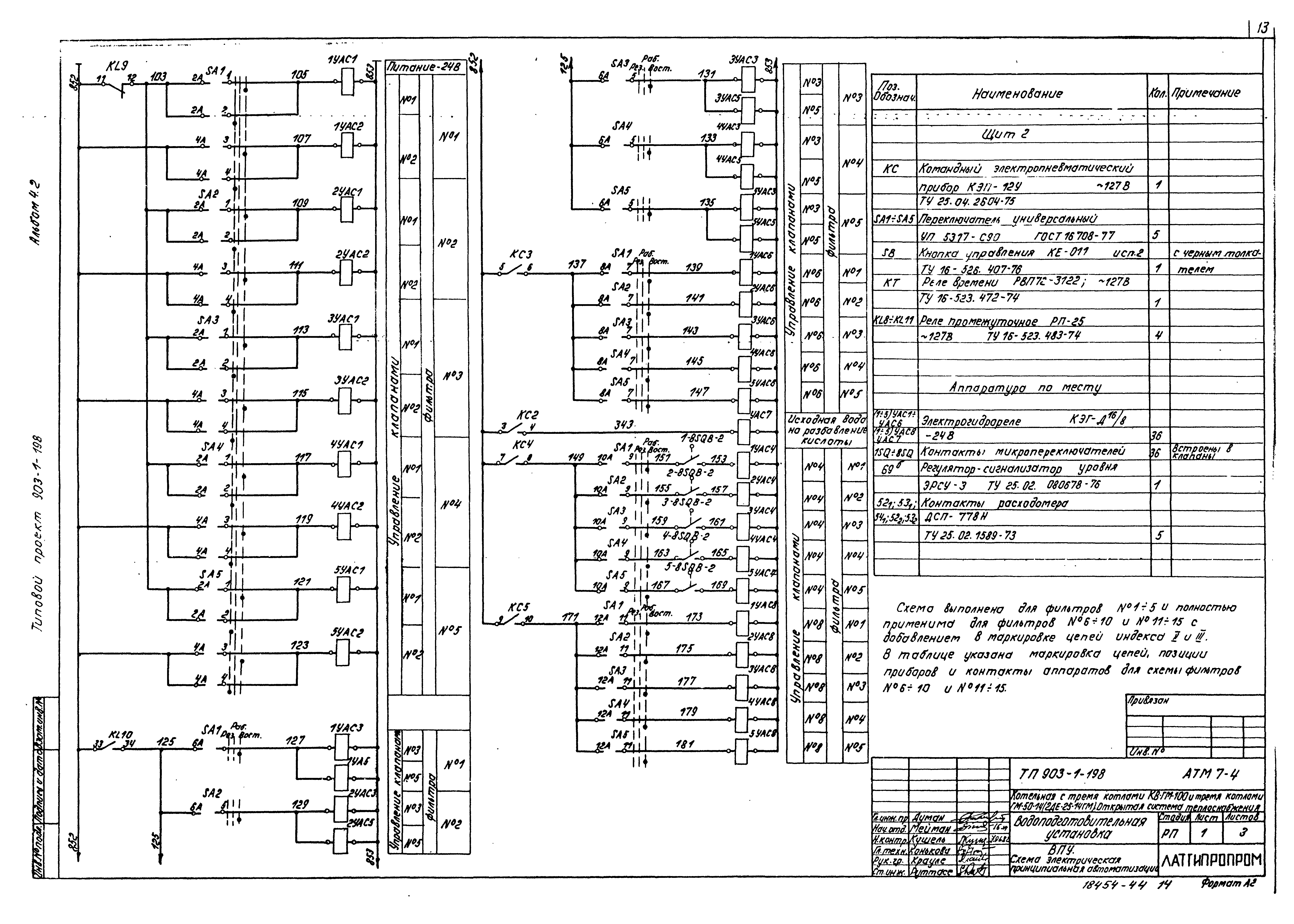
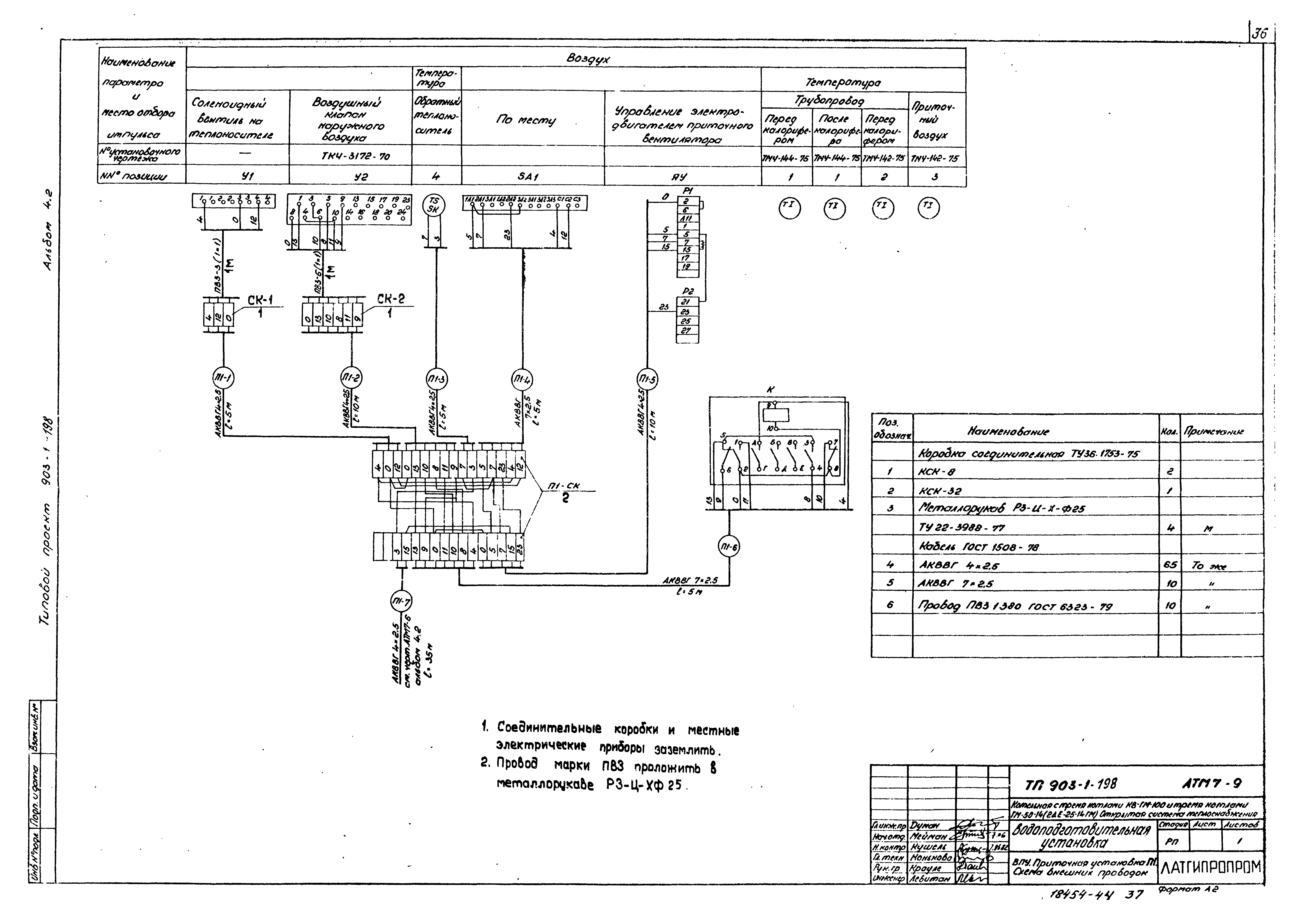
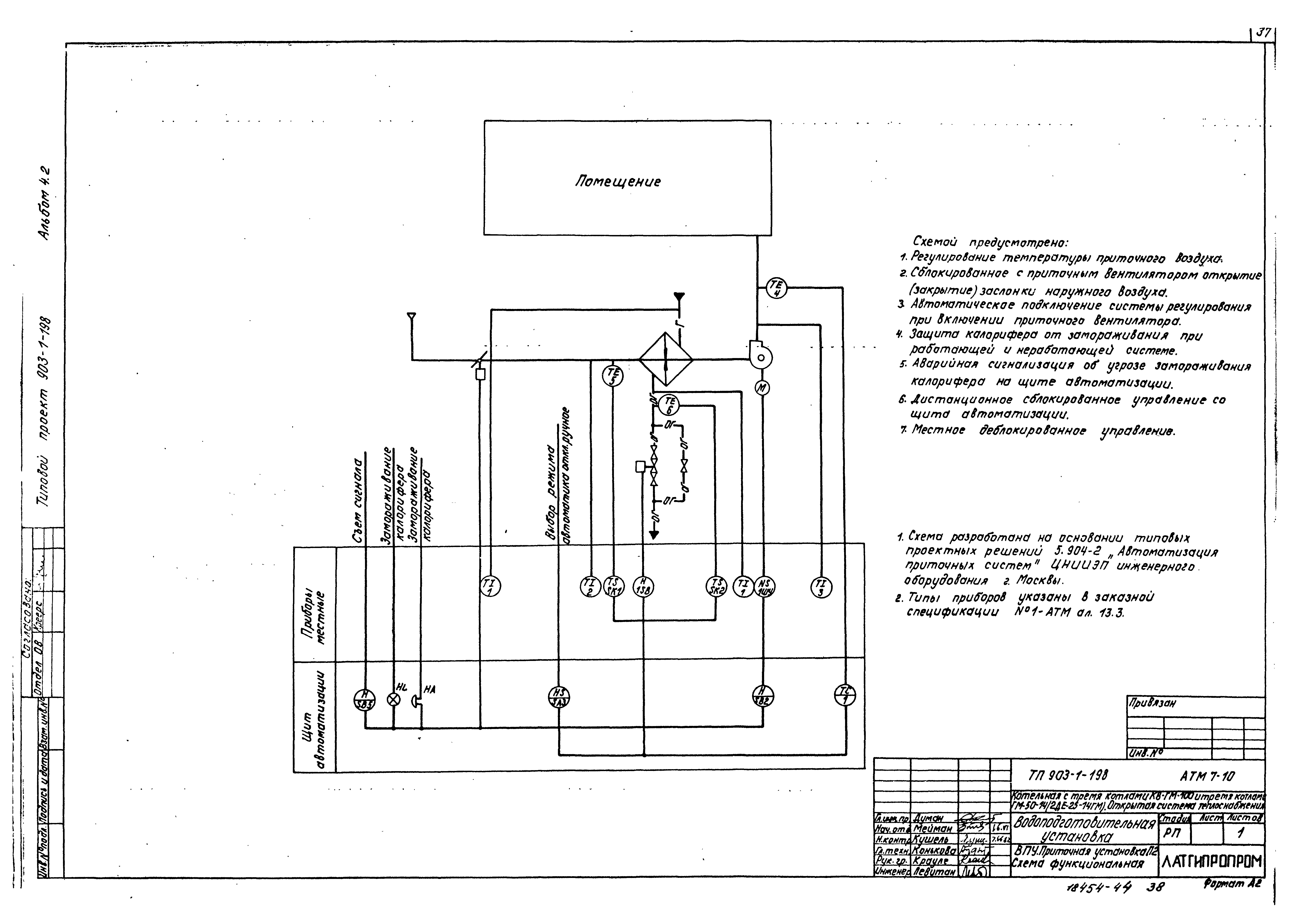
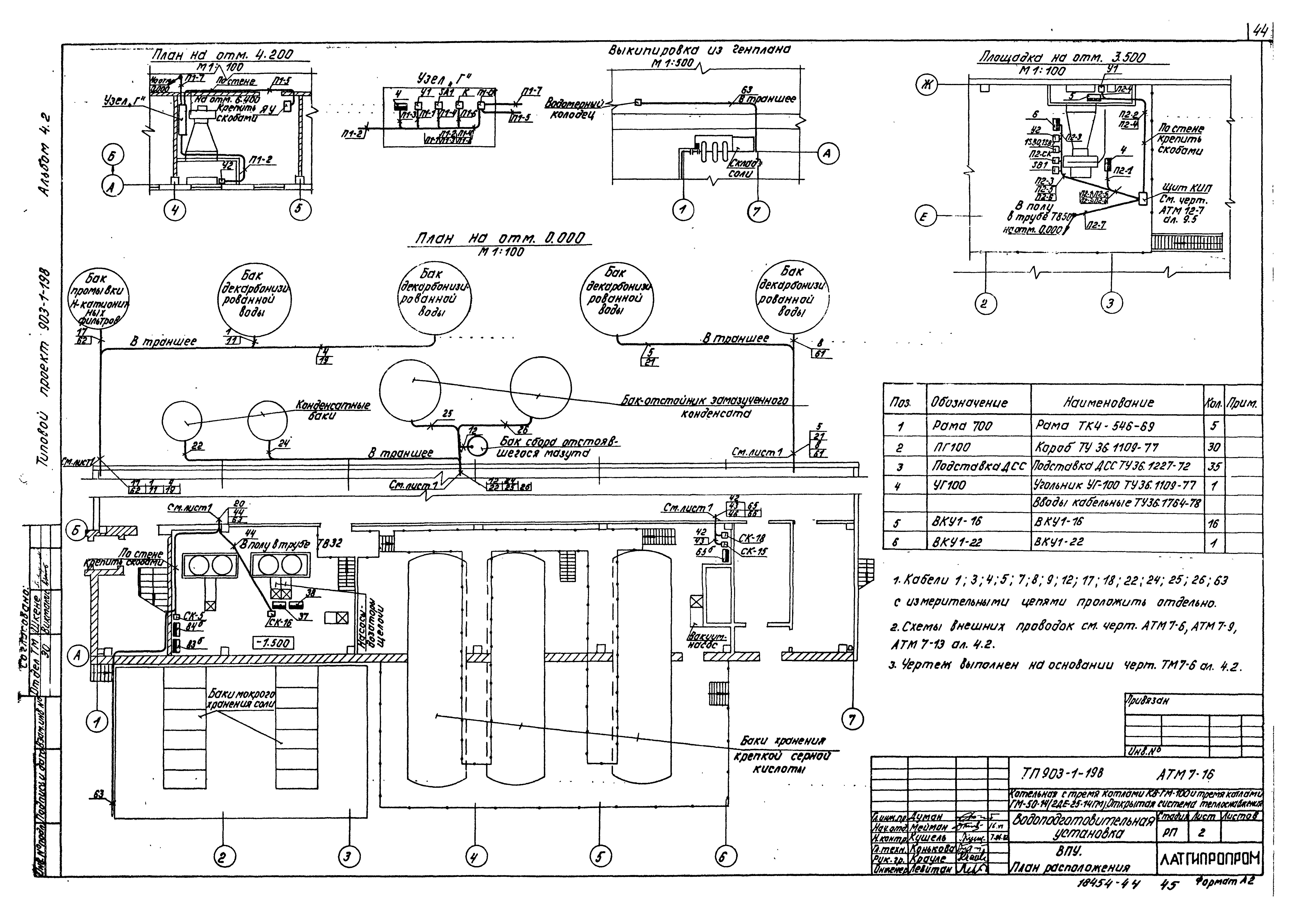
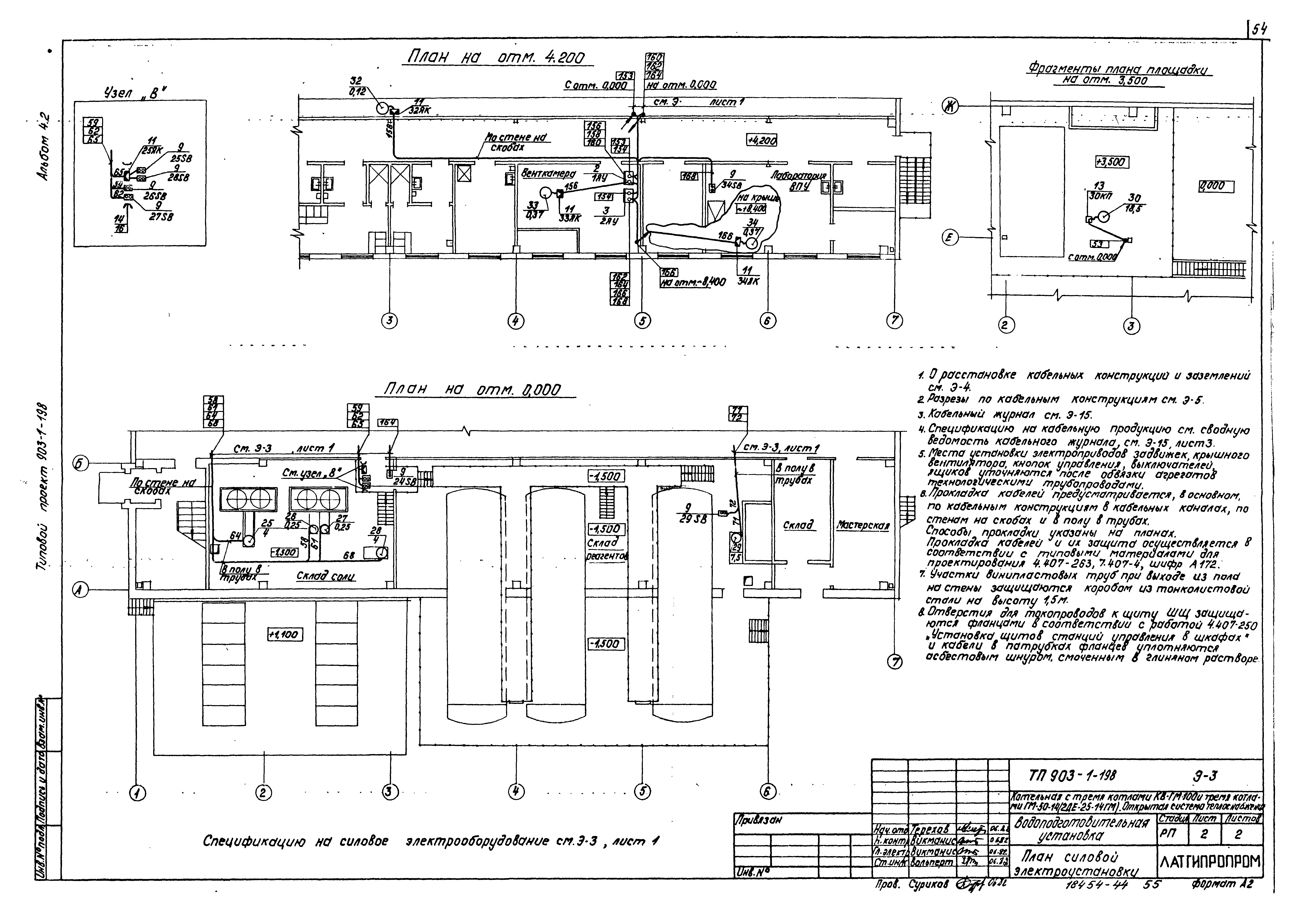
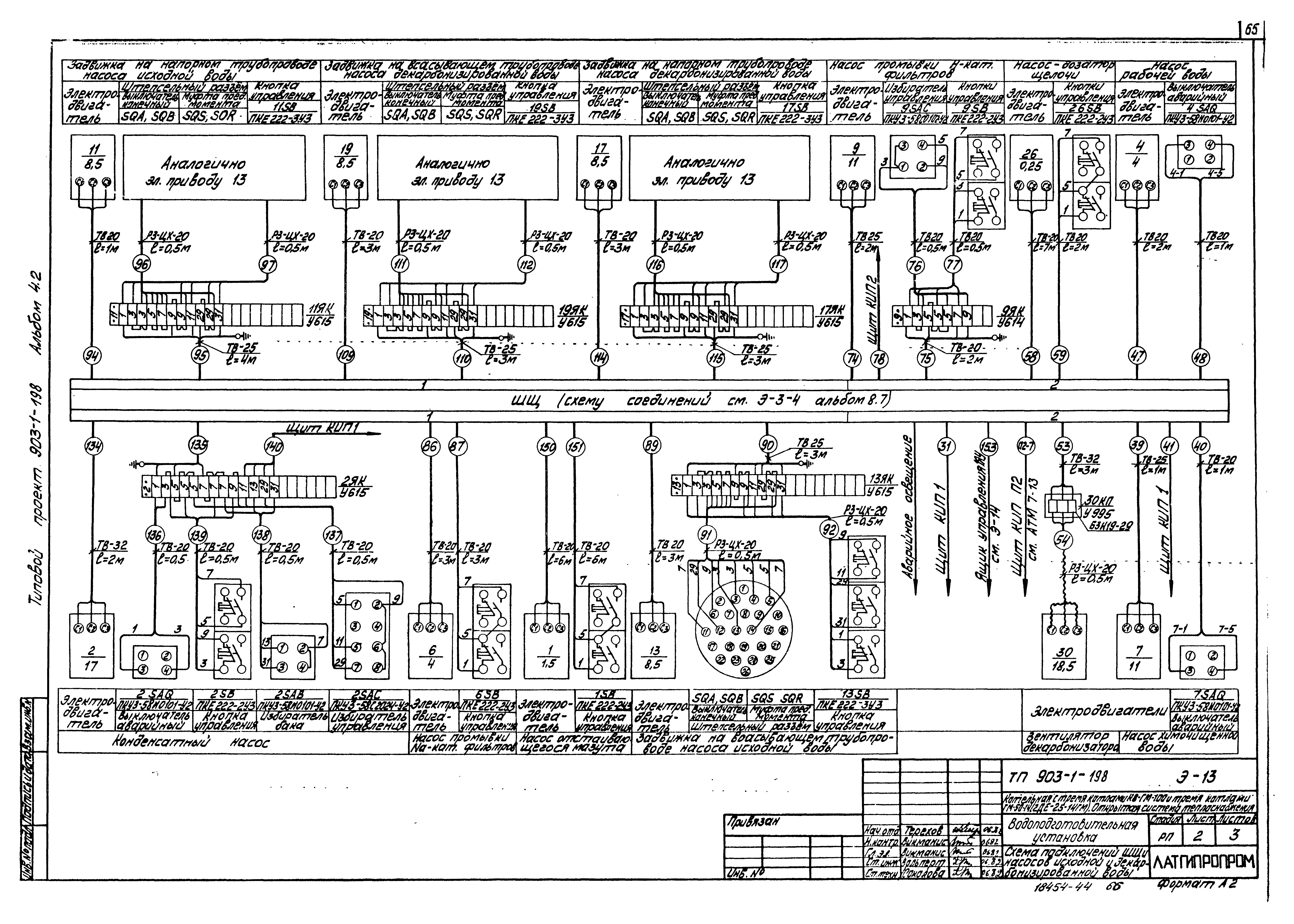
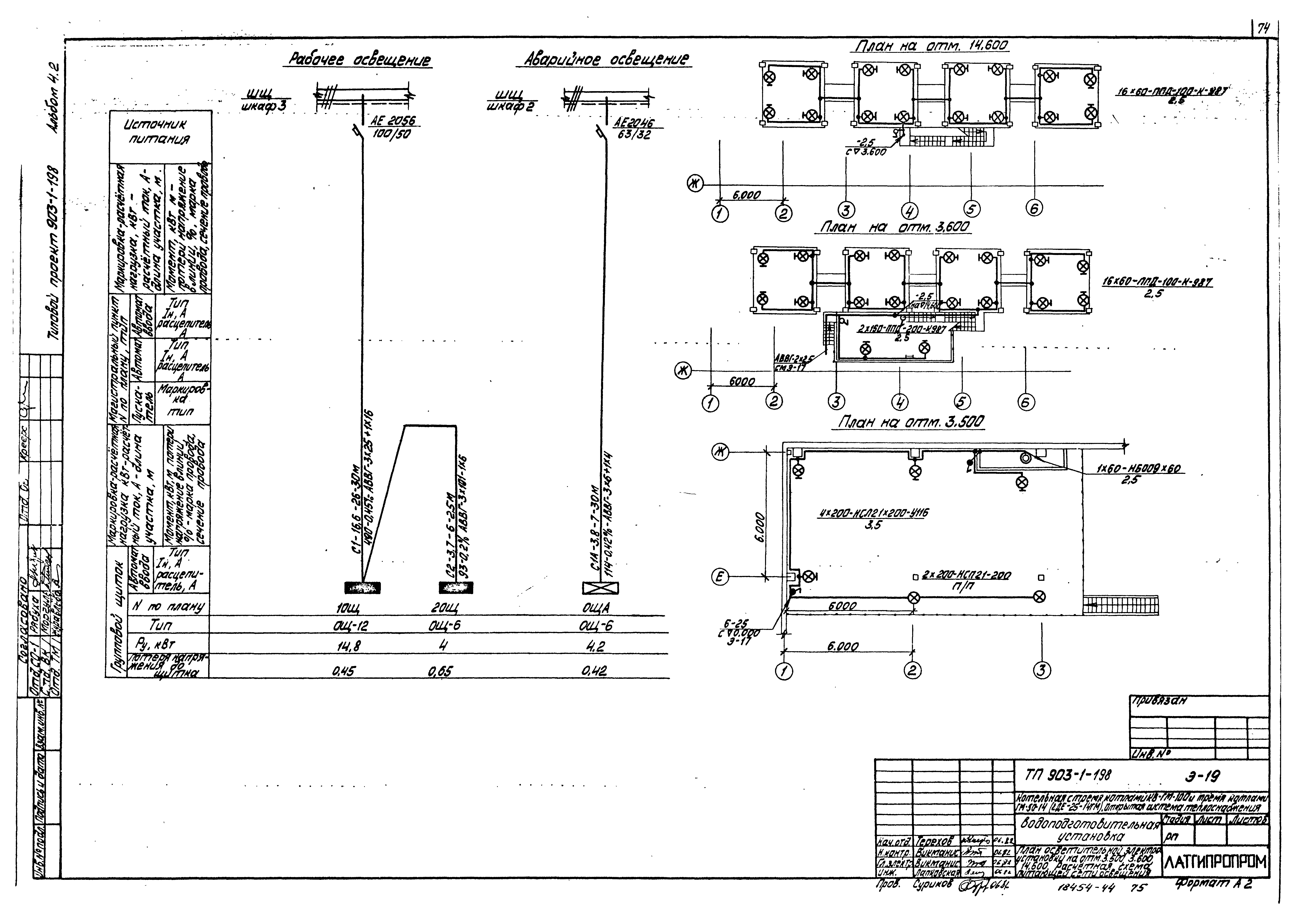
| Оглавление: | Содержание альбома Автоматизация ВПУ. Общие данные ВПУ. Схема функциональная ВПУ. Схема электрическая принципиальная технологической сигнализации ВПУ. Схема электрическая принципиальная автоматизации ВПУ. Схема электрическая принципиальная питания ВПУ. Схема внешних проводок ВПУ. Приточная установка П1. Схема функциональная ВПУ. Приточная установка П1. Схема электрическая принципиальная управления ВПУ. Приточная установка П1. Схема внешних проводок ВПУ. Приточная установка П2. Схема функциональная ВПУ. Приточная установка П2. Схема электрическая принципиальная управления ВПУ. Приточная установка П2. Схема электрическая принципиальная регулирования ВПУ. Приточная установка П2. Схема внешних проводок ВПУ. Пожарная сигнализация. Схема внешних проводок ВПУ. Пожарная сигнализация. План расположения ВПУ. План расположения ВПУ. Спецификация основных материалов и изделий Электротехническая часть Общие данные Питающая и распределительная сеть 380 В. Принципиальная однолинейная схема План силовой электроустановки План заземления и расстановки кабельных конструкций и расположения троллейного токопровода Разрезы по кабельным конструкциям Насос исходной воды. Насос декарбонизированной воды. Схема принципиальная Насос химоочищенной воды. Схема принципиальная Насос рабочей воды. Схема принципиальная Насос-дозатор щелочи. Механизм, управляемый по месту. Схемы принципиальные Задвижка. Схема принципиальная Конденсатный насос. Схема принципиальная Насос промывки Н-катионитных фильтров. Схема принципиальная Схема подключения ШЩ и насосов исходной и декарбонизированной воды Ящики управления 1ЯУ, 2ЯУ. Схемы соединений и подключений Кабельный журнал Осветительная электроустановка. Спецификация и примечания План осветительной электроустановки на отм. 0.000 в осях "Б - Ж" План осветительной электроустановки на отм. 0.000 в осях "А - Б" и на отм. 4.200 План осветительной электроустановки на отм. 3.500; 3.600; 14.600. Расчетная схема питающей сети освещения Связь и сигнализация Общие данные Связь и сигнализация. Сети на отм. 0.000 Связь и сигнализация. Сети на отм. 4.200. Схема комплексной сети связи, громкоговорящей связи и радиофикации |
| Разработан: | Латгипропром |
| Утверждён: | 14.05.1982 Латгипропром (101А) |














































































