Скачать Типовой проект 903-1-198 Альбом 6.1. Водоподготовительная установка. Архитектурно-строительная часть. Общие чертежиДата актуализации: 01.01.2021
|
| Обозначение: | Типовой проект 903-1-198 |
| Обозначение англ: | 903-1-198 |
| Статус: | действует |
| Название рус.: | Альбом 6.1. Водоподготовительная установка. Архитектурно-строительная часть. Общие чертежи |
| Дата добавления в базу: | 01.10.2014 |
| Дата актуализации: | 01.01.2021 |
| Дата введения: | 01.01.1983 |
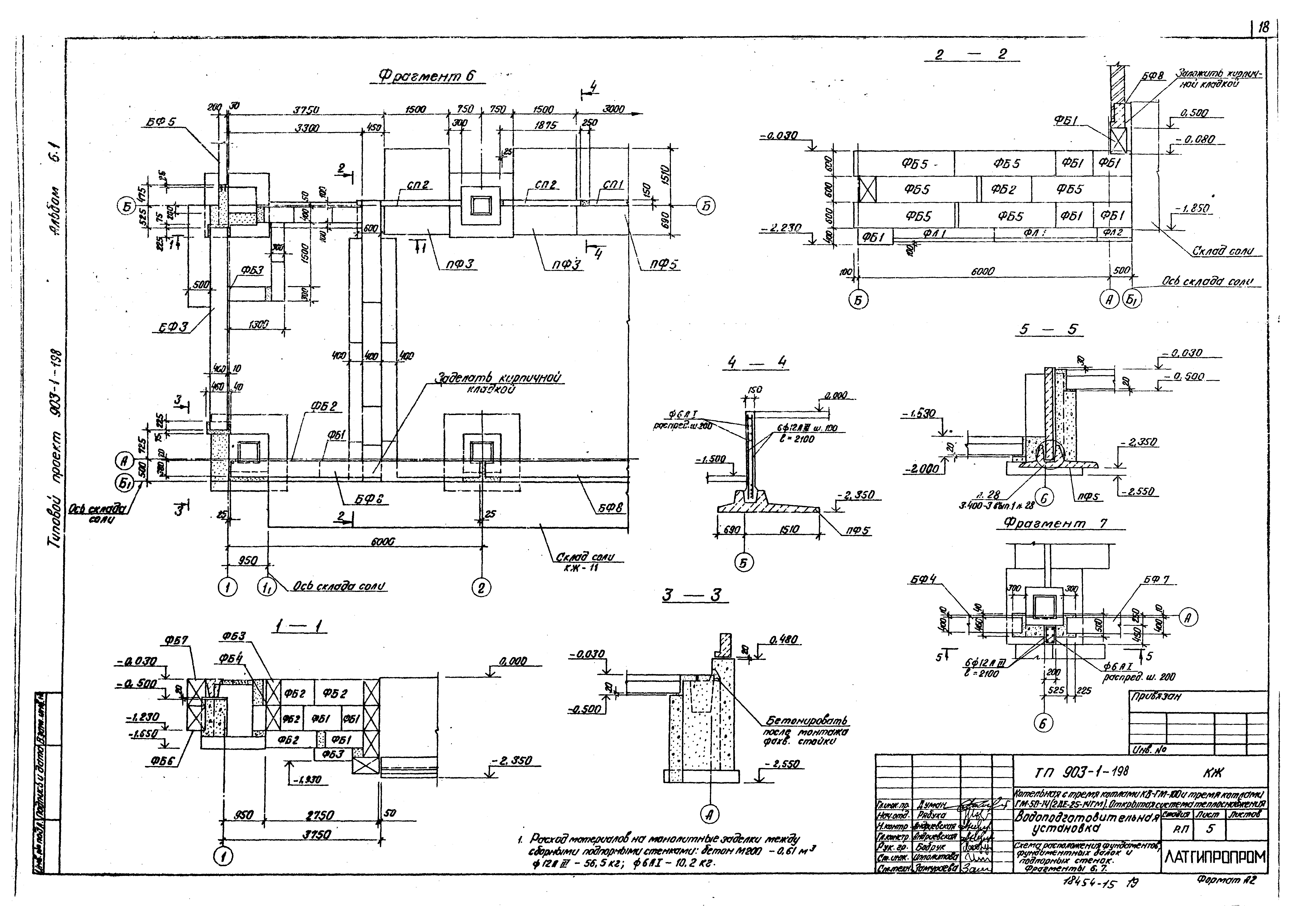
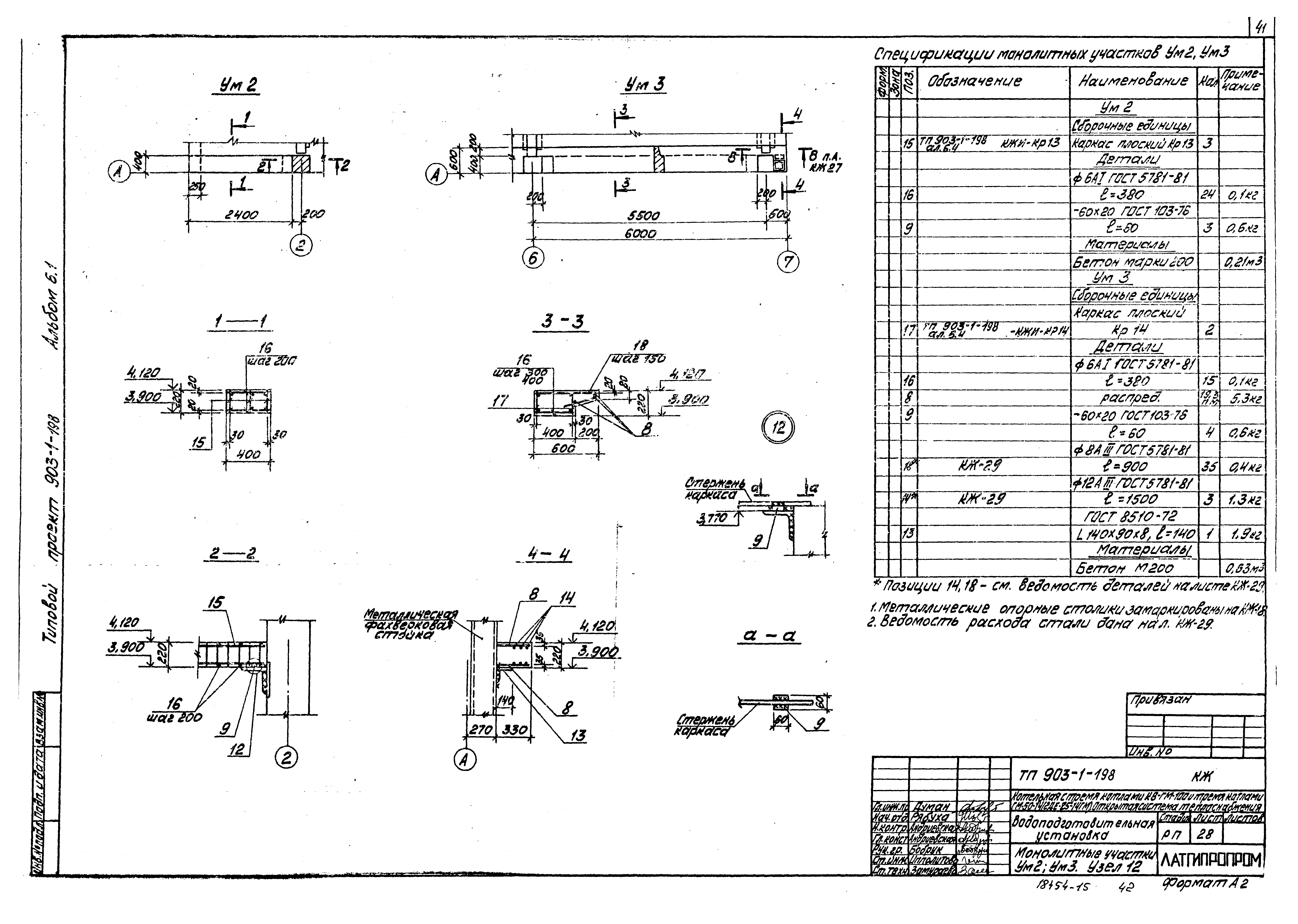
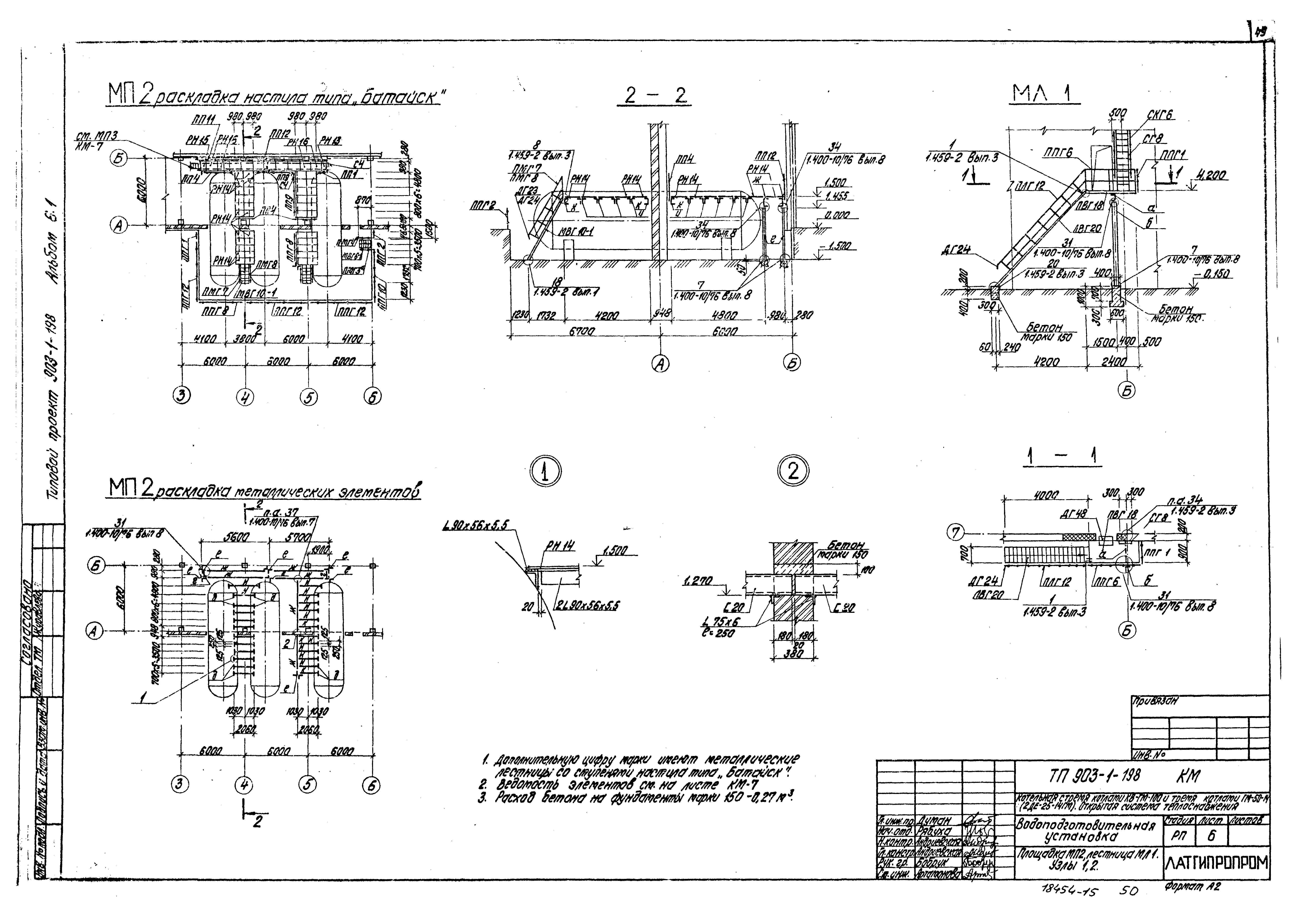
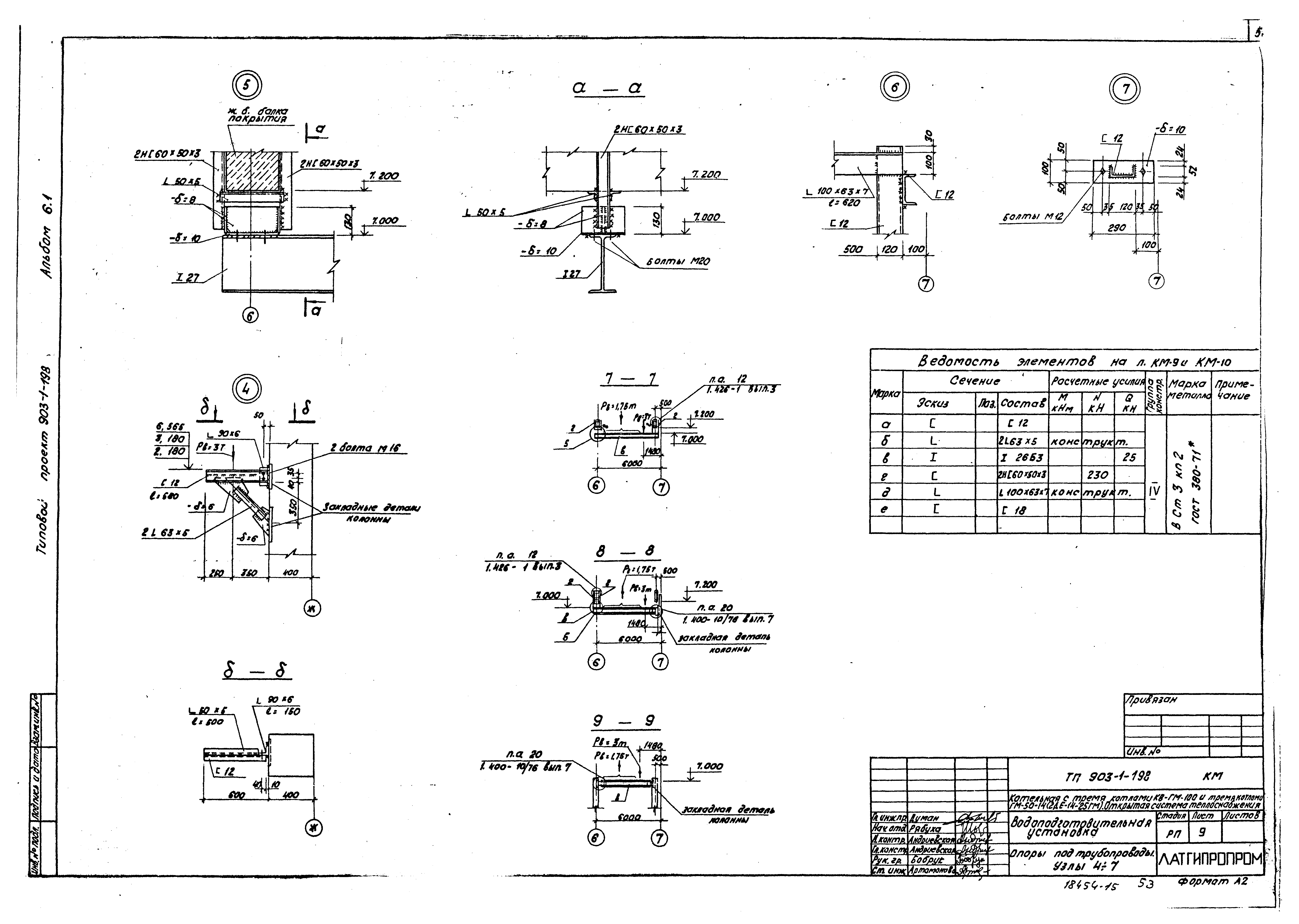
| Оглавление: | Содержание альбома Архитектурно-строительные решения Общие данные Узел 1 План кровли, план полов. Экспликация полов и кровли План на отм. 0.000. Фрагмент плана 1. Узел 2 План на отм. 4.200. Фрагмент плана 2, 3, 4. Узел 3 Разрез 1-1. Площадка на отм. 3.500. Фрагмент плана 5. Узлы 4, 5 Лестница ЛК-1. Планы А-А, Б-Б. Разрезы 2-2, 3-3. Узлы 6, 7, 8 Фасады А - Ж; Ж - А. Схемы заполнения оконных проемов Фасады 1 - 7; 7 - 1 Конструкции железобетонные Общие данные Схема расположения фундаментов, фундаментных балок и подпорных стенок Схема расположения фундаментов, фундаментных балок и подпорных стенок. Фрагменты 1 - 5 Схема расположения фундаментов, фундаментных балок и подпорных стенок. Фрагменты 6, 7 Фундаменты Фм1, Фм2 Фундаменты Фм3, Фм4, Фм5, Фм6 Фундаменты Фм7, Фм11 Фундаменты Фм8, Фм9 Фундаменты Фм10, Фм12, Фм13 Склад соли. План на отм. - 1.050. Схема расположения элементов покрытия. План кровли Склад соли. Разрез 2-2. Узел Ж. Деревянный ящик ДЯ1 Склад соли. Узлы А, Б, В Склад соли. Узлы Г, Д, Е Склад соли. ПРм1. Опалубка и армирование Склад соли. ПРм1. Разрезы 1-1, 2-2 Схема расположения колонн, ригелей, балок покрытия. Узел 1 Схема расположения плит перекрытия на отм. 4.200. Узлы 2 - 4 Разрезы 1-1 - 3-3. Узлы 5, 6. Схема расположения колонн под наружные металлические площадки Схема расположения плит покрытия Схема расположения стеновых панелей по осям А и Ж, стальных стоек и насадок. Фрагменты 1 - 3 Схемы расположения стеновых панелей по осям 1 и 7. Фрагменты 4 - 8 Фрагменты 9 - 23. Узел 13 Схема расположения перегородок по оси Б, 6 В-1, В-2. Узлы 7, 8 Схема расположения перегородок по оси А/Б на отм. 4.200. Узлы 9 - 11; В-3, В-4 Монолитный участок Ум1 Монолитные участки Ум2, Ум3. Узел 12 Монолитные участки Ум4 - Ум6. Ведомость расхода стали Ум1 - Ум6 Таблица нагрузок на фундаменты Конструкции металлические Общие данные. Ведомость металлоконструкций по видам профилей Техническая спецификация металла Техническая спецификация металла для специализированных заводов Схема расположения подвесного пути в осях Е - Ж и 3 - 7. Площадка МП1 Площадка МП2, лестница МЛ1. Узлы 1, 2 Площадка МП3, лестница МЛ2. Узел 3 Схема расположения опор под трубопроводы. Элемент плана №1 Опоры под трубопроводы. Узлы 4 - 7 Схема площадки МП4 на отм. 3.600; 9.500; 14.600 МП4. Разрезы 4-4, 5-5. Узлы 8 - 12 МП4. Ведомость элементов. Узлы 13 - 15 |
| Разработан: | Латгипропром |
| Утверждён: | 14.05.1982 Латгипропром (101А) |
























































