Скачать Типовой проект 262-12-151 Альбом V. Задание заводам-изготовителямДата актуализации: 01.01.2021
|
| Обозначение: | Типовой проект 262-12-151 |
| Обозначение англ: | 262-12-151 |
| Статус: | действует |
| Название рус.: | Альбом V. Задание заводам-изготовителям |
| Дата добавления в базу: | 01.10.2014 |
| Дата актуализации: | 01.01.2021 |
| Дата введения: | 30.11.1976 |
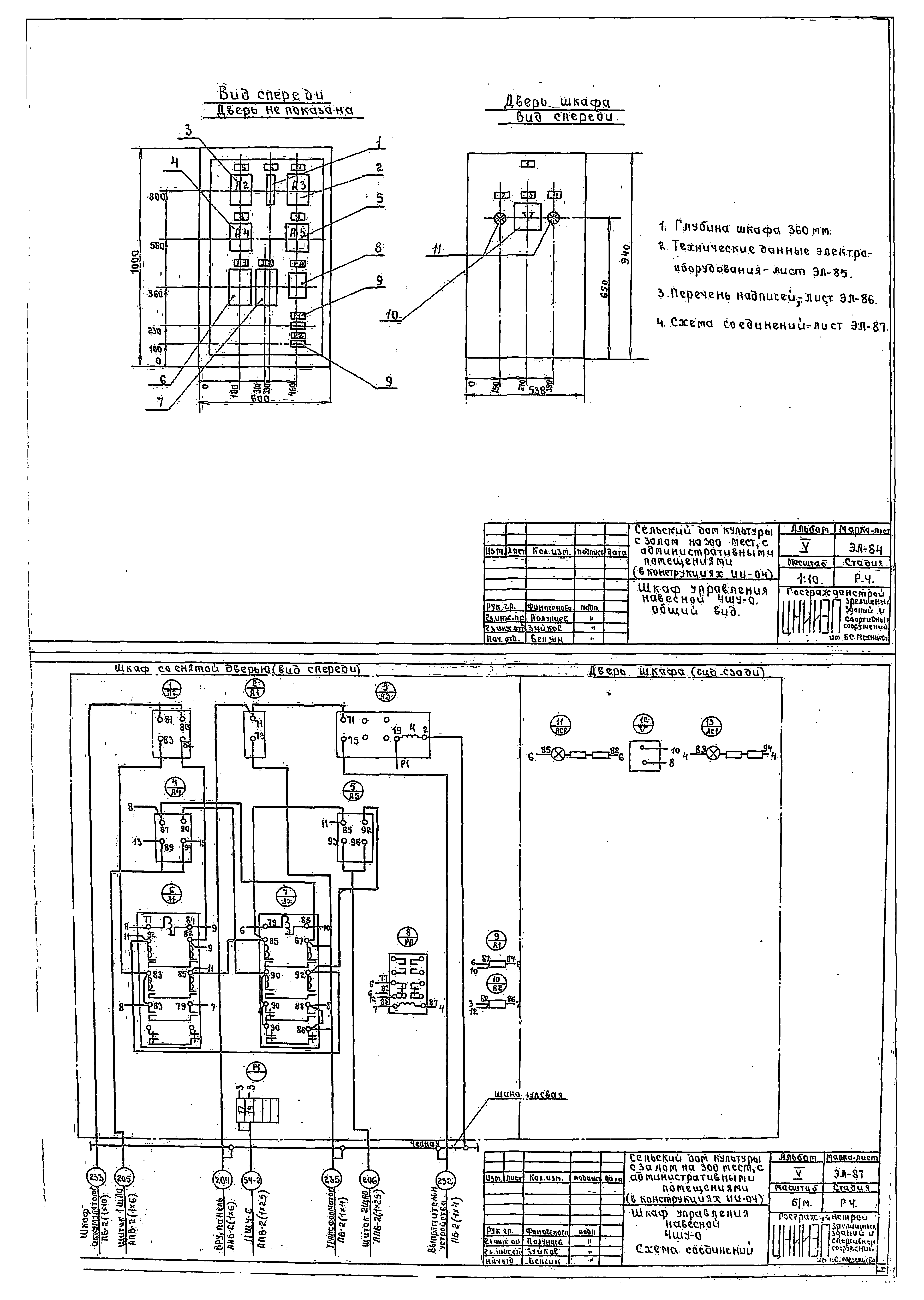
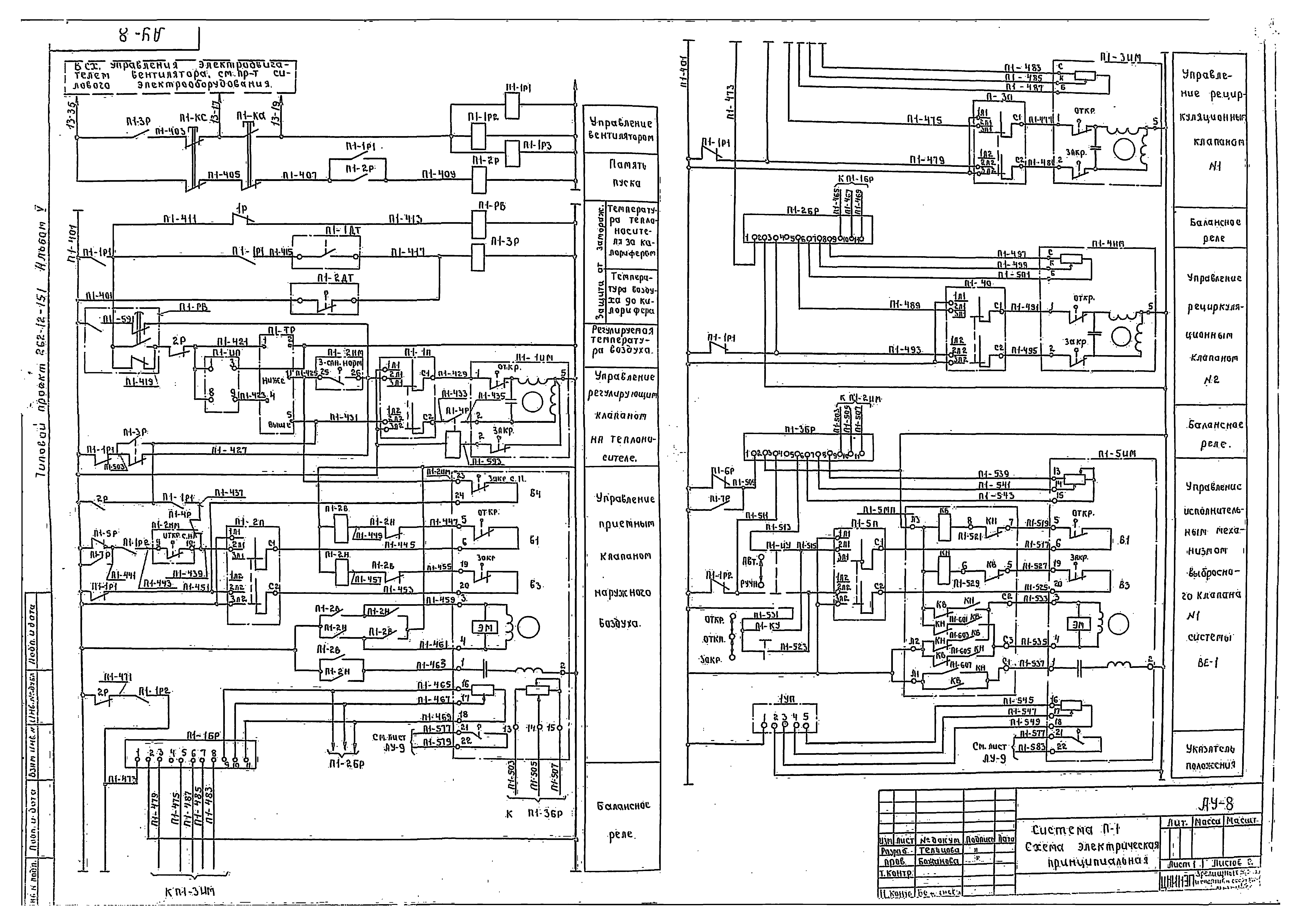
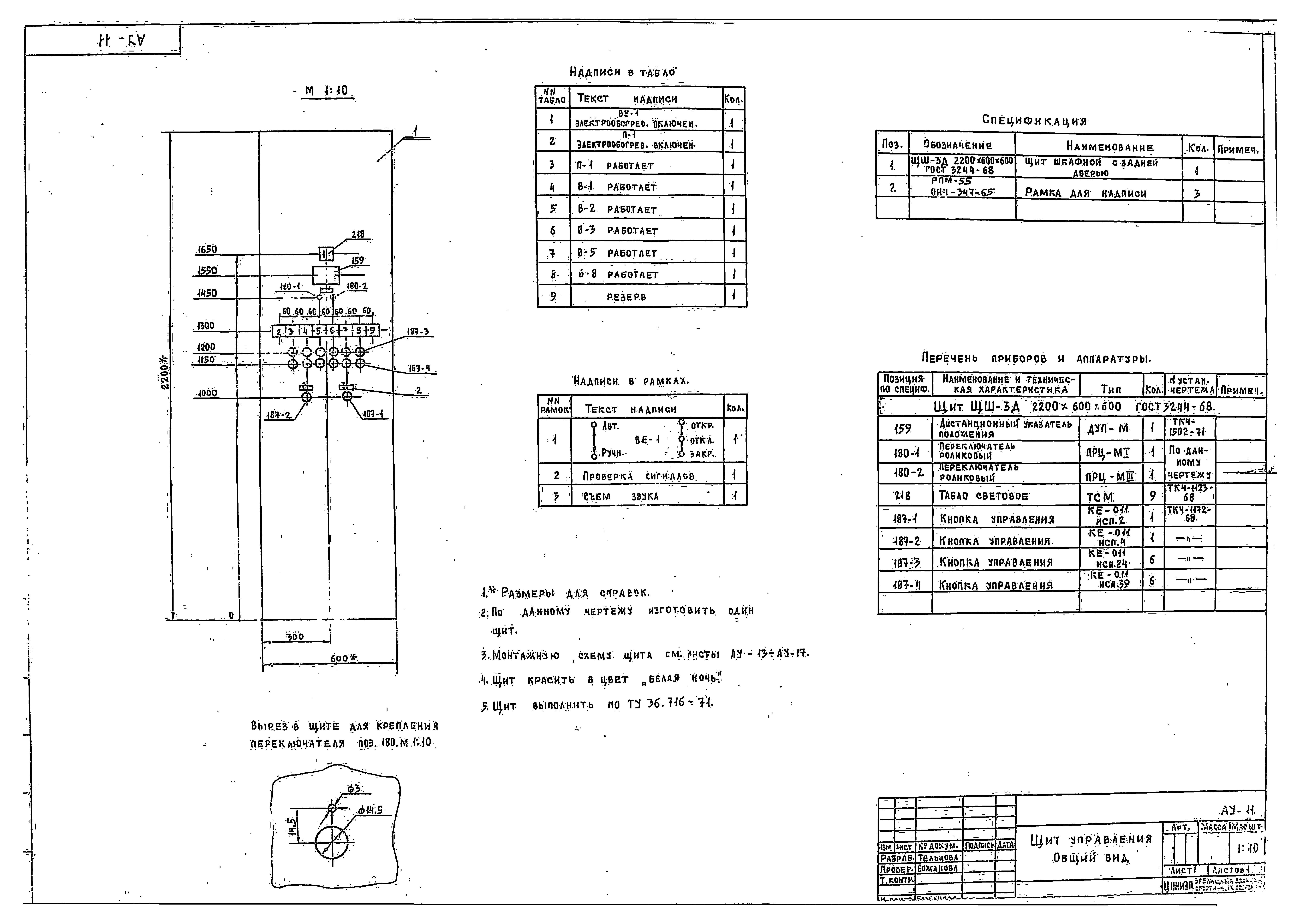
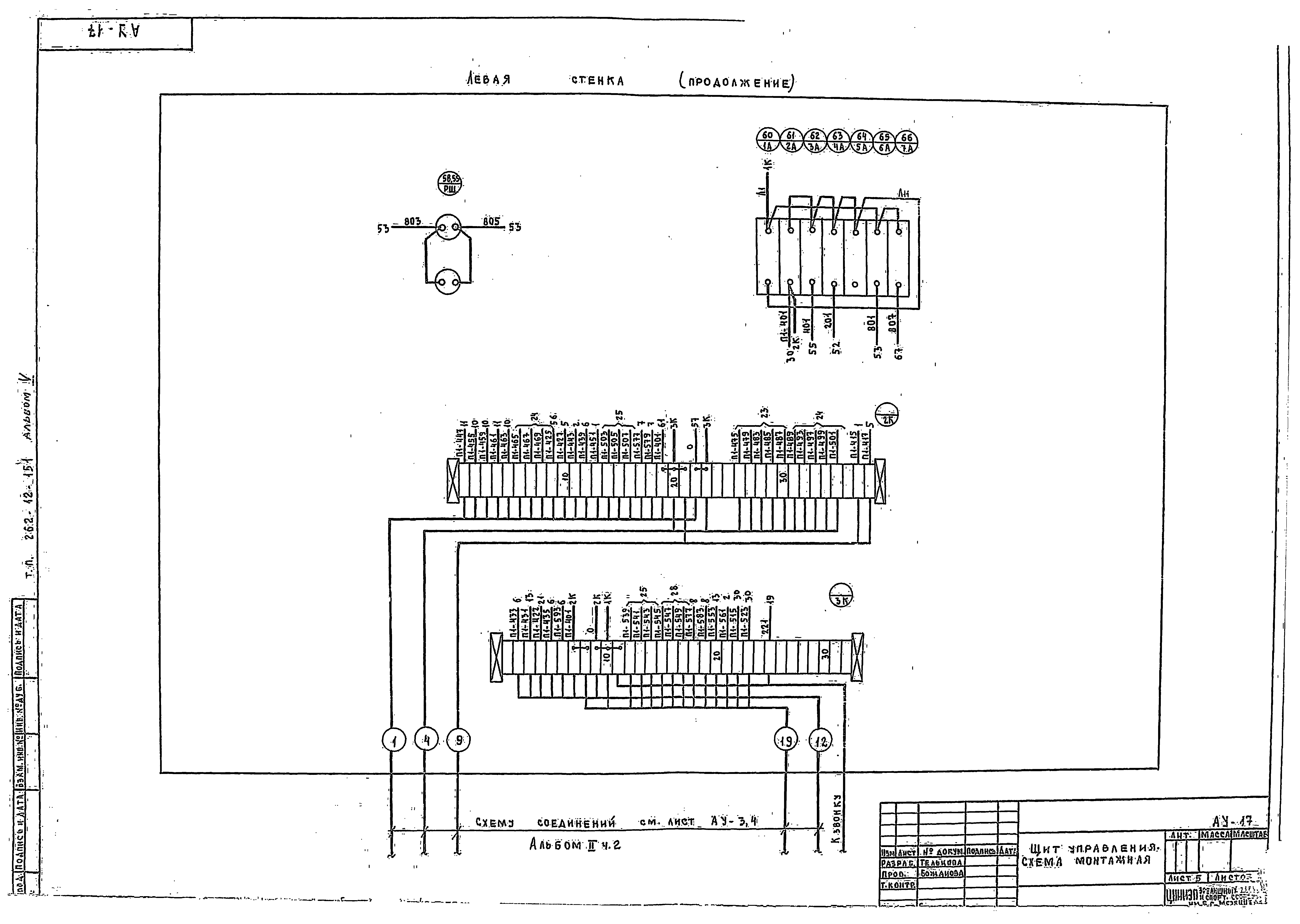
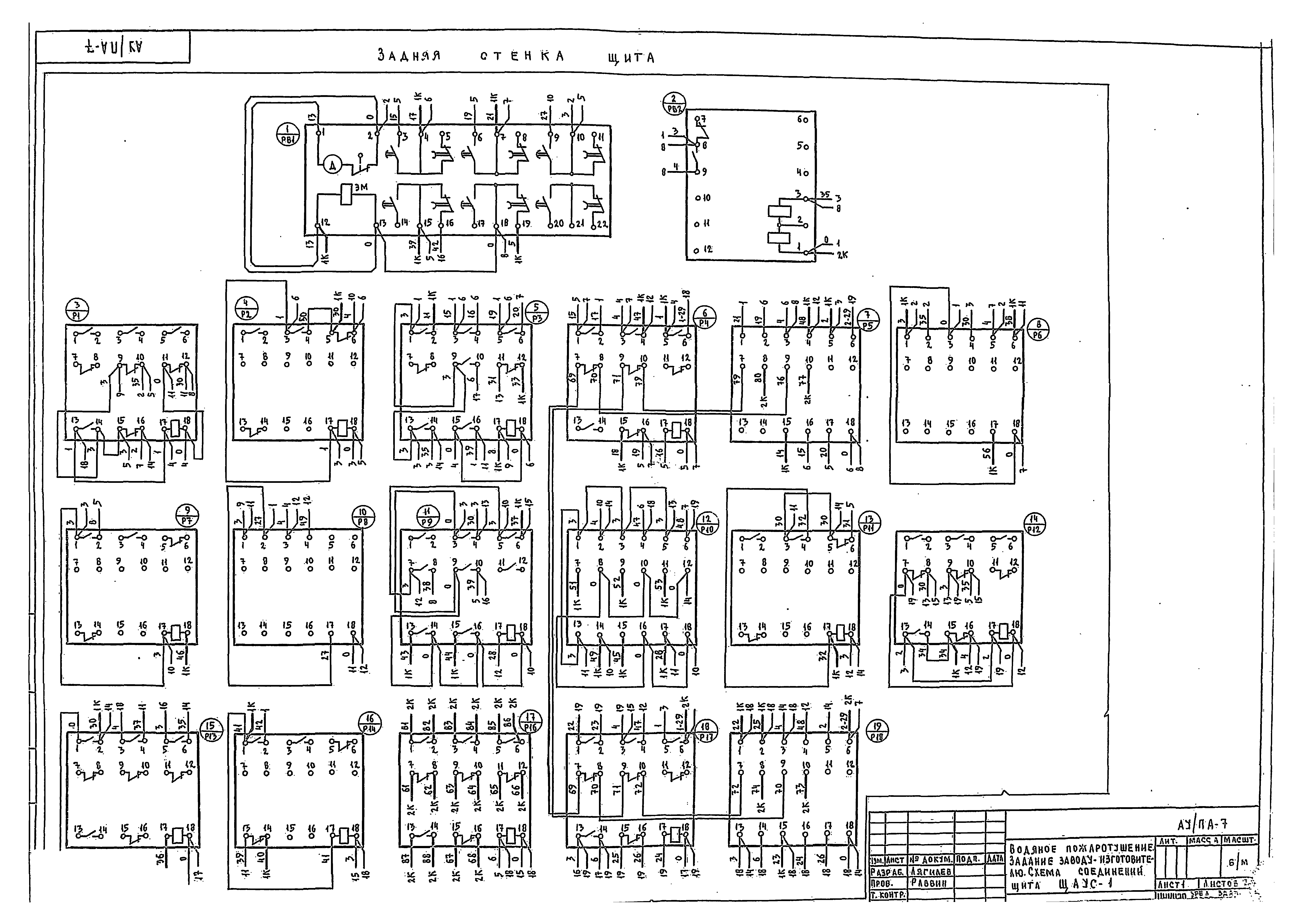
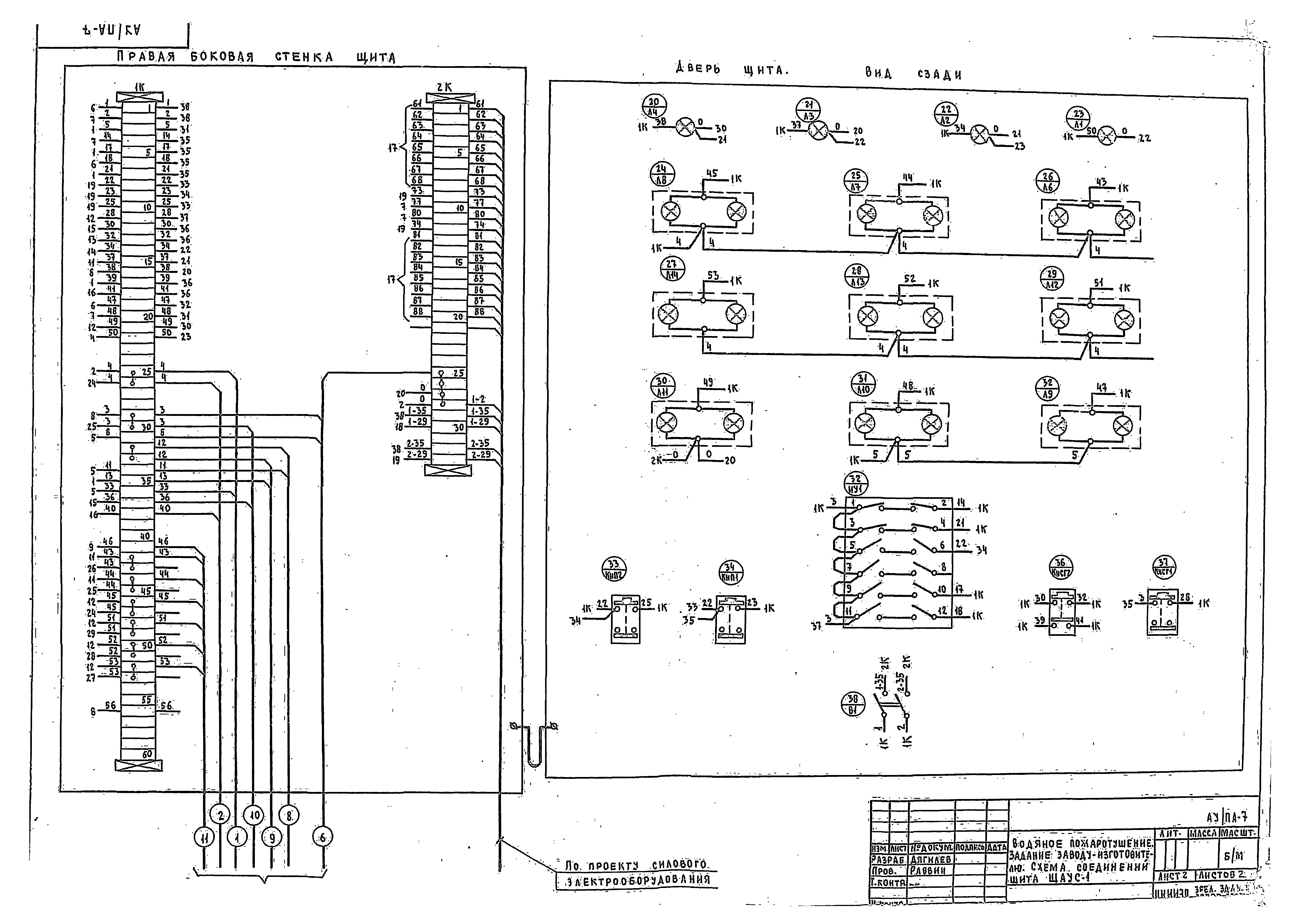
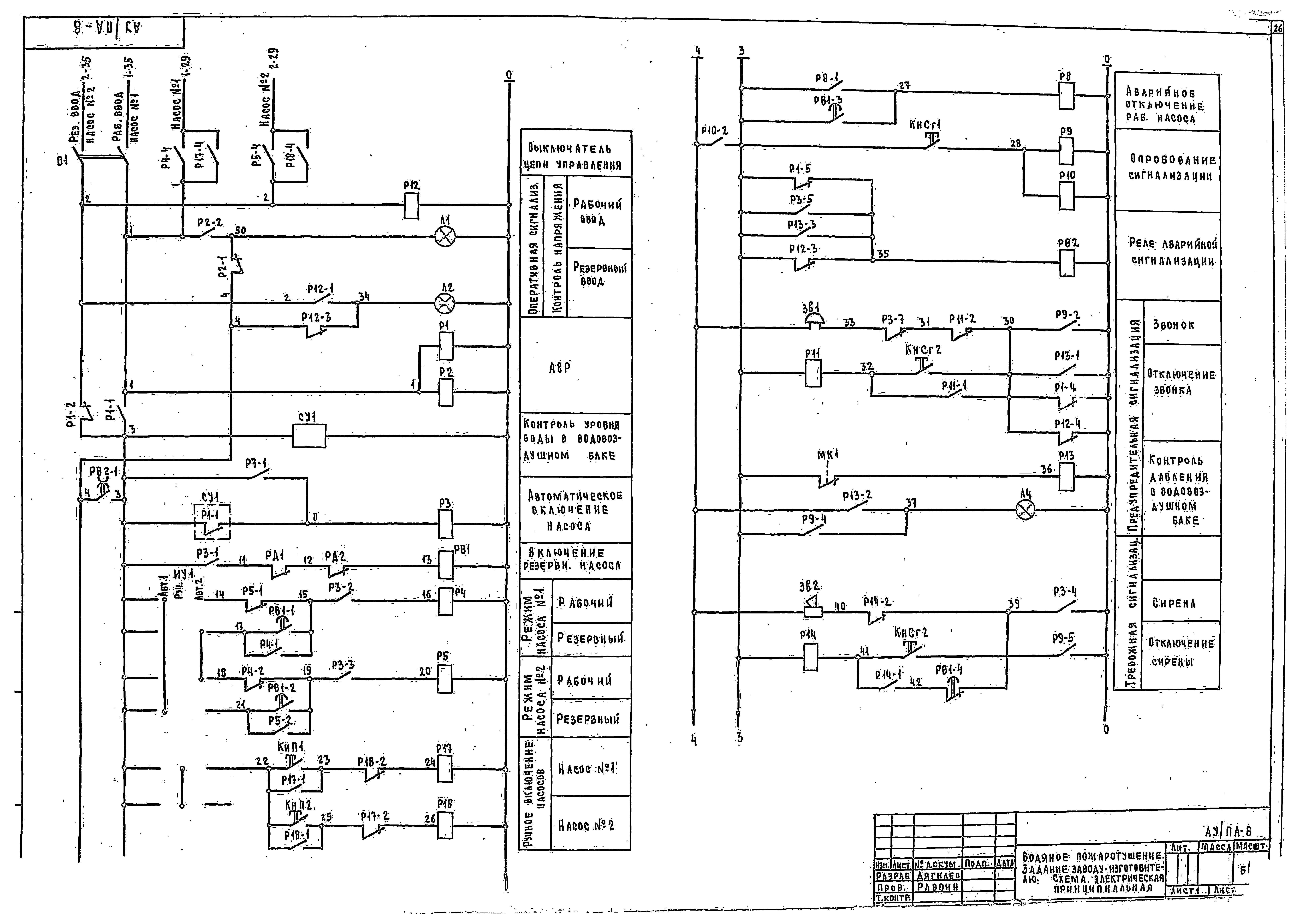
| Оглавление: | Содержание альбома Ведомость комплектных устройств Шкаф управления навесной 4ШУ-0. Общий вид Шкаф управления навесной 4ШУ-0. Технические данные электрооборудования Шкаф управления навесной 4ШУ-0. Перечень надписей Шкаф управления навесной 4ШУ-0. Схема соединений Шкаф управления навесной 5ШУ-0. Общий вид Шкаф управления навесной 5ШУ-0. Технические данные электрооборудования Шкаф управления навесной 5ШУ-0. Перечень надписей Шкаф управления навесной 5ШУ-0. Схема соединений Шкаф управления навесной 1ШУ-Т. Общий вид Шкаф управления навесной 1ШУ-Т. Технические данные электрооборудования Шкаф управления навесной 1ШУ-Т. Перечень надписей Шкаф управления навесной 1ШУ-Т. Схема соединений Шкаф управления навесной 2ШУ-Т. Общий вид Шкаф управления навесной 2ШУ-Т. Технические данные электрооборудования Шкаф управления навесной 2ШУ-Т. Перечень надписей Шкаф управления навесной 2ШУ-Т. Схема соединений Шкаф управления навесной 1ШУ-П. Общий вид Шкаф управления навесной 1ШУ-П. Технические данные электрооборудования Шкаф управления навесной 1ШУ-П. Перечень надписей Шкаф управления навесной 1ШУ-П. Схема соединений Шкаф управления навесной 2ШУ-П. Общий вид Шкаф управления навесной 2ШУ-П. Технические данные электрооборудования Шкаф управления навесной 2ШУ-П. Перечень надписей Шкаф управления навесной 2ШУ-П. Схема соединений Автоматизация сантехустройств. Задание заводу-изготовителю. Перечень чертежей. Пояснение к проекту Система П-1. Схема электрическая принципиальная Сигнализация. Электропитание. Системы В-1 (В-2, В-3, В-5, В-8), П-2. Схемы электрические принципиальные Щит управления. Общий вид Щит управления. Компоновка аппаратуры с монтажной стороны Щит управления. Схема монтажная Автоматизация систем водяного пожаротушения. Задание заводу-изготовителю. Перечень чертежей. Примечания Водяное пожаротушение. Щит автоматического управления и сигнализации ЩАУС-1. Общий вид. Компоновка аппаратуры с монтажной стороны Водяное пожаротушение. Схема соединений щита ЩАУС-1 Водяное пожаротушение. Задание заводу-изготовителю. Схема электрическая принципиальная |
| Разработан: | ЦНИИЭП зрелищных зданий и спортивных сооружений им. Б.С. Мезенцева |
| Утверждён: | 09.10.1976 Госгражданстрой (Gosgrazhdanstroy 6) |



























