Скачать Рекомендации по проектированию и устройству полов из жаростойкого железобетона (из крупнораздельных плит)Дата актуализации: 01.01.2021 |
| Статус: | справочные материалы, мп, тпр |
| Название рус.: | Рекомендации по проектированию и устройству полов из жаростойкого железобетона (из крупнораздельных плит) |
| Дата добавления в базу: | 01.10.2014 |
| Дата актуализации: | 01.01.2021 |
| Область применения: | Рекомендации распространяются на проектирование и устройство полов из жаростойкого железобетона в горячих цехах промышленных зданий |
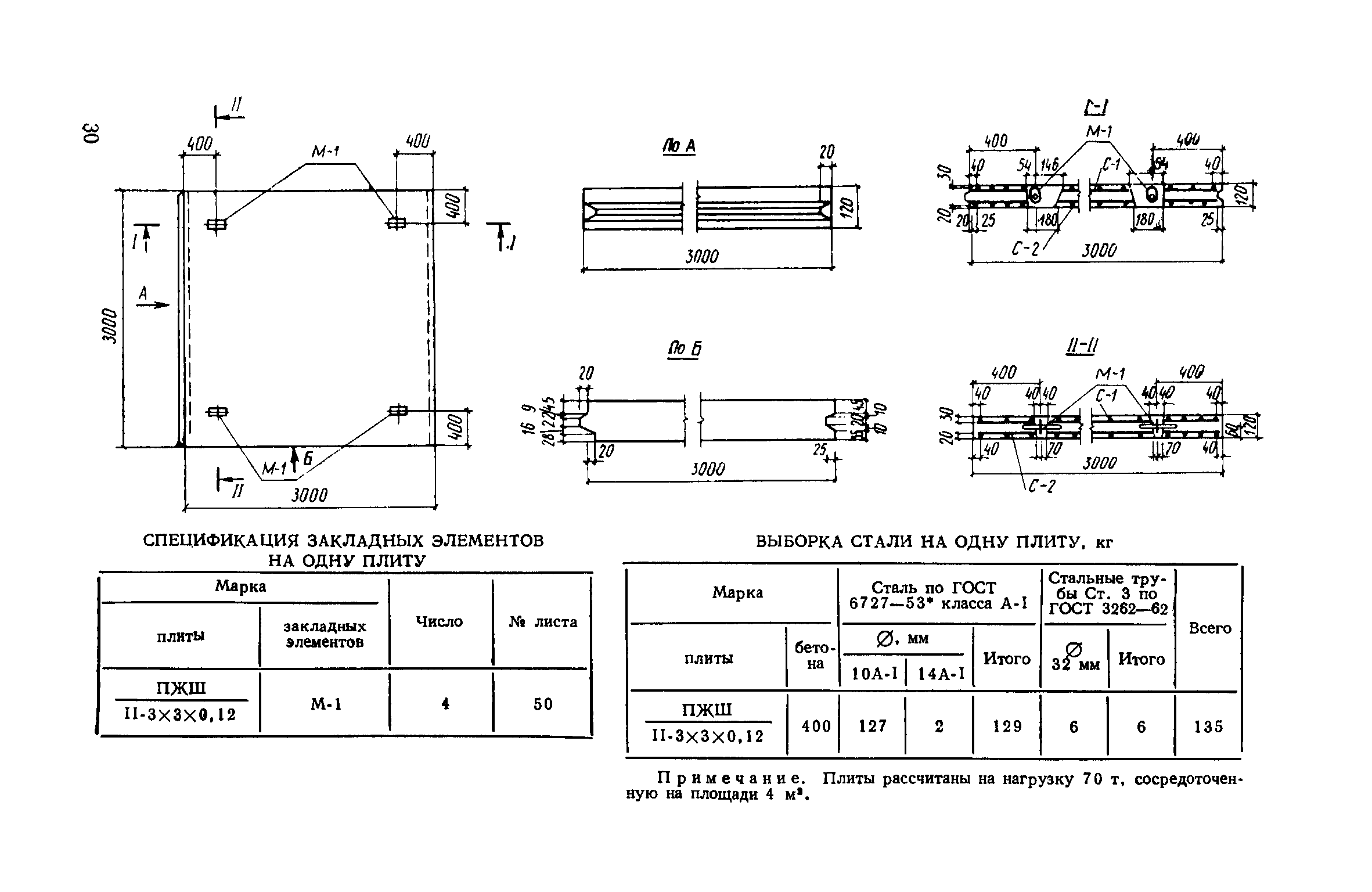
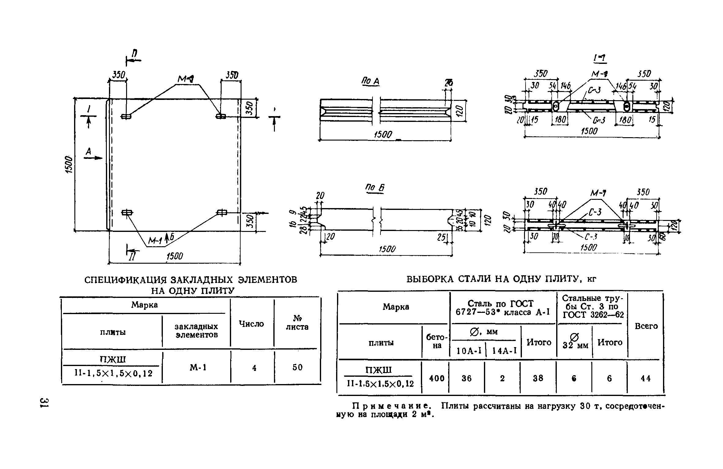
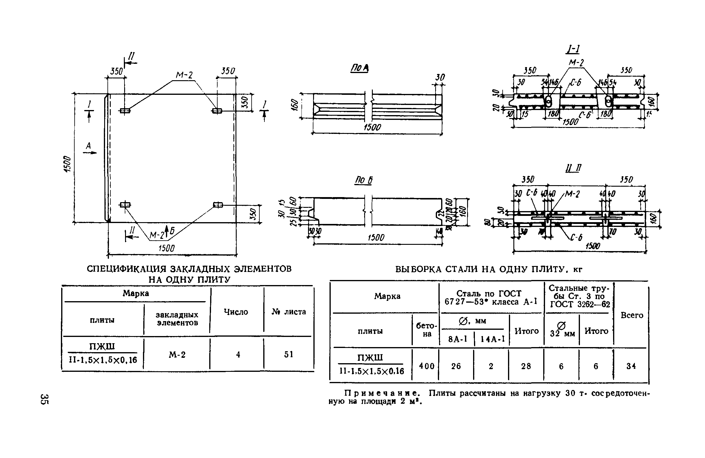
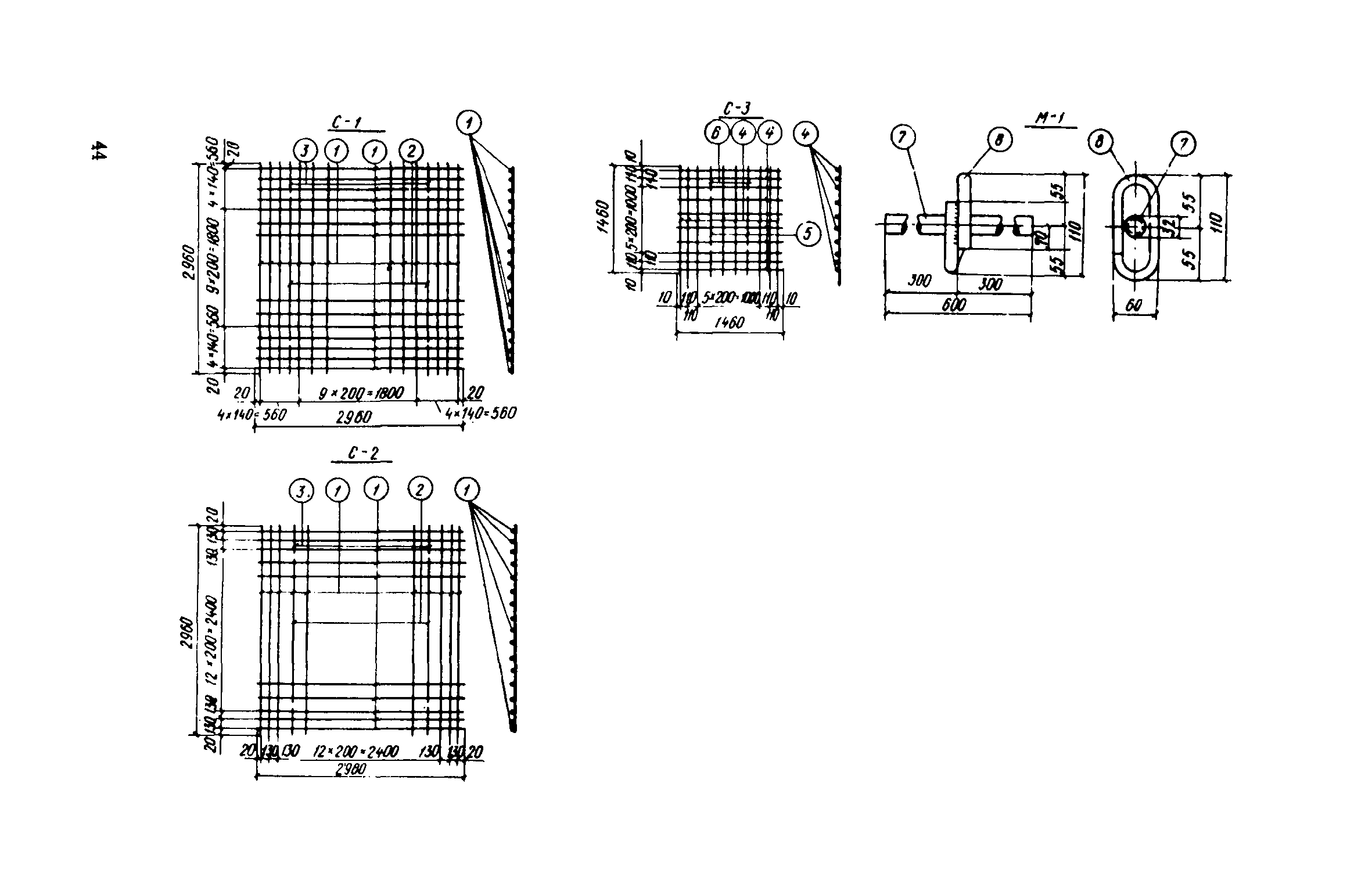
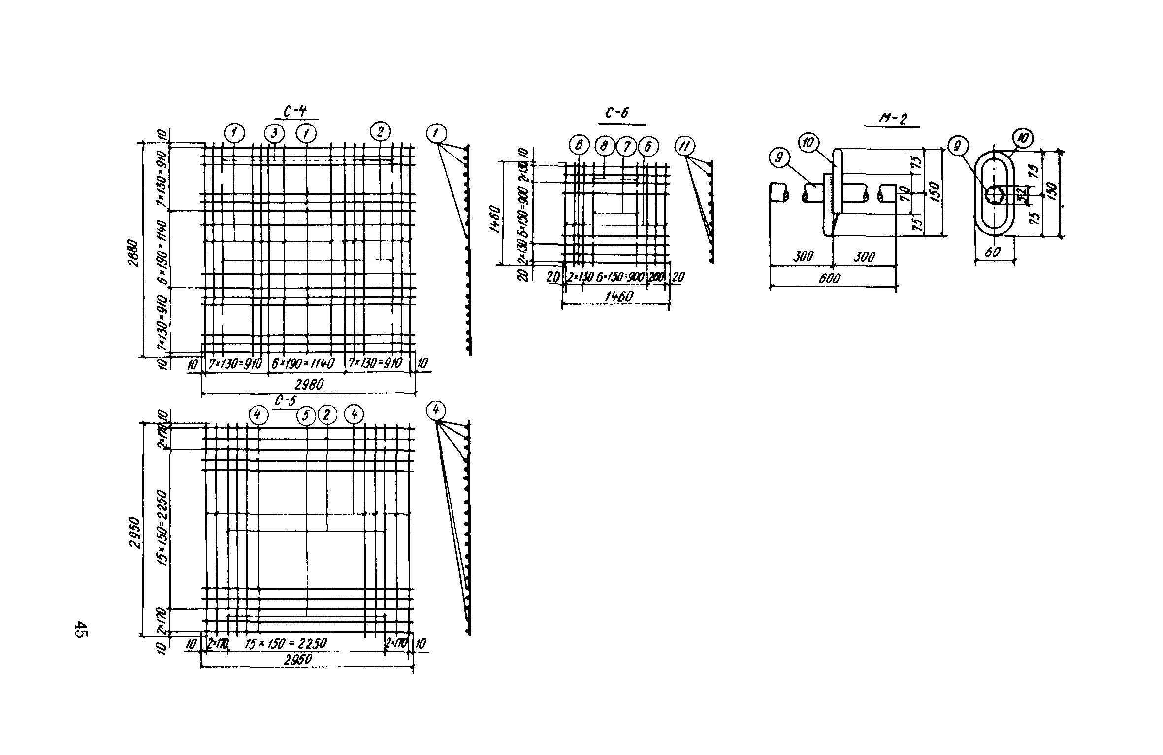
| Оглавление: | Введение 1. Общая часть 2. Проектирование полов из жаростойкого железобетона 3. Изготовление крупноразмерных плит из жароупорного бетона Материалы Состав и приготовление бетонной смеси Изготовление плит 4. Устройство полов из жаростойкого железобетона 5. Приемка работ 6. Техника безопасности Приложение 1. Технические условия на плиты из жароупорного бетона для полов промышленных зданий Приложение 2. Крупноразмерные плиты из жароупорного бетона для полов промышленных зданий. Рабочие чертежи |
| Разработан: | НИИЖБ ЦНИИпромзданий Госстроя СССР |
| Утверждён: | НИИЖБ Госстроя СССР (NIIZhB, USSR Gosstroy ) ЦНИИпромзданий Госстроя СССР (TsNIIpromzdaniy, USSR Gosstroy ) |
| Издан: | Стройиздат (1976 г. ) |
| Нормативные ссылки: |
|


















































