Скачать Типовой проект 501-6-19.86 Альбом IV. Строительные изделияДата актуализации: 01.01.2021
|
| Обозначение: | Типовой проект 501-6-19.86 |
| Обозначение англ: | 501-6-19.86 |
| Статус: | действует |
| Название рус.: | Альбом IV. Строительные изделия |
| Дата добавления в базу: | 01.10.2014 |
| Дата актуализации: | 01.01.2021 |
| Дата введения: | 21.10.1986 |
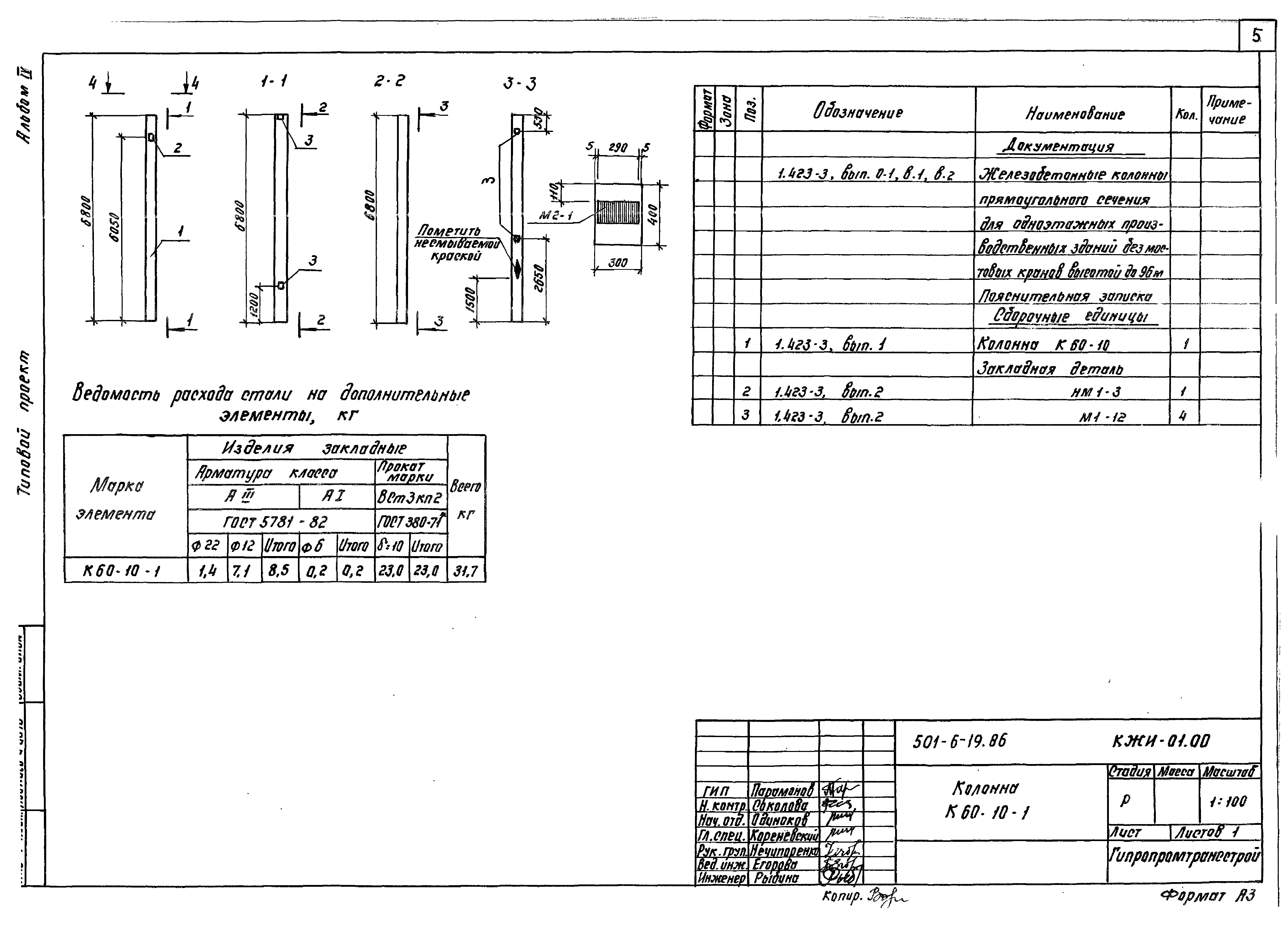
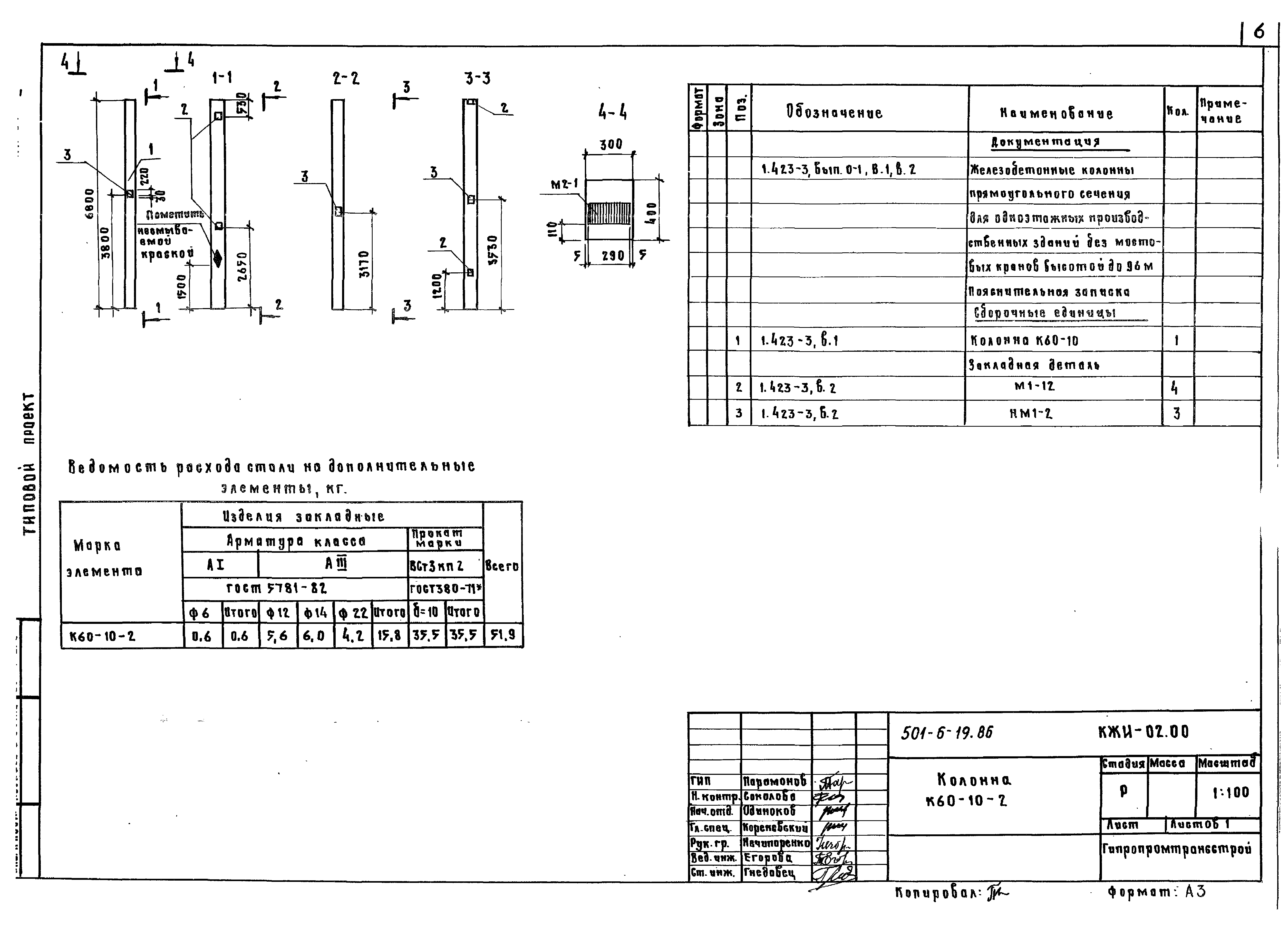
| Оглавление: | Опись альбома Технические требования Колонны Балка Плиты Диафрагмы жесткости Стеновые панели Сетка Сетка арматурная Монтажная деталь Закладная деталь Каркас Закладная деталь Стеновые плиты Сборный фундамент Стеновые панели |
| Разработан: | Гипропромтрансстрой |
| Утверждён: | 27.06.1986 Министерство путей сообщения СССР (USSR Ministry of Railroads Д-19631) |










































