Скачать Руководство по составлению схем и проектов районной планировкиДата актуализации: 01.01.2021 |
| Статус: | справочные материалы, мп, тпр |
| Название рус.: | Руководство по составлению схем и проектов районной планировки |
| Дата добавления в базу: | 01.10.2014 |
| Дата актуализации: | 01.01.2021 |
| Область применения: | В Руководстве определены состав и содержание разработки схем и проектов районной планировки, содержатся также наиболее важные нормативные и справочные показатели по отдельным разделам районной планировки. Рассчитано на проектировщиков, составляющих схемы районной планировки областей, краев и республик, а также проекты районной планировки административных районов и их групп. |
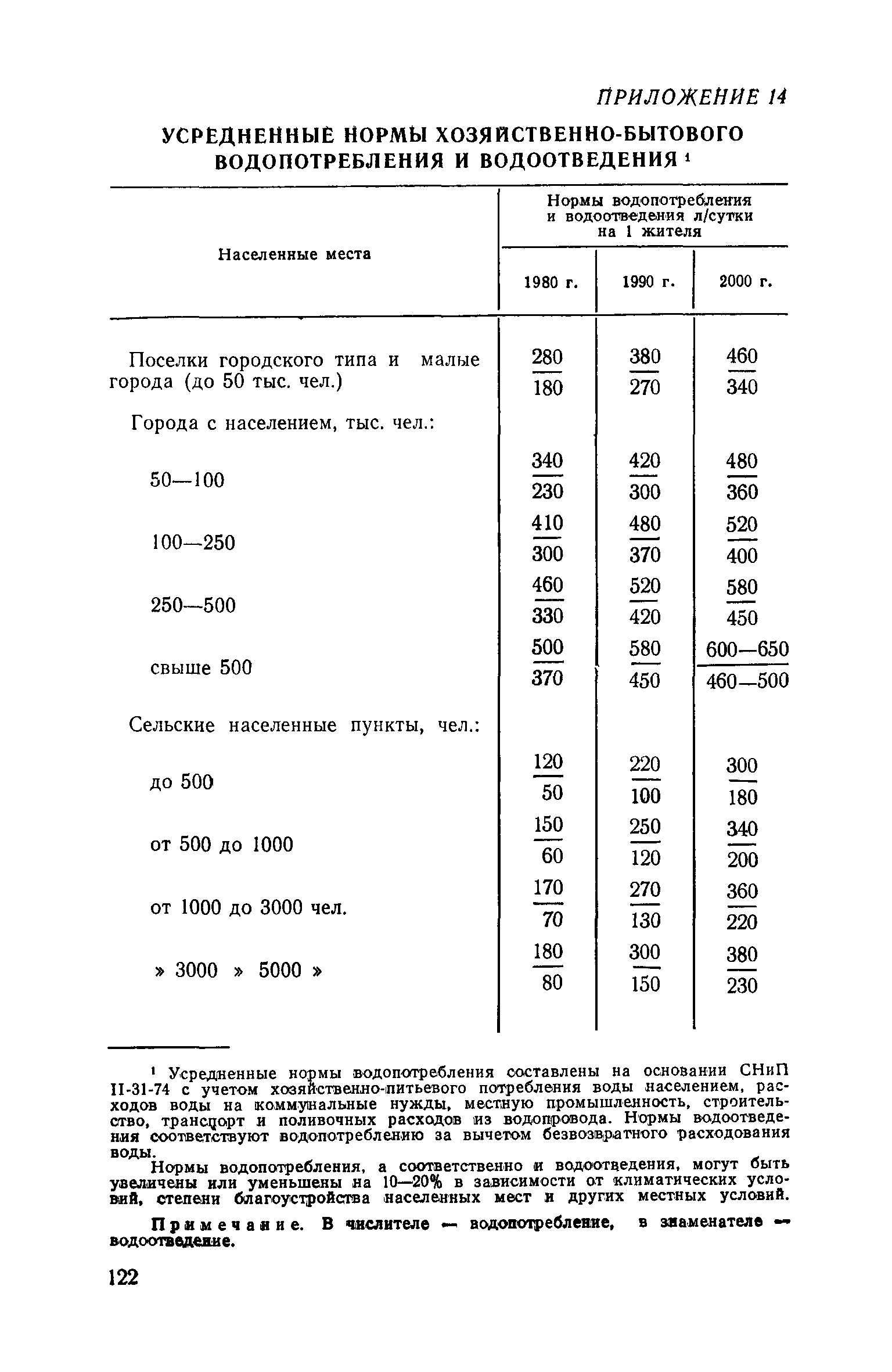
| Оглавление: | Предисловие 1. Общие положения 2. Схемы районной планировки Анализ территории Население и трудовые ресурсы Перспективы развития народного хозяйства Планировочная организация территории Охрана окружающей среды Инженерное обеспечение территории Строительная индустрия 3. Проекты районной планировки Анализ территории Население и трудовые ресурсы Перспективы развития хозяйства Планировочная организация территории Охрана окружающей среды Инженерное обеспечение территории Строительная индустрия 4 Графические материалы 5. Основные положения Приложение 1. Перечень основных нормативных и инструктивных материалов, необходимых при составлении схем и проектов районной планировки Приложение 2. Задание на разработку схемы районной планировки Приложение 3. Перечень и характеристика материалов схем и проектов районной планировки Приложение 4. Основные этапы схемы районной планировки Приложение 5. Основные этапы разработки проекта районной планировки Приложение 6. Основные технико-экономические показатели типичных предприятий различных отраслей промышленности Приложение 7. Расчетные нормы потребления продуктов питания на душу населения Приложение 8. Номенклатура животноводческих комплексов и ферм Приложение 9. Характеристика крупных животноводческих комплексов промышленного типа Приложение 10. Примерный состав культурно-бытовых учреждений в центрах межселенного обслуживания Приложение 11. Расчетные показатели потребности в местах и учреждений отдыха Приложение 12. Ориентировочные балансы территории Приложение 13. Нормативная производительность различных видов транспорта Приложение 14. Усредненные нормы хозяйственно-бытового водопотребления и водоотведения Приложение 15. Усредненные оросительные нормы Приложение 16. Расход воды на промывку засоленных почв Приложение 17. Потребление электроэнергии на хозяйственно-бытовые и коммунальные нужды Приложение 18. Укрупненные показатели потребления тепла для отопления, вентиляции и горячего водоснабжения Приложение 19. Укрупненные нормативы удельного веса строительно-монтажных работ в общем объеме капитальных вложений по различным отраслям и видам строительства Приложение 20. Укрупненные отраслевые показатели расходов строительных материалов, деталей и конструкций на 1 млн. руб. сметной стоимости строительно-монтажных работ |
| Разработан: | ЦНИИП градостроительства |
| Утверждён: | ЦНИИП градостроительства Госгражданстроя |
| Издан: | Стройиздат (1978 г. ) |
| Нормативные ссылки: |
|












































































































