Скачать Методика проведения неразрушающего контроля фонтанной арматуры АФК ЭI-65х21, АФК IЭ-65х14ХЛ
Дата актуализации: 01.01.2021
Методика проведения неразрушающего контроля фонтанной арматуры АФК ЭI-65х21, АФК IЭ-65х14ХЛ
Статус:
действует
Название рус.:
Методика проведения неразрушающего контроля фонтанной арматуры АФК ЭI-65х21, АФК IЭ-65х14ХЛ
Дата добавления в базу:
01.10.2014
Дата актуализации:
01.01.2021
Область применения:
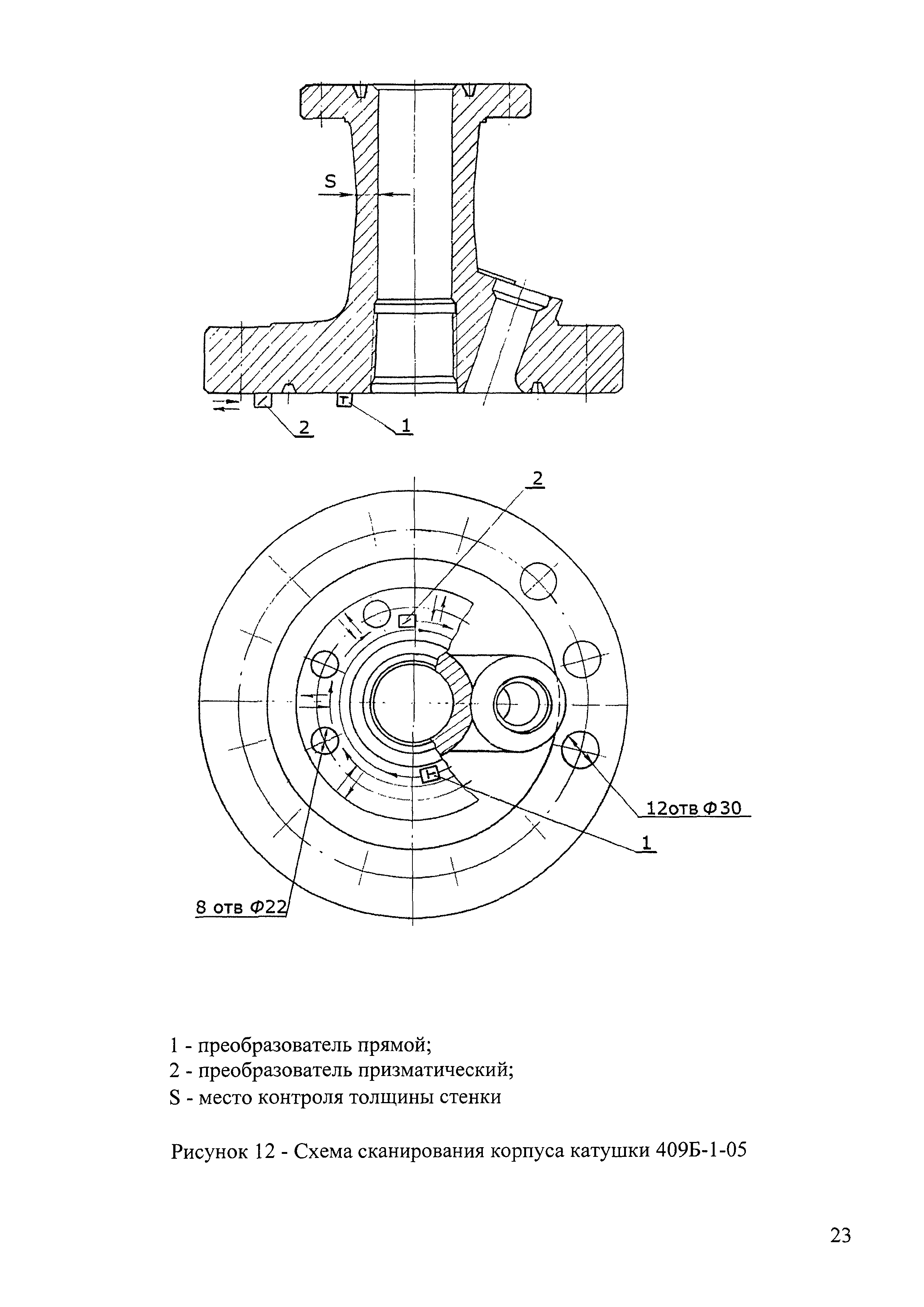
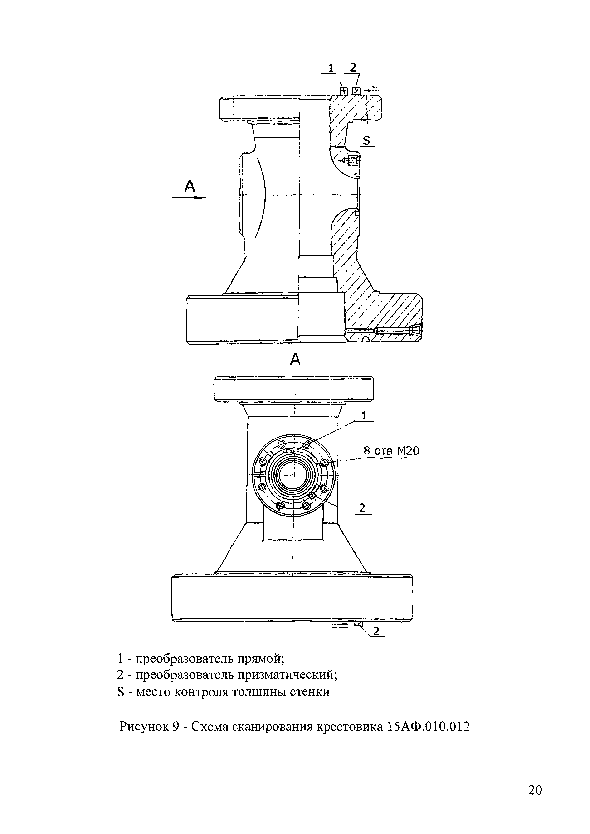
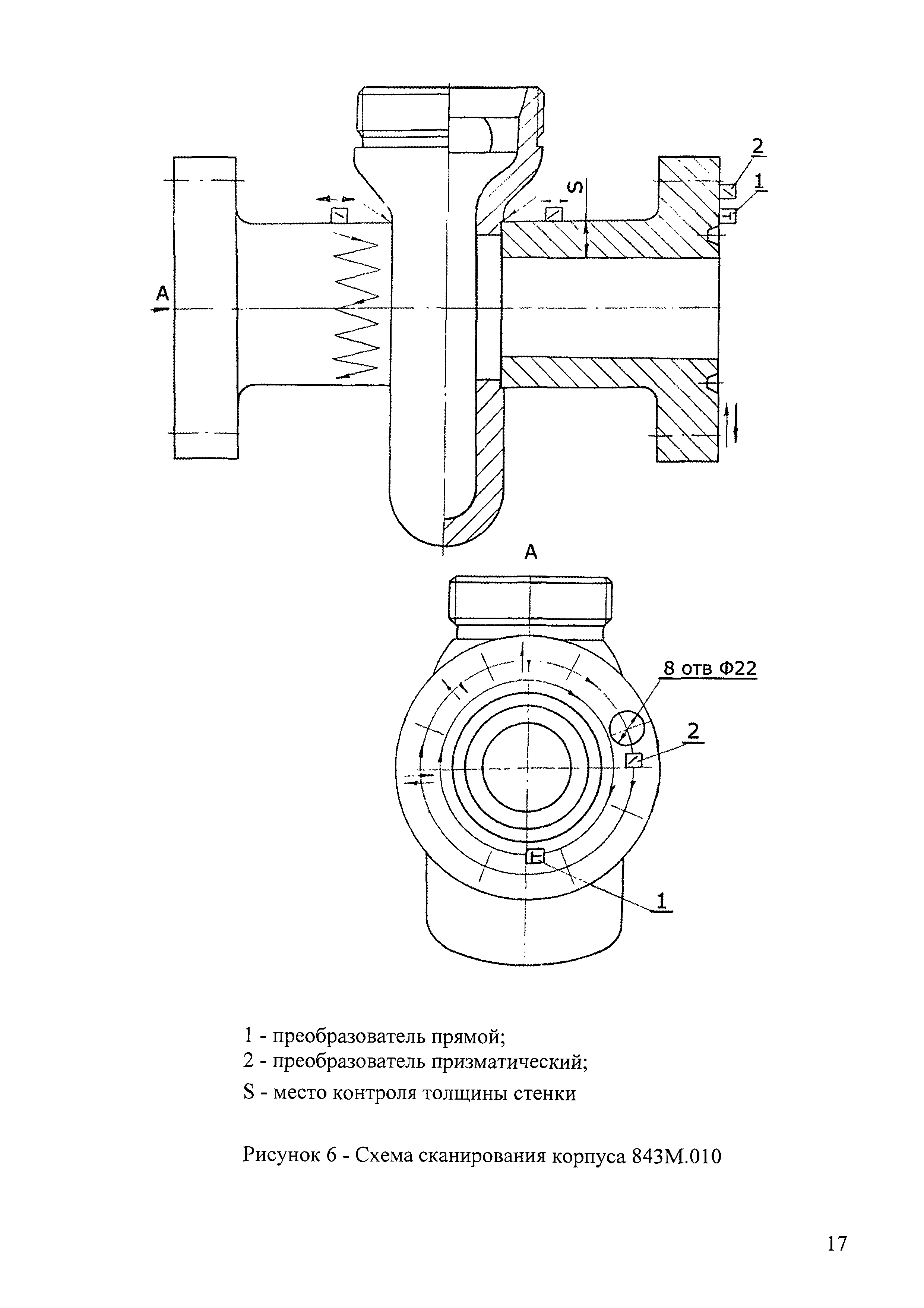
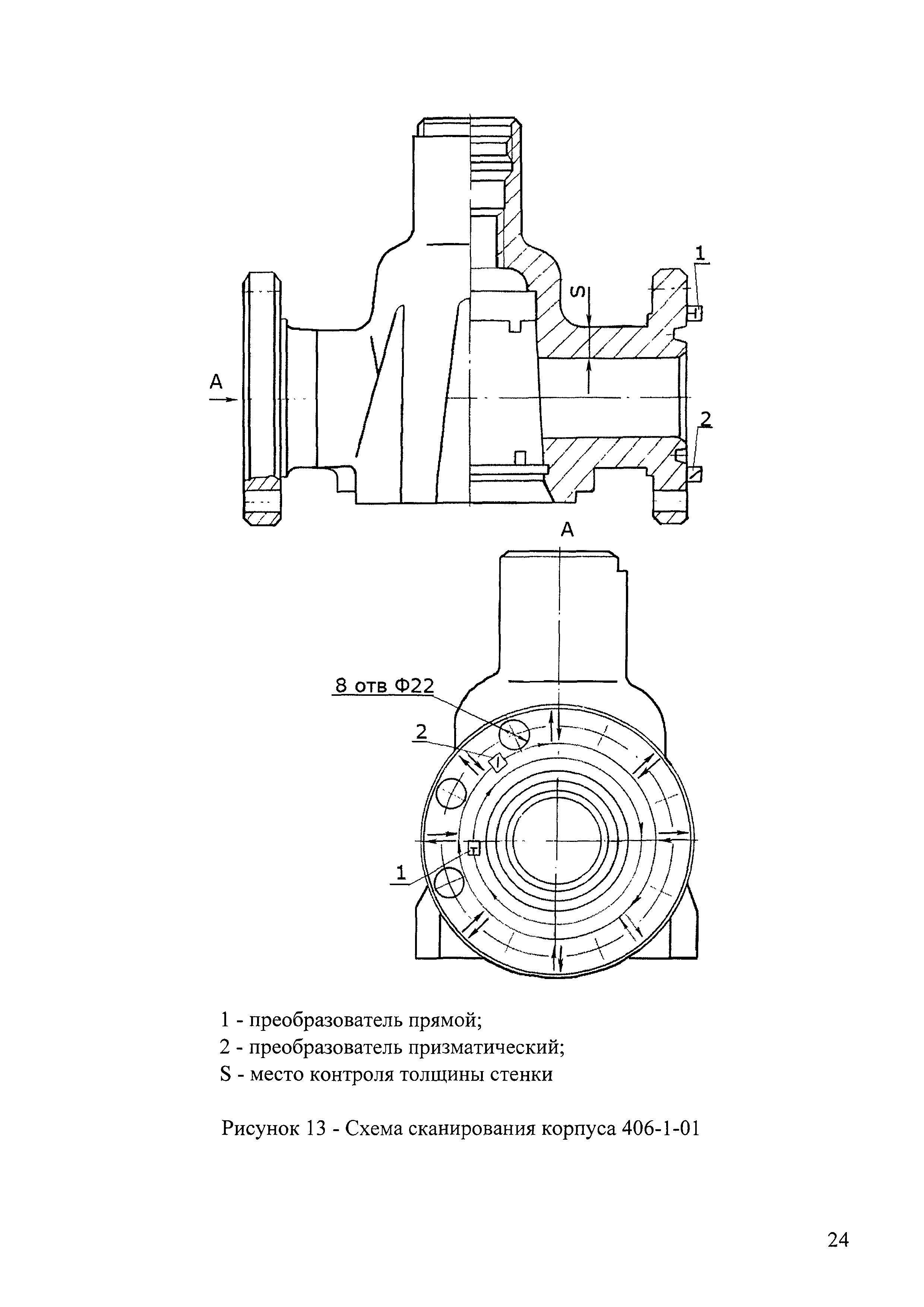
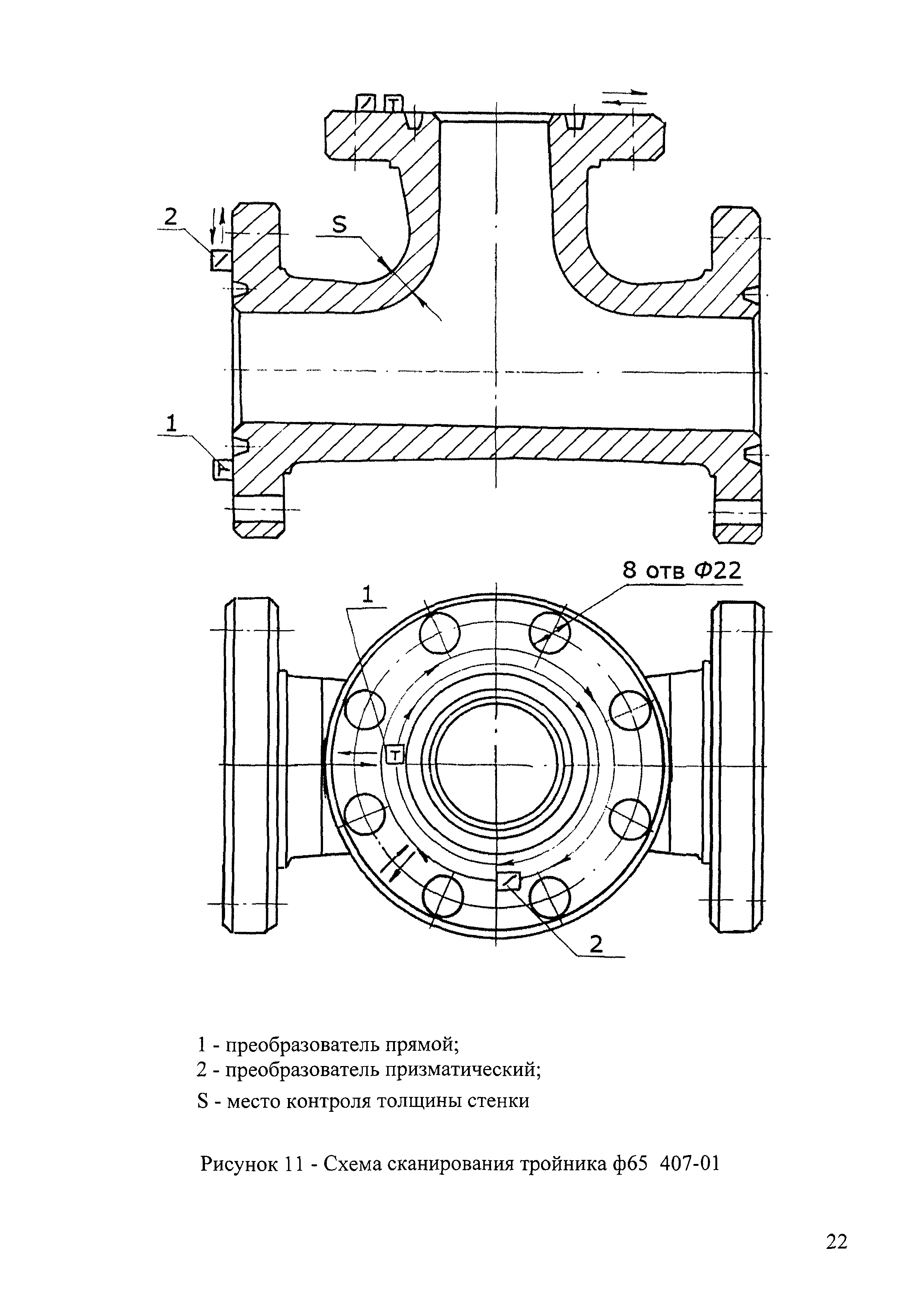
В Методике приводится технология визуального и ультразвукового методов контроля деталей фонтанной арматуры АФК Э1-65х21, АФК 1Э-65х14ХЛ.
Оглавление:
1 Общие положения
2 Аппаратура
3 Подготовка к контролю
4 Порядок контроля
5 Оформление результатов контроля
6 Техника безопасности
Приложение А
Разработан:
СПКТБ Нефтегазмаш
Утверждён:
СПКТБ Нефтегазмаш
Принят:
19.07.1999 Госгортехнадзор России
(Russian Federation Gosgortekhnadzor 10-13/46)
Нормативные ссылки:
ГОСТ 14782-86 «Контроль неразрушающий. Соединения сварные. Методы ультразвуковые»
ГОСТ 12.0.004-90 «Система стандартов безопасности труда. Организация обучения безопасности труда. Общие положения»
ГОСТ 12.1.004-91 «Система стандартов безопасности труда. Пожарная безопасность. Общие требования»
СанПиН 2.2.4/2.1.8.582-96 «Гигиенические требования при работах с источниками воздушного и контактного ультразвука промышленного, медицинского и бытового назначения»
ГОСТ 12.1.001-89 «Система стандартов безопасности труда. Ультразвук. Общие требования безопасности»
ГОСТ 12.2.003-91 «Система стандартов безопасности труда. Оборудование производственное. Общие требования безопасности»
ГОСТ 12.2.061-81 «Система стандартов безопасности труда. Оборудование производственное. Общие требования безопасности к рабочим местам»
ГОСТ 12.3.003-86 «Система стандартов безопасности труда. Работы электросварочные. Требования безопасности»
ГОСТ 166-89 «Штангенциркули. Технические условия»
ГОСТ 427-75 «Линейки измерительные металлические. Технические условия»
ГОСТ 12.3.002-75 «Система стандартов безопасности труда. Процессы производственные. Общие требования безопасности»
ПОТ Р М-016-2001 «Межотраслевые правила по охране труда (правила безопасности) при эксплуатации электроустановок»
ГОСТ 21105-87 «Контроль неразрушающий. Магнитопорошковый метод»
ГОСТ 2789-73 «Шероховатость поверхности. Параметры и характеристики»
ГОСТ 1033-79 «Смазка солидол жировой. Технические условия»
ГОСТ 12.2.062-81 «Система стандартов безопасности труда. Оборудование производственное. Ограждения защитные»
ГОСТ 14872-82 «Таблицы испытательные оптические телевизионные. Типы, размеры и технические требования»
ГОСТ 17479.2-85 «Масла трансмиссионные. Классификация и обозначение»
ГОСТ 21743-76 «Масла авиационные. Технические условия»