Скачать Типовой проект 211-1-400.87 Альбом III. Электротехнические чертежиДата актуализации: 01.01.2021
|
| Обозначение: | Типовой проект 211-1-400.87 |
| Обозначение англ: | 211-1-400.87 |
| Статус: | не определен законодательством |
| Название рус.: | Альбом III. Электротехнические чертежи |
| Дата добавления в базу: | 01.10.2014 |
| Дата актуализации: | 01.01.2021 |
| Дата введения: | 16.01.1987 |
| Дата окончания срока действия: | 30.06.2003 |
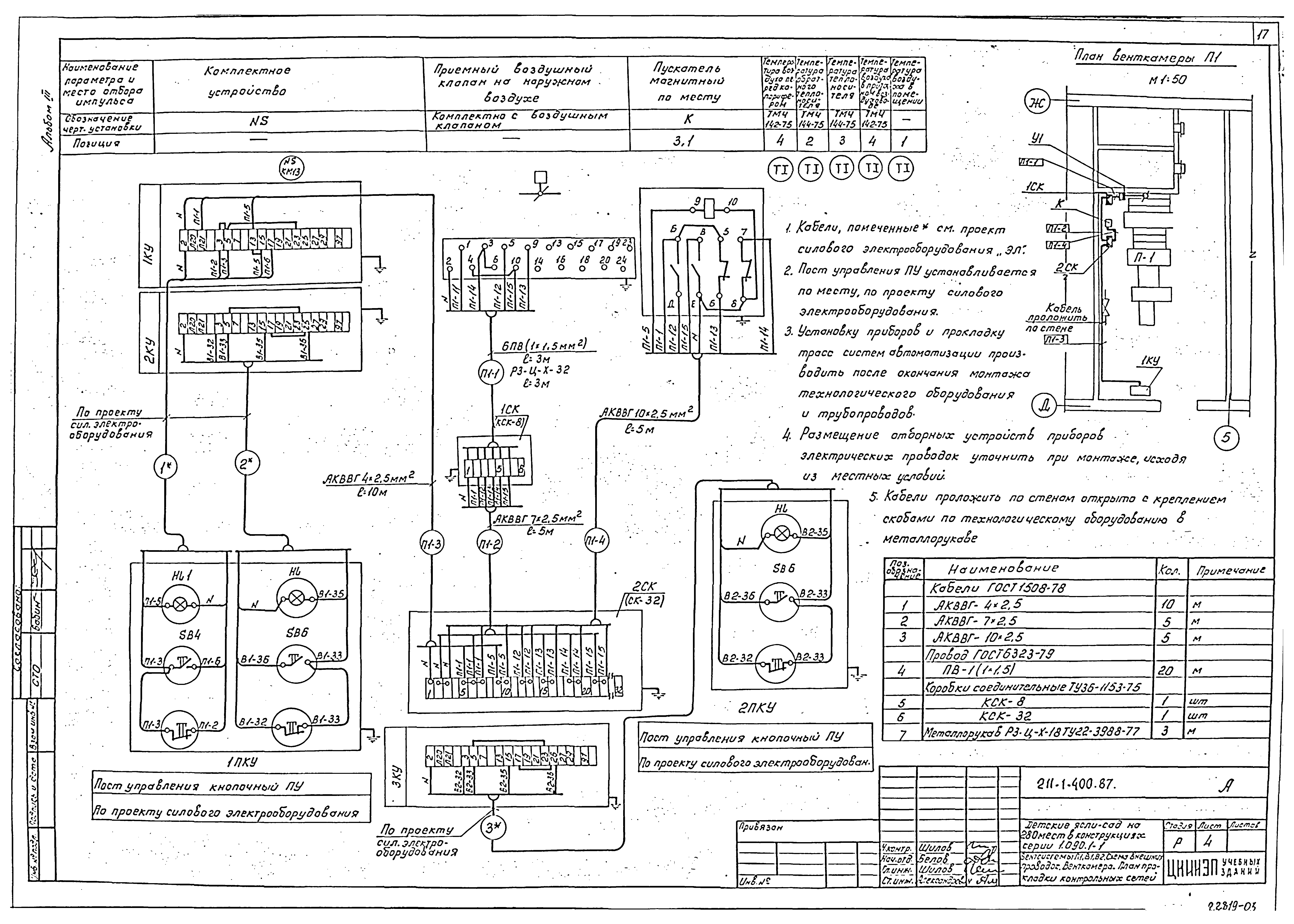
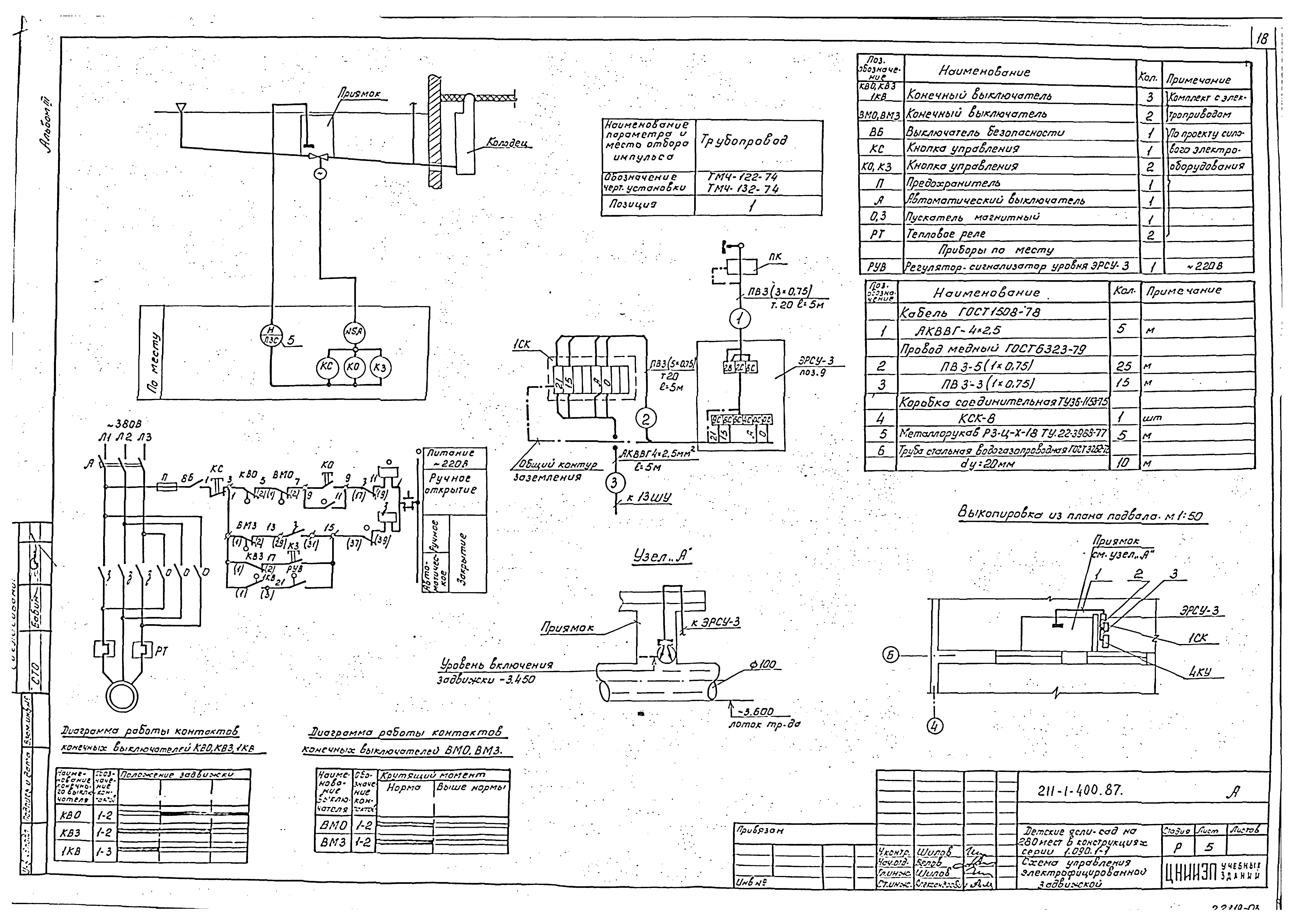
| Оглавление: | Содержание альбома Электрооборудование Общие данные Принципиальная схема питающей сети План расположения сетей подвала и техподполья. Электроосвещение План расположения сетей 1 этажа. Электроосвещение План расположения сетей 2 этажа. Электроосвещение План расположения сетей 3 этажа. Электроосвещение План расположения сетей подвала и техподполья. Силовое электрооборудование План расположения сетей подвала и техподполья, 1 - 3 этажей, кровли. Силовое электрооборудование Отключение вентиляции при пожаре Принципиальная таблица-схема распределительной сети Вводно-распределительное устройство. Опросный лист Автоматизация сантехустройств Общие данные Вентсистемы П1, В1, В2. Схема функциональная Вентсистемы П1, В1(В2). Схемы электрические принципиальные управления Вентсистемы П1, В1, В2. Схема внешних проводок. Венткамера. План прокладки контрольных сетей Схема управления электрофицированной задвижкой Связь и сигнализация Общие данные Схемы связи и сигнализации План расположения сетей связи и сигнализации в подвале План расположения сетей связи на 1 этаже План расположения сетей связи на 2 этаже План расположения сетей связи на 3 этаже План расположения сетей сигнализации на 1 этаже План расположения сетей сигнализации на 2 этаже План расположения сетей сигнализации на 3 этаже План расположения сетей связи на кровле Коробка для подключения телевизора |
| Разработан: | ЦНИИЭП учебных зданий |
| Утверждён: | 16.01.1987 Госгражданстрой (Gosgrazhdanstroy 9) |





























