Скачать Типовой проект 416-7-326.90 Альбом 3. Строительные изделияДата актуализации: 01.01.2021
|
| Обозначение: | Типовой проект 416-7-326.90 |
| Обозначение англ: | 416-7-326.90 |
| Статус: | не определен законодательством |
| Название рус.: | Альбом 3. Строительные изделия |
| Дата добавления в базу: | 01.10.2014 |
| Дата актуализации: | 01.01.2021 |
| Дата введения: | 24.05.1990 |
| Дата окончания срока действия: | 30.06.2003 |
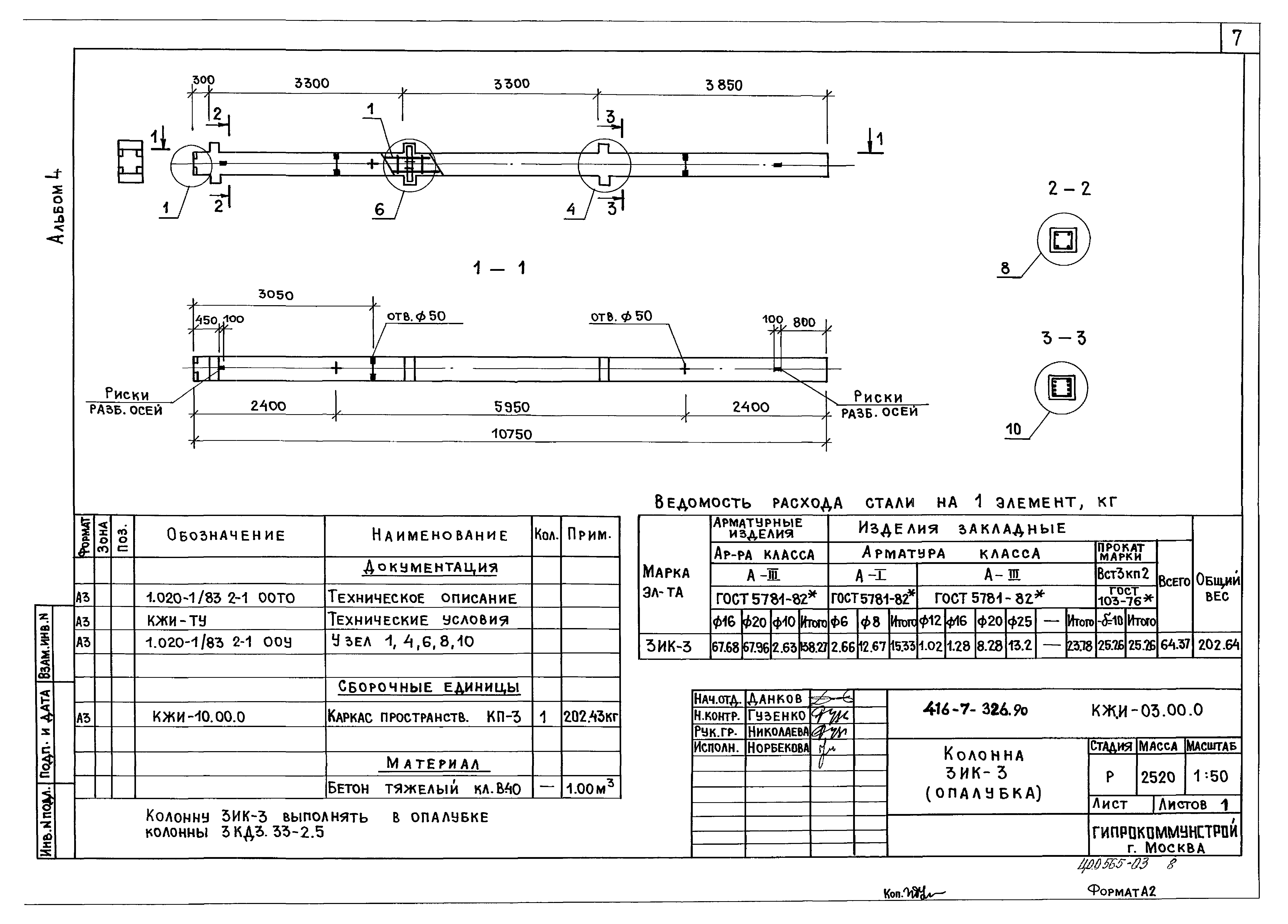
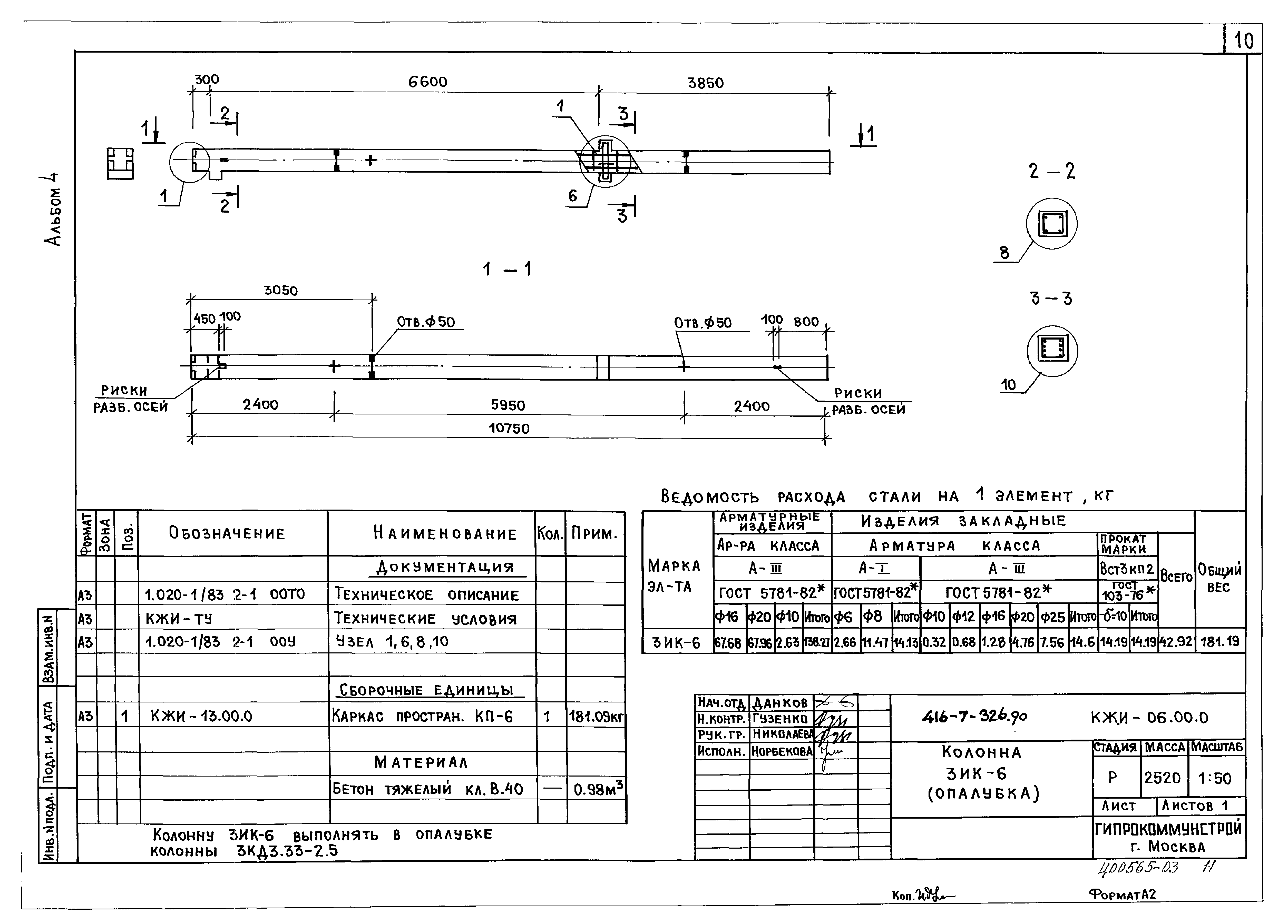
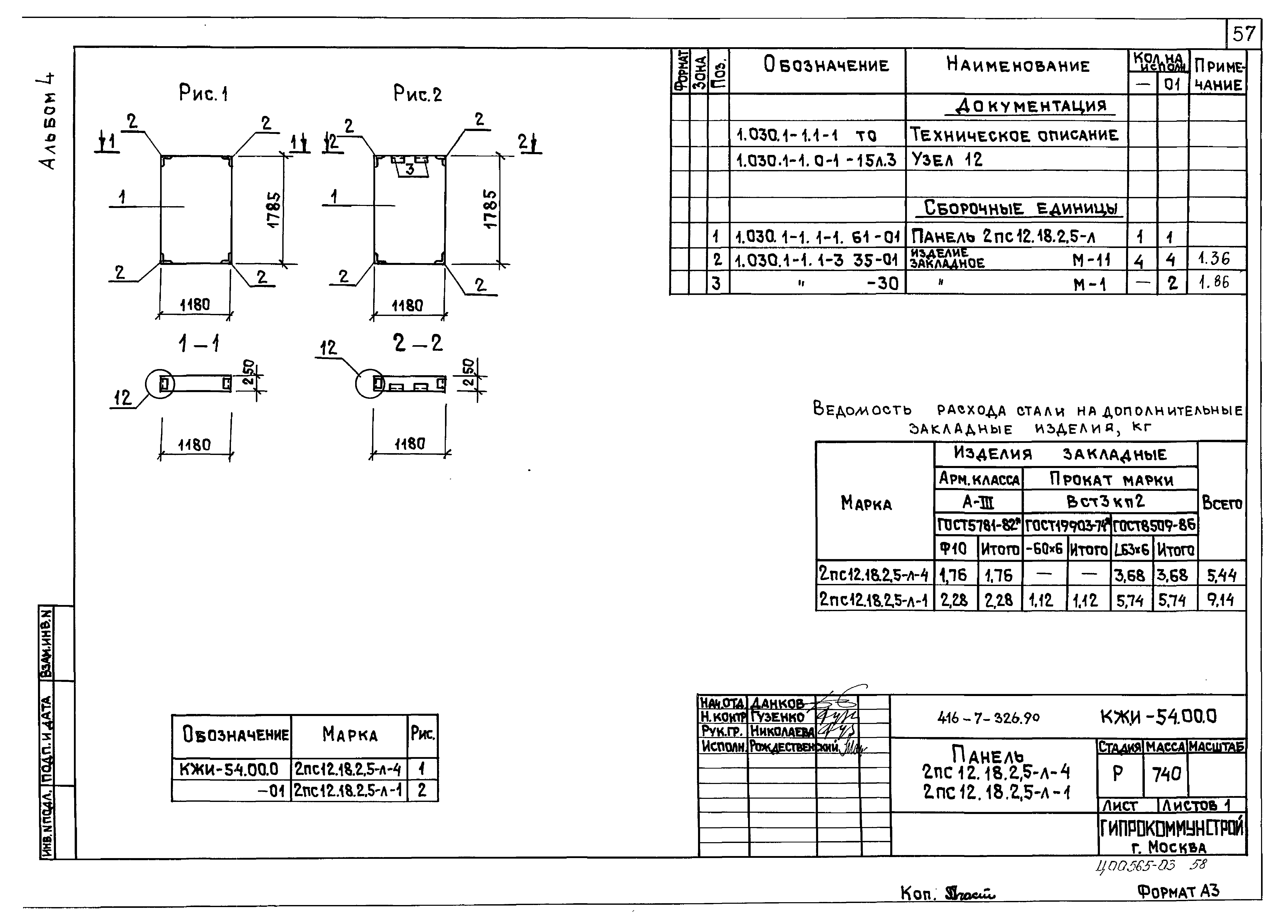
| Оглавление: | КЖ.И-ТУ Технические условия к изготовлению арматурных и закладных изделий КЖ.И-01.00.0 Колонна 3ИК-1 (опалубка) КЖ.И-02.00.0 Колонна 3ИК-2 (опалубка) КЖ.И-03.00.0 Колонна 3ИК-3 (опалубка) КЖ.И-04.00.0 Колонна 3ИК-4 (опалубка) КЖ.И-05.00.0 Колонна 3ИК-5 (опалубка) КЖ.И-06.00.0 Колонна 3ИК-6 (опалубка) КЖ.И-07.00.0 Колонна 3ИК-7 (опалубка) КЖ.И-08.00.0 Каркас пространственный КП-1 КЖ.И-09.00.0 Каркас пространственный КП-2 КЖ.И-10.00.0 Каркас пространственный КП-3 КЖ.И-11.00.0 Каркас пространственный КП-4 КЖ.И-12.00.0 Каркас пространственный КП-5 КЖ.И-13.00.0 Каркас пространственный КП-6 КЖ.И-14.00.0 Каркас пространственный КП-7 КЖ.И-15.00.0 Колонна 2КОЗ.33-2.1-1 КЖ.И-16.00.0 Колонна 2КОЗ.33-2.1-2 КЖ.И-17.00.0 Колонна 2КОЗ.33-2.1-3 КЖ.И-18.00.0 Колонна 2КОЗ.33-2.1-4 КЖ.И-19.00.0 Колонна 2КОЗ.33-2.1-5 КЖ.И-20.00.0 Колонна 2КДЗ.33-1.1-1 КЖ.И-21.00.0 Колонна 2КДЗ.33-1.1-2 КЖ.И-22.00.0 Колонна 2КДЗ.33-1.1-3 КЖ.И-23.00.0 Колонна 3ИК-1-1 КЖ.И-24.00.0 Колонна 3ИК-1-2 КЖ.И-25.00.0 Колонна 3ИК-2-1 КЖ.И-26.00.0 Колонна 3ИК-3-1 КЖ.И-27.00.0 Колонна 3ИК-4-1 КЖ.И-28.00.0 Колонна 3ИК-5-1 КЖ.И-29.00.0 Колонна 3ИК-5-2 КЖ.И-30.00.0 Колонна 3ИК-6-1 КЖ.И-31.00.0 Колонна 3ИК-7-1 КЖ.И-32.00.0 Плита ПРС56.15-10АтIVт-1; ПРС56.15-10АтIVт-2; ПРС56.15-10АтIVт-3; ПРС56.15-10АтIVт-4 КЖ.И-33.00.0 Плита ПРС56.15-10АтIVт-5; ПРС56.15-10АтIVт-6 КЖ.И-34.00.0 Плита ПРС56.15-6АтIVт-1; ПРС56.15-6АтIVт-2, ПРС56.15-6АтIVт-3 КЖ.И-35.00.0 Плита ПРС86.15-4АIVт-1 КЖ.И-36.00.0 Ригель РЛП4.57-45-1 КЖ.И-37.00.0 Панель ПС60.9.2,5-2л-6 КЖ.И-38.00.0 Панель ПС60.9.2,5-2л-1, ПС60.9.2,5-2л-16 КЖ.И-39.00.0 Панель ПС60.9.2,5-2л-21 КЖ.И-40.00.0 Панель ПС60.15.2,5-2л-9 КЖ.И-41.00.0 Панель ПС60.15.2,5-2л-12, ПС60.15.2,5-2л-2 КЖ.И-42.00.0 Панель ПС60.15.2,5-2л-11, ПС60.15.2,5-2л-1 КЖ.И-43.00.0 Панель ПС60.18.2,5-2л-1, ПС60.18.2,5-2л-5 КЖ.И-44.00.0 Панель ПС30.9.2,5-6л-6, ПС30.18.2,5-6л-1 КЖ.И-45.00.0 Панель ПС30.15.2,5-6л-9, ПС30.15.2,5-6л-12 КЖ.И-46.00.0 Панель ПС30.15.2,5-6л-2 КЖ.И-47.00.0 Панель 1ПС57.5.9.2,5-2л-1.2 КЖ.И-48.00.0 Панель 1ПС57.5.15.2,5-2л-1.4; 1ПС57.5.15.2,5-2л-1.6 КЖ.И-49.00.0 Панель 1ПС27.5.9.2,5-6л-1.10; 1ПС27.5.9.2,5-6л-2.10 КЖ.И-50.00.0 Панель 1ПС27.5.15.2,5-6л-1.10; 1ПС27.5.15.2,5-6л-2.10 КЖ.И-51.00.0 Панель 1ПС27.5.15.2,5-6л-2,4; 1ПС27.5.15.2,5-6л-2.6 КЖ.И-52.00.0 Панель 1ПС27.5.9.2,5-6л-2,2 КЖ.И-53.00.0 Панель 1ПС27.5.18.2,5-6л-1,10; 1ПС27.5.18.2,5-6л-2.10 КЖ.И-54.00.0 Панель 2ПС12.18.2,5-л-4; 2ПС12.18.2,5-л-1 КЖ.И-55.00.0 Панель 2ПС6.18.2,5-л-3; 2ПС6.18.2,5-л-2, 2ПС6.18.2,5-л-1 КЖ.И-56.00.0 Панель 2ПС3.18.2,5-л-2, 2ПС3.18.2,5-л-3 КЖ.И-57.00.0 Панель 2ПС3.18.2,5-л-1 КЖ.И-58.00.0 Панель 2ПС3.15.2,5-л-2, 2ПС3.15.2,5-л-3 КЖ.И-59.00.0 Панель 3ПС41.90.2,5-л-1; 3ПС41.180.2,5-л-1 КЖ.И-60.00.0 Панель 3ПС41.150.2,5-л-1; 3ПС41.150.2,5-л-2 КЖ.И-61.00.0 Каркас К-1 КЖ.И-62.00.0 Каркас К-2 |
| Разработан: | Гипрокоммунстрой |
| Утверждён: | 24.05.1990 Минжилкомхоз РСФСР (Russian Federation Minzhilkomkhoz 102) |
































































